Fórum témák
» Több friss téma |
Huha. Nem nagyon értek a strobikhoz. Gondolom, hogy ha a tirisztor külső jelről megy, akkor a nagyfesz rész és a cső rendben van. Ha az ic-k kapnak feszt akkor a tápok is rendben vannak. Gondolom ez fázishasítós (nem tudom, hogy nevezik pontosan) stroboszkóp szóval figyeli a hálózati szinuszt. IC-ket jól forrasztottad bele? Úgy értem, hogy az adatlap szerint jó helyre kapja a feszültséget, kimenetek helyükön vannak-e stb.
Elfelejtettem.. Ellenállásokat, diódákat, kondikat átnézted? Szerintem a kondikat kapásból cseréld ki, úgy is csak pár darab van és így azokat is ki lehetne zárni. Meg legalább új lesz az összes pár évig nem kell foglalkozni velük.
Nagyfesz, tirisztor rész rendben, cső vereti mint állat egy másik strobival próbáltam. IC-ket nem nagyon lehet elhibázni, annyi, hogy tettem alá foglalatot, hogy könnyü legyen csereberélni ha kell, tápot mind jó helyen kapja (12volt megvan). Természetesen ellenállások,diódák, lemérve, esetleg a kondival adtál egy tippet, hogy átnézzem...
Látom nem túl sokat tudtam akkor segíteni, de biztos van itt valami strobi profi aki tudja mi lehet a hiba.
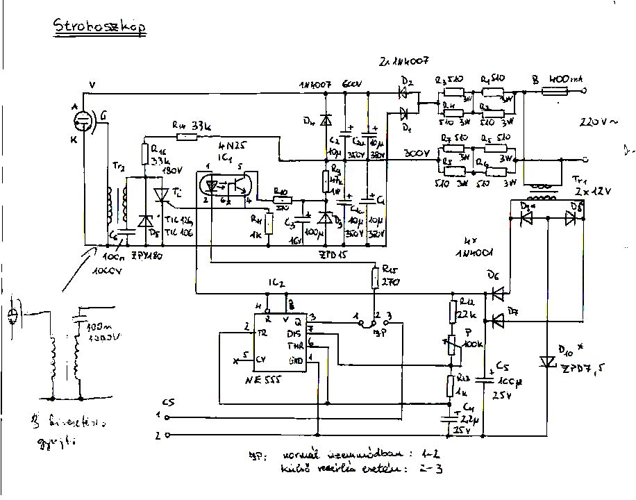
Régi lemezeim közt turkálva találtam ezt a rajzot. 2003 a fájl keletkezési dátuma. Hátha valakinek pont ez kell.
Üdv!
Sikerült jutni valamire az astro-s strobival? Van nálam is 1 javításra ugyanezzel a problémával,átnéztem mindent benne de még nem jutottam semmire,itt az ic-n rajta vannak a számok cseréltem is mindet,valamint találtam 1 szakadt 1megás s ellenállást a gartez mellett (egymás mellett vannak)De még mindig semmi Hátha tudunk segíteni egymásnak
Sziasztok!Olyan gondom lenne hogy van egy Astro AS500-as strobim és eldurrant a cső benne!cseréltem csövet de nem akar villiogni,és mindent átnéztem már rajta,de hibát nem találtam!Most terveznék egy másfajta lapot neki és ebben kérném a segítségeteket!Tudna vki küldeni nekem rajzot ami 500W-os csövet tudna villogtatni?Vezérlőm már van hozzá csak a nagyfesz részéhez kérnék segítséget!Előre is köszönöm a segítségeteket!
Szia!
Külső vezérléssel próbáltad? Én nem küzdenék másik panellel,ennél stabilabbat nem találsz szerintem. Méregesd át minden alkatrészét a lelkének, meg lesz az a hiba. Üdv.
Üdv Csabeboy,
Mivel a hétvégén a hegyekben voltam havazódni kicsit, csak ma kezdek neki a további vizsgálatoknak a strobival kapcsolatban.Nálam az ellenállások, többek közt az 1megás is ok, viszont az lenne a kérdésem, hogy a tirisztort melyik IC hajtja közvetlen a 2 trigger IC-böl? 4013 vagy 40106 ?Csak, hogy biztos legyek benne, mert nálam törölve volt minden. Köszi!
üdv!
az enyémbe úgy van hogy a 4013-as ic hajtja a tirisztort
Sikerült ma megtalálnom a hibát, tökéletesen működik végre
Tehát a 4013 ic körül találsz egy 82kilós és 1megás ellenállást, a müszerem 130kiló értéket mutatott, itt lett gyanus a dolog, majd nagyitó alatt láttam, hogy picit pörkölődött az ellenállás úgyanígy az 1megás is ami szintén körülötte van, ezeket cseréltem. Ezt követően jöttek a kondik, lesz egy 1mikrós kondi ami a tirisztorhoz megy, ez nekem csak kb. 80nanós volt valójában, tehát elhalt. Ezeket kicserélve, be indult és tökéletesen megy ![]() Tehát vigyázat mert a műszert kissé becsaphatják az égett ellenállások! Remélem sikerül neked is megtalálni Majd irj, hogy mire jutottál.
Nyákot nem szeretnéd visszatervezni? Vagy ha nem akkor azt, hogy nagy felbontású képek és odaírod az értékeket aztán visszatervezem én.
Kedves Sound.man
A feljebb csatolt képeket a telefonommal készitettem, de nem tudom, hogy annak az 5mpx-es kamerája elegendö-e. Egy kis segitséget szeretnék kérni, hogy milyen programmal tudnám egyszerüen felirkálni a képre az értékeket? Mert sajnos ezt nem nagyon vágom...eddig nem csináltam
Hát mondjuk egy digitális fényképezőt ha tudnál szerezni azzal lefényképeznéd mind a két oldalát a nyáknak az úgy nagyon jó lenne. Értékeket meg mondjuk paint-el simán rá tudnád írogatni, én meg majd sprint-be visszarajzolom.
Mivel még nem készitettem ilyesmit, előre is elnézést ha hagy maga után kivánni valót a csatol képen az alkatrészek jelölése. Ha jól rá nagyitunk, akkor tisztán ki vehetőek a feliratok. Remélem tudtam segiteni, légyszives jelezz vissza ha sikerült elkészitened
Csak most látom, hogy nem eredeti méretben tölti fel és romlik a minősége a képnek nagyitás után
![]() Ha esetleg tudsz adni egy e-mail cimet, akkor elküldöm neked eredetiben.
Köszi szépen! Valamikor neki is esek visszatervezni. Ide elküldheted: gabor488@citromail.hu
valami nincs rendben az e-mail címeddel, azt irja, hogy hibás vagy nem létezik.
1 Kis segítség
Az ismeretlen típusú alkatrész egy optocsatoló a száma pedig:pc 817c
Huha. Pedig működik az a cím. Próbáld meg mégegyszer. Ha akkor se megy eleje ugyan az és a vége meg @freemail.hu küld ide.
A citromail.hu címedre ugyan azt a hibát adja, de a freemail-re elméletileg át kellett menjen.
Köszi a segytséget, az alkatrész nem ismeretlen csak a típust nem tudtam mert nálam annak az értéke is le van csiszolva
Jutottál valamire a Strobival ?
Sziasztok!
Beépítetem a stroboszkópomba egy relét a 220v ra. LPT portról szeretném vezérelni. Van egy MOC3020 optotriac-om, lehet-e használni idei? Az LPT portom tökéletesen működik.
Heló, van egy 400µF-os 300V-ra elektrolit kondenzátorom, ez egy régi vakuban van, amit stroboszkópnak használok. Csak túl lassan töltődik fel, hogy lehetne a feltöltést felgyorsítani? cseréljek kondit kisebbre??? mert így nem bírja követni a ritmust
400µF kondival, csak a cső életét rövidíted, használj 4.7µF vagy 10µF kondit.
Pedig ez gyári vaku, de kb. idősebb mint te meg én együttvéve, ez a kondi gyárilag volt benne, de akkor megpróbálom,amit te mondasz. a lényeg nekem,hogy kevesebb mint egy másodperc alatt töltődjön fel
néztem a típusát,de nem láttam ráírva, valahogy megtudom. amúgy nem nagy villanócső, kisebb,mint 5 cm
|
Bejelentkezés
Hirdetés |





Majd irj, hogy mire jutottál. 








