Fórum témák
» Több friss téma |
Fórum » Subwoofer szűrő
Idézet: „Nem is értem az eredeti rajzon miért nem szerepel ez a 100µF-os hidegítő kondi.” Azért mert szinte biztos, hogy stabilizált 12V-ra tervezte. Azon meg nem csücsül a simán csak egyenirányított, pufferelt feszültség hullámossága.
Magunk közt szólva: stabilizált tápnál is illik legalább egy 100nF-dal megfogni egy "meleg" pontot!
Gondolod, hogy amire 100nF van ráírva, az holt biztosan 100nF? Én szoktam ezeket néha mérni, a régi Remix-eseknek pl. nagyjából 5% a tűrése! Nagy kaland!
És ha ott - abban a szűrő-vágó kapcsolásban mi van olyankor, ha mondjuk nem 200nF lesz betéve, hanem pl. 220nF? Majd egy kicsit mélyebben vág vele a SUB erősítő! - "Naés?" Egy ilyen SUB mélyvágós cucc a pontosságában sohasem a műszer kategóriájáról híres.
Amikor az aktív hangváltómat csináltam, minden értékű kondiból és ellenállásból, ami kellett hozzá, vettem 50 darabot. Mindet megsorszámoztam, lemértem és egy táblázatba foglaltam. Ezekből válogattam össze az egymáshoz, és a névleges értékhez legközelebb esőket.
Így utólag: tök felesleges volt.
Ha megnézed az "eredeti" rajzot, ott van a 100nF a 12V-on.
Azért egy hangváltó nem az a precíziós szűrő, amiket a profi híradástechnikai berendezésekben alkalmaznak.
Valószínűleg nem borul meg nagyon a FAZ1 féle 220nF-tól sem, de azért illik tartani a kiszámolt értékeket, főleg ha nem okoz nagy fejfájást. Egyébként ha két kondiból rakunk össze egy dupla értékűt, akkor nagyobb a valószínűsége annak, hogy pontosabb értékű lesz a végeredmény. Idézet: „Egyébként ha két kondiból rakunk össze egy dupla értékűt, akkor nagyobb a valószínűsége annak, hogy pontosabb értékű lesz a végeredmény.” Erre mondjuk egy matematikus mondhatna áment. Én nagyon régen olvastam valahol, lehet hogy pontatlan.
Ott jön majd elő matematikailag a tipikusan átlag-érték! No meg - amit a tűrések még megengednek.
A trimmerpotencióméterek esetében a pontosran beállított értéket szokás fixen több darab ellenállással kiváltani, mert ha a trimmer egyszer KH-s lesz, akkor az a beállított érték egyből elszáll. A számítógépes tápegységekben láttam olyan megoldást, hogy a pontos kimenő feszültséghez (12V) 2-3 darab mezei ellenállásból szedik össze a végleges értéket. Na meg aztán - egy trimmerpoti sohasem szokott hosszú távra megbízható lenni, csakis a beállítás idejére! A kondenzátoroknál teljesen más a helyzet, de ha kivételesen nem valami pontos frekvenciát kell beállítani (pl. rádiónál), ott akár 5-10 %-kal is simán eltérhet. A nem pontos kondik általában el is szoktak térni, mert a gyártási szabványuk megengedi!
Kérdésem lenne az számít-e, hogy milyen bementi jelet kap a sub filter?
Pontosan arra gondolok, hogy teljes sávu vagy sub jelet kap a bementére. Lehet-e bármi hangzásbeli különbség? A hozzászólás módosítva: Máj 2, 2022
Ha szub jelet kap minek a szürö?
Ha sub jelet kap az aluláteresztő szűrő, akkor meredekebb lesz a vágása.
Pl mert a forrás kimenete gyenge és nem hajtja meg a végfokot?
Ebből adódóan lehet rosszabb a hangzás?
Gondolok ezalatt a kopogos mélyrkre. Ami másképp szólna ha teljes sávu bemenete lenne a filternek? Mert most sub kimenetről megy. Szerinted tegyem át a teljes sávura? A hozzászólás módosítva: Máj 2, 2022
Próbáld ki! A teljes rendszer egyenletes átvitelére kell törekedni.
Álljon meg a menet, ha ez van, akkor nincs is a jelben SUB tartalom. Ha van SUB kimenet, akkor ott már eleve a SUB jel van jelen (olyan szinten, ahogy azt a hangmérnök kialakitotta) és gyakran az a tartalom már hiányzik a kevert kimenetböl (RLC stb), azaz egy szürövel még kevesebbet kapsz. ( ezt némelyik rendszerben a felhasználo be is állithatja, azaz be- ill kikapcsolhatod a SUB kimenetre a jelet, es a belsö jelprocesszor már eleve ugy figja kezelni a adatfolyamot amit kapsz a hordozorol vagy a streamböl.) Természetesen ha a SUB kimenetet választod, akkor ahhoz megfelelö erösitö is kell. Az már régen nem müködik, hogy egy sztereo jelböl egy passziv szürövel hajtod meg a SUB hangszorot. Ha SUB hangokhoz mindig extra végfok és hangszoro kell, és megfeleö digitális jelfeldolgozás.
A SUB jel a modern rendszerekben nemcsak analogszürövel alakul ki, hanem dinamikai processzorral ( Dolby, DTS stb), azaz ha van a jelben SUB tartalom, az adatkapacitást vesz/vehet el a többi csatornábol ( ez adja a cinema/mozi hatást, amikor egy robbanás stb megrengeti a mozitermet/szobát). Ez igy nem jelenik/jelenhet meg a kevert kimenetekben, azaz, ha kikapcsolod a SUB kimenetet/jelformátumot a gép menüjében, akkor ez a jeltartalom nagy részben eltünik/elveszik.
Sziasztok! Szeretném egy aktív mélyláda erősítését növelni. (Sajnos gyárilag semmilyen lehetőség sincs a hangerő növelésére.) Jól gondolom, hogy ha az R8105-vel sorosan beteszek egy 50k potit akkor azzal tudnám állítani? Illetve a C8103 értékét kell módosítani? Köszönöm!
Igen, jól gondolod. A C8103 jelenleg 1300 Hz-es törésponttal vágja a magasakat, ha beépíted az 50k-s potit,akkor maximális erősítésnél ez 270Hz-re csökken. Gyakorlatilag még így is az átviteli sáv fölött van, ezért nem érdemes cserélni.
Komplikált egy áramkör ez és nem jó.
Először: fázist fordít a bemenettől a kimenetig nézve. Másodszor már 30Hz-en gyatra a mélyhangok átvitele, pedig egy szubfilter legalább a 20-80(100)Hz-es tartományban lineárisan kellene, hogy működjön. - A középső IC-s fokozat egy-az-egyben elhagyható, mert ez egy mélyvágó-szűrő. Az első IC visszacsatoló ellenállása R8105 22-33kOhm közötti az R8103, R8104 pedig 15kOhm legyen. A kimeneti jelszintet az R8105-tel sorosan kapcsolt 50kOhm-os trimmerrel szabályozhatjuk a kellő szintre. Ha ez még mindig kevés, akkor a bemeneti ellenállások csökkentése célszerű, azaz a 15kOhm helyett, 10kOhm legyen az R8103-8104. A C8103 értéke jó, az az IC 6-7-es lábaira forrasztandó! Üdv!
Nem tudom miért kellene DC-től átvinni az erősítőnek akkor, amikor a hangszóró ezt nem bírná. Természetesen van olyan hangszóró amit lehet 20Hz-től gyötörni, de itt legtöbbször a gombhoz a kabát elvét kell követni.
A fázisfordítás meg csak a szubfilter erénye/hátránya, utána lehet egy szintén invertáló végfok, vagy egy fordítva bekötött hangszóró. Az is lehet, hogy a hangszóró háttal dolgozik. Hogy is illeszkedik a top láda a szubhoz? De akár egy kétutas reflex ládának milyen a fázismenete? A váltási pontokon a -3dB-es szinthez mekkora fázistolást csinál a hangváltó? Ezek mind befolyásolják, hogy milyen fázisban kell hajtani egy kiegészítő hangszórót legyen az szub, vagy egy magassugárzó a szélessávú mellett. Én inkább a 0-180 fokig folyamatosan szabályozható fázistolót hiányolom belőle.
Nem visz át DC-től így sem, de ha már szubbasszusról van szó, akkor az legyen az!
Az a fázisfordítás bizony gondot okozhat, ha még tologatni is akarod, akkor abból nagy katyvasz lesz. Azért alapból a 30Hz-en számított átvitel már igen gyatra, legalább -5dB -6dB hiányzik, de a szűrő után már kb. -10dB a hiány 30Hz-en. Ez nem szubbasszusnak való megoldás. A hangszóró meg olyan amilyen, nyilván alkalmas lehet a feladatra. Ha mégsem, akkor az egésszel kár foglalkozni. - Amit kért Csepeger barátunk, az amit írtam, az tudja, és jó megoldás. Nem muszáj persze, de ajánlott figyelembe venni. Üdv!
Ha szubnak tekintenénk, akkor teljes mértékben elfogadnám az álláspontot. Viszont szerintem ez inkább sima mélyláda lehet.
Gyakorta hangprojektornak nevezik a "soundbar" nevű ízét is, pedig az csak egy lefektetett hosszúkás aktív hangsugárzó.
Szasiztok!
Megépítettem az ezen oldalon található low pass filer áramkört, az itthon fellelhető utc4558 IC-mmel: https://www.hobbielektronika.hu/cikkek/subwoofer_-_alul_atereszto_s...l?pg=2 A szűrés tökéletesen működik, egy TDA7294-es végfok van rákötve, viszont max hangerőn is viszonylag halkan szól. Szeretnék még erősíteni rajta. Mivel teljesen kezdő vagyok, szeretnék tanácsot kérni, hogy mit tehetnék. Először az jutott eszembe, hogy ezt az áramkört lehetne esetleg módosítani úgy, hogy nagyobb legyen az előerősítés. Ha jól feltételezem a kapcsolási rajz bal oldali része előerősítést végez, esetleg itt lehetne módosítani valamit a nagyobb gain érdekében? (nagyon kezdő vagyok, lehet nagy szamárság a feltételezésem) Vagy esetleg milyen más járható út lehetne a problémámra? Köszönettel, Laci A hozzászólás módosítva: Dec 23, 2022
Az az állítólag 100 W-os IC megkapja a neki előírt +/- 40 V-os tápfeszültséget?
Ha nem - akkor nem csodálkozz. Amúgy - nem tudom mit jelent az, hogy "halkan szól", hiszen egy erősítő már 10 wattosan is szólhat elég nagyot, tehát mindez még vájtfülűség és hangszóró impedancia kérdése is! Nekem például a SUB dobozkám "CSAK" 30 wattot nyomat, ámde ahhoz a 2x15 V-os 5 A-es tápegység kell. Mégis szobában elég nagyot szól, pedig tudom azt, hogy kevés ... Ráadásul megnéztem azt a subwoofer szűrőt, nekem pontosan ugyanaz van! A hozzászólás módosítva: Dec 24, 2022
Szia! A rajzon R1, R2-vel jelölt ellenállásokat cseréld például 10k-ra.
Szia! Köszönöm a tippet, de sajna így sem lett hangosabb.
Talán máshol lenne a szűk keresztmetszet?!Ez egy Genius sw hf 5000 mélyládája, ez eredetileg nagyobbat bírt szólni gyárilag. Az ebből kibányászott IC-vel, az általad javasold áramkört építettem meg. Kipróbáltam egy szélessávú hangszóróval, azzal nagyot szólt. Így próbáltam kizárni, hogy a végfokkal lenne esetleg valami probléma.
Az általad épített szűrő elég alacsony frekvencián enged át, erről írtam korábban. A lényeg, C4, C5 értékét megfelezve praktikusabban működik.
köszönöm a válaszokat és a segítséget! Megpróbálok ezen még tovább gondolkodni, hogy mi lehet a probléma pontosan.
(egyáltalán mit tudhat a mélyláda most... egy másik erősítővel talán)További kellemes ünnepeket kívánok!
Sziasztok!
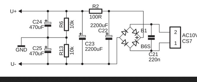
Kellene csinálnom nekem is egy szűrőt. Ha a mellékleteset csinálom meg, akkor az Alkotó-féle virtuális tápot használhatom (a 36.-ik oldalon van)? Nincs szimmetrikus táp hozzá. (Cleopátra végfokhoz lenne.) Annyit alakítanék, hogy az Alkotó-sból használnám az ic2A előtti részt a frontoknak. Azért variálom, mert kértek hozzá frekvencia tekerentyűt is, mondjuk ez négyfokozatú kattantyú. Persze kérdezhetném, hogy az Alkotó-shoz hova rakjak potit..... De szégyenlős vagyok. A hozzászólás módosítva: Dec 26, 2022
Szia! Honnan vennéd a táphoz az AC feszültséget? Az egyetlen független 6,3 V-os szekunder csak egészen alacsony jelszint átvitelét tenné lehetővé.
|
Bejelentkezés
Hirdetés |






Talán máshol lenne a szűk keresztmetszet?!







