Fórum témák
» Több friss téma |
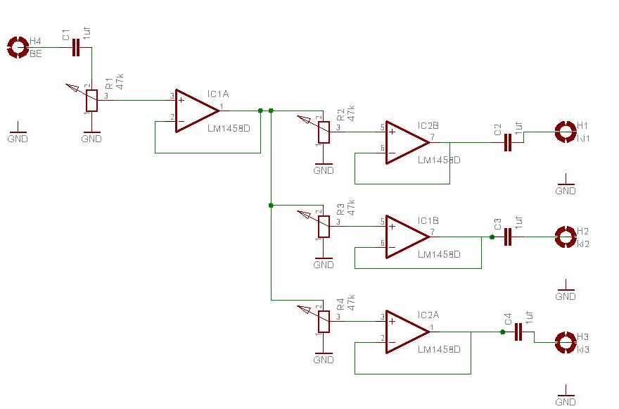
szóval kb így. AZ IC-knek TL082-es... táp +-15V hozzá... persze több meló, de így igazából nincs okod félteni a gépet...
sziasztok en arra lennek kivancsi hogy hogyan tudnam megnezni hogy jou e a hangkartyam teljes egeszeben mert a reprok azok mennek ha radugom de ha radugom a mikrofon bemenetre a mikrofont akkor semmi sem megy meg a a hangbeallitasokban sem ismeri fel a mikrofont mi lehet a baj???a mikrofonom tuti jou most volt veve nemreg azelott szepen ment ez egyik naprol a masikra tortent mi lehet a baj????elorre is kosz
Hány kimenő csatlakozó van a hangkártyádon 3 v. 6? Gyanús, hogy nem engedélyezi a mikit a hangbeállításokban => szerintem bidirekcionális ki/be meneted van (akkor 3 csatlakozó), akkor át kell állítani (szoftverből) hogy most 5.1 ki legyen vagy sztereó ki, mikrofon, vonali bemenet. Valószínűleg az óra környékén van valami program amivel a hangkártyád konfigozhatod.
az atallitast mar probaltam akkor sem semmi es 3 dugasz van rajta az alaplapon van a kartya
ouuu miert kene a biosban mikor ment rendesen es efyik naprol a masikra nemment a mikrofofn bemenet.nemhiszem hogy ott lenne a gond es azotta meg a windows sem volt atinstalalva.nah de megprobalom ujratelepiteni majda hangkartya softwer hatha jou lessz
Pl azért mert a winfos néha önállósítja magát.
Sziasztok! A minap megvalósítottam régi elképzelesemet, miszerint a SB X-Fi Titanium kártyám előlapi kivezetését beüzemeltem.
A problémát az okozta, hogy a házamon a gyári front panel nem HD-s hanem ac97-es. Ha valakit érdekel, szívesen leírom, hogyan oldottam meg az átalakítást.
Meg szeretném csinálni én is ezt a kapcsolást. Szeretném a véleményeteket-tanácsaitokat kérni.Én TL084 (2db )használnék, a potméterek egy-vagy kétpályásak legyenek ?(csatornánként bal-jobb vagy együtt lehessen szabályozni,Nem tudom mennyire egyformák a műv. erősítők ezért gondoltam a csatornánkénti szabályozásra de kényelmi szempontból jobb lenne a sztereo potméter)
BIOS-ba szerintem semmit.
Kell legyen egy mixer-ed ami a hang driver-ekkel egyutt a CD-n kell legyen,Ha nincs a saja mixere akkor a Win-mixer is megteszi, Hova dugtad a miKrofont , csak egy mono mikrofon bemenet van ( az egyik szin nem emlekszem melyik ) en mindeg probalgatom de van jel a bemenetek melett . A mikrofon bemenetnek van eloerositoje is "boost +20dB" . A " line -in"(vonal) bementen nagyon halk a mikrofon ( dinamikus mik.).A "mic" bemenet meg csak electret microfonhoz valo azon +5V is jon ki az elktret polarizalasahoz ez nincs ugy megoldva mint a szimetrikus bemenetek "Phantom power"-je esetebe , ogu a feszultseg ramehet egy dinamikus mikrofon tekercsere s az nem jo ! Nezd hogy a microfon bemenetre legyel csatlakozva . Aztan a "mic enable" popald ki , valasszad ki mint "source" , ..."advanced" ....moc boost +20dB , es a "Start----Setting---Control Panel---Sound and Audio Devices-be jelold ki a dolgokat . Nem art egy jolcson mikivel is kiprobalni.
Sziasztok!
Remélem itt tud valaki nekem segíteni. A gondom a következő: Van egy 5.1-es fülesem, hozzá mikrofon. A párom használja online játékra. Én időnként a mikrofont ki szeretném iktatni a mikrofon részét /kihúzom az egyik dugót az 5-ből - a mikrofonét term./ ,és vokál mikrofonnal helyettesíteni. Ezért vettem egyet, aminek a jack dugója 6,3-as. Vettem 3,5-ös átalakítót, és bedugtam a füles mikrofonjának a helyére a rózsaszín aljzatba. Ennek ellenére nem veszi a hangot. Elmentem, kipróbáltattam egy erősítőn külön a mikrofont, annak nincs baja, jól szól. Innentől nem értem, hogy hol a hiba. Ha a füles mikrofonját visszadugom, akkor szintén veszi a gép a jelet, tehát tudok hangot felvenni vele. Ha visszadugom a kézi mikrofont, akkor megint nem tudok hangot felvenni. A realtech kezelőfelületen minden egedélyezve van, és semmi sincs lenémítva. Mégsem jó... Van valakinek valami ötlete? És még valami. Ha karaoke olalon akarok éneket rögzíteni, akkor érdekes módon a mikrofont jelző kis zöld oszlop ritmikusan ugrál a zene erősségétől függően, pedig az csak a fülesben szól a zene... azt hogy érzékeli akkor? Van egy olyan is a gépen, hogy hang felvevő. Na, ott rögzíti amit ordítok a mikrofonba,de visszajátszásnál olyan halk, mintha suttognék... Már egy napja ezen agyalok, a férjem is tanácstalan. Ha valaki tudna segíteni, annak nagyon örülnék! Egyébként elég komoly gépünk van, nem értem miért nem bírkózik meg egy vokál mikrofonnal... /típus: AVL-Jefe 1900 ND/
Sziasztok!
Egy olyan kérdésem lenne, hogy házilag mikrofont rá lehet e kötni USB kábelre. Ez komplikált, vagy olyan egyszerűen megoldható, mint a sima Jack dugóra való bekötés? Előre is köszi a válaszokat. Adrián
Az USB re úgy lehet házilag rákötni a mikrofont, hogy veszel egy USB -s hangkártyát, és annak a mikrofon bemenetét használhatod. Vagy építesz egyet.
|
Bejelentkezés
Hirdetés |










