Fórum témák
» Több friss téma |
Fórum » Sziréna
Mindenki jól van, szépen hízogatnak. Tudnak szirénázni természetesen ![]() Már vagy 5x nekiálltam befejezni a szirénát, de mindig akad valami intéznivaló... estére meg már elfogy az energiám. De meg lesz egyszer, nem adom fel.
Sziasztok!
Ha tudtok valakit, akit érdekelne: http://www.vatera.hu/code3_rendorsegi_szirena_100_watt_65805362.html üdv, Z
Meg akarom próbálni lelassítani a Wail hangot a szirénámon. Azt szeretném kérdezni, hogy mekkora ellenállással kísérletezzek?
A másik kérdésem az, hogy hova kössem az ellenállást?(kezdő vagyok)Előre is köszönöm!
Szia Tomi!
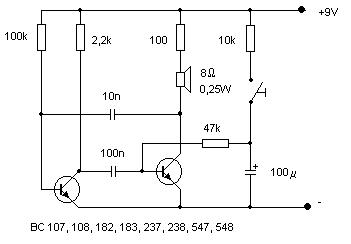
Nem figyeltél! ![]() A 202281-es hozzászólásban csatoltam egy rajzot, EZTETET ![]() Ott szépen szerepel, hogy R2-->470kohm és frekvencia beállítására szolgál. Tehát beteszel "lógóban" egy ekkora potit és addig tekergeted, míg tuti nem lesz. Utána kivesz, lemér, sima ellenállattal helyettesít.
Én figyeltem
Csak nem ezt a kapcsolást építettem meg. Tonsiltól kaptam egy panelt, mert neki felesleges volt, és elküldte nekem. Én ez a kapcsolás szerint építettem meg. Egyébként mindegy, csak telhetetlen vagyok
Akkor én nem figyeltem!
De ez ugyanaz szinte , csak a végfok gyengusabb, mint az én linkem szerintin. R2 itt 220k, szerintem 470k-val potival próbálkozz és jó lesz.
Köszönöm!
Félre értettük egymást, de meglett. Tehát 220k helyett 470k lesz. Ha kész lesz, akkor írok.
A potit tekergetve a többi hang is elmászik, arra készülj!
![]() Én a wail és a yelp hangokat figyelném, a másik kettő úgysem sokat ér.
Ennél rosszabbak aligha lehetnek a hangok... Egyébként 3 hangú. Wail, Yelp és valamilyen Nííí-Nóóó hang. Ebből az első kettő használható. Köszönöm a segítséget!
(Egy egyszerű 470k-s ellenállással csinálhatom?)
Potméterrel kell kikisérletezni a pontos ellenállás értéket, egy sima 470k-s ellenállás nem biztos, hogy jó.
A 4.hang a géppisztolysortűz, az ic 1-es lábára 3V-ot adva lehet kicsiholni
Értem. És bármilyen potméter jó?(kezdő vagyok)
Szia!
Köszi hogy maileztél,de már hamarabb láttam a szirénádat működés közben.jó lett!
Köszi
! De nélküled és még1MbR nélkül nem jött volna össze!
Sziasztok! Egy másik sziréna topicban (lezárt) láttam egy kapcsolást, és azt szeretném kérdezni, hogy milyen hangot produkál a kapcsolás? Előre is köszönöm!
Hát ezt sajnos nem tudom, még nem építettem meg. Lógasd össze esetleg drótozva, ha nagy a kíváncsiság
Leginkább semmilyet. Összedobtam próbapanelon, de a táp rákapcsolásakor jelentkező halk reccsenésen kívül semmilyen hang nem jött a hangszóróból. Arra meg még nem volt idő, erőm, energiám, hogy kinyomozzam, mi ennek az oka.
Ja, egyébként a hangzásnak olyannak kellene lennie, mint a régi mentőautók légréses szirénájának, vagyis amíg a kapcsoló zárt állapotban van, addig a hangmagasság emelkedik, nyitott kapcsoló mellett pedig csökken.
(Régi, Nisa mentőkön volt a hajtáshoz kapcsolható, mechanikus sziréna, ami egy forgó, lyukacsos tárcsából, és egy "ventilátorból" állt. Minél nagyobb sebességgel fújta a ventilátor a levegőt a tárcsára, annál magasabb hangon visított. Hasonlított a régi, háborús filmekben is látható, kézzel hajtott légvédelmi szirénák hangjára.)
Én már nem építek meg más szirénakapcsolást, Watt mester féle a legtutibb, azzal mindent lehet
![]() Ráadásul gondol egyet az ember és átírja
Köszönöm a válaszokat! Még jó hogy előre mgkérdeztem...
Nézegettem a Watt-féle kapcsolást. Nagyon tetszik, csak nagyon kezdő vagyok, és nem értek a PIC-es dolgohoz. Ismerősömnek nincs, így nem nagyon tudok vele megismerkdeni... Pedig jó lenne.
Közben újra előszedtem a kapcsolást, mert nem hagyott nyugodni a dolog. Akkora amatőr hibát követtem el, hogy ilyet még a vén Föld sem látott: A tranzisztorok emitterét és collectorát simán felcseréltem a próbapanelon!
Amikro rendesen összeraktam, akkor más működött jól! Valóban hasonlít a hangja az általam korábban leírtakhoz, csak nagyon halk, úgyhogy egy rendesebb erősítő kell a végére, hogyha használni akarja az ember. Tehát nyugodtan megépítheted, én voltam a :lama: !
Esetleg kérdezd meg Tonsil mestert, mintha lett volna neki egy eladó panelje... komplett meg volt építve, egy hagyományos riasztó tölcsérre trafó nélkül rá tudod kötni, a fetek egyik felét használva.
Ha a szirénapanelére gondolsz UM3561-el, akkor az nálam van.(nem kellett neki és elküldte nekem) Azzal építettem meg. Jól szól.
Ja... Nem tudom, nyáron valakitől megszeretném tanulni alaposan a PIC programozást. Úgy néz ki, hogy az egyik rokonnak lesz egy, és ért hozzá. Magam szeretném összerakni, de szerintem erre nincs valami nagy esély.
Ha anyagárban odaadja, nem éri meg vacakolni az építgetéssel szerintem
Már beszéltünk róla...
Még nem mondok semmit előre, de úgy néz ki, hogy megveszem. Annyi kérdésem lenne, hogy a mellékelt képen a sorkapcsokhoz miket kell kötni? Ha nem túl nagy kérés, egyszerű paintes rajzzal tudnád szemléltetni? gondolok itt a hangokra, tápra, hangszóróra... (15W-os kürttel lesz megépítve, nem lesz trafó) Előre is köszönöm! |
Bejelentkezés
Hirdetés |




A másik kérdésem az, hogy hova kössem az ellenállást?(kezdő vagyok)


