Fórum témák
» Több friss téma |
Ezt most komolyan mondtad? Mert ha igen felesleges volt a hozzászólás. Adom neked ezt, te adsz egy ilyen egyenirányítva 2x50V-os kimenetű trafót, plusz 2x15V-os tekercseléssel. Nem akarom szétszedni ezt a meglévő trafót, olyan jól egyben van.
R típusura is tekertem már, és toroidra is.
Egy különleges feladat vár rám. Egy 80 éves váltoáramu tápegységet kellene valami modernebb valamivel kiváltani, mert sajnos az eredeti már nagyon rossz állapotban, van viszont a doboza meg a kivitele még értékes. A trafo eredetileg 120 Voltos volt a szekunder oldala meg ugy volt kialakitva hogy a csuszka a felsö meneteken csuszott es kb 5-20 V tartományban adott ki feszültséget és a gyári táblácska szerint max 8 A-t. A trafot valoszinü valaki 230 Voltos stekkerbe dugta
és a vasmag méretei miatt valoszinü lehetetlen ujratekercselni, már csak azért is mert eredetileg 60 Hzes volt.Szerencsére találtam egy megfelelö méretü meg teljesitmenyü 18Vos trafot , de még nem vagyok meggyözödve, hogy milyen elektronikát rakjak bele. Esetleg épitett már valaki ilyesmit?
Y korabeli modellvasut müködtetése.
Váltoáramu motor, elvben megy egyenáramra is, meg van benne néhány extra funkcio. A mozdony és a beépitett irányválto relé és a sip müködnek. Azt pár éve tettem rendbe. Közben meg elökerült egy korabeli Lionel irányito egységhez nagyon hasonlo de uj egység a halott trafoval.
NDK-s modellvasút trafó? Igaz, nem tud 8 A-t, de biztos szükség lenne rá?
Sajnos igen a mozdony motorja üresen ( azaz nem a sinen is kb 2-3 A-t kér a relé valamivel kevesebbet a sip további 2-t.
Trafom van, söt olyan is amin át lehet kapcsolni a kimeneteket azzal már futtatam a mozdonyt. Most az a régi szabályzoba kellene valami uj életet lehelni. Maga a konstrukcio is lenyügözö, ahogy a 4 csuszkát mozgatták a trafo külsömenetein. Ezeket ( csak kettöt csinálok meg) most potikkal fogom helyettesiteni. Az egyik a szabályzási tartományt állitotta a másik meg a szabályzo volt. Itt van az egyik verzio eredeti kapcs rajza, de ez is vagy 30 évvel fiatalabb mint a mozdony. ZW trafo
A mozdonyt az utolso csavarig szétszedtem, mert olyan állapotban jutott hozzám, hogy azt rossz volt nézni. 2 alkatrészt ujra kellett csinálni. Azota minden porcikája rendbe lett téve. Egy soros motor van benne meg egy impulzus relé amivel az állorész két tekercsét kapcsolják át irányváltáshoz. Ne feledd a mozdony vagy 70 cm és több kilos.
A sip olyan mint egy focibiro sipja csak kb 3xakkora a szerkocsiban. A motor meg a levegöt szolgáltatja ahhoz, hogy fütyüljön. Az egész egység kb 4x5x12 cm nagy blokk. A hozzászólás módosítva: Jan 30, 2024
CRC táp méretezésével kapcsolatban van egy kérdésem (nem találtam sehol leírást). A második kondi méretét mi határozza meg? Eddig két egyforma kondi közé beraktam az ellenállást (áram, feszültségesés...), működik. De mi alapján kell (célszerű) méretezni?
Az első kondenzátor nem vesz részt a tényleges szűrésben, ott a második játszik. Bővebben: Link. Kicsit bővebben egy egészen jó fordítással: Bővebben: Link
A hozzászólás módosítva: Feb 8, 2024
Van még más jelentése is:
Cyclic Redundancy Check: adattárolási és adatátviteli hiba ellenőrzése Christian Rose-Croix (Christian Rosenkreutz), a rózsakeresztes testvériség alapítójának közkeletű monogramja. Costa Rica pénzének (colon) rövidítése Capacitor Resistor Capacitor CRC táp
Nem az RC tag méretezése a kérdés, hanem a CRC táp. Az első kondenzátor részt vesz a szűrésben, az ellenálláson esik jel a felesleges zavarjelekkel együtt, a második kondenzátor tovább szűr. Olvastam már CRCRC sőt CRCRCRC tápról is.
Egyébként főleg fejhallgató erősítőknél használom, nem kell stabilizátor. Próbáltam már variálni, pl 4700µF 22 Ohm 4700µF táp második kondiját lecserélni 2200µF-ra, majd 6800µF-ra. Különbség nem, vagy alig hallható, kérdés, hogy mit hallok (Pl más típusú kondi?). Műszerem sajnos nincs ennek a kimérésére. Ezért kérdeztem.
Pedig egy jó kis stabkocka nagyon hatékony brummelnyomással rendelkezik. Ha nem hallod a különbséget, akkor az számodra nincs is és ez a legfontosabb, a többi csak hit kérdése.
A stabkockákat nem szeretem, fejes erősítőnél sokkal jobb a CRC táp, ha stabilizált táp kell, akkor áteresztő tranzisztorost használok. Egy új projekt lesz a kettő kombinálása, az előszűrés lesz a CRC.
"Ha nem hallod a különbséget, akkor az számodra nincs is és ez a legfontosabb,...". Ez abszolút igaz. Egyébként megoldódott a gondom, egy kedves fórumtárs privátban küldött hasznos segítséget.
RC-t akart mondani de ezt már mondtátok régebben.
Szia! Esetleg egy szekunder oldali triakos fázishasításos szabályzást én kipróbálnék, párszáz forint megépíteni.
A mozdonnyal nincs semmi baj, még egy sima 12 Voltos táprol is simán megy.
Az amerikai elektronikus ZW tápot felélesztettem, s kiderült, hogy mezei PWM jelet ad, sajnos az elsö probamenet megölte az egész elektronikát, holott a gyár azt irta, hogy semmi gond nem lesz. A dekumentácio szerint 720 Wattot tud, de nekem sikerül 120 Wattal kinyirni. 8 A-bizti a 18 Voltos trafoban tulélte a zárlatot. Most várok a válaszukra. Van rajta egy túlterhelés indikátor is ( egy izzo piros búrában) de tegnapelött fel sem villant, de mintha a végtranyok belehaltak volna a probába. Azota már nem PWM a kimenet és természetesen nem is szabályoz, hanem csak sima 18V némi hullámzással.. Nem egészen tudom felfogni a logikát, évtizedek ota épitek ilyen berendezéseket, és mindegyikben alapvetö követelmény a tuláramvédelem és a reakcio a rövididejü zárlatokra, amit ilyen szerkezeteknél nem lehet kizárni. Van egy szintén vagy 50 éves angol gyári szabályzom az akkori angol vonatokhoz. Az is részben használhatatlan, mert abban egy tirisztor figyeli a rövidzárlatokat és ha ilyesmi elöfordul azonnal rövidrezárja a szabályzot, azaz a legrövidebb rövidzárlatra is megállnak a vonatok, és ujra kell öket inditani. Most ki kell pontosan mérnem, hogy müködnek a mozdony egyes funkcioi ( van benne egy forgo relé, ami 4 üzemmodot kapcsol). Valoszinü valamilyen impulzussal kapcsolják. Amikor még ment a ZW láttam, hogy nulla állásban tudott valamilyen impulzust küldeni, a másik gomb funkcioját ott sem volt idöm tisztázni, most meg már nem megy.
Sziasztok!
A jó öreg 723-mal építek egy tápegységet, ami valamennyire működik is. Az lenne a kérdésem, hogy megoldahtó valahogy, hogy a beállított áramkorlátot kijelezzem egy Arduino alapú LCD-n? A skála alapú kijelzés nem jó, mert többfordulatú potmétert használok. A kimeneti feszültséget és áramot tudom mérni, kijelzőre íratni, de jó lenne a beálított áramot is kijelezni. Két napja nem találok rá megoldást. Már megfordult a fejemben, hogy beállításkor relével a kimenetre kapcsolnék egy 10 ohmos ellenállást, így lehetne mérni az áramot, de ezt legvégső esetben alkamaznám. A hozzászólás módosítva: Feb 9, 2024
Szia! Az áramfigyelő sönt előtt is mérd meg a feszültséget! Ebből levonod a kimeneti feszültséget és osztod az árammal. Megkapod a söntellenállás értékét. A 0,6 V és a söntellenállás hányadosa adja az áramkorlátot.
A hozzászólás módosítva: Feb 9, 2024
Valami hasonlóval próbálkoztam sikertelenül. Na de milyen árammal osztok, ha nincs rákapcsolva terhelés?
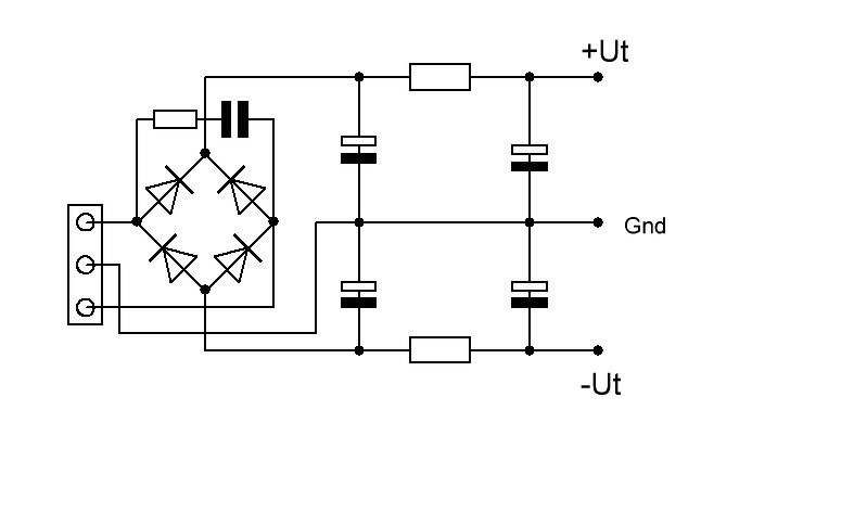
Ez lenne az alapja:
Ebben az esetben a P3-nak fix árama van a T1 generátorról. Terhelés nélkül sajnos itt sem mérhető feszültség különbség, igaz fel is húzhatja a kimenetet a nyers tápra az az 1 mA, tehát valami terhelés csak van, vagy kéne a kimenetre.
A P3-on eső feszültség és a 0,6 V különbözetéből számítható mekkora áram folyhat R8-on a leszabályozás határán.
A kinyírhatatlan rövidzárvédelemről jutott még eszembe, hogy esetleg megpróbálhatnál egy jól méretezett LLC rezonáns kapcsolóüzemű tápegységet, azzal a konstrukciójából adódóan nem lesz probléma. Esetleg ha az után kötsz egy pwm szabályozást, akkor meg van oldva. Utóbbinál nagyon bevált a Skori-féle NE555 alapú, előbbihez pedig tudok saját számoló táblázatot adni.
Az már van és épp a minap ujitottam fel, 33 éve épitettem, és a mai napig egyszer sem ment tönkre és kismillio zárlatott kibirt.
Ez egy gyári modernizált szörnyüség, egy dobozban ( aminek a designje szintén 80 éves, ezért van itt). 2 ilyen egység van egy dobozban, de számomra érthetetlen miért kell 70-80 éves berendezéseket 2024-ben telefonnal kezelni, mikor ott vannak rajta a szép formatervezett eredeti 80 éves pákák. Meg az sem világos miért van olyan kacifántosan megoldva, hogy minden egységnek külön 18V-s bemenete is van, de az elsö (ami tönkrement) a leirás szerint mind a kettöt (4-t) táplálja, ( meg kettö nem szabályzott csak kapcsolt kimenetet. Azaz van 2 szabályozhato meg 2 kapcsolhato kimenet, vagy 1 traforol, vagy 4-röl. ![]() Igy néz ki szétszedve. Egy hütölemezt kivettem azon van a beteg FET. A háttérben egy 48 lábu proci van, sajnos le van ragasztva a tipusa, valoszinü a programverzio számával.
Közben sikerült kitalánom, hogy hogyan kezelik a motorokat és a reléket. A motorokba a PWM mint váltoáram megy, azaz a sima PWM jelet 0 és Vss között el kell tolni -Vss/2 szintre. Azaz az amplitudo 0 V- képest -Vss/2 és +Vss/2 ra változik. Erre PWM-re a beépitett relék ( több is van a jármüvekben, nem reagálnak. Ha azokat kell kapcsolni, akkor DC impulzust vagy hosszabb idöre DC feszültséget kell keverni a váltoáramhoz. Az impulzus relékhez Vss szintet, a tartos funkciokhoz, elég 4-5 Voltak eltolni a váltoáramot.
Még nem egészen világos, higyan oldották meg az uj ZW tápban a procival, mert a szerkezetbe csak 2 polusu, nem szürt 18V DC megy. Az eredeti trafoban 2 extra szekunder tekercs volt meg egy szelén és az ezekkel nyert feszültségeket keverték a fö szekunder kimenethez. Megint törhetem a fejem hogyan keverjek ki ilyen váltoáramot. ![]() A képen a motor és akapcsolo forgo relé. Egy másik relé (nincs a képen) csak DC tartalomra reagál és kapcsolja a világitást vagy a sipot.
Kezd összeállni az elmélet. Egy PWM jelgeneráror kell egy sima meg egy invertált kimenettel. A két kimenet ( mint egy hidkapcsolás) adja váltoáramot egyetlen DC tápbol.
Ha az egyik szintét eltolom 3-5 Voltal akkor megkapom az AC-ban a DC komponenst a stabil relé kezelésére. Az impulzus relé elvben nem gond, mert ahhoz csak egy rövid megfelelö szintü impulzus kell. Ebben csak az a huncutság, hogy azokat a reléket csak állo helyzetben illik kezelni. Ez viszont nem olyan egyszerü a fenti PWM kapcsolásban, mert azt ugy nem tudom megállitani azaz ki kell kapcsolni a invertert a PWM meghajtoban. Most csak az a kérdés mivel egyszerübb ezt megoldani. egy 555-sel amine Q és Q kimenete van. Ha kikapcsolom az 555-s tápját, akkor valoszinü mindkét kimenet 0 szinten lesz, azaz a hidban nem lesz feszültség és mehet a kapcsolo impulzus. Persze ugyanezt meg lehetne csinálni egy procival is. Ötletek?
Kösz, találtam jobbat. Egy BTS7960 (Komplett 40 A- s -FET hid, beépitett meghajtoval, védelemmel és táppal) blokk tökéletesen megfelel. Még mérlegelem, hogy procival vagy hagyományos 555-sel meg néhány diszkrét alkatrésszel oldjam meg a feladatot.
Meg még agyalok, hogyan tudom pár volttal eltolni az AC jel szimmetriáját. Remélem egy diodás összegezö elég lesz. Ha a beépitett védelem csakis a gyári értékeket tudja ( sajnos nem igen irnak rola, vagy nem értem pontosan mit is jelent amit irnak. A hid mindkét oldalához tartozik egy aktiv védelmet jelzö kimenet) , akkor külsö áramvédelemre lesz szükség. Ha minden igaz, holnap megjönnek a hidak, s akkor a mühelyben letesztelem. A 40A egy kicsit sok a célra, a trafoban van biztositék, de az nem elektronikus, és nem helyben jelzi a gondokat. |
Bejelentkezés
Hirdetés |




és a vasmag méretei miatt valoszinü lehetetlen ujratekercselni, már csak azért is mert eredetileg 60 Hzes volt.











