Fórum témák
» Több friss téma |
Az a +-40V GND nélkül balgaság.
Minimum egy 2x28V-os trafóra van szükséged, amiből tudsz csinálni +-40V-ot (szakosan, ahogy kell), és simán tudsz belőle stabilizálni +-15V-ot is (vagy akár ennek is lehet külön 2x15V-os tekercs a trafódon). A trafó ugyanolyan alkatrész mint egy 10k-s ellenállás vagy egy IC. Ha nincs, venni kell!
Kb igy.. (annyira nem ertek az eagle-hoz)
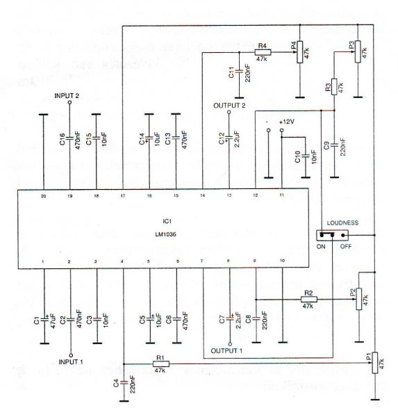
Lehet én írtam rosszul. Csatolok egy komplet bekötést ahogy én képzelném a dolgot . Ja és a LM1036 nak nincs GND és nem is kell a (vagy is én nem leltem jelölést rá a )és csak +15V Gratz-t használnék .
A gondom a pirossal karikázot rész ha nem kötöm össze 6V -ot lehet mérni a két pont között. Tudom nem jó az egyutas irányítás az erősítőhöz de működik ezzel a kapcsolással már egy hónapja tökéletesen. Vagy ha nagy hülyeség az elképzelésem akkor valami kivitelezhető kapcsolást ha tudnátok csatolni. ehez a trafóhoz ami lead 12v-ot és 24v-ot is (0 közös) köszönöm
Szerintem teljesen jó. Még egy-egy biztit berajzoltam volna.
Sajnos a kollega nem akarja megérteni ,hogy 2x12V AC trafóból csak +-17V táp építhető. A fesztülségkétszerző kapcsolások nem fognak jók lenni . Főleg ha kiderül ,hogy egy 10VA trafórol van szó.
Gyerkőcök elgondolkodtam.
Tudom vigyázzak mert megárt de. Ennek a végfokic-nek a hűtőfüle ugye a negatív tápon van mint a legtöbb ilyen ic-nek. Mi lenne ha a kapcsolást megépítenénk szimplatáposra ergo nem szimetrikus táppal. Nem kellene ugye szigetelő a hűtés és az ic közé. Viszont kellene kimeneti csatolókondi , illetve egy pár alkatrésszel több lenne a panelen . Tudom hogy szimpla táp esetén ugye magas fesz kellene és ugye a 80-100voltos kondik nem olcsóak de mondjuk egy szabvány 42V-os traffancs egyenrángatva elegendő szerintem neki . Csak valahogy sehol sem láttam ezt az ic-t szólótáppal megépítve . Pedig szerintem egyszerűbb és olcsóbban kivitelezhető lenne egy kezdőnek és talán jobb kedvet adna ennek a sikerélménye. Rosszul gondolkodom? Valaki akinek lenne hozzá ambíciója és kisérleteő kedve és kipróbálná hogy szimpla táppal mit virít és azt közkincsé tenné szerintem sokan vevők lennének rá. Sokkal rosszabb nemhiszem hogy lenne mint eredetileg szimetrikus táppal.
Bővebben: Link
Korábban én is rajzoltam egyet , csak nem 7815-7915 ic-kkel ,hanem LM317-337 ic vel. Állítólag kisebb zajt visz be az előfokba. Ez is eagle.
Értem gondolom én lenék a kollega !
Tudom ti a szimetrikus táp hívei vagytok de nekem az sajna nincs! (az meg hogy vegyek (Hát na!)) Az adott szimplatápos trafómon van 12V és 24V kivezetés. jelenleg a 24V-ról üzemeltetem tda7294-es erősítőt egyutas irányítással ami számomra tökéletesen működik. Visszont hangszínszabályzót akarnék még tenni hozzá LM1036-ic vel ami 15V-kel neki (kb) GND - nélkül vagy is sima táp . erre gondoltam a trafó másik 12V-os kivezetését használnám. Az adott lehetőségekhez keresnék megoldást hogy egy trafóról működjön a erősítő és a hangszínszabályzó is . Jelezném még egyszer szimpla trafórol van szó ami letud adni 12V-ot és 24V-ot is Köszönöm előre is
A szimmetrikus taplalas, nem hivoseg kerdese.
Lehet velem van a baj, hogy nem ertem, mit nem ertesz. A rajzodon a 0V, a -, es a gnd egy es ugyanaz. Az lm1036-nak asszimetrikus taplalas kell a rajzod szerint (+12V, GND). A transzformator egyik 12V-os tekercserol leveszed a feszultseget, egyeniranyitod, szurod, hidegited, stabilizalod, szurod, hidegited, es keszen vagy. De ezt lerajzoltad. Mi a kerdes, ezek utan?
0V, es a gnd egy es ugyanaz (idéztelek)
Viszont akkor miért lehet 6V-ot mérni ha a műszer két lábát a pirossal jelzet két pontra teszem. Hisz az elméletileg ugyan az GND és 0V
köszi de ez ugyan az a rajz amit én küldtem semi sem változott.
Bocsi az értetlenségemért!
Miert nincs itt elonezeti kep... En kerek elnezest
Idézet: „Az adott szimplatápos trafómon van 12V és 24V kivezetés” Ez nem szimpla ,hanem két szimmetrikus tekercs , ami a trafón belül össze van kötve . A középső kivezetést veszed a nullának , ekkor a két szélsőn 12-12 voltot mérhetsz. Egy szimla trafónál 12 V és kész .Két vezeték. Ha az ajánlott kapcsolások közül az egyiket megépíted akkor lessz , +-17 voltod az erősítőnek , és +-15 voltod a hangszínnek. És itt felmerül a kérdés , hogy a 17 volt a hangszínszabályzódnak elég ? Sok?
Ha jol lattam, a hangszinszabalyzonak 12V (asszimetrikus taplalassal) kell csak.
Köszönöm az észrevételed !
Igazad van ha a középsőt veszem 0-nak akkor ha jól emlékszem 2*15v-ot kapok és ebből egyenirányítva + - 20 V-t lesz. Igy is kipróbáltam az erősítőt de szerény véleményem szerint rosszabb lett az erősítő meghajtása ebben a formában . (hamarabb torzít / kisebb teljesítmény az eredmény) Egyutas irányítással (ha annak hívják) + - 40V-ot kaptam és terhelésnél sem esik 37V-t allá a tápellátás . (nagyobbat szól , és eddig nincs torzítás ) ezért maradtam ennél a kapcsolásnál. Csak ez a LM1036 tápellátása okozott gondot mert nem igazán értek az elektronikához csak ha valami hasonló kapcsolás találok. És igazán most sem tudom mi volt a hiba de én valami földhurok féleségre gondolok ha a negatív tápellátást közös pontról kell venni . De köszönöm a segítséget most már jó a tápegység .
A te bekotesednel az volt a gond, hogy a ket tapresz nem volt azonos fold potencialon, igy a felperiodusban vezeto dioda anodjan, es az altalad gnd-nek nevezett pont kozott a 12V-os tekercs, felperiodusanak jelet merted.
Köszönöm a magyarázatot (igaz nem sokat értettem a szak szavakból) de legközelebb ebbe a hibába beleesni nem fogok . Meg aztán ha nem is értek mindent de a hibát összekötés előtt észrevettem. Ha meg nem vesszem észre akkor szerintem egy szép Búgó hangot vagy pár alkatrészcserét kaptam volna erdménykép.
Igen, alapvetően nem rossz az elgondolás. Én is tapasztaltam már, hogy a szimmetrikus táp sok kezdőt visszariaszt. A TDA7294-nél viszont van két láb is, ami az alapkapcslásban GND-t kap (4 - IN+MUTE, 1 - STDBY GND). Mivel a szimpla tápos verzióban ellenállásosztóval lenne a virtuális földpont létrehozva, azt ellenőrizni kellene, hogy ezeken a lábakon nem folyik-e valami belső áramkörökhöz olyan áram, ami az ellenállásosztót elhúzná. A másik, amit figyelembe kell venni, hogy a standby/mute referenciapontja is ez a feszültség lesz innentől kezdve, persze ez csak akkor jelenthet fejtörést, ha egyáltalán használjuk ezeket a funkciókat.
Ne haragudj, de ez így eléggé zűrzavaros, és nagyon inkorrekt megoldásnak tűnik. Miért is kell a nagyáramú, végfok-hoz menő tápfeszültségnek az előfog Graezt-én is áthaladnia? Ráadásul ha jól értelmezem (kicsit fáradt vagyok már) a Graetz szerepét, akkor a végfok tápfeszültségén így pozitív félhullámban a 24V, negatív félhullámban pedig csak a 12V (a 12-es és a 24-es kivezetés közötti) fog egyenirányítódni.
Ha már ezek az adottságok, és mindenképpen ezzel a trafóval akarja zsa kollega megoldani, akkor szerintem az egyetlen korrektnek nevezhető megoldás az, ha a 0 és a 24V-os kivezetés között meghagyja az egyutas, szimmetrikus tápegységet, majd a 0 és a 12V-os kimenet közé szintén egy egyirányú, pozitív tápegységet épít, amire aztán lehet tenni stabilizátor kockát, vagy a vázolt tranzisztoros áramkört. Valahogy úgy, ahogy átrajzoltam. Az egyutas egyenirányítás miatt C1-et talán érdemes a duplájára növelni. Egy apró megjegyzés: ha tényleg 12V a trafó, akkor elég kevés tartalék lesz a stabilizátornak a 15V előállításához. Én lehet, hogy inkább 12V-ra stabilizálnám ezt a feszültséget (nem tudom, az LM1036-nak mennyi az optimális).
Szia Bocsi hogy beleszólok és nem is nagyon értek hozzá de a csatolt kép amit feltettél az az én első elképzelésem volt ami nem jó mert a (15V) 0-ján és a Gnd-n mérhető érték van ami 6V.ot képez
És ezt korigálta LIttle és igy szerintem jó. Idézné ( A te bekotesednel az volt a gond, hogy a ket tapresz nem volt azonos fold potencialon, igy a felperiodusban vezeto dioda anodjan, es az altalad gnd-nek nevezett pont kozott a 12V-os tekercs, felperiodusanak jelet merted.)
Nem ugyanaz, mert szilva megoldasaban az elofokhoz is egyutas egyeniranyitas van.
Megmerted az osszes kimeno feszultseget?
bocsi ezt benéztem igazad van a gretz kimaradt és egy dióda van helyette betéve . Azt a félhullámos dolgot nem igazán értem ( de lemértem van 15V és 2*40V-om a Gnd-hoz viszonyítva . és az erölködőt már el is indítottam és jó)
Ez akkor jobb lenne nekem ezek szerint. Majd holnap kipróbálom azért.
Megmutatnád az 7294-es mudulodat? Azt is , hogy mit módosítottál a szimmetrikus tápláláshoz képest.
Hello én ezt építettem meg.
Változtatás csak (x)-el jelölt 22K ellenállás let 47K-ra kicserélve nyílt hurkú erősítése. Az ic szigetelés nélkűl van a bordán . A mute annak nyítva kell lenie a leírással ellenkezőleg. A tápegység pedig 2 diódás (monitorból buheráltam ki (méretük nagy)). Egyutas irányítás mint a fentiekben csatolt képen. Még a buffer egy rakás 220V-400V-os kondikból áll amik párhuzamosan vannak kötve , oldalanként egyenlő UF-ben (szintén rossz készülékekből ezek így ingyen vannak). Nagyából ennyi. Erősítőnek nagyon kicsi halk búgása, és sustorgás a van (belekel bújni a hangfalba észlelhető legyen) De azt hiszem míg a nyílt hurkú erősítésénél 22K ellenállás volt akkor a búgás nem volt jelen. Lehet sok hülyeséget csináltam benne (jelezném nem vagyok szakember de még amatőr sem) Viszont az egész lényege Csak az ic-t , 1db diódát kellet venni hozzá. A többi alkatrész az használt.
Köszönöm neked is a segítséget és bocsi de tegnap nem vettem észre a rajzon az egyutas irányítást.
Ma kipróbáltam és jó a kapcsolásod . Észrevételem azért van mert a tápról jövő 12V a dióda után egyenirányításnál 6.6V (igaz nem 1N4009-et használtam) , stabilizálás végén pedig 15V jön ki csak kérdés mennyire stabil a dolog. A bemeneti kondi duplázása az is jó tanács . köszönöm
Sziasztok lehet off de szeretném elmondani hogy tegnap volt nálunk diszkó én is lent voltam , beszéltem a diszkóssal és levihettem az erősítőm (tda7294sztereó) egy próbára még a délelőtt folyamán és a helységben volt 2mélynomyó hangfal~ 200W/db és 2db középmély 3 utas hangfal ~250W/db - először is rákötöttük a 2 mélyre, bedobott egy jó basszusos számot aztán nem akartam hinni a fülemnek meg a dj se , majdhogynem ugyanolyan erővel dübörgött a terem mint az ő erősítőjével, ezt kint az utcán lévők is monták ,már azt hitték most lesz a diszkó délelőtt
és azon csodálkoztunk hogy a torzítása szinte észrevehetetlen volt csutkán, pedig a mixerrel adagolt neki még pár plusz decibelt. Aztán következtek a 3 utas hangfalak azzal nagyjából úgyanúgy szólt mint az ő tranyós 2x150ével kissé elmaradott ugyan a hangerőben de azt mondta nem rossz . Milyen felemelő érzés volt halgatni az én teknikám diszkóban Mellesleg a mi Dj -nk is maga állította össze az összes erősítőjét.
Kb. hasonlóan dagadt a mellem, mikor nekem ilyen alkalommal dicsérték meg a Videotonom az általam "eredeti recept" alapján újjáépített végekkel (kivéve a visszacsatolás-módosítását). Pedig az csak 2x30W
Janimester, Zupp87!
Felétek nagyon egyedi diszkók lehetnek. Ne értsetek félre, mióta megcsináltam a TDA7294-emet, azóta teljesen másképpen gondolok az IC-s erősítőkre. Számomra megdöbbentő volt mennyire jó, mennyire élő, mennyire eleven a hangja. De ez, és a diszkó mélyeinek meghajtására való erősítő két nagyon külön világ.
Üdv!
Végre elkészült a párhuzamos-híd erősítőm. Gondolom, ilyen kapcsolást nem túl sokan építettek még eddig. Tehát 4db IC dolgozik egy oldalra. 4db TDA 7293, 1-1 IC párhuzamosan, és ezek hídban. A sima hídkapcsolással szemben annyival tud többet, hogy dupla áramot bír. A trafóm 400W 2x30VAC, és 2x25A híd. Holnap teszt. Ma még csak azt próbáltam, milyen hangminőséget ad, de abban nem csalódtam. Azért ezzel már igen csak lehet hangoskodni. Akár 400W-ot is kinézek belőle 8Ohm-ra, persze nem az én trafómmal.
TDA-kkal ez egyáltalán nem újdonság, lásd Marshall erősítők. Valóban olyan 400W körül lehet a teljesítménye! Szép munka!
|
Bejelentkezés
Hirdetés |











és azon csodálkoztunk hogy a torzítása szinte észrevehetetlen volt csutkán, pedig a mixerrel adagolt neki még pár plusz decibelt. Aztán következtek a 3 utas hangfalak azzal nagyjából úgyanúgy szólt mint az ő tranyós 2x150ével kissé elmaradott ugyan a hangerőben de azt mondta nem rossz
. Milyen felemelő érzés volt halgatni az én teknikám diszkóban





