Fórum témák

» Több friss téma
Fórum » TDA7294 végerősítő
 
Témaindító: Dióda, idő: Ápr 17, 2006
Lapozás: OK   463 / 611
(#) zotya1983 válasza dudaspeter hozzászólására (») Feb 10, 2014 /
 
11-12 14-15 ös láb nincs összefolyva? Én kimérném még legalább 2 X azt a panelt elég homályos a kép de legalább 3 zárlatot látok.Valamint nem látom hogy a mute zárva lenne eltakarja a tyúkbél... Ezt a képet szedtem googléból hírtelen itt is csak rá van tekerve pár menet a szekunderre.
A hozzászólás módosítva: Feb 10, 2014

DSC09979.JPG
    
(#) dudaspeter válasza zotya1983 hozzászólására (») Feb 10, 2014 /
 
zárlat nincs nagyítóval átnézem mindig az egész panelt, jó a szemem de biztos ami biztos, ilyen képet tud max a telefonom . a trafóm tekercselés és a többi tanácsot is köszönöm, mute, standby ki van hozva kapcsolóra, nem toroid trafóm van
A hozzászólás módosítva: Feb 10, 2014
(#) morgo válasza dudaspeter hozzászólására (») Feb 10, 2014 /
 
Szia! Igen jó lehet, de ügyelj a kivitelezésre (240V!) Ha viszont a szekunder tekercshez nyúlsz, akkor nem rátekerni kell, hanem letekerni. Ellenkező esetben növelni fogod a trafó kimeneti feszültségét.
A hozzászólás módosítva: Feb 10, 2014
(#) zotya1983 válasza dudaspeter hozzászólására (») Feb 10, 2014 /
 
Akkor a nagy áram miatti gerjedésre tudok gondolni, próbálj pár menetet feltenni a trafódra, vagy tedd fel a kérdést az erre vonatkozó topicban.
(#) zotya1983 hozzászólása Feb 10, 2014 /
 
Bemeneti impedanciának mit szoktatok használni a TDA 7294 hídhoz? Mert épp bontok alkatrészeket jó tudni üdv.
(#) lukacsp válasza lowzor hozzászólására (») Feb 10, 2014 /
 
Kinek a pap, kinek a papné. De jó, hogy legalább beláttad, és nem szívsz vele tovább. Van egy erős gyanúm, hogy én a motorokkal lennék úgy, mint te az elektronikával.
(#) lukacsp válasza dudaspeter hozzászólására (») Feb 10, 2014 /
 
Túl nagy a tápfeszültség. Ez az a tipikus eset, amikor hülyére gerjed az IC, mert túllépjük a specifikációt. Szoktam róla írni a kollégáknak, de még kevesen tapasztalták, én már igen. Csökkentsd le a tápfeszültséget valamilyen a kollégák által ajánlott módon legfeljebb +-40V-ra.
(#) lukacsp válasza zotya1983 hozzászólására (») Feb 10, 2014 / 1
 
22k - 47k
(#) zotya1983 válasza lukacsp hozzászólására (») Feb 10, 2014 /
 
A primer köri biztosítékokra visszatérve betettem egy egyet a primer oldalra egy 2.5 a t,és egy 2 a t set először kicsapta az egyiket utána pedíg a másikat is, így asszem kelleni fog az a lágyindító, vagy tegyek be 3-4 amperosat?
(#) Alkotó válasza zotya1983 hozzászólására (») Feb 10, 2014 /
 
Ne az értéket növeld, hanem más karakterisztikájút válasz. Az üvegbiztik általában gyorsak és úgy rémlik "F" betű jelöli őket. Ez neked nem jó. Olyat vegyél ami lomha, és talán "T" vel jelölik. Ezek rövid ideig a névleges érték sokszorosát elviselik.
A lágyindító nem a biztosítékot próbálja megvédeni, hanem a hálózat rövid idejű de drasztikus terhelését tompítja.
(#) zotya1983 válasza Alkotó hozzászólására (») Feb 10, 2014 /
 
Értem, de mint írtam mindkettő T-s és már terheletlenül kicsapkodta(rosszúl írtam mert mindkettő csak t 2 amperos volt így pakoltam mindkét oldalba (primer) lomha (t) 2.5 A-s t ezeket most szereti igaz ha a panel már benn lesz végre akkor tudom meg biztosan mi az a határérték ami még oda jó lesz gyanítom max t 3-3.5 amper azért köszi, közben a lágyindítós témakört is elolvastam..
A hozzászólás módosítva: Feb 10, 2014
(#) zotya1983 hozzászólása Feb 10, 2014 /
 
Erre a kitre esett a választásom mivel betápnak ±12-45V DC -t
adnak meg feszültségtűrésnek ami nekem pontosan jó lesz és 4-8 ohmon is használható cucc, így eldőlt a kérdés sztereóban fogom megépíteni.Viszont ez TDA7293V ic t használja, esetleg valami tapasztalat vagy hasonlóság a 7294 hez képest van e?
(#) lukacsp válasza zotya1983 hozzászólására (») Feb 10, 2014 /
 
Jah, tegyél bátran T 3 A-t, vagy nagyobbat.
(#) zoltan79 hozzászólása Feb 11, 2014 /
 
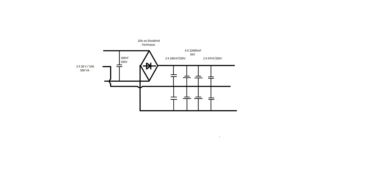
Kerdes:Adott egy 500VA transzformator;szekunder reszen lead 28-0-28 V-ot;25A-es diodahid segitsegevel egyeniranyitva,savonkent 2x22000mF szures,veluk parhuzamosan 4x100nf/250V;Gond nelkul elbir 4Drb. TDA7294 Vegfokozatot?
2Drb. Woofer (megfelelo hangvaltoval ellatva)
2Drb. Vegfokozat (hangvaltoval ellatva;-hangfalaknak- 2Drb. JBL hangfal 150W-ak )
egyeniranyitas-szures:
(#) pont válasza zoltan79 hozzászólására (») Feb 11, 2014 /
 
A 28V pufferelve közel 40 DC ami majd 90Watt teljesítmény, figyelembe véve a hatásfokot a gondnélküliséghez kéne 150VA trafó TDA-nként. De mivel 50-60Watt fölé nem érdemes menni a torzítás miatt, gyakorlatilag elég az 500VA. Egyenirányítani inkább így:Bővebben: Link
A hozzászólás módosítva: Feb 11, 2014
(#) zoltan79 hozzászólása Feb 11, 2014 /
 
Rendben,koszonom a valaszt.Keszittek majd nehany kepet es megosztom veletek,elesittes elott velemenyeket varok majd.koszonom
(#) zotya1983 hozzászólása Feb 11, 2014 / 1
 
Nya a felfogatás kész ami egyben konzolként is szolgál majd a gépházban már várom a panelt Nem adom fel mégsem
A hozzászólás módosítva: Feb 11, 2014
(#) lowzor hozzászólása Feb 11, 2014 /
 
Sziasztok. Egy alap kérdés, ami nekünk nem tiszta.
a MUTE zárt állapotban némít, vagy nyitott állapotban?
(#) zotya1983 válasza lowzor hozzászólására (») Feb 11, 2014 /
 
Ez nekem sem tiszta, meg az sem hogy állítólag erre rá kell akasztani a pozitív tápot is?
(#) lowzor válasza zotya1983 hozzászólására (») Feb 11, 2014 /
 
Elméletben, ahogy gondolkozok a mute a pozitív, és GND közt kapcsol.
Na most ha zárva van, és leteszi GND-re, akkor baszhatom az egészet, mert nem fog szólni.
Azt állítja ismerős, hogy zárni kell..
(#) zotya1983 válasza lowzor hozzászólására (») Feb 11, 2014 /
 
Akkor kösd össze és hadd szóljon!
(#) lowzor válasza zotya1983 hozzászólására (») Feb 11, 2014 /
 
Besz@rok, ha szólni fog, nemfogom megérteni. A "non inverting input" lábat zárja a + ággal!
(#) zotya1983 válasza lowzor hozzászólására (») Feb 11, 2014 /
 
Épp ezért elméletben össze kell zárni. Én is így tudom.
(#) reloop válasza zotya1983 hozzászólására (») Feb 11, 2014 /
 
(#) Alkotó válasza lowzor hozzászólására (») Feb 11, 2014 /
 
Ha Reloop hivatkozásának ábráját megnézed, akkor nagyjából 3,5V fölé kell emelni mindkét "tiltó" lábát az IC-nek, hogy az szóljon. Aztán az már a környezeti alkatrészektől függ, hogy egy adott kapcsolásban ez bizonyos pontok zárásával, vagy bontásával jön létre. Ha bármilyen bizonytalanság merül fel, meg kell mérni mekkora feszültség van a lábakon, és ha az nagyobb mint 3,5V, akkor ott nincs tiltás.
(#) t4nt1zjeee hozzászólása Feb 12, 2014 / 1
 
Üdv! A sok munka közepette hanyagoltam a témát. De most van egy kis időm gondoltam küldök pár képet a készülő erölködőröl... Megvan már minden ami kell hozzá... Ha nem témába vágó kérdésetek lenne, akkor azt PÜ-ben! További szép napot!
(#) zotya1983 válasza t4nt1zjeee hozzászólására (») Feb 12, 2014 /
 
Gratulálok szép munka már így félkészen is
(#) t4nt1zjeee válasza zotya1983 hozzászólására (») Feb 12, 2014 / 1
 
Köszi szépen! Van még pár kép! Mára abahagyom...
(#) neocska válasza t4nt1zjeee hozzászólására (») Feb 12, 2014 / 1
 
Az a doboz, hát a gári se ojan szép
Igényes tiszta munka!
(#) zotya1983 válasza t4nt1zjeee hozzászólására (») Feb 12, 2014 / 1
 
Most irigy lettem a dobozodra v*, a*em én is átépítem az enyémet míg nem késő
A hozzászólás módosítva: Feb 12, 2014
Következő: »»   463 / 611
Bejelentkezés

Belépés

Hirdetés
XDT.hu
Az oldalon sütiket használunk a helyes működéshez. Bővebb információt az adatvédelmi szabályzatban olvashatsz. Megértettem