Fórum témák
» Több friss téma |
Fórum » Kapcsolási rajzot keresek
Témaindító: Kallai Csaba, idő: Márc 11, 2006
Témakörök:
Szia! Egy 1207AP ic van benne. Köszi.
Szia! A csévetestnek nincs baja, ilyen kialakítású, a fet elkallódott, nem lehetett leolvasni róla adatot, amúgy TO-220 as tokozású.
üdv..
Válassz egy FET-típust a rajzok alapján.
Sziasztok.
Ehhez a típusú erősítőhöz keresnék rajzot sajnos nem tudom bekapcsolni.. System fidelity ht-r405 Köszönöm előre is.
Ha letöltöd az applikációját, abban van rajz, ami jó közelítéssel passzolhat hozzá. A FET típusa nem kényes annyira, valami NCP szokott mellette lenni. 800V 4...6A-es típus jó ide. Üzem közbeni feszváltást általában rosszul tűrik!
Sziasztok!
Keresem az alábbi sztereo kislemez lejátszó kapcsolási rajzát, használati utasítását, szervizkönyvét, ami van ezek közül. Típus: Philips 15 GF 832/06s Köszönöm előre is!
Mikrosütő kontroll panel kapcsolási rajzát keresem. A konkrét típus: LG MB-4384 B/2.
A kijelző alig olvasható (a táp ellátással lehet probléma). Az én problémám az, hogy az SMD alkatrészek felismerésére kellene a kapcsolási rajz, mert a feliratokból nem tudom meg, hogy tranzisztorról, vagy fet-ről, vagy esetleg másról van szó ami a rajzról könnyen azonosítható. Ha a konkrét típus helyett hasonló rajz fellelhető valahol, a címet előre is megköszönöm.
Szia! Tessék itt a szerviz doksija.
A hozzászólás módosítva: Jún 12, 2013
Nagyon köszönöm a doksit!, de ebben nem találom (vagy rosszul keresem ) a kapcsolási rajzát a kontroll panelnek. Konkrétan ebben ez kellene bővebben: Control panel parts 268711
Van ennek a mikrónak egy MOD: száma is MR 1384 B sajnos ezen sem találtam kapcsolási rajzot A hozzászólás módosítva: Jún 13, 2013
Szevasztok!
Keresem a PANASONIC EY0020 akkumulátortöltő kapcsolási rajzát. Köszi!
Sziasztok! Videoton R4932 kapcsolási rajzot keresek! Közkézen forog egy pdf, a radiomuseum.hu-n is ez van fenn, de létezik egy másik rajz is, sajnos csak kis felbontásban sikerült beszerzni, csatoltam jpeg-ben. Ha valakinek van esetleg ilyen hq-ban (eseteleg más rajz, esetleg nyák-rajz) azt nagyon szívesen venném. után szeretném építeni ezt a gyönyörű tipust. Előre is köszi!
Add meg privátban az e-mailedet és elküldöm djvu formátumban a Rádió,- és Televizió készülékek (Kádár Géza) 1970-71-es kötetet, abban benne van.
A hozzászólás módosítva: Jún 15, 2013
Sziasztok, (szerintem mondhatjuk, hogy ez így ide tartozik);
keresnék, egy olyan erősítő kapcsolást, ami egy 2 (mélyközép - magas) utas rendszert meg tud hajtani, és olyan 30-35W leadására képes, elég kicsi helyen elfér, és tartalmaz előerősítőt . Köszönöm!
Hello! Felújítani még csak-csak, de "után építeni" elég bátor vállalkozás.. üdv!
Hello! Azt esetleg megírhattad volna, hogy mihez használnád, mert a "tartalmaz előerősítőt " elég széles lehetőséget fog át. üdv!
Sziasztok.
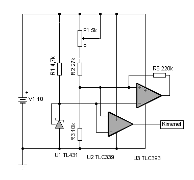
Szükségem lenne egy egyszerű áramkörre, ami figyeli egy 12V ólomakku feszültségét. Ha a feszültség leesik kb 10V körüli értékre, akkor pl. kapcsoljon egy ledet, vagy kapcsoljon egy kollektort földpotenciálra, stb stb... Egy kommunikátor lenne, amit vezérelne, és az akku állapotot kell jelenteni.
Hello! Tessék. üdv!
Hello! Nincs mit. Azt elfelejtettem írni, hogy nem szükséges TLC IC, bőven megteszi az LM339 és annak nyilván nincs ennyi lába (mindössze 8.). Csak a Tina-ban nincs a tokozásnál a "b" fokozat aminek a tápja természetesen közös az "a"-val. üdv!
A hozzászólás módosítva: Jún 15, 2013
Fujitsu Siemens x17-2 monitorhoz keresek kapcsolasi rajzot. Legyszves valaki!
Koszonom!
Szia, igazad van; számítógép, CD lejátszó MP3 és hasonló jelű cuccokhoz kellene.
Sziasztok.
A Hiki TR-0460A jelgenerátor kapcsolási rajza keresem, ha valakinek meglenne, most jól jönne. Előre is köszönöm.
Hello! Ezek az eszközök, minimálisan vonalszintű (LINE) kimeneti jelet adnak. A végfokok többsége megelégszik ezzel a bemeneti jellel. Vagy is egy végfok megfelelő, ha nem szeretnél hangszínt szabályozni. De van számtalan erősítős topik, amiben biztos találsz számodra megfelelő kapcsolást. üdv!
Köszönöm szépen mindenkinek, különösen endrusznak, pont erre gondoltam, de a 4932 kapcsolása pont nincs benne a pdfben, csak a 4930... vagy ugyanaz a kettő?! (a djvu-val még küzdök...
) A hozzászólás módosítva: Jún 17, 2013
Alapjaiban ugyanaz, csak a Tiedben már benne van a sztereo dekóder is.
Sziasztok!
Gábor vagyok, és szeretném a segitségeteket kérni. Szükségem lenne 1 wangine wca-220 erősítő kapcsi rajzára. megvettem végfok hibásan, de előtte vki próbálkozott vele ellenállásokat cserélt meg mindent.... és sztem nem bele valók vannak benne.... ezért lenne rá szükségem. előre is köszi. várom válaszotokat.
Sziasztok.
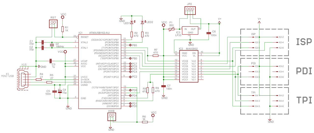
Keresek egy MKII AVR programozó leírást, esetleg valaki ha tudna valami magyar nyelvű építési, élesztési leírást azt nagyon megköszönném. Köszönettel. Lajos |
Bejelentkezés
Hirdetés |







) 





