Fórum témák
» Több friss téma |
Sziasztok!
Segitségeteket szeretném kérni. Van nekem egy BMW E36 autóm. Vettem hozzá egy gyári kijelzőt ami a board computerhez való. Sajna bekötni szinte lehetetlen annyi kábel és szenzor kellene hozzá. Mint utólag a bontostól megtudtam. Nagyon drága lenne.Gondoltam nem adom fel! Vettem egy atóba való kijelzőt ami időt és külső belső hőmérségletet mutat. Kicsit átalakitottam, hogy a gyári egysébe bele menjen. Nagyon jól sikerült. A tápellátásával vagyok kicsit gondban. 2db 1,5v elem adja a feszültséget. Ez még annyira nem is olyan nagy gáz mert végül is sokáig birják az elemek. Az lcd háttérvilágitása már nagyon nem jön össze. Szép kéken világit de csak pár másodpercre miután megnyomom a gombot. Na ez a gáz. Szédszedtem és nem ledek vannak benne hanem valami fehér fólia. Hogyan tudom megcsinálni, hogy állandóan világitson amikor gyujtást adok az autónak. Ha folyamatosan nyomkodom a gombot akkor nem alszik el. Próbáltam vezetékkel hidalgatni de sehogy nem jön össze. Légyszi segitsetek. Előre is köszönöm.
Hello, a gagyi megoldás az, ha egy 555-tel építesz egy oszcillátort, ami nyomkodja neked a gombot folyamatosan...
A korrekt pedig, hogy megkeresed a panelen az invertert, ami a fóliát táplálja a nagyfeszültséggel és ennek adsz folyamatosan tápot. Melyik megoldás a szimpatikus?
Derítsd fel, hogy a gomb miket köt össze és párhuzamosan tegyél rá egy egy 555-ös oszcit pár Hz frekivel, potenciálfüggetlen megoldással, pl. optocsatoló tranyóval.
Előre is köszi, de nem sokat értek hozzá. A folyamatos táp lenne a jó megoldás de azt se tudom merre keressem.
Megcsinálnod Neked kell. Hogyan segítsünk neked?
Szóval, van benne egy tranzisztor. Multiméterrel az eggyik lábán amikor bekapcsol a világitás 8.5v mértem. Ez hogy lehet?.
Ide kellene kötnöm a tápot? Mekkora ellenálás tegyek 12v elé mert nem nagyon merek kisérletezni nehogy elrontsam.
Jobb lenne, ha lerajzolnád...Egy 10k-val elindulhatsz. pl. De jó ha tudod, hogy mit csinálsz.
szerintem ne gyújtásra menjen a világítás, hanem amikor a helyzetjelzőt bekapcsolod. úgy passzolna a többi műszerhez, nem világítana folyton...
Készülj fel rá hogy a háttér világítás hamar megdöglik ha folyamatosan járatod. Ez elektrolumineszcens (EL) fólia. Általában 1000 üzemóra az ideje, de a folyamatos hosszab bekapcsolást nem nagyon szereti vmiért, nekem is volt egy ilyen háttérvilágítású kijelzőm direktbe kötve, kb 1 hónapig ment utánna vége.
Hát nem tudom, én egy olyat vettem, ami szivargyújtóról kapja a tápot és állandóan működik a kék háttérvilágítás. Kb fél éve van az autóban és gyújtással együtt kapcsol be.
nem lehet, hogy csak azért döglött be neked hamar, mert a töltéskori feszültségingadozások hazavágták? és nem lehet, hogy ha véletlenül bekötsz elé egy stabic-t, akkor az élettartama nem lesz olyan silány?
A homasitában volt valami 1700ft. Ha érdekel, lefotózom. De ha segítesz kiváltani egy I2C-s hőmérséklet mérő programozással, odaadom az enyém
Az LCD vezérlés már kész
Sziasztok!
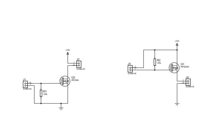
Autóba szeretném, ha egy bizonyos jel nincs jelen, akkor egy led, izzó felgyulladna, vagyis egy inverterre lenne szükségem. Kérdés, hogy milyen módon oldható ez meg. Én CMOS inverterre gondoltam, tekintve, hogy annak nincs áramfelvétele, de konkrét kapcsolási rajzot nem találtam hozzá, így ez lenne az első kérésem, hogy konkrét kapcsolási rajzot ha tudtok küldjetek nekem. Kétlem, hogy egy P és egy N FET elég lenne hozzá, ha mégis, akkor melyik két FET lenne alkalmas erre? Másik kérdés, hogy a kocsi többi áramköréhez hogyan, milyen áramkörön keresztül kellene illeszteni, hogy ez sem zavarjon be, és ezt se zavarják be. Első körben tápnak a kapcsolt 12V-ot gondoltam. Ide kell valami? köszi: Pál
Szia!
Mindkét fettel meg lehet csinálni: Az N-FET -tel (IRFZ34N) készült inverter akkor kapcsolja ba a J2-re kapcsolt fogyasztót, ha a J1 -ra kapcsolódó bemenete a +12 tápra kerül. A fet nyitófeszültsége 2..4 V, már ekkora feszültségnél bekapcsol. A P-FET -tel (IRF9Z34N) készült inverter akkor kapcsolja ba a J4-re kapcsolt fogyasztót, ha a J3 -ra kapcsolódó bemenete a földre kerül. A fet nyitófeszültsége -2..-4 V, már 8 - 10 V feszültségnél bekapcsol. A kapcsolási feszültség értékek ellenállásosztóval módosíthatók. Mindkét ajánlott típus robusztus, belső védelemmel rendelkezik, az áramterhelhetősége kb 20A. A tokozásuknak köszönhetően könnyen szerelhetők. Nagyobb terhelésnél hűteni kell - a tokot egy nagyobb fémdarabra, a kocsi vázára kell felcsavarni, fém felülettől el kell szigetelni. A boltokban átulnak szigetelő késztelet a TO220 tokhoz. Szia.
Sziasztok!
Abban kérném a segítségeteket, hogy egy autóelektronika vezérlését (pontosabban tuningját) ellátó áramkör ,amely EGY ATMEGA8-16PI (0250) típusú mikrovezérlőből és a köré épített kapcsolásból áll, meghibásodott. A hiba pontos leírása: Mivel sajnos ez egy "gyári" áramkör , kapcsolási rajz hiányában,csak kikövetkeztetni tudtam ,hogy egy optó leválasztó PC 817 is található az áramköri lapon. És a képeken ahogy látszik , az az előtt lévő 3 kondenzátor és egy tranzisztor (vagy FET) "égett el". Annyit tudok ,hogy ez az áramkör az autó fordulatszám szabályozását befolyásolta és az elégett részek az optó csatoló bejövő oldalán vannak ,tehát a AVR nem sérült. Részeben még működik az AVR mivel szabályoz az áramkör. Az éppen maradt 2 tantál kondenzátornak sikerült kiderítenem az értékét ( 10 µF 25V ; 1µF 35 V) -> képeken jelöltem a szemmel látható hibás részt. Viszont sajnos a felrobbant kondi és elégett tranyó értéke nem tudom ,hogy mi lehetett. Illetve ha jól sejtem az áramkör a CAN - buszra csatlakozik valamilyen formában, de mivel nem vagyok jártas a témában csak tipplek. Ha bármi ötletetek van arra vonatkozóan ,hogy mik lehettek a tönkrement alkatrészek ,azt megköszönném!
Pont az első kép ami jó lenne , de valahogy elmozdulhattál , mert homályos.
És próbáld a tranzisztorok jelölése felől is fotózni.
Itt van még két kép, ezek élesebbek ,hátha látni rajta valamit.
|
Bejelentkezés
Hirdetés |




Nagyon drága lenne.

Az LCD vezérlés már kész










