Fórum témák
» Több friss téma |
Sziasztok,
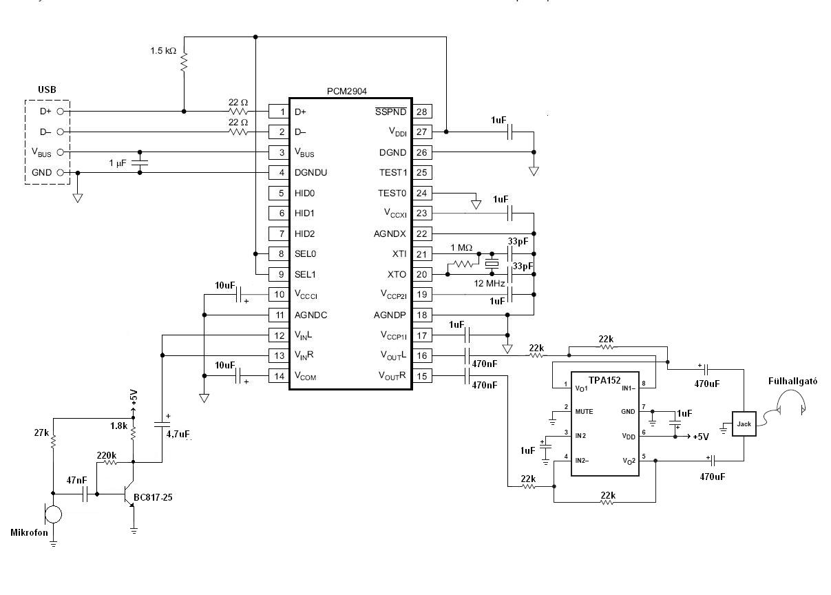
előszöris lehet, hogy a modiknak nem fog tetszeni a témanyitás, mivel már van egy "USB hangkártya PCM2902-vel" topic... Ezért elnézést kérek, de a probléma talán nem kapcsolódik szorosan a fent említett IC-hez. A következő a gond, melyre megoldást, ötleteket várok: Építettem egy USB hangkártyát PCM2904-es IC-vel, és hozzácsaptam egy sztereó FM adót is, BA1404-es ICvel. A hangkártya tökéletesen működik, és az FM adó is. De van egy nagyon érdekes jelenség: ha rákapcsolom a hangkártyára a rádióadót is, akkor még működik szépen a rádió, de csak addig, amíg hang nem érkezik a hangkártyára. Amint hangot kéne sugároznia az adónak, iszonyatosan zajos lesz, sistereg, és csak a háttérben lehet sejteni a zenét. Amint leállítom a zenét a gépen, ismét tiszta "csendet" ad az adó. Nem tudom mi lehet a gond Ha lekötöm az adó bemenetét a fülhallgató erősítőjéről, akkor teljes tiszta, sztereó hangot (illetve hát csendet) sugároz, ahogyan azt tennie kell. Tehát biztosan nem a tápvonalon (USB) szedi össze a zajt. A rádió rajza: BA1404-es rádióadó A fülhallgató erősítője egy TPA152-es IC-n alapul, adatlap szerinti gyári kapcsolás, a kimeneten 2 db 330 µF-os elkó van (ezekről megy a fenti rajzon látható adóba a jel). A fülesben egyébként gyönyörű, tiszta hangja van a hangkártyának. Ha bármi ötletetek van, hogy hogyan oldható meg a probléma, légyszíves segítsetek. Előre is köszönöm!
Nemtudom jól értem e de a rádióadó ic a fülhalgató kimenetéröl kapja a jelet? Nincs véletlenül tulvezérelve?
nem ismerem se a rádióadót, se a hangkártyát, de nem lehet, hogy túl sok az adónak az a line szint????
Igen, erre én is gondoltam, hogy túl sok neki. Csak az az érdekes, hogy ha a hangerőszabályzót lehúzom minimumra (szoftveresen), akkor is ugyanezt csinálja.
Mindenestre köszönöm a tippeket, most el kell mennem, de holnap mindenképp berakok az adó elé egy trimmert. Lehet, hogy segít...
Lehet hogy a DA rekonstrukciós szűrője hagy szemetet maga után, amit nem tud belemodulálni a BA az FM sávba.Tegyél egy hangszínszabályzót próba gyanánt a PCM és a TPA közé.
A TPA152-es erősítő utáni poti sajnos semmit nem változtatott a helyzeten. Megpróbáltam az adót közvetlenül a PCM IC audio outjára kötni, hátha a TPA túl zajos, de onnan is megmaradt a zaj.
Levy ötletét most kipróbálom, hogy az erősítő elé beteszek egy hangerőszabályzót. Meglátjuk...
Megpróbáltam, de így sem jó sajnos. Lassan beleőrülök. Másfél napja szenvedek vele, és nem jutok semmire. Szegény nyákot is szanaszét szabdaltam már a próbák során, pedig milyen szép volt fénykorában
![]() Kezdem feladni...
Szerintem adj rá külső jelforrást az adóic-re. Ha ugy is zajos az adóáramkörbe van valami elszurva.
Azt még az elején kipróbáltam, ha nem a PCM2904-ről adom neki az audio jelet, akkor kifogástalan a minősége.
Szkópod van? Ha igen töltsél le a nettröl vagy tegyél fel a gépre audiógenerátort és küldj ki a hangkártyára szinuszt. Ha szkóppal nézve van ott ojan is ami nem kéne(nagyfrekis zaj) egy aluláteresztőt be kéne iktatni.
Honnan kapja a tápot ez a kis eszköz, gondolom USB (a kép alapján, de nem tiszta).Próbáld szétválasztani a modulátor és a hangcsip tápját, úgy hogy a hangcsip marad USB-n, a modulátor pedig külső tápról menjen.
A másik lényeges dolog a nyák.Nem látok föld-hálót a nyákon, ami az ilyen zavarok elkerülése végett szokott lenni.A nyák miatt ne bánkódj, hogy szét lett szabdalva, ez egy prototipus és nem működhet tökéletesen elsőre.Inkább az a lényeg, hogy fény derüljön a legtöbb hibára és ki legyen javítva a kövi nyáknál. Üdv.
Hogyan oldottad meg USB-ről a tápellátást? Mert, ha jól látom az eszköz max 3V-ról működik, az USB pedig 5V-ot ad le. :yes:
Levy k a külső tápot megpróbálom, jó ötlet, nemtudom hogy eddig miért nem jutott eszembe. Már melegszik is a forrasztó
![]() A BA1404 valóban nem bírja az 5 V-ot, így azt csináltam, hogy az adó bekapcsolt álapotát visszajelző LEDről kapja a tápot (kb. 2 V-ot). A LED egy soros ellenállással megy az 5 V-ra, az adó pedig a LED 2 lábáról van táplálva.
Megpróbáltam a külső, USB-től függeteln tápellátást az adónak, de a probléma sajnos továbbra is megvan, nem változott semmi.
Vettem fel egy pár másodpercnyit a hangból, hogy hallhassátok konkrétan mi is a baj. Amikor csend van, akkor épp nem érkezik hang a PCből, amikor pedig sistereg, akkor kellene a hangnak hallatszania (gyengén, a háttérben egyébként kivehető a hang). Tényleg tanácstalan vagyok
Nem lehet, hogy a PCM2904-es hangkari ic nagyon érzékeny a rádió közelségére, vagyis a rádióhullámokra, és ez zavar be?
Próbáltad már leárnyákolni a penalját?
Biztos, hogy nem zavarja be! Az nem lehet gond, jóformán bármelyik helyi adónak nagyobb a térereje mint a BA1404-nek, de egyébként próbáltam már másik rádióadót rákötni, Jack-aljzaton keersztül, azzal is megvolt a gond, pedig az vagy egy méterre volt a PCM-től. Másrészt pedig, a fülesben tökéletes a hang, nincs vele semmi gond, csak a rádiónak nem tetszik valamiért.
Még egy tipp:
Töltsd le ezt.Egy hangkártya-oszcilloszkóp és jelgenerátor egyben.Az USB-s karira küldj ki 1kHz-es szinuszos jelet, a gépedben lévő kari line bemenetére szerkessz egy fm vevőt és figyeld a szkópon a bejövő jelet.Nézd meg milyen felharmónikusok keletkeznek, illetve a zaj mértékét.Próbáltál már lejátszani egy olyan hangállományt, amelyben nincs aktív komponens?(csak csend, mint pl. filmekben)Akkor is jelentkezik a zaj? A másik tipp, az USB-s hangcsip kimenetét a pc line bemenetére és szintén az 1kHz-es szinuszjellel tesztelni, hogy mit lát a szkóp. Üdv.
sziasztok
lenne egy egy olyan gondom, hogy a hangkártyámon csak 2 bemenet van, és nekem 20 db bemenet kell, ami mind különálló szerintetek hogy lehetne megcsinálni? (mellékletbe csatoltam egy usb-s hangkarit)
Üdv. Minap ideiglenesen szereztem egy PD552-es USB-s hangkártyát, vagyis annak egy butított verzióját, olcsón
(az eredeti piros mikialjzat, CMedia chip, ez sárga mikialjzat, és valami nóném chip). Szerintem eg az egyben hiányzik a D/A kimenetéről a sinx/x korrekció.. mivel van a kimeneten egy 20k körüli vagy magasabb frekvenciájú jel, mely lejátszás közben mindíg jelen van, és hamar túlvezérli az erősítőt. Ez ügyben kutatok most.. sinx/x karakterisztikájú korrekciós erősítőkapcsolások után..
Szia!
Buék! , Bár nem tudok segíteni, de az említett hangkari még csúzli tölteléknek sem jó, mert egy 16-os anya olcsóbb nála. De ha ingyen van, akkor oké. Volt szerencsém vagy 5-6 darabhoz, különböző helyekről. Használhatatlanok voltak egytől-egyig. Nekem a mikrofonbemenet volt borzasztóan zajos, és halk. Ezért nem foglalkoztam velük tovább.
Helyesbítek.. szinte ingyen volt új állapotában
![]() Jelenleg -4-es magashangszínállásban a videoton.. kis hangerőn elmegy a dolog.. Érdekességképpen volt már egy ilyenem, egy Speedlink, abban CMedia chip volt.. viszonylag szépen szólt, nem volt benne az említett jelenség.. és a mikrofonbemenetével sem voltak gondok. Mondjuk azt Szegedről rendeltem, nem túl olcsón Csak hát az meg egy keverőre volt dugva, azon keresztül földelődött a keverő, és melegedett.. és szinte kiforrasztotta magát egy idő után az IC. És nem tudtam visszaforrasztgatni. Az eredeti notebook hangkártyám pedig az örök félvezetőmezőkön kergetőzik.. mivel szkópként akartam egyszer használni.. és egyszercsak figyelmetlenségből rákerült vonali jel 12dB-es erősíréssel.. amit nem bírt ki.. és be-kimenet, minden elszállt
Még helyesbítek: szerintem a kimeneti aluláteresztő is ki lett belőle spórolva, és valószínű, hogy a 44,1kHz-es frekvencia sikít kifelé belőle. Már szimuláltam is rá egy passzív harmadfokút.. holnap ki is lesz próbálva
Fülhallgatóval valószínű, nem lenne probléma.. mivel a kis hangszóró kiintegrálja az ilyen magas összetevőket.. meg gyengébb PC szpíkerek végfokai is.. viszont egy jobbfajta erősítő nem ilyen.. már az én Videotonom is 80kHz-ig merészkedik teljesítmény-sávszélességben, ha 0,7%-os THD-t engedünk meg.
Értem, kíváncsi vagyok a végeredményre.
A mikrofon bemenetét nem próbálnád le a kedvemért ? ![]() Hátha nálad is van ilyen jelenség, főleg ha megoldást is lehetne találni rá... Én több gépen, több driver-rel is teszteltem mindegyik ilyen kártyámat, de mindegyiken vacak volt a mikrofon. Nekem sima beszédátvitelre kellett volna, a kimeneti zajossága még csak-csak kiszűrhető, de a bemeneti az katasztrófa.
Ez mondom valami butított cucc.. egyik PD driver sem jó hozzá
A bemenetet is úgy jelzi, h wave in.. és monó.. szóval azt sem tudom, fantomtápot ad e neki egyáltalán
Közben megnéztem a mikrofonbemenetet: az égvilágon semmit sem vesz fel
Szóval mondom h gagyi Az is csoda, h lejétszik egyáltalán ![]()
Na még egy tény, ami alátámasztja azon feltevésem, hogy ordít kifelé a hangkártyából a 44,1kHz.. ha átkapcsolom a tunerre az erősítőt, de még megy a hangkártyától a zene, megbolondul a sztereo dekóder, és hiába van középen, meg full térerő.. zúg mint őrült (mert ugye az A-B jel 38kHz-es sávközéppel van benne a multiplex jelben). Amint leállítom a gépen a zenét (hiába marad összedugva), megjavul a tuner.
Mondom én, hogy csúzlitöltelék! Kár beizzítani hozzá a pákát.
Bár az egyiket szétszedtem, illetve belekukkantottam, és kiforraszthatónak tűnik a "chip" csak épp a felirat az nincs rajta. Ezért azt sem tudni mi lenne a megfelelő kapcsolás hozzá. De inkább a jobb kézzel a bal váll, mögé kategória.
Nekem ilyenem volt először. CMedia CM108 chip volt benne. Semmi gondom nem volt vele. A lejátszás tökéletes volt, nem skiított kifelé belőle a sampling freq, és skype-olni is nagyon korrektül lehetett vele.
Bővebben: Link
Jelentem, összekalapáltam a szűrőt.. és a probléma megszűnt. Üzenem mindenkinek, aki egy hasonló koppintással kerül össze, építsen a kimenetre egy hasonló dolgot. Igaz, ehhez 220k körüli lezárás kell, mint nekem van a Videotonban.
(A szűrő 20kHz-en 2,5dB körül csillapít, 44,1kHz-en pedig 24dB-t.) |
Bejelentkezés
Hirdetés |




Ha lekötöm az adó bemenetét a fülhallgató erősítőjéről, akkor teljes tiszta, sztereó hangot (illetve hát csendet) sugároz, ahogyan azt tennie kell. Tehát biztosan nem a tápvonalon (USB) szedi össze a zajt. 











