Fórum témák
» Több friss téma |
Szia az impulzus szélleség állandó lenne nem kéne változtatni.
De attól még van
![]() a= ciklusszám,b=impulzus szélesség, c=impulzusok közötti szünet
Szia konkrét ár van e, hogy mennyi lenne?
Jelentkeznék, és örülnék is neki... De nem tudok 20e-et kivonni a kasszából sajnos.
Kakukk :
Tudást nem adtak hozzá ,ezzel sem lennénk előbbre.....
Bővebben: Link 12.-ik oldal. 599Font a 10felhasználós proff licenc.
De, ha többen leszünk majd kérünk pontos árajánlatot a magyar forgalmazótól. Üdv.
"kakukk" = kaqkk
És a tudás csak kitartás és tanulás kérdése
Sziasztok
Egy olyan kérdésem lenne hogy 18F8722-es picket szeretném úgy konfigolni, hogy 20Mhz- kristály 2XPLL-el. van valakinek valami ötlete hogy lehet megoldani flowkódal. válaszokat előre is köszönöm üdv vadvaz
Állítsd 4*es pll re (azt lehet) és 10Mhz s kvarcot használj
a végeredmény ugyanúgy 40Mhz
Minden pic-nél megvan ez a hiba?
Idézet: „Flowcode 4.5-nél előfordulhat” 6622 nél pl. jó. Idézet: „......Hibás az fcd file.” Hogy jöttél rá, hogy ezt kell módosítani ? Üdv!
Kedves Hozzáértők...
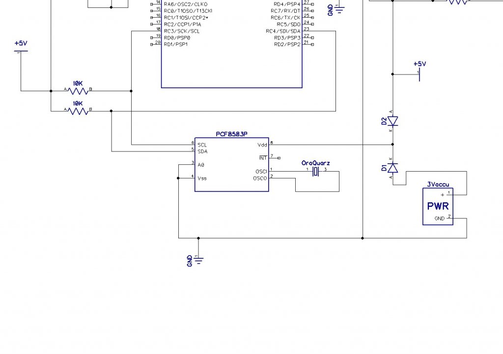
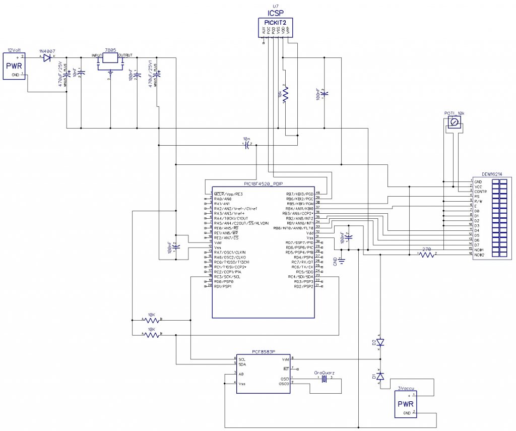
Pár napja (bejglisütés végével) hozzáláttam az első i2c projektemnek hogy az akvárium világításvezérlését elegánsabbá tegyem és megértsem a i2c rejtelmeit... De sajnos ahogy lenni szokott elakadtam... Maradtam a jól bevált PIC18F4520 -nál és végre ráakasztottam az egy ideje polcon csücsülő PCF8583P rtc-t. A mintaprogramok közül a DS1307-hoz megírt mintán próbálom keresztülverekedni magam... ...de idáig kevés eredménnyel. Az alábbi fcf-ben egy a meglévő órát szeretném az rtc-vel pontosítani vagy kicserélni. Hol rontom el? A kapcsolás rossz a protoboardon, vagy a címet nem találtam el? Vagy egyéb alapvető hiányosságban szenvedek? Gondolom az óra alapból nem lehet rosz...
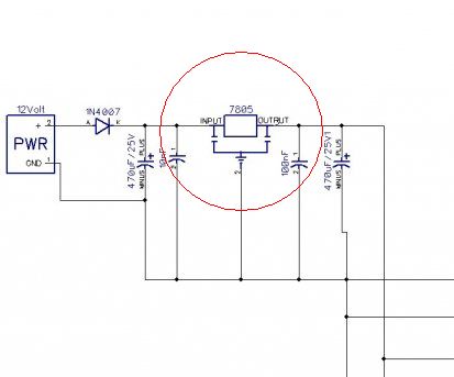
Borzasztó rossz nézni, bogarászni a kapcsolási rajzodat. Azért használjuk a gnd-t és a +Ut-t rajzjelekkel, hogy ne firkáljuk össze feleslegesen a rajzunkat. Ráadásul te ezt még tetézted is a keresztbe-kasul-kuszaságaiddal.
Mutatok egy példát, hogyan csináld: a gnd-ket és a tápokat nem kötögetjük össze, csak rajzjelekkel jelöljük, hogy összetartoznak! A stabIC nem nagyon jól van így, bár nem látom tisztán, mit is ábrázoltál. Főleg a gnd-je nem világos: ott valmi kondi van sorban?!
Nem sikerült időben szerkeszteni:
A stab kimenetén nem kell 470 uF, mert nem fogja szeretni. Bőven elég egy max. 10 uf is! (Vagy ha mindenképp teszel tegyél egy diódát is visszakötve a bemenetére!)
Miután elküldtem a hsz-t kipróbáltam a fordítást másik PIC-re állítva és működött.
Talán így jobban látszik... (elnézést a kuszaságért, egy régi rajzhoz csaptam hozzá a rtc-t)
A rendszer a display-icsp-pickit2 része működik és azzal töltöm rá a programot... Tesztelni tudom a működést. Az i2c rész az ami nem világos... Ezen a helyen találtam valami hasonlót... De csak botladozom... Haladok azért csak még nem jött meg az áttörés...
Már zavaros volt...
Kezdem elölről...
Ez a stabIC, ezt nem látom rendesen, vagyis inkább rossznak látom.
Amit te kinagyítottál, az óra IC, az jónak tűnik.
Igen tudom... ...egy régi rossz rajzba raktam bele a lényeges dolgot... az rtc-t.
Eddigre eljutottam odáig hogy a DS1307 hez adott mintát átírtam annyira hogy legalább látszik hogy az órából jönnek az adatok... Tehát kapcsoláshiba kizárva...
Ha így kötötted be az RTC-t, akkor az jó lesz. Sajnos a programozós részhez én kevés vagyok
Siker! (fél)
Eljutottam odáig hogy az idő már rendesen megy... alsó sor... A dátum kikódolása mintha nem lenne jó vagy még az alapon áll... Van valakinek tapasztalata a BCD oda-vissza játékban? Ja és BUÉK
Sziasztok! Én is most ismerkedem a Flowcode-dal. Egy léptető motort akarok vele vezérelni. Simán direktben működik is, forog, de ha komponens makróból hívom meg, akkor meg se nyikkan! Szerintetek mi a gubanc? Csatolom mindkét fájlt.
Szia! próbáld meg a kép alapján.
Mit kellene csinálnia ,és minek is ?
Tedd fel a nem működő verziót.
A servo2.fcf működik, de a servostep2.fcf nem, ebben akartam makróból hívni a steppert. A 18f4410-esre már rá van kötve a stepper.
A 2 verzióban a kimenetek nem egyeznek meg az elsőben portC 9 10 6 5 ös láb a másikban meg portC 0 1 2 3 ezt állítsd egyformára, az 1 ms lehet hogy kevés, és a motor típusa unipolar +ve re van állítva és lehet hogy neked bipolar motorod van. ezeket a beállításokat a motorra kattintva lehet beállítani hátha ez segít.
Az első verzióban, ha a portra kiküldöm az 5-ös értéket, akkor a port 0-t és a port 2-t aktiválja. A motor sem bipoláris, sem unipoláris módban nem működik. A késleltetések sem segítenek, sajnos.
|
Bejelentkezés
Hirdetés |





,ezzel sem lennénk előbbre..... 










