Fórum témák
» Több friss téma |
Fórum » Léptetőmotorok (vezérlése)
Idézet: „a motor áram az 0.5A-ra van beállítva 0.8-as a motor a labortápnál maximum 2 A-ert tudok ki adni használatkor 1re vettem a 3motornak” Vagyis a 0.8A -es motorokra egyenként kb. 0.33A jut.Az lehet hogy kevés. Ki tudod próbálni csak egy motorral?
kitudom próbálni minden motor vezérlője 0.5Ara van állítva vagyis összesen a 3 motor vesz fel 1.5A-t de ha feljebb veszem a labortápon az áram korlátot akkor is akadozva megy a motor
Szia
Milyen Mac3-at használsz ? Probálj egy régebbi verziot . Milyen PC-n fut a Mach3 ? Fut-e még valami rajta ( spay , net stb ) , kapcsolj ki minden futo programot és ugy probáld . Nálam vagy két napig a spay hülyéskedett de leszedtem és azota tökéletes a Mach3 . Ha a vezérlö nincs bekapcsolva a DRO ( számlálok ) mennek rendesen , nem akadnak ? A léptetök tekercsei biztos hogy azonos kimenetre vannak kötve a vezérlön ? Ha 0.8A veszed az áramot akkor is ezt csinálja ? A három léptetö szinte sosem megy egyszerre igy jobb ha csak két árammal számolsz .
Még valami .
Nemtalálom hogy milyen léptetöd van .Van rola valami adat ?
Milyen LPT illesztöd van ? Nem lehet hogy a STEP jelet invertálni kellene ( step loww activ - zöld pipa ) .Probádl ki .
Ezt a léptetőt használom
ennél több adattal nem tudok sajnos szolgálni ha emelem a vezérlőn a kimenő áramot akkor is akadva lépked. nem fut a mach3-on kívül semmi. Nincs ltp illesztőm! közvetlenbe van a vezérlőkre kötve az ltp kimenet.
Lehetséges, hogy túl alacsony a LPT feszültsége, és néha kihagy, azaz nem érzékel a vezérlő
Egy illesztő áramkört érdemes lenne berakni. 74HC14 vagy hasonló.
Dehogy nem tudsz ( mostmár ) .
Probáld amiket irtam .
azta köszönöm én nem találtam róla semmit
![]() és szerintem holnap átnézem a vezetékeket hátha azzal van a baj és ha nem akkor esetleg berakok egy illesztőkártyát amit mondtatok. és felrakok egy régebbi mach3-at is hátha az a hiba.
Nálam itt lent valami ujjabb verzio van de fent a mühelyben 2.0xx verziot használok és fogok is mig nemtalálok benne hibát !
Üdv mindenkinek!
Tud valaki egy nagyon egyszerű kapcsolási rajzot léptető motor kipróbálására?
Persze. Ha megmondod, hogy milyenhez!.
Ezek a típusok vannak 23D-6150B, 34PM-C049, M091-FD03, 4H5618S.
Talán ez megtenné:
Szia
Azért ha lenne valami más adat vagy foto jobb lenne ( feszültség -A/fázis stb ) .a lentebb linkelt rajz müködik 12V 100 ohm-os léptetökkel de ha Neked mások a paramétereid akkot a tápod csökkentésével vagy emelésével tudod kompenzálni , a lényeg hogy ne melegedjen a léptetöd . A másik forumon "elektron" nem segitett ?
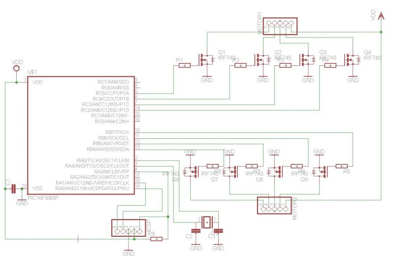
Készítettem egy ilyen kapcsolási rajzot. Mit szóltok hozzá? A FET-ekhez 1kOHmos ellenállást gondoltam.
Hűtéssel mennyire foglalkozzak? Ha az összes fet alá egy cines nagy felületet hagyok a nyáklapon az megoldás lehet? Mekkora hűtést készítsek hozzá? ![]() Azért némi megjegyzés: Ezt a FETet ki bírja nyitni teljesen a PIC? Én L sorozatút használnék. Nekem nem szokott baj lenni a hűtéssel, de én csak kis teljesítményű motorokat használok. Néhány hozzászólással korábban figyelmeztetett valaki, hogy nagyobb teljesítményű motoroknál a léptető és utána a csak tartó áram nem logikus, hogy megeggyezzen. Tartásra kevesebb kell, hogy ne melegedjen a motor. Persze csak ha nem hobbiból csinálod. A motor 5. vezetékére ugyanaz a VDD megy mint a PICre? Elég a motorodnak? Ha nem, akkor neki külön + táp kell.
Ja, majdnem elfelejtettem: védődiódák!
Amatőr célra kis teljesítménynél megteszi a FETtel párhuzamosan fordítva bekötött dióda.
Köszönöm a hozzászólást, és az észrevételeket. A kapcsolási rajzon használt FET nem egyezik meg a valóságnak(IRLZ34N), mert nem találtam meg pontosan azt EAGLE-ben.
A léptető motor tápja 24V-ról lenne meghajtva. A PIC-et egy külön táp hajtja, vagy épp ebből a 24-ből "lopok" feszosztóval majd 7805-el pl.. A tartóáramot szoftveresen szeretném csökkenteni, pl. léptetés után X idővel (mondjuk erre írhattok pontos számot) kikapcsolom, vagy (a motor1-et tudom PWM-el is szabályozni). Hardveresen megoldott hogy a mechanika pozícióban marad (csiga->fogaskerék áttétel), így nincs szükségem tartásra, csak finom mozdításra. Az hogy a hűtés nem jelent problémát, jelentheti azt is hogy állítva hagyhatom FET-eket borda nélkül, egymásnak háttal, hogy a legkevesebb helyet foglalják? vagy alulemezt tegyek közéjük? Ebben a dologban tapasztalatlan vagyok. védődióda: Elméletileg bele van építve. Ennyi FET-hez sok dióda kéne . De ha van szükség rá, nem jelent munkát, nehogy hazavágjam a készüléket.
Szia
A motor tápot elöször szabályozhatora csináld és ha már jo az áram ( a léptetö nem melegszik de van elég nyomatéka ) akkor lehet azt az értéket fixálni . Lehet a hütésre nincs szükség de legyen ez a probán eldöntve . Még megoldás lehet ( ha van helyed ) a + táp és a léptetö közé tett nagyobb teljesitményü ellenállás ( 5W körüli ) ami mint áramkorlátozo müködik ( pár ohm tökéletes ) .
Ha a motor tápjából veszed a vezérlőnek is a tápot, akkor jó nagy puffer elkót tegyél a vezérlődre, hogy a motor áramrántásai ne üssék ki a programot! Vidám félórákat jelenthet egy ilyen hibára rájönni!
Köszönöm a felvetést , erre nem gondoltam.
A nagy puffer elkó mekkorát jelentene? Sima feszosztó-ból mondjuk leosztom 8V környékére a 24V-os tápot, majd feszstab-ra rákötve, az egy használható megoldásnak tűnik nem?
Köszönöm,
kész nyákot akartam készíteni, de igazad van, összedobom egy protoboardon, ráengedem hogy csak 1 tekercset fűtsön, és fajintosul bekonfigolom, hogy jó legyen.
illetve ez a kérdés még továbbra is nyitva áll számomra. Hogy kell-e védődióda, vagy nem-e kell-e?
Idézet: „Sima feszosztó-ból mondjuk leosztom 8V környékére a 24V-os tápot, majd feszstab-ra rákötve, az egy használható megoldásnak tűnik nem?” Ha más nagy áramú jószág nincs a majdani 5V-os ágban, akkor igen. A puffer legyen mondjuk 2200µF/16V (vagy nagyobb). Így jó lesz!
Na látod a kapkodás .
Ha kicsit hamarabb jut eszünkbe már nem lenne kérdés . Biztos ami biztos tegyél bele ( valami 100V körüli 1 - 2A shotky diodát , 1db/fázis ) .
Szerintem egyszerű 4007 is megteszi. A visszáram nem szokott olyan nagy lenni, mert az _nőni_ szokott. A dióda szerepe az, hogy már amikor egészen kicsike visszáram megjelenik, már akkor megfogja, és nem engedi hogy nagy legyen. Nem kell túlspirázni a dolgokat, elvégre csak 12V lesz a táp, ezt akármi is kibírja!
sziasztok ismét itt vagyok
már a motorjaim tökéletesen műkörnek de robotkarhoz gyengék. így cnc mozgatást szeretnék csinálni belőle. és érdekelne hogy valaki tud e segíteni abba hogy a végállásokat hogyan tudom jelezni a gépnek ? egész pontosan arra gondolok, hogy ha nyomógombot teszek oda akkor, hogyan kössem az ltp port meg maradt lábaira a kapcsolókat ? |
Bejelentkezés
Hirdetés |







. De ha van szükség rá, nem jelent munkát, nehogy hazavágjam a készüléket. 



