Fórum témák
» Több friss téma |
Sziaszatok
Szeretnék kérni egy kis segítséget kérni. hogyan lehet megvalósítani azt hogy egy feltételes elágazásnál a változó értéke 100 és 150 között van akkor legyen igaz. Egyszerűen nem jövök rá segítséget előre is köszönöm.
köszi mindent kipróbáltam de ezt pont nem
Valamiért nem ment...
...de átgondoltam egy kicsit és ez lett belőle...Most működik úgy ahogyan szerném de a motormozgatást csak DELAY-el tudtam megoldani... Nem szép de a paradicsom nem panaszkodik... Már csak a kapcsolási rajzot kellene valahogy megcsinálnom hozzá...
Üdv...
A fólia_projecttel kapcsolatban küszködöm az LCD (DEM16214SBH-PW-N.PDF) illesztésével... Összeraktam a vasat PIC18F4520-el 20Mhz kvarccal és az LCD-vel... Az alábbi progi beégetése után csak a felső csík karakterei (négyzetek) látszanak ![]() A könnyebb szerelés miatt a portokat RD2=RS RD3=Enable RC4=DATA1 RC5=DATA2 RC6=DATA3 RC7=DATA4 variáltam meg... Az lcd lábai a képen... A mikrokontroller nem indulhat vagy az LCD-t kötöttem rosszul... ?
Jaja az egyes lábra is kell egy 10k-s ellenállás az 5 voltra..
Mármint az 5volt és az egyes láb közé?
Ok... csinálom...
Igen, mert akkor indul el a pic.. ha 0-n van akkor az a reset
Upsz akkor a pic egyes lába és nem a LCD-é...
Akkor ne forrasszak? Kapcsoljak!
Úgy tűnik hogy elindul... de fura karakterek jelennek meg a kijelzőn...
Biztos nem támogatja az lcd-d a karakteres betűket, vagy az adat port sorrendje fordított
Raktam rá egy relét... De 1 mp helyett 17 mp-nként kapcsolgatja...
A Data lábakat átvariálom...
Üdv!
Van egy 4 ciklusból álló progim.Minden ciklus előtt engedélyezném ugyanazt a Timert , de mindíg más makrót szeretnék meghívni vele.Lehet ilyet?
Flowcode, nézet, project opciók ott meg állítsd át a frekit annyira amennyi a kvarcod, utána nálam pic16f84a ra van állítva a chip és rc osszcillátorra ezt is állítsd át olyanra amilyened van rc helyett meg xtal ra
Azt honnan tudom meg hogy nekem milyen oszcillátort kell beállítanom ? 20.00JQ kvarc van bekötve
Igen ezt észrevettem. Ha leveszem a kvarcot akkor használhatom az internal-al? Hátha azzal megy..
Igen sajna Én inkább programozó vagyok mint elektrotechnikus...
De hátha a feladat megoldása végigvezet a szükséges ismeretek megszerzésén... A sikerélmény biztos inspirálólag hat a folytatáshoz... ![]() Caution: argument of 'delay_us' calls must have a value of 1 or more Warning unreferenced functions removed: FCI_FLOAT_TO_STRING in: C:\Program Files\Matrix Multimedia\Flowcode V4\FCD\internals.h FCI_NUMBER_TO_HEX in: C:\Program Files\Matrix Multimedia\Flowcode V4\FCD\internals.h FCI_STRING_TO_INT in: C:\Program Files\Matrix Multimedia\Flowcode V4\FCD\internals.h FCI_STRING_TO_FLOAT in: C:\Program Files\Matrix Multimedia\Flowcode V4\FCD\internals.h Wdt_Delay_Ms in: C:\Program Files\Matrix Multimedia\Flowcode V4\FCD\internals.h isinf in: C:\Program Files\Matrix Multimedia\Flowcode V4\FCD\internals.h Warning unreferenced functions removed: Wdt_msDelay in: C:\Program Files\Matrix Multimedia\Flowcode V4\FCD\internals.h Wdt_Delay_S in: C:\Program Files\Matrix Multimedia\Flowcode V4\FCD\internals.h FCD_LED0_LEDOn in: C:\PIC\04\Releteszt_09.c FCD_LED0_LEDOff in: C:\PIC\04\Releteszt_09.c És ugye most az a problémám hogy a rárakott relé csak darál mint a veszett fene, nem várakozik 1 mp-ig mint ahogy a programban beírtam...
Ebben a kis progiban...
Hmmm. semmi nem történik, visszaírtam a régit --> darál...
A Flowcode demojával próbálkozom, de a fórumon található legtöbb állományt nem nyitja meg, mert az adott PIC nincs benne a demóban.
Segítsen valaki egy "okosabb" verzióval.
Ok...
Akkor teszek a relé tranzisztora és a láb közé egy 10k ellenállást és átteszem egy másik lábra... így jó lesz?
Igen, olvasom.. Közben megcsináltam a változtatást és semmi változás...
Visszamentem a kályhához...
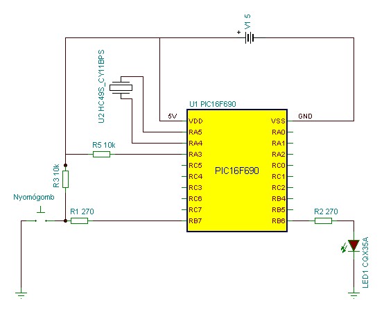
Kotortam a teszthez egy másik PIC-et. A rajz szerint bekötöttem rá egy gombot és egy led-et. Működik de a led nem lenyomáskor világít hanem amikor nincs a nyomógomb zárva... Kész, mattot kaptam... A flowcode rontja el vagy a kapcsolás rossz? Ha a gombot a javasolt link alapján rakom össze akkor a táp 7805-je izzani kezd a 7805 ... link
Hello!
Azért világit mert akkor van pozitivon. Akkor 1. Ha lenyomod "testre huzod" akkor 0.
Szia gomb tulajdonságok aktív magasat állítsd át aktív alacsonyra és jó lesz
Biztos valami hiper érzékeny és szuper takarékos verzió .. attól hogy mi még nem láttunk ilyet a Nasa-nak már lehet hogy van vagy 10 éve
azt hittem tényleg valami ufó által itt felejtett LED-et találtam...De csak a rajz volt pontatlan...A gomb beállítása megtette hatását.. Végre működik . Köszönöm a segítségeteket és ugye nem haragszotok nagyon ha továbbra is zaklatlak titeket a bugyuta kérdéseimmel... De miért van az hogy ha beteszek egy 10k ellenállást a +5V és a PIC 1-es lába közé akkor a LED villog és nem folyamatosan világít? Paradicsom-nevelde projekt folytatódik ... LCD kétsoros panel illesztése ![]() Szerk : .ne üsd az entert feleslegesen .
Szia! Szerintem azért mert ennek a csipnek nem az 1-es lába a reset hanem a 4-es és mivel a betápjára tettél 10k-s ellenállást ezért amikor a led kapcsol lefullad a chip mert elfogy a kakao, magyarul ennek ne rakj ellenállást az egyes lábára mert nem lesz neki tápja! Ennél a 4-es lábra kell a 10k-s ellenállás akkor lesz jó.
Akkor így lesz a jó...
Összefoglalva: általános szabály VDD/VCC: +5V VSS: GND MCLR: 10k ellenállással a +5 Voltra - resethez pedig GND-re |
Bejelentkezés
Hirdetés |




és ez lett belőle...












