Fórum témák
» Több friss téma |
Igen! A lábkiosztást meg a flowcode nézet chip bekapcsolásával meg tudod nézni az adott chiphez
Üdv...
A Flowcode-be milyen értékeket kell beírnom a fotoellenállás beállításaihoz? Vagy ez olyan hasra-ütés szerű meghatározás lesz? egyáltalán jól tettem fel a lábra a fényérzékelőt?
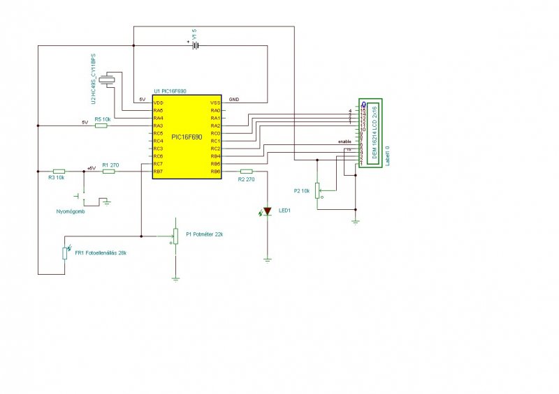
a foto ellenállás értéke csökken( tart 0 felé) vagy nővekszik (tart a végtelen felé) fény hatására? Mert ha csökken akkor az 5 volt és a pic lába közé kell a fotoellenállás a poti meg a test felé, na nővekszik akkor az 5 volt és a pic lába közé kell a poti a fotoellenállás meg a test felé. és a potméterrel tudod majd beállítani mechanikusan a kívánt értéket és a progiban meg majd finomhangolni.
Akkor valahogy így...
Fotoellenállás a fényre csökkenti az ellenállását...
Nem egészen, mert így a p1 az műterhelés lesz csak, és a bekötött módban rövidre zárja az 5v-t a testtel a felső végállásban..
a p1 poti felső lábát is a pic rc7 lábára kell kötni.
Így?
Alapismereteim hiányát pofátlan kérdezősködéssel pótolom...
Már majdnem csak a potit ne kösd rá az 5 voltra..
Szuper működik...
![]() Finomhangolni a Vref feszültség értékeivel kell? Tehát ha csökkentem akkor a lépésköz csökken vagy a felvett értéke a változónak?
Én egy egyszerűbb módszert alkalmaznék. értékszámítás fényerő = fényerő/10
ezáltal az érzékenység lecsökken az érték 0-100 ig fog alakulni ha még ez sem tetszik akkor takard le teljesen az érzékelőt és amit kiir az lcd-d pl 218-at azt vond ki a fényerőből: fényerő = fényerő-218 ezáltal a teljes sötétség 0 lesz és természetesen lehet kombinálni is fényerő = (fényerő-218)/10
Aha...
Ráakasztom az LCD-t is fizikailag is... Aztán számolgatás...
Csak a progi kedvéért tesztjelleggel volt a kódban...
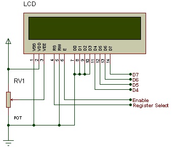
Az LCD DB0-3 lábait GND-re kell tennem?
Így most nem indul...
Lehet hogy a kontraszt túl kicsi, ha áramot adsz vezérlés nélkül egy lcd-re akkor a felső sort teleírja fekete négyzetekkel ilyenkor be tudod állítani a potival a kontrasztot. Ezután add rá a vezérlést és ha minden jól megy működni fog..
Sziasztok!
Valaki megtudná nézni nekem ezt a programot miért nem megy proteusba. Csak akkor megy ha a TMR0 internal-rol átálitom T0CKI-re. De ugye ugy meg nem megy a TMR0. A proteus egyfolytába reseteli a procit. A flowcode meg ilyen figyelmesztetést ir: Caution: argument of 'delay_us' calls must have a value of 1 or more Caution: Delay inaccurrate: 'delay_us', Delay overhead:0.01ms, Unit delay:0.001ms, Delay resolution:4 units Caution: argument of 'delay_10us' calls must have a value of 1 or more Warning unreferenced functions removed: FCI_FLOAT_TO_STRING in: C:\Program Files\Matrix Multimedia\Flowcode V4\FCD\internals.h FCI_NUMBER_TO_HEX in: C:\Program Files\Matrix Multimedia\Flowcode V4\FCD\internals.h FCI_STRING_TO_INT in: C:\Program Files\Matrix Multimedia\Flowcode V4\FCD\internals.h FCI_STRING_TO_FLOAT in: C:\Program Files\Matrix Multimedia\Flowcode V4\FCD\internals.h Wdt_Delay_S in: C:\Program Files\Matrix Multimedia\Flowcode V4\FCD\internals.h isinf in: C:\Program Files\Matrix Multimedia\Flowcode V4\FCD\internals.h FCD_LCDDisplay0_PrintASCII in: C:\FC1\1khz\16f676lcd.c FCD_LCDDisplay0_Command in: C:\FC1\1khz\16f676lcd.c FCD_LCDDisplay0_PrintString in: C:\FC1\1khz\16f676lcd.c FCD_LCDDisplay0_ScrollDisplay in: C:\FC1\1khz\16f676lcd.c FCD_LCDDisplay0_ClearLine in: C:\FC1\1khz\16f676lcd.c FCD_LCDDisplay0_RAM_Write in: C:\FC1\1khz\16f676lcd.c FCD_ADC0_ReadAsByte in: C:\FC1\1khz\16f676lcd.c FCD_ADC0_ReadAsVoltage in: C:\FC1\1khz\16f676lcd.c FCD_ADC0_ReadAsString in: C:\FC1\1khz\16f676lcd.c Nem értem miért nem megy.
Melyik a DATA1 a DB7,vagy a DB4?
így van bekötve de meg se mukkan a kontraszállitó kockákat látom
DB4, de elvileg ha fordítva kötöd be akkor is kellene karaktereknek megjelenni a kijelzőn csak minden félének randomban. Ha a négyzetek mennek akkor nézd meg hogy az rs láb( lcd 4-es lába) jó helyre van e kötve mert olyankor nem indul el
LED Muxik...
Köszi a segítséget...Holnap a hőérzékelő következik... De arról már azt hiszem hogy írtatok itt visszább...
a panel nagyon villog és a panel közepére megjelenik mégegyszer az adat...
lehet hogy nagy a freki?
A proginál az lcd makroba a vége elé rakj egy 1s-os késleltetést, mert így nincs ideje kiírni a szöveget már is jön a törlés.
Ez okozhatja azt is hogy a panel néha visszavált alapra (csak a felső sor kockái világítanak) majd megint rendesen jelez mindent?
Az azért van mert az lcd start nem kell az lcd makróba, ha azt kiveszed jó lesz. Azt csak 1x kell lefuttatni általában a program elején még a ciklusok előtt
Számolgatom a lábak számát és felvetődött bennem a kérdés ... Hogyan lehet 4 gombot rátenni egy lábra? Kell hozzá mégegy PIC?
Hogy hogy kevés a láb? 6 kell az lcd-nek, 2 kell az érzékelőknek, 2 kimenet, 4 gomb, 2 a kvarcnak, 2 a betáp 1 a reset.. marad még 1 akár minek elvileg az én számításaim alapján, vagy nem?
Nem ertem, hogy minek a kvarc a PIC-re. Mivel rendelkezik belso RC oszcival, ezt lehet hasznalni, es ket lab plusz lesz. Csak akkor erdemes kvarcot hasznalni, ha valami nagyon pontos idozitest kell csinalni. Pl frekimero, kapacitasmero, stb. Egy homerohoz, fenymerohoz, egyebb nem ido alapu meresekhez boven elegendo a belso RC pontossaga. Viszont ha orat akar valaki csinalni, akkor inkabb kulso RTC aramkort kell hasznalni. Ja es a MCLR-t is at lehet allitani belsore, es lesz egy plusz bemeneted.
Gondoltam hogy a végállásokat beleteszem a programba... (nehogy elromoljon a gyári beépített és szétszaggasson itt nekem mindent...)
A kvarcot átállítottam internal-ra és megy így is... Mindjárt kiforrasztom és akkor felszabadul 2 láb a végállásoknak
MCLR belsőre állítva... És megy így is...
Hurráááááááááááááá..... Spóroltam egy halom lábat...
Én a gombokkal spórolnék mert elég 3 gomb 1. set/ok 2. + 3.- nem kell exit külön mert a menüben benne van hogy ment és kilép és arra kell okét nyomni meg mivel ez egy fólia a +- gombot meg lehetne csinálni hogy kézzel is ki lehessen nyitni az ajtót a pluszra nyisson a minustra csukjon és ha a setet megnyomod újra automatába lépjen.
|
Bejelentkezés
Hirdetés |











lehet hogy nagy a freki?
