Fórum témák

» Több friss téma
Fórum » Relé kérdés
 
Témaindító: M.Béla, idő: Szept 15, 2009
Témakörök:
Lapozás: OK   7 / 42
(#) cimopata hozzászólása Szept 2, 2011 /
 
Üdv!

Van esetleg valakinek információja arról, hogy egy átlagos relé (10A/230V) tisztán ohmos terhelés mellett mennyi az az idő amíg 0A-ról kialakul a névleges áram?

Tehát nem a behúzótekercstől számított késleletetésre gondolok hanem míg szakadásból 0Ohm-ra csökken a kontaktus.
(#) Steven84278 hozzászólása Okt 4, 2011 /
 
Heló, a kérdésem: mennyiben árt egy 12VDC-os relének, ha 12VDC helyett 19VDC-ről üzemeltetem?
(#) kokozo válasza Steven84278 hozzászólására (») Okt 4, 2011 /
 
Nagy valószínűséggel füstöt eredményez rövid időn belül..
(#) nedudgi válasza Steven84278 hozzászólására (») Okt 4, 2011 /
 
Nem feltétlenül okoz füstöt, ebben az előttem szóló téved, de semmiképpen nem ajánlott hosszú távon így üzemeltetni. Nem véletlenül gyártanak különböző feszültségre méretezett jelfogókat.
A dolgot árnyalja, hogy ez jelentősen típusfüggő. Zárt, kompakt minatűr a jelfogó, vagy pedig egy nyitott építésű példányról van szó? Alkalmazástól, környezettől függ, hogy megengedhető-e a nagyobb feszültség. Ha hosszabb ideig van behúzott állapotban, akkor a tekercs jobban melegszik, ilyenkor egy soros ellenállást, esetleg Z diódát azért érdemes sorbakötni a tekerccsel.
(#) Inhouse válasza Steven84278 hozzászólására (») Okt 4, 2011 /
 
Nagyobb feszültségből könnyű kisebbet csinálni...
Mérd meg a relé behúzótekercsének ellenállását. Számold ki az átfolyó áramot. Számold ki a sorba kötendő ellenállás értékét és szükséges teljesítményét.

Pl. egy 75ohmos 6V-os relénél: I=U/R, 6/75=80mA, ezt, ha 12V-ról szeretnénk üzemeltetni, akkor 12-6=6V, R=U/I, 6/0,08=75ohm , a P=U*I, 6*0,08=0,48, kb fél Watt, ha hosszabb ideig van behúzva, akkor legyen inkább 1W-os.

Üdv
Inhouse
(#) ekkold válasza Steven84278 hozzászólására (») Okt 5, 2011 /
 
Nézd meg a relé adatlapját... Nemrég használtam 3V-os behúzótekercsű reléket, amik az adatlapjuk szerint 6V-ot még tartósan elviselnek (200%), de más tipusnál ezegészen eltérő is lehet.
Tehát előfirdulhat, hogy simán tartósan bírja a 19V-ot, de az is lehet, hogy tönkremegy tőle...
(#) juicecooler hozzászólása Okt 9, 2011 /
 
Sziasztok!! Olvasgattam, és azt a következtetést vontam le, hogy passzív elemekből nem megoldható az egy nyomógombos ki-be kapcsolás relével... Jól értem? Vagy valaki meg tudja oldani esetleg még dióda beiktatásával tetszőleges számú relével? Ha esetleg szükséges váltakozó áramú táplálással?? nagyon érdekelne a projekt, ha valaki megtervezi, fizetek is az ötletért!!

Kösz!
*
(#) nedudgi válasza (Felhasználó 13571) hozzászólására (») Okt 10, 2011 /
 
Ha a feladat csak passzív alkatrészek alkalmazása, akkor egy legalább 2 morzeáramkörös, kéttekercses polarizált jelfogó kell.
A nyomógombbal sorba kell kötni egy ellenállást, ami korlátozza az áramot a tekercs meghúzási árama alá, hogy ne berregő készüljön , valamint egy kondenzátort, ami az üzembiztos meghúzáshoz elegendő energiát tárol. A nyomógomb pedig egy váltó érintkezőn keresztül kapcsolja a jelfogó egyik tekercsét.
(#) nedudgi válasza (Felhasználó 13571) hozzászólására (») Okt 10, 2011 /
 
Mindössze a megoldásodat vitattam...
(#) proba válasza juicecooler hozzászólására (») Okt 10, 2011 /
 
Miért kell? sima kettő morse érintős jelfogóból talán 3-4 és már működik is.Gombnyomás meghúz az első,felenged meghúz a második.megnyom meghúz a harmadik,felenged elenged az egész.Volt olyan elvetemült ismerősöm (telefonközpontban dolgozott volt jelfogó bőven) csengetésszámlálót épített.(talán négyig számolta)
(#) ekkold válasza juicecooler hozzászólására (») Okt 10, 2011 /
 
Dehogynem oldható meg.... 2 db "mezei" relé kell hozzá 1db záróérintkezővel, de esetleg egyetlen relével is menne (2 záróériontkezővel) ha kicsit átalakítanám....
(#) gabi20 hozzászólása Okt 11, 2011 /
 
Sziasztok egy mosógépmotort kellene reléről működtetni. A probléma az hogy amikor a relé kikapcsolja a motort, egy eszméletlen nagy szikra jön létre a relé érintkezői között. Gondolom hogy ettől hosszútávon a relé besülhet. Szeretném tudni hogy létezik-e ennek kiküszöbölésére valami megoldás?
(#) ekkold válasza gabi20 hozzászólására (») Okt 11, 2011 /
 
Pl. a szilárdtest-relé nem szokott szikrázni....
(#) Csanci74 hozzászólása Okt 30, 2011 /
 
Sziasztok!

Szeretnék egy mozgásérzékelővel vezérelni egy 5v-os relét. A mozgásérzékelő 3.3v feszültséget és 1-2 mA-t tud a relé felé biztosítani. Sajnos ez kevés a relének. Azt szeretném megkérdezni, hogy a kettő közé mit kell még közbeiktatni, hogy a relé behúzzon ha a mozgásérzékelő kiadja a jelet. Ha jól gondolom ellenálás és tranzisztor kell az érzékelő után sorba kötni majd egy diódát kell a relével párhuzamosan kötni.
Jó lenne, ha valaki meg tudná mondani hogy milyen alkatrészeket vegyek (ellenálás,dióda,tranzisztor) hogy relét tudja működtetni az érzékelő.
A relé egy 12v-os áramkört zárna nyitna.
Válaszokat előre is köszönöm
(#) vicsys válasza (Felhasználó 13571) hozzászólására (») Okt 30, 2011 /
 
Jéé! 2 helyen is válaszoltunk!
Az enyém jobb, mert tettem bázisellenállást... :yes:
(#) Csanci74 válasza (Felhasználó 13571) hozzászólására (») Okt 30, 2011 /
 
Köszönöm a gyors válaszokat, nagyon rendes Tőletek!
(#) (Felhasználó 20218) hozzászólása Nov 22, 2011 /
 
Sziasztok! Szeretnék egy bizonyos relét mikrokontroller kimenetéről kapcsolni. A relé FINDER gyártmány 40.52.9.006. típusú 2morzés, 5A és 6V DC a behúzó. A mellékelt kép szerinti kapcsolásban szeretném használni, de valamiért nem húz be. Mivel átlátszó tokozású látom, hogy megbillen a nyelve, de csak kicsit. Rámértem a tekercsre és kb 1,5V esik rajta 5V helyett. Nem értem mi lehet a baj, mert ezt a tranzisztort ugyanígy szoktam használni sok áramkörben, nixie órában és LED stroboszkópban is, ott nyugodtan kapcsolgat 280mA terhelést is, stabil feszültség mellet. A rajzról ugyan lemaradt, de természetesen védődiódát is kötöttem a tekerccsel párhuzamosan. Ha közvetlen kötöm 5V-ra a tekercset akkor meghúz, tehát elég neki az 5V a 6V helyett. Mi lehet a hiba? Az ugyanígy kötött TAKAMISAWA relé is meghúz rendesen, csak sajnos szükségem lenne az 5A-ra amit a FINDER tud.

relé TTL.jpg
    
(#) Sebi válasza (Felhasználó 20218) hozzászólására (») Nov 23, 2011 /
 
Sok az a 10k a bázissal sorosan... 1k-t tégy oda.
(#) (Felhasználó 20218) válasza Sebi hozzászólására (») Nov 23, 2011 /
 
Köszönöm válaszod! Kipróbáltam, de nem változott semmi. Egyedül akkor húzott be, ha abszolút nem raktam oda ellenállást, de azt gondolom nem bírná sokáig a tranzisztor!?
(#) nedudgi válasza (Felhasználó 20218) hozzászólására (») Nov 23, 2011 /
 
Azt bizony nem bírná sokáig. A gond ott van, hogy a relének legalább 4.4V feszültség kell a behúzáshoz az adatlap szerint.
A megoldás a jelfogó cseréje lehet 5V feszültségűre, vagy a relé tápfeszültégét megemeled 6V-ra.
Bár nem értem, miért nagyfeszültésgű tranzisztort teszel ide. Egy BC546 gond nélkül megoldhatná a problémát.
(#) (Felhasználó 20218) válasza nedudgi hozzászólására (») Nov 23, 2011 /
 
Köszi, akkor ezt így kipróbálom (már a táp emelését). Az MPSA42-re azért esett a választásom, mert van a fiókban egy halommal, és gondoltam, ha túlméretezett abból nem lehet baj.
(#) nedudgi válasza (Felhasználó 20218) hozzászólására (») Nov 23, 2011 /
 
Az a baj vele, hogy nagy a maradékfeszültsége, a BC546-hoz képest, ezért gond van vele 5V tápfesz esetén.
(#) (Felhasználó 20218) válasza nedudgi hozzászólására (») Nov 23, 2011 /
 
Na erre tényleg nem gondoltam. Ki is fogom próbálni amint lesz időm venni egyet! Köszi!
(#) nedudgi válasza (Felhasználó 20218) hozzászólására (») Nov 23, 2011 /
 
A diódát azért ne felejtsd el a jelfogó tekercsével párhuzamosan, záróirányban.
(#) (Felhasználó 20218) válasza nedudgi hozzászólására (») Nov 23, 2011 /
 
Köszi, nincs elfelejtve! "A rajzról ugyan lemaradt, de természetesen védődiódát is kötöttem a tekerccsel párhuzamosan."
(#) Primary hozzászólása Dec 18, 2011 /
 
A terv az az, hogy egy hálózati feszültségről üzemelő készüléket tudjak áram alá helyezni. Ezt távolabbról szeretném megoldani, méghozzá úgy, hogy csak kisfeszültség van a kapcsolónál (nem életveszélyes). Párhuzamosan több helyről lehessen bekapcsolni.
Valahogy úgy képzeltem el, hogy egy relével megszakítom a készülék hálózati feszültségét. A relét nem tudom hogyan kéne működtetnem. Olyasmire gondoltam, hogy a relé vezérlő oldalán van több kapcsoló párhuzamosan kötve, így bármelyikkel üzembe lehet helyezni és csak az összes lekapcsolásával kapcsolna ki.
Honnan nyerhetném a relé behúzásához szükséges egyenfeszültséget?
(#) DjPeat hozzászólása Dec 18, 2011 /
 
Kérdésem muszáj kis vagy törpe feszültséget használni? Mert ha nem akkor lépcső házi autómatika vagy inpulz relé. Ezzel meg tudod amit írtál csinálni.
(#) Primary hozzászólása Dec 19, 2011 /
 
Muszáj kisfeszültséget használni.
Csatoltam egy rajzot, amin látható az elképzelés.
Bal oldalon az, hogyan lehetne hálózati feszültségről. Jobb oldalon pedig a téglalap helyére kellene valami egyszerű kis kapcsolás.
Ha mondjuk valami relé lenne, de honnan lesz áram a relé működtetéséhez?

Drawing5.jpg
    
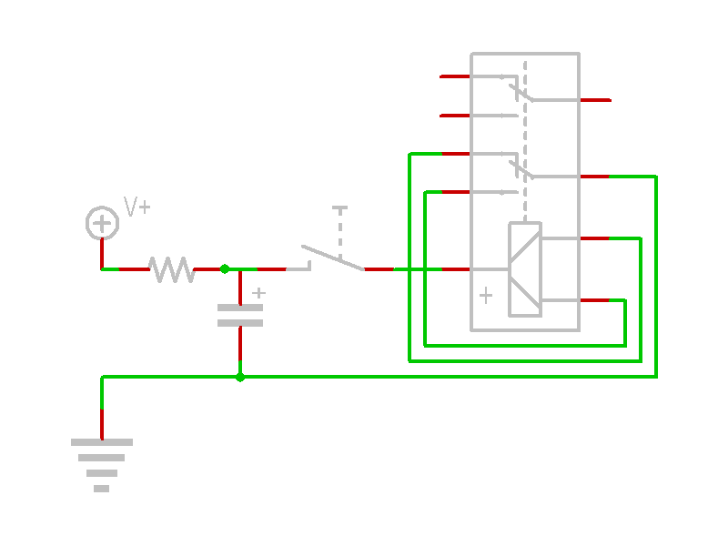
(#) efraim válasza Primary hozzászólására (») Dec 19, 2011 /
 
Valami ilyesmire gondolsz?

he2.png
    
(#) Primary hozzászólása Dec 19, 2011 /
 
A relének nem egyenfeszültség kell?
Következő: »»   7 / 42
Bejelentkezés

Belépés

Hirdetés
XDT.hu
Az oldalon sütiket használunk a helyes működéshez. Bővebb információt az adatvédelmi szabályzatban olvashatsz. Megértettem