Fórum témák
» Több friss téma |
b istabil reléknél nem szükséges egyenfeszültség, de a relé tekercse elé kötött diódákkal egyenirányítható, szűrni sem kell. Nem írtad, hog ymilyen teljesítményeket akarsz kapcsolni, így a fejem sem törtem a relé tipusán
Minimum 30 W maximum 60 Watt teljesítményű készülékről van szó.
Így esetleg tudnál pontos típusokat mondani a transzformátort, relét, diódát (ha kell). Úgy lenne jó, hogy nem kell NYÁK, anélkül én is megtudom csinálni. A kapcsolós ág 4-5 méter hosszú lenne. Üresjáratban mennyit fogyaszt egy a feltételeknek megfelelő transzformátor? És mennyit amikor behúzza a relét (már hogyha ez számottevően több)?
Tudna esetleg valaki segíteni?
Egy relét szeretnék üzemeltetni, ami egy 230 voltos áramkört kapcsol/szakít meg és egy 60W teljesítményű készülék van a kapcsolt áramkörben. A relét maximum 12V-ról szeretném kapcsolgatni. Milyen transzformátort használjak a reléhez? Bistabil relénél akkor nem kell egyenirányítás? Ha nem bistabil relét használok, akkor milyen diódát használjak?
Ezt a választ így nem használhatja egy kezdő.
Most bekapcsolja az áramkört, vagy megszakítja?
A nyugalmi állapot a lényeges, ennek megfelelően kell a relét megválasztani. Ha rövid időre akarsz valamit bekapcsolni, akkor záró érintkezővel rendelkező jelfogóra van szükség. Egy LEDes lámpasort akarsz bekapcsolni? Hálózati, vagy saját transzformátora van?
Pontosítsunk:
váltóáramú reléknél, mágneskapcsolóknál nem szükséges egyenfeszültség, a jelfogóknál igen. Lassabb jelfogóknál elképzelhető, hogy nem kell egyenfeszültség, de olyant manapság már nem nagyon gyártanak. A mai átlag jelfogók simán berreghetnek váltóáramú gerjesztésnél, szűretlen egyenáram esetén..
Bekapcsolja az áramkört. Van a LEDsornak a 230V-12V tápegysége, amit ki szeretnék kapcsolni egy relé segítségével. Többet lenne kikapcsolva, mint be.
Viszont az a kör, ami kapcsolja a relét kis feszültségűnek kell lennie. Az elgondolásom szerint, akkor kell egy transzformátor, ami egész nap áram alatt van. Amikor zárom a kapcsolót, akkor kell relének is bekapcsolnia a tápegységet. Ebben segítsetek kérlek! Most egy ATX tápegység van a LED tápegység és relé helyett, ott kitűnően meg lehetett oldani a PS_ON 0V-ra kötésével. Az ATX tápot szeretném leváltani egy LED-hez készített transzformátorral, úgy hogy megmaradjon a kapcsolóág.
Szia! Több lehetséges megoldás is van.
1: Szerintem is egy impulzusrelé lenne a legegyszerűbb megoldás. Ez egy egyszerű elektromechanikus szerkezet. Egy impulzusra bekapcsol ( a vezérlő feszültség nélkül is bekapcsolva marad ) a következőre kikapcsol. Csak a váltáskor fogyaszt kicsit. Valószínűleg többféle működtető feszültségű kapható. De ha csak 230V AC-st kapnál ( PL: Link ), akkor kell egy kis egyszerű kiegészítő relés kapcsolás. Kell egy kis 12V DC-s dugasztáp. ( Nem kell nagy teljesítményű! ) Ebben minden benne van ami az egyenfeszültség előállításához kell. Egyenirányító, pufferkondenzátor, STB... Kell egy 12V DC-s relé. PL: Link. A könnyebb szereléshez a sínre pattintható kivitel lenne neked jobb. ( PL: Ez a link. ) S kell még pár záró nyomógomb. A kapcsolás nagyon egyszerű! A nyomógombokat párhuzamosan kell kötni és az egyik ágát a 12V-os relé egyik tekercs kivezetéséhez a másik ágát a tápegységhez. A 12V-os relé másik tekercskivezetését a tápegység másik pontjára kell kötni. Ha bármelyik gombot megnyomod akkor a 12-os relé meghúz, de csak addig amíg a gombot nyomva tartod. Nem is kell ennél több az impulzusrelé vezérléséhez. A 12V-os relé záróérintkezőit csak sorba kell kacsolni az impulzusrelé tekercsével. ( Egy sima soros kapcsolás. ) Amikor a 12V-os relé meghúz akkor az impulzusrelé vált. 2: Relé öntartó kapcsolás. Tápegység itt is kell. Kicsit bonyolultabb de azért nem vészes. 3: PL: Infra adó-vevő. ( Az 230V nem játék! Kérj egy közeli szakitól segítséget! )
A válaszomban csak 230V hálózati feszültséget feltételeztem.
Ha van a LED sornak egyenáramú tápegysége, akkor más megoldás is szóba jöhet. PL:"Nyomógomb mint kapcsoló" téma.
Ez jó lenne, csak az a baj, hogy az ATX táphoz van kialakítva, tehát billenő kapcsolók vannak a PS_ON-hoz. Tehát folyamatosan zárva van, amíg zárva kell lennie a relének, viszont ha nyitom, akkor a relének is nyitnia kell.
Egy relének mekkora a fogyasztása (olyannak ami ez esetben kell)? Az lenne a legegyszerűbb, ha használok egy DC tápot, és egy relét. Van egy 4,9 Voltos 0,45 Amperes tápom, abból lehetne valamit kihozni? 5V-os tekercssel rendelkező reléhez elég? Ha igen, akkor egy ilyen relé megfelelő lenne? Link
Szerintem az egész túl van bonyolítva.
Ott a tápegység a LED-ekhez, 12V. Egy közönséges villanykapcsoló, ami a LED áramkört megszakítja (a tápegység 12V része) megfelel a célnak. Ha nagy távolságra kell vinni a kapcsolót, van értelme a jelfogó használatának. Finder F 36.11.9.012.0000 tökéletesen megfelel a célnak.
Sziasztok!
A feladat a következő: egy ablaktörlő motort kell vezérelni, de váltani kell a polaritását, mert eredetileg 90°-os elfordulás után indul el visszafele, nekem viszont már 30° után vissza kell fordítanom. Arra gondoltam, hogy 2 db bistabil (2 váltóérintkezős) relével megoldom úgy, hogy a végállásokba teszek egy-egy nyomógombot, ami váltja a reléket, és az egyikkel a normál motorbemenetének a polaritását kapcsolgatom, a másikkal a végálláskapcsolóra kötött fesz polaritását. Jobb lenne egy db relé, de nem találtam olyan 12V-os bistabil relét, ami legalább 2A-t tud kapcsolgatni, és 4 váltókapcsoló van benne. Normál relével is megoldható lenne, de ahhoz öntartóra kellene kötni, az meg 5 váltókapcsolót igényelne belül. A gondom a következő: a 2 bistabil relé mennyire vált vajon egyszerre? Mert ha ez egyik már átváltott, a másik meg még nem, akkor simán zárlatot okoznak a végálláskapcsolón keresztül. Csinált már valaki hasonlót? Kösz! Öreg
Ha nem relével, hanem "H" híddal (tranzisztorral, FET -el) oldod meg a kérdést, sokkal egyszerűbb, ha már vezérelni kell. Ráadásként még a fordulatszámot is tudod szabályozni. Nem kell bistabil relé.
Kösz, tudsz ehhez valami kapcsolást is javasolni? A motor 12V, max. 2A-t vesz fel.
Öreg
Bocsánat, hogy nem elektronikai megoldást javaslok, de az ablaktörlő mechanikusan fordul vissza. a motor mindig egy irányba forog. A motortengelyen lévő kar hossza határozza meg a visszafordulás szögét.
Igen, tudom, de azért kösz. Szét is szedtem, de a kart nem tudom annyira meghosszabbítani, vagy a bekötési pontot áthelyezni, hogy a kitérést harmadoljam.
Ezért döntöttem az elektronikus megoldás mellett. Közben találtam olyan relét, ami bistabil és 4 váltókapcsoló van benne, ezzel remélhetőleg megoldódik a probléma. Kösz! Öreg
Sziasztok !
Egy kazánházi vezérlő egyik kivezetésén állandó 200V AC feszültség van. Ez a nyugalmi állapot. Ha indítani kell a szivattyút a feszültség felmegy 230V AC-ra. Az lenne kérdésem milyen megoldással lehetne határozottan detektálni ezt a feszültség növekedést, úgy hogy egy relét tudjak működtetni. ( Az AC 230V -os relé meghúz 200V-on jelen esetben ) Köszönöm a segítségeteket Sanyi
Ha durva akarok lenni ,akkor 24V relé kell,és nem a nullához hanem a fázishoz.(sajna fordítva működik de talán működik.(ha néha 0V is megtalálható akkor felejtős.)
Egyéb esetben 24V relé sorba két szembefordított 200V zener. Bár a pont terhelhetősége igen kétséges számomra.Lehet nem volna szabad oda kötni semmit.
Válasz magamnak: sajna, a 2A-es relé nem bírta a visszafordulásnál fellépő áramokat. Vagy nagyobb terhelhetőségű relé kell, vagy olyan kapcsolás, ami kikapcsolja a feszt, vár 1 s-t, majd fordított polaritással bekapcsolja, megint vár 1 s-t, és megint fordított polaritással elindítja.
Erre esetleg van ötletetek? 10A-es bistabil relét találtam, de 2 db kell belőle, mivel csak 1 váltókapcsoló van benne... Kösz. Öreg
Ehhez mit szólsz?
Kétmorzés megfelelő terhelhetőségű reléket használ. A relétekerccsel soros érintkező a relé által meghatározott irányhoz tartozó végkapcsoló. Keresztretesz biztosítja, hogy egyszerre nem húzhatnak, a végállásnál kikapcsol az az irány, indul az időzítő, ami indítja a másik irányba. Ha köztes állásban lett kikapcsolva, akkor a gyorsabban töltődő kondi szabja meg, hogy merre indul, ez gondolom irreleváns.
Esetleg megoldhatod a késleltetést úgy, hogy a reléket nem közvetlenül, hanem egy tranzisztoron keresztül kapcsolod és a bázisukat egy párhuzamos elkóval késlelteted. Amíg fel nem töltődik a kondi, nincs nyitófesz.
Üdv Inhouse
Sziasztok.
Tudtok esetleg valaki ajánlani,omron g2r2-12V/10A relé helyett valami hasonlót ami méretben is megegyezik és elfogadható ára van,mert az előbb említett omron-nak borzalmas ára van minden hol(1300Ft-2000Ft) Köszönöm.
Lomex.hu 42-03-05
LEG12 70Ft+Áfa, én is használok ilyeneket. Ja, bocs, ez kissé más méret, egy-az-egybe nem jó helyette, én is átterveztem hozzá a panelt, és hamar megtérült a dolog.
üdv
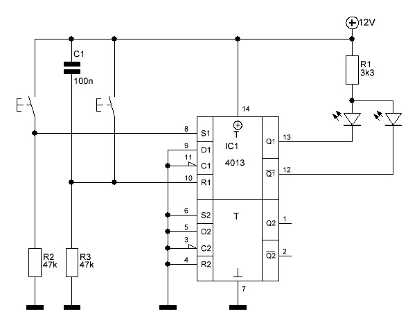
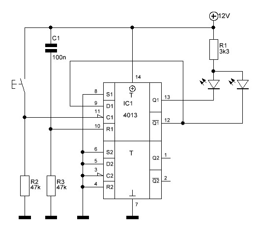
lenne egy kérdésem ha tudna valaki segíteni két ledet akarok kapcsolni nyomógombbal úgy hogy ha megnyomom akkor az egyik világítson ha megnyomom a másik gombot akkor elalszik a led és meggyullad a másik led gondolom kell hozzá egy relé de nem nagyon értek hozzá
LED-hez azért nem kellene relé...
Tranzisztorral nem akarsz barátkozni?
A megfogalmazás egy kissé pontatlannak tartom. Készítettem két kapcsolást, egy illetve kettő gombos variációra. Megfelel? A LED kisáramú legyen mert a CMOS IC-nek ebben a formában az a megfelelő. Nagyobb áramhoz kiegészítő tranzisztor is kellene.
Hello!
Relével szeretnék vezérelni három keringető szivattyút, szerintetek milyet érdemes venni simát vagy ssr-t? az egyiknek 2*230v-s nak kéne lennie. Esetleg tudnátok valami konkrét típust ami megfelel? A teljesítményük 90W. Előre is köszönöm a segítséget.
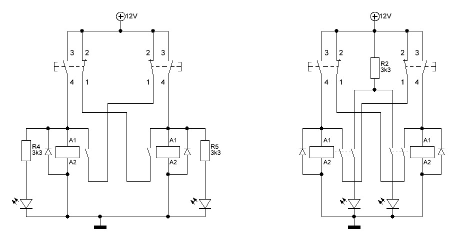
LED váltáshoz két relés variáció
Sziasztok. Azt szeretném eléri, hogy egy 12V-os relé, csak egyszer kapcsoljon be akkor is ha többször kap jelet! Erre tud valaki valamit? Előre is Köszönöm!
|
Bejelentkezés
Hirdetés |
















