Fórum témák
» Több friss téma |
Fórum » LED-es kivezérlésjelzők
Témaindító: KeserűCukor, idő: Márc 27, 2006
Témakörök:
A ledek meghajtást hogy oldottad meg? Multiplex-et használtál?
Ha nem titok, akkor sürgősen oszd meg ennek a ketyerének a építési paramétereit, mert nagyon érdekes megoldásokat tartalmaz!
Pár kép a panelekről. Nem Végleges Verzió, ezért bontott alkatrészekből van
és még a panel sincs körbevágva mielőtt belekötnétek
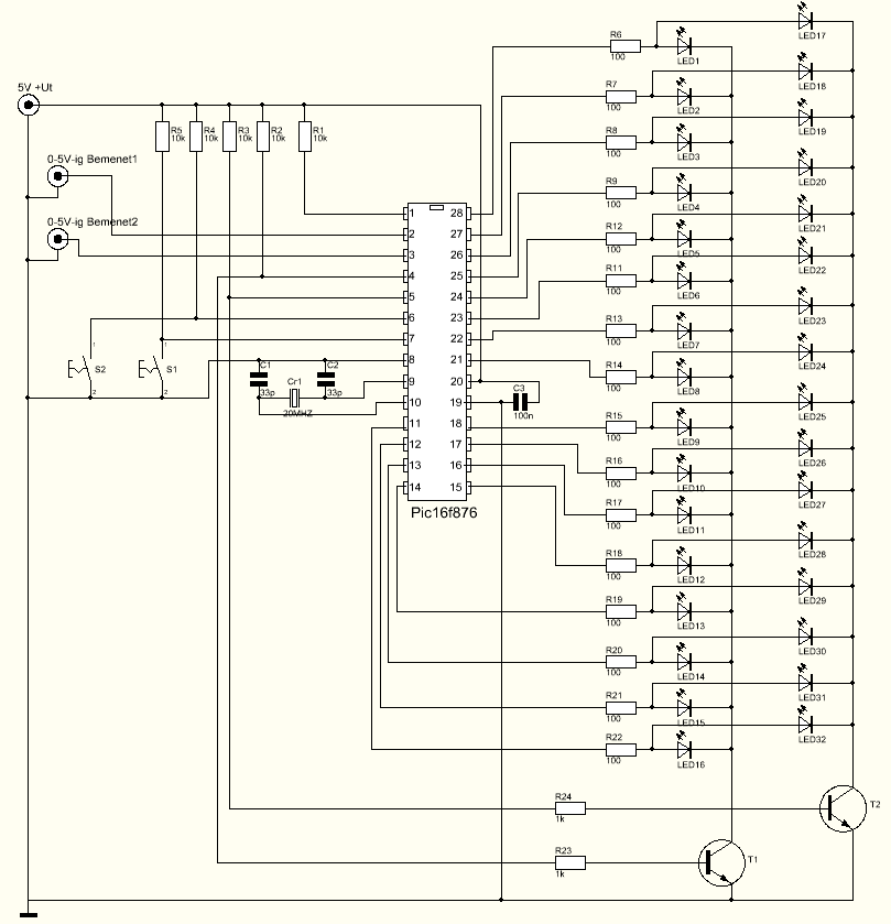
Kapcsolási rajz és hex a chipbe akinek kell..
Előerősítőt meg mindenki olyat csinál hozzá amilyet akar, a lényeg max 5 volt kimeneti feszültsége legyen!
Megoszthatnád a nyák terveket is ha lay-ban csináltad,
köszönet a többiek nevében is.
Ha kidolgoznád teljesen, akkor egy cikkre is érdemleges lenne a megoldásod. :yes:
Itt a panelrajz is. Mindenki szerkessze át olyan ledhez amilyennel akarja csinálni, mert ez 3mm-eshez van!
Igazából én ötletet szerettem volna kérni hogy mit lehetne még beleapplikálni csak egyből lecsaptak erre a félkész verzióra is.
Talán mert jó?
![]() A csúcsértéktartás kikapcsolható? A visszatérési idő állítható?
6 üzemmód van. 1- vonal kijelzés 2- vonal kijelzés csúcsértékkel, 3-vonal kijelzés csúcsértékkel és visszaléptetéssel 4,5,6 ugyanezek pont kijelzéssel. Állítható hogy logaritmus vagy lineáris legyen a kijelzés, állítható hogy mennyi ideig jelezze a csúcsértéket és azt is, hogy milyen gyors legyen a visszafutás.
Nehéz kitalálni, hogy mit lehetne még belerakni?
Áh! Talán ha mindenáron bonyolítjuk, akkor hogy inverz módban is működjön.
Az inverz móddal egy bajom van csak hogy ha például maximális a kivezérlés tehát nincs semmi a kijelzőn és az user elfelejti hogy milyen üzemmódban hagyta a kijelzőt és bekapcsolja az erősítőt érhetik meglepetések
Ezenkívül pont módban nem nagyon lehet látni hogy mit csinál főleg világosban mivel egyik led átvilágítja a másikat egy kicsit és így élvezhetetlen.
Csak egy ötlet volt a fejlesztés oltárán.
A hangerőszabályzót nézi mindenki szerintem, nem a VU métert. A futó-lyuk problémára meg ott a fényaknás kijelzősor. De ez már csak kukac, eleget tud ez így is. A csúcsegyenrángató az gondolom az előerősítőbe van , nem a PIC-be?
Beletettem 7. funkciónak az inverz módot is de azt csak vonal módban és csúcsérték nélkül. A pic csak a ledek meghajtását végzi a bemenetére jutó 0-5 V függvényében, jelenleg egy 1 tranyós (bc212) hajtja sávonként de ezzel is szépen dolgozik és elég neki a pic 5 voltja. De használattól függően ahol van 2x12 volt is ott természetesen lehet csinálni egy jobb műveleti erősítős előfokot, ezért írtam hogy mindenki olyan előfokkal hajtja amilyennel akarja, csak max 5 volt jöjjön ki belőle. Fényaknás kijelzőt meg szerintem nem sokan fognak hozzá használni. De köszönöm a felvetést!
Szia! A nyákrajzon feltudnád tüntetni az alkatrészek értékeit?Köszönöm. Gondolom vonalkimenetről hajtod.
Én ismételten kérnélek egy cikk megírására, mert ennek nem szabadna elkallódni a hozzászólások között. :yes:
Szia! Mellékelem az új panelrajzot amin a jelenlegi alkatrészek típusa is fel van tüntetve. Ez nem szentírás bármi helyett jó szinte akármilyen ami nagyságrendileg hasonló, értem ezalatt hogy a 22µF-os kondik helyett jó 10µF is és 100µF is mert a bal oldali potikkal lehet a sebességét korrigálni˙(kisütő ellenállásként működik) Potik helyett is jó bármilyen 10k-100k, kapcsoló tranyó helyett én fetet használtam mert alapból nem ennek indult az áramkör csak ez sikeredett belőle
és ha már meg lett véve itt elhasználtam.. Az ellenállások értékei se kritikusak.Jelenleg a számítógép line outjáról megy kb fél hangerőnél van a max kivezérlés maximális bemeneti poti állás mellett ami kb 200 mV.
Összeszedem magam és véglegesítem, de mivel csak amatőr szinten foglalkozok elektronikával ezért lehet hogy nem minden úgy van ahogy leírtam, és ha ilyet láttok kérlek javítsatok ki! A panellel játszottam jelenleg és tettem rá felfogatási lehetőséget és távtartó helyeket a könnyebb szerelhetőség miatt, és még a mérete is keskenyebb lett kb 1 centivel.
Hello!
"Állítható hogy logaritmus vagy lineáris legyen a kijelzés" Őszintén szólva, ez egy nagyon jó szoftveres megoldás, de ahhoz nem méltó analóg kapcsolással rendelkezik. Ez a BC212 tranyóból álló egyenirányítást, én inkább "kapcsolónak" nevezném, mint demodulátornak. Lehet, hogy sokaknak így sokkal szimpatikusabb a kijelzés, mert dinamikusabbnak látszik, de ettől szerintem nem kivezérlésjelző lesz, hanem fényeffekt. És igazából értelmét veszti a beidézett rész.. Ha egy PC generátorról adsz rá jelet akkor szerintem megláthatod amiről beszélek. Mert pld. ha 800mV csúcsértéknél jelez az utolsó led, akkor 0..400mV-ig holt sáv van. Vagy is a kijelzés mindössze kb. 0..-6dB tartományú. És követi a tranyó bázis-emitter nyiróirányú karakterisztikáját, ami másod vagy harmadfokú. De lineárisnak semmi esetre sem mondható.. üdv! proli007
Igen, de ha végigolvastad én le is írtam hogy kell hozzá másik előfok, ez a bc212-es megoldás csak a teszt kedvéért lett odarakva és azok kedvéért akiknek csak a lárvány a lényeg. Mellékelek egy táblázatot ami a ledek kapcsolási feszeit ábrázolja a program alapján.
Hello!
Félre ne értsd, nem leszólásként vagy kritikaként írtam, Csak sajnálattal vettem tudomásul, hogy az egyébként szimpatikus processzoros megoldás tudását (amiben sok munka lehetett) lerontja egy egyszerű áramkör. üdv! proli007
Szeretem a kritikákat mert abból tudok tanulni, mellesleg pont a te kivezérlésjelződ előfokát nézegetem a teljes verzióhoz, remélem nem baj? Annak 5 voltos kimenete van így ideális ennek a meghajtására is. Szerinted az már elég jó lesz hozzá?
Hello!
Miért lenne baj. Egy hibája van a dolognak, hogy 5V kimeneti feszültséghez, magasabb tápfeszültség kell. Mert az LM324/358 5V-ról csak kb. 3,6V-ig tud felmenni. De ha van a PIC előtt stabilizátor, akkor annak bemeneti feszültsége nyugodtan használható hozzá. Bár egyetlen hiba akkor is van, hogy a kimeneti feszültség, nagyobb lehet, mint 5V. Tehát egy ellenálláson kell a PIC-re kötni, meg egy védődióda PIC bemenetéről annak tápja felé. üdv! proli007
Hello!
Tápfesz a véglegesnél nem lesz gond sőt a védő ellenállás és a dióda sem. De lenne még egy kérdésem ha lehet. Mivel a picnek elég nagy a belső ellenállása így szerinted a meghajtó áramkör (U1d és U1c) elhagyható e, vagy nem ajánlod?
Hello!
Természetesen elhagyható. Az alapvetően a műszerek meghajtását szolgálják. üdv! proli007
Hello!
Köszönöm a választ akkor jól gondoltam! Ezek alapján elkészült az új panel terv 12Voltra rendes csúcsegyenirányítással. Remélem hiba mentes, mert még nem teszteltem. |
Bejelentkezés
Hirdetés |




és még a panel sincs körbevágva mielőtt belekötnétek 











