Fórum témák

» Több friss téma
Fórum » Erősítő mindig és mindig
Mielőtt kérdezel, a következő két dolgot ellenőrizd! I. A helyes tápfeszültségek megléte. II. A kimeneten van-e egyenfeszültség. Élesztés.
Lapozás: OK   858 / 2567
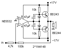
(#) reloop válasza daneg86 hozzászólására (») Júl 13, 2011 /
 
Segítek.

Bekötés.gif
    
(#) steelbird válasza Mayan hozzászólására (») Júl 13, 2011 /
 
Szerintem azért küldte el az előtte lévő opamp -ot a kapcsolásod, mert nincs GND -re megfogva a bemenete. Ha beteszel egy pár kOhm -os ellenállást a bemenet, meg a GND közé, akkor nem valószínű, hogy elküldi majd az előfokodat. Az feltölti az elkókat, és nem lesz egyenpotenciál a bemeneten.

Lenne egy kérdésem:
Miért választottál ekkora tápfeszt a buffernek?
Azért kérdezem, mert ennek nincs erősítése, sőt, inkább egy kicsit levesz a jelből, vagyis, amekkora feszültséget adsz rá, kb. annyi lesz a kimeneten.
Ennek a nagy tápfesznek akkor van értelme, ha az előző fokozatban az opamp szintén ekkora tápfesszel üzemel.
Egy átlagos opamp ic tápja max. +/-18V körül van.
Abból nem kapsz, csak kb 15Vp-p jelet a kimenetükön, vagyis a buffernek nem érdemes annál a +/-18V -nál nagyobb tápfeszt adni.
(#) steelbird válasza reloop hozzászólására (») Júl 13, 2011 /
 
Szerintem kellene emitterellenállás a tranzisztorokhoz.
(#) manson1989 válasza daneg86 hozzászólására (») Júl 13, 2011 /
 
Nekem elsőre ment, de szerintem ha az IC tápágaiba raksz sorosan egy 7,5V-os zener-t akkor elmegy +-25V-ról, de javítsatok ki ha nem.
(#) steelbird válasza manson1989 hozzászólására (») Júl 13, 2011 /
 
Ha a Texas kapcsolásra írtad, akkor az ic tápjával soros zénereket úgy kell megválasztani, hogy az ic -n +/-15V legyen a tápfeszültség.
Uzéner = Utáp - 15V
(#) Szilágyi Miklós válasza andrÁSZ hozzászólására (») Júl 13, 2011 /
 
Szia, csak egy sima 900W-os hiperszil trafó 40 000uf dal szűrve és egy tárcsás kapcsoló így tud +-6V,15V,30V,40V,50V,60V,70V. 2x10A-ert erősítők élesztéséhez és javításához építettem.
(#) reloop válasza steelbird hozzászólására (») Júl 13, 2011 /
 
Ez a kapcsolás vált be nálam.
Szoros dióda-tranzisztor hőkontaktus mellett talán elmenne emitterellenállás nélkül is (?).
(#) pucuka válasza reloop hozzászólására (») Júl 13, 2011 /
 
A kettő együtt. Hőmérséklet növekedésével növekszik a kollektor áram, azzal pedig a réteghőmérséklet, amihez elég nehéz hozzáférni. Ezért kell az emitter ellenállás (is)
(#) steelbird válasza reloop hozzászólására (») Júl 13, 2011 /
 
Az emitterellenállás az egyenáramú stabilitás miatt kell. Negatív visszacsatolást okoz, ami növekvő áram esetén csökkenti a tranzisztor B-E nyitófeszültségét, és kevésbé lesz hajlamos hőmegfutásra a végfok. Én nem hagynám ki. Ha sorba teszed a bázissal a diódát, akkor melegedésre nőni fog a nyitófeszültség a tranzisztor E-B átmenetén, mert a diódák nyitófeszültsége melegedésre csökken. Ez pedig növeli az áramot, az meg még nagyobb melegedéssel jár, stb...
Ez így jó, mert így a csökkenő dióda nyitófeszültség miatt lecsökken a tranzisztor nyitófeszültsége melegedéskor, nekünk meg az a jó.
Viszont az a 4,7 Ohm talán sok egy kicsit. Folyik egyáltalán nyugalmi áram a tranzisztorokon?
20-30 mA -nek azért meg kell lenni szerintem.
(#) reloop válasza pucuka hozzászólására (») Júl 13, 2011 /
 
A kapcsolás érdekessége, hogy a terhelés növekedésével a 100µF kondenzátorok kezdenek kisülni, ez segít egy kicsit az egyensúlyi állapot megőrzésében. Természetesen "a kettő együtt" a megoldás.
(#) pucuka válasza reloop hozzászólására (») Júl 13, 2011 /
 
Azért célszerű biztosra menni, persze ára van a védelemnek, a stabilitásnak is. De ha egy meleg nyári napon hallgatod és pukk, bosszantó.
(#) manson1989 válasza steelbird hozzászólására (») Júl 13, 2011 /
 
Nem arra, hanem amit daneg86 linkelt kapcsolást, hogy hogyan lehetne azt a kapcsolást +-25V-ról működtetni és szerintem így alkalmas lenne.
(#) Mayan válasza steelbird hozzászólására (») Júl 14, 2011 /
 
Ezeket tudom, csak kiváncsi voltam hogy hoz-e további javulást a tápfesz növelése. Igazából nem hozott. Viszont tervben van egy olyan meghajtó fokozat készítése ami tud ilyen szintű kimenetet, kellő árammal a buffer kihajtásához. A lényeg hogy két külön készülék a feszültség és az áramerősítő, a kettő közt pedig nincs visszacsatolás. Ez a Mayan-technika
(#) ThomAce hozzászólása Júl 14, 2011 / 1
 
Sziasztok!
Látom megy a kísérletezgetés. Ezt én is imádom. A végfokom jelen állapota:

Nálam ez a kapcsolás vált be.
(#) Mayan válasza CHZ hozzászólására (») Júl 14, 2011 /
 
Kipróbáltam, teljesen elég 3,3µF is. (ez volt kéznél) 1µF-nál már határozottan kevesebb volt a mély. És jobb lett a hang ! Kicsit feltisztult és levegősebb lett. Veszek új fóliakondikat és kicserélem mindkét példányban. Ez nagy előrelépés!
(#) pesta3 hozzászólása Júl 14, 2011 /
 
Remélem sokan örülnek majd a topicnak.
Hol is kezdjem....
Vettem vaterán egy hibás erősítőt, de az előző tulaj nem tudja , mi hibásodott meg benne...etc.
Szóval ÉN szeretném megtalálni a hiba okozóját.
Van multim, kapcsolási rajz, józan paraszti ész, némi szakértelem....
Méréssel kapcsolatos szakirodalmat , és építő jellegű hozzászólásokat várok a tapasztalattal rendelkezőktől.
(#) CHZ válasza Mayan hozzászólására (») Júl 14, 2011 /
 
Maradj a 4,7u értéknél, fázisátvitel miatt is és ne elkot használj.
(#) Zsoltipapa hozzászólása Júl 14, 2011 /
 
Sziasztok: Kérem a segitségeteket,szükségem lenne ONKYO.8250 kapcsolási rajzára.Ha tud valaki kérem segitsen ,Köszönöm elöre:
(#) koncsik03 válasza Zsoltipapa hozzászólására (») Júl 14, 2011 /
 
Szerintem ezt ide kéne írni.
(#) saraha hozzászólása Júl 14, 2011 /
 
Üdv.
Ismeritek ezt a rajzot? Van valakinek tapasztalata vele?Állítólag Otala terv ez is.
(#) drhati hozzászólása Júl 14, 2011 /
 
Sziasztok! Van egy Ágota DS 1200 végfokom. A következő vele a probléma:
Bekapcsoláskor az egyik oldalon letilt a védelem, ez idáig nem is kéne, hogy meglepő legyen.
Azonban ha nagyon felhangosítom, és a bemenetére is teszek jelet, akkor bekapcsol a hibásnak gondolt oldal is, és innentől kezdve akár teljesen le is halkíthatom, a védelem mégsem kapcsol ki, minden tökéletesen működik.
Volt már olyan eset is, hogy hiába hangosítottam fel csak többszöri bekapcsolásra volt hajlandó működni. Ilyenkor azt is tapasztaltam, hogy bekapcsoláskor egy pillanatra bekapcsolt a relé, és hallani lehetett a zenét, de kb fél másodperc múlva ki is kapcsolt. Ez a bekapcsolások során mindig így történt, mígnem egyszer csak minden rendben lett vele.
Mi lehet a probléma? Van ötletetek, vagy inkább küldjem fel Ágotáéknak?
(#) szac64 válasza drhati hozzászólására (») Júl 14, 2011 /
 
Szia, kapcsolási rajz nélkül találgatni lehetne csak, ha nem akarod jobban elrontani, küld el a gyártónak.
Üdv.
(#) drhati válasza szac64 hozzászólására (») Júl 14, 2011 /
 
Kapcsolási rajz az éppen akad. Egyébként a találgatás is jöhet nyugodtan, főleg az olyan amit könnyen tudok ellenőrizni.
(#) szac64 válasza drhati hozzászólására (») Júl 14, 2011 /
 
Próbálj meg méri a kimeneten egyenfeszültséget nagyobb hangerőnél, egy érzékenyebb védelem már kis mértékű egyenfeszültségre is aktiválódhat.
(#) radocroli hozzászólása Júl 14, 2011 /
 
Egy egyszerű kérdésem lenne. Jvc erősítőről lenne szó. 4-16 ohmos hangszórókat köthetek rá. Az érdekelne hogy az nem probléma hogy 1 db 4 ohmos és 1 db 8 ohmost kötök rá? Úgy értem nem egyforma impedenciájú hangszorókkal oldom meg, az probléma, mert ugye a 4 ohmra 80 W ,a 8 Ohmra meg 60 W ad le a cucc, esetleg csak annyi lesz a gond hogy halkabb lesz a 8 ohmos hangfal, mint a 4?
(#) elektrorudi válasza radocroli hozzászólására (») Júl 14, 2011 /
 
Két válasz lehetséges:
1. Nem válaszolható meg a kérdés, mert nem ismerjük a hangfalak érzékenységét (hány dB / Watt ?)
2. Ha van az erősítőn Balansz szabályzó, akkor minden további nélkül be tudod állítani.
(#) radocroli válasza elektrorudi hozzászólására (») Júl 14, 2011 /
 
Az alapvető kérdés az volt hogy nem okoz e gondot az erősítőnek a különböző impedencia érték, ez megválaszolható.
(#) emersys válasza radocroli hozzászólására (») Júl 15, 2011 /
 
Hali!
Ha a tűrésen belül maradsz akkor nem okozhat elviekben!
Az ,hogy egyik oldalt így a másik oldalt úgy terheled az szíved joga .
Általában ezekben az integrált végfokoban olyan ic -s védelem van ami a túlvezérlést figyeli, és egy adott hangerő (terhelés határ) felett leold.
Elektrorudi egy fontos fogalmat említett neked a Db-t (érzékenység)
ez azért is fontos mert ha a 8Ohm-s é magasabb akkor koránt sem biztos, hogy a 4Ohm-s oldal hangosabb lesz.
(#) radocroli válasza emersys hozzászólására (») Júl 15, 2011 /
 
Igen az magasabb 90 db a 4 ohmos meg 87 db,erre én is gondoltam hogy így kb jó lesz ha nem akkor marad ugye a balansz. Csak az erósítő miatt aggódtam .... http://elektronika.teszvesz.hu/erosito_receiver/jvc_ax_311_szep_han...8.html
(#) elektrorudi válasza radocroli hozzászólására (») Júl 15, 2011 /
 
Ötödször olvasom végig azt a négy sort, amit írtál. De nem találok benne utalást arra, hogy az erősítőd épsége miatt aggódsz.
Olvasok valamit Watt-okról, meg Ohm-okról, de... nem áll össze a kép. :no:
Következő: »»   858 / 2567
Bejelentkezés

Belépés

Hirdetés
XDT.hu
Az oldalon sütiket használunk a helyes működéshez. Bővebb információt az adatvédelmi szabályzatban olvashatsz. Megértettem