Fórum témák
» Több friss téma |
És akkor 5x27db ledet hogyan kell mátrixban bekötni? Ezt bocs de nem vágom.
Mármint úgy hogy pl. ehhez az elektronkához hozzá tudjam csatlakoztatni: http://www.sureelectronics.net/goods.php?id=972
Ha ezt megrendelném:
http://www.sureelectronics.net/goods.php?id=972 hogyan lehetne megépíteni hozzá az 5x27 és 2x45 ledes mátrixot? Vagy kelle még ehhez vennem valamit? Led az van bőven.
A SureElectronic-os LED mátrixok 8x8 egyszínű és kétszínű LED-es modulokat hajtanak meg 1x4, 2x3 és 2x4 sor-oszlop modul szervezésben és ezekból 2, 4, 8 sorba köthető az ugyanitt megvehető vezérlővel meghajtva. Egyéni vezérléssel akármilyen szervezésben meghajthatod. Tehát ha neked pl 5x27 képpont kell, azt az 1x4-es modul a 8x32 képpontjával meg tudja jeleníteni.
A vezérlő a LED meghajtókat (HT1632 vagy HT1632C), programozza sorosan 16 szintű PWM-el. Tehát vagy ilyet építesz és használhatod hozzá átalakítás nélkül a vezérlőt vagy átírod a vezérlő PIC programját a Te multiplex meghajtódhoz.
Nos találtam 1 videót:
http://www.youtube.com/user/DrJoMaVa#p/u/0/wG-Vw70wVRE Próba képpen írtam (haver perfekt) ennek a srácnak hogy tudna-e ebben segíteni, tervekkel, stb. Megosztom veletek, ezt küldte vissza. http://barrettandcarly.com/blog/elec/ Ebből annyit vettem ki, hogy megvannak a nyárajzok gerberben, gondolom a beültetési is benne van. Azon kivül, ti hozzáértők, szerintetek minden benne van a megépítéshez? Vagy hiányos. ?
Hello!
Én is szeretnék építeni egy színkeverős kisgépet. Van is már 6 db rgb ledem. Úgy szeretném csinálni, hogy sorbakötök 3-3 ledet s persze egy ellenállást is hozzájuk rakok s szintén egy logaritmikus potmétert kötök sorba velük (azaz 2 párhuzamos rész van s azokon belül 3 van sorbakötve). Ez roppant egyszerű megoldásnak tűnik, mi lehet ezzel a probléma? Előre is köszi
Sziasztok!
A segítségetek kérném RGB ledes vezérlő dologban. A legtöbb RGB vezérlő közös anódos bekötésű, ritkán de találkozni közös katódossal is. Sajnos az én ledes áramköröm közös katódos, de az RGB led vezérlőm közös anódos. Lehet kapni polaritásváltót, de csak közös katódosból csinál közös anódosat Nem tudnátok nekem olyan polaritásváltó kapcsolást csinálni, ami egyszerű, de ellenkező polaritást adna.Jelen esetben a közös anódos kapcsolásnál a + van közösítve, azaz a ledek akkor világítanak a max fényerővel, ha a katódjuk a - felé közelít, vagy meg is egyezik vele. Én a minuszra kötném a közös katódos kapcsolásom, de alatesetben a kimenet is a föld felé közelít max fényerőnél, azaz pont ellenkezőleg működne Ha a gyári vezérlőnél pl. 5V feszültségkülönbség van a + (közös anód), és a minusz között, akkor az én közös katódos kapcsolásomnál is 5V feszültségkülönbségnek kell lennie a - (közös katód), és a plussz között. A ledek amiket meghajtanék, színenként kb. 200-300mA-ert vesznek fel.Küldök egy képet a vezérlőről. Előre is köszönöm szépen a segítségetek!
Gondolom a szazalekertekek csak mind pelda szerepelnek, a szinkevereshez meg kell nezni a 'kolorimetria"-t ,a harom alapszin keveresi aranya a feherhez nem 100% mindegyik hanem van egy mas arany.Mar nem elmekszem pontossan de lettem egy linket a "topic" elejen a "kolorimetriahoz" , szines TV
eseteben is targyalva van a szinarany . A LED -ek maximalis fenyereje az adott szin eseteben nem eggyezik a masik szin fenyerejevel,a szin telitetseg ugyancsak nem eggyezik . Tehat a szazalekeok teljessen mashogy fognak valtozni meg ha a kolorimetriai aranyokat be is tartjuk . Probabol eszkabaltam en is mindenfelet ..piros LED-bol kettot kelett kossek ei igy is keves volt a kek es zold-hoz kepest. Van ilyen kerti diszlampam..uvegszalak hegyen jelenik meg mintegy felhokent a feny ..haromszinu LED van ami megvilagitja ezek automatikussan talalomszeruen vannak vezerelve , oszetettem harom ilyen "felhot" fantasztikus szinek arnyalatok keletkeznek ,hol szinkronban hol teljessen fuggetlenul a harom LED -bol a gharom uvegszal nyalabon..
Szia!
A vezérlőt az anro-tól vetted, vagy csak a kép van onnan? Én RGB szalagot vettem tőlük, a vezérlőt magam építem. Szerintem olcsóbban kijön készen megvenni a szalagot, mint házilag megépíteni, esztétikusabb is. Persze, ha csak az a cél, hogy néhány pontban világítson egy LED, és 50-70Ft-ért meg lehet venni a kívánt RGB LED-et, akkor oké... A polaritásváltást meg lehet oldani kívülről is elvileg, viszont akkor egy külső teljesítményfokozatot kell majd csatolnod a rendszerhez.
Szia!
A vezérlőt még nem vettem meg, de nekem csak vezérlőre van szükségem, mert a ledeket már megcsináltam. Pár ledből áll az egész, csak én közös katódosan kötöttem őket, és nem kivitelezhető az átkötés Igazából nekem egy polaritásfordító áramkörre van szükségem, ami ugyanannyival fordítja meg a feszt amennyi a közös anódoson mérhető a táp és a szín kimenet között, és ez a feszültségkülönbség legyen a test és ez a kapcsolás kimenetén.Az RGB led amit használok, ha ugyanolyan előtétellenállást használok hozzájuk, akkor ha mind világít szép fehér színt ad, nincs színeltérés. 7 alapszínt ki tudok keverni a 3 led kombinációival, hogy melyiket kapcsolom be, és szépen keveri a színeket. Bonyolult egy ilyen polaritásfordító kapcsolás? Közös katódosból anódosba van gyári polaritásfordító, csak visszafele nincs kb egy 4x3cm-es dobozba van az egész, akkor nem lehet az ellenkezője sem annyira bonyolult.Előre is köszönöm a segítségetek.
A feszültség megfordítására '' Fázisfordító erősítő ''-t lehetne alkalmazni. A kimeneti áramot emitterkövetővel vagy '' Feszültségvezérelt áramgenerátor '' kellene. ( Szerintem. )
Én erre a kapcsolásra gondoltam. De ez csupán csak szimuláció még.
Szia!
Sajnos ez azért nem jó, mert bonyolult, ebből kellene 3db a 3 színre, a gyári vezérlőbe, ha közös anódos helyett közös katódosat adnak ki, ott max 1-2 tranyóval van több. Nekem egy egyszerű pár tranyós kapcsolás kellene.
Szia! Ezzel a kapcsolással csak annyi a gond, hogy az RGB-LED-ek legtöbbje 4 kivezetéses, közös katóddal vagy anóddal. Ezért ezeket a LED-eket nem lehet egyszerűen sorba kapcsolni. Elméletileg párhuzamosan lehetne őket, _de_a_független_árambeállító_ellenállás_alkalmazása_jobb_ mint az egy nagy ellenállás.
A párhuzamos kapcsolás miatt az eredő áram megnő, ezért vagy teljesítmény potenciométerrel vagy más félvezető kapcsolással kell megoldani a LED-ek áramának szabályozását. PL:Feszültségszabályzó - LM317-el. Áramgenerátor LM317-el. PWM - 555-el.
Szia! Elvileg megoldható csak ( PNP ) tranzisztorral is. De akkor vagy pontos számítások kellemek vagy ki kell kísérletezni az alkatrészek értékét. ... Ha a LED-vezérlő kimenete PWM jelet ad, akkor nem kell az analóg jelleggörbe - nyitófeszültség kiszámításával foglalkozni, mivel a fordító tranzisztor kapcsoló üzemben dolgozik.
Szerintem az OPA-s kapcsolás paraméterei jobban kézben tarthatók. S OPA-ként az LM324 is megfelelne ami elég univerzális és négy áramköri elemet tartalmaz egy tokban. Ez több mint elég. A kettős tápfeszültség a kimeneti feszültségek (0V) könnyebb beállítását teszik lehetővé. Megfelelő OPA-val a kettős tápfeszültség el is hagyható. Vagy. Nagy áramú erősítővel a kimeneti teljesítmény tranzisztort lehet "megspórolni". Ekkor csak a tápfeszültségek, a 0-pontot beállító potenciométerek és az a pár ellenállás kell a - bemeneten. Ez még így sem sok...
Az" L" betűvel kezdődő áruház szórólapján láttam üvegszálas lámpát, ha ez segít.
Sziasztok!
Olvasgattam a ezt a témakört, és úgy gondolom lesz akinek ez a KIT segítséget vagy éppen megoldást nyújthat a színkeverés problémára. Üdv
Hello!
Nekem nem RGB hanem fehér és UV színkeverésre lenne szükségem (rovar csapdához). Építettem egy lámpát 124 ledből fele fehér fele uv. Ez így 12-14,5 voltról megy. Abba kérném a segítségeteket hogy hogyan lehetne a két fényt keverni (mind a kettőnek külön tudjam változtatni a fényerejét )
Ugyan így csak 2 csatornát építesz meg / használsz
Sziasztok Én egy rgb-s led mátrixot szeretnék építeni és láttam már itt a fórumon hogy olyan van hogy potival állítom be a színt meg a sebességgel.
De nekem olyan kéne hogy a gépen a kis programmal adjam meg hogy milyen színbe fusson végig az adott szöveg vagy ábra. Ilyen lehetséges e ? Ha igen akkor hogyan építsem meg az áramkört ? A gépi program megírása nem gond de a pic programjával gondok adod hatnak. Arra gondoltam, hogy a picben lenne 3 változó és azt a 3 változót a gép adja meg neki és a szöveget is amit végig futason. Ki tudna segíteni ebben ?
Szia!
Legalább három téma van a _LED_MÁTRIX_-xal kapcsolatban. Az egyikben biztosan találsz megoldást a problémádra s a kérdésedre is hamarabb kapsz ott válasz. ( PL: LED mátrixos kijelző. ) Üdv.
_EZ_a_link_ szerintem jól szemlélteti a PWM-es, RGB LED vezérlésének alapelvét. Más kérdés hogy mennyire lehet a RGB-s LED mátrixos kijelzőnél alkalmazni a kapcsolás hardver és szoftver elemeit.
Igaz nem egészen a te problémádra ad megoldást. De érdemes átolvasni kapcsolások _RGB_LED-es_ témáit. S talán a cikkek szerzői is tudnak segíteni az építési tapasztalataikkal.
Sziasztok! R G B-ledhez szeretnék vezérlést csinálni ami váltogatja a színeket és tudom fényerő szabályozni őket,kocsi aksiról menne. Mi kellene hozzá valaki tud benne segíteni? Vagy létezik olyan kapcsoló amivel vagy 8-különböző helyre lehet kapcsolni? Előre is köszönöm!
Igen, vannak forgokapcsolok. Itt elvileg csak rateszed a harom megfelelo ellenallast az adott polusra es osszekotod a ledek labaival. De ez elegge kusza lenne es elegge gyalogos megoldas. Harom szep potmeter mar jobb volna. Az igazi jo megoldas a mikroporci, PWM vezerlessel. De persze ez a legbonyolultabb (neked).
Egy pic-es vezerlessel az anyagkoltseg kb 2e, a program a kerdeses. Talan a neten talalsz keszen ilyen kapcsolasokat.
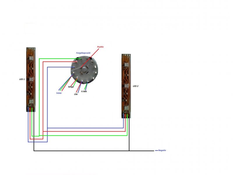
Szia igazad volt nekem tényleg bonyolult. Vettem 2db Forgókapcsolót aminek egyenként 11 kivezetése van,de 3-omnál több színt nem tudok csinálni vele,mert a 4-edik érintkező bekötése után a színek folyamatosan összeérnek. Nem tudom lehet-e még ezzel kezdeni valamit vagy nem érdemes vele bajlódni. Amit szeretnék vele vezérelni az 2 különböző helyen lévő RGB szalag amit külön külön akarok kapcsolni ezért vettem 2-kapcsoló. 12v-ról menne és legalább 6 színt szeretnék keverni belőle. Vagy ez csak pic-el vagy mikroproci-val lehetséges?
Elnezesedet kell kernem, felrevezettelek. Megtevesztett, hogy a led maga is dioda.
Szova a forgokapcsolo polusa utan haromfele agazik a vezetek, harom kulonbozo ellenallashoz, ezek utan kell meg kotni egy-egy diodat is. Vagyis ahany ellenallas,annyi dioda sorba vele. A legolcsobb is megfelel, csak birja a LED aramat.
Szia! esetleg valami rajzszerű dolgot tudnál róla készíteni? Milyen nagyságúak legyenek az ellenállások és diódák?
Itt a rajz, a tobbi polus ertelemszeruen ugyanigy, a ledek belepesi pontjara kozosul.
Diodanak egyszeru 4001-es eleg, nem kell gyors sem. Az ellenallas a feszultsegtol fugg. Autoban azert 14.4-el illik szamolni, hogy birja a generatort is. 1K koruli ertekek (mondjuk 800-1200 Ohm), de ez ugye a szintol es a nyitofesztol is fugg, a pirosra sokat kell tenni, a kekre kevesebbet. Elotte aramot erdemes merni, hogy ne haladja meg a 20mA-t egyik sem. Ugy volna klassz szerintem, ha vennel harom 2.2K-s olcso potmetert, azokat tenned be, kikeverned a szint, utana lemerned oket egyenkent es betenned a kivant ellenallasokat. Itt nagyon kell vigyaznod, nehogy teljesen letekerd a potot, mert akkor elsul a led. Inkabb koss vele sorba meg egy fix 510 Ohmot szinenkent, aztan ennyivel tobbet tegyel majd be a vegen.
Szia! Erről lenne szó pontosan. Nem kell fényerő szabályozni simán is jó! Nem különálló R G B ről lenne szó hanem R G B szalagról. Az első 3-om kapcsolásig jók a színek a 4-től az összes fehéren világít minden állásban mert itt folyamatosan összeérnek a színek. Erre kéne nekem valami megoldás hogy a többi színt is tudjam kapcsolni. 3-om állású kapcsolókkal meg tudnám oldani a dolgot de az elég gagyi megoldás lenne.
|
Bejelentkezés
Hirdetés |




Nem tudnátok nekem olyan polaritásváltó kapcsolást csinálni, ami egyszerű, de ellenkező polaritást adna.

) 






