Fórum témák

» Több friss téma
Fórum » CNC vezérlő elektronika és progi
Lapozás: OK   46 / 115
(#) kulzol60 válasza nemgyuri hozzászólására (») Júl 8, 2011 /
 
De az is lehet hogy én értelmezem rosszul de akkor ez a rendszer nem step/dir modu .
(#) termosztat válasza kulzol60 hozzászólására (») Júl 9, 2011 /
 
Jó reggelt mindenkinek!

Ezt a kártyát Mach3-hoz lehet használni.
Ami miatt nekem kellene ez a kis eszköz az a 16 digitális bemenet.
Ki tudnám vezetni a Mach3 nekem szükséges funkcióit nyomógombokra.
A Mach3-ban található Brain editorral különböző logikákat lehet hozzárendelni egyes nyomógombokhoz.
Nekem kicsit hasonlít a plc-hez,csak persze sokkal egyszerűbb kivitelben.
Hasonló eszköz található Hobbycnc.hu-n Magi István előadásában,MBIO Periféria vezérlő címen.
Itt lehet olvasni bővebben a Brain logikákról és a programozásról.
(#) nemgyuri válasza kulzol60 hozzászólására (») Júl 11, 2011 /
 
Szia!
Én is pont erre gondoltam - nem step/dir - relével kiválasztott irány, analóg bemenet. Pl. tririsztoros főhajtáshoz.
(#) kulzol60 válasza termosztat hozzászólására (») Júl 11, 2011 /
 
Szia

Értem .
Ezeket a funkciokat a Mach3 soros porton tugyja kezelni és csak az oem kodokat kel a PIC-be égetni és minen funkciot tudsz használni tasztrol .

A Mach3 LPT porton tökéletesen kezeli a maromotort ( leállitja , elinditja , szabályozza a fordulatát ( marás közben is ) és ami nagyon fontos védelemmel látja el a motort a véletlenszerü elindulástol ( charge pump ) .Az LPT porton 12 kimenetet és 5 bemenetet tudsz kezeli , ez nagyon sokszor böven elég de ha mégis kevés ott az LPT 2 is .

A Mach3 nagyon sokat tud de vannak hiányosságai ( USB port kezelés , auto tool change stb ) de nagy álltalánosságban nagyon jo progra amit ki lehet egésziteni pl : a tasztatura kezeléssel is .( ha szükséges ) .
(#) kulzol60 válasza nemgyuri hozzászólására (») Júl 11, 2011 /
 
Szia

Föhajtás ( maromotor ) lesz az .( de oda minek a két irány ? ) .

A mellék hajtásban én nemtudok olyat hogy használtak volna relét bármire is .

Voltak elvetemült probálkozások hogy a léptetö vezérlöt cserélték relére de sem a müködés stabilitása sem az elérhetö sebesség nem volt elfogadhato egyáltalán .
(#) vaszil29 hozzászólása Júl 20, 2011 /
 
Sziasztok!
Olyan masinát akarok építeni, ami hasonlít a plotterhez.
2 tengelyen mozog.
Ehez kérnék segítséget, esetleg kapcsolást (unipoláris motorokkal hajtanám.)

üdv vaszkó
(#) kulzol60 válasza vaszil29 hozzászólására (») Júl 21, 2011 /
 
Szia

Azért valami támontot agyjál még .

Mi lenne a max igénybevétel , mekkora munkaterület , milyen lin vezökkel akarod , mi lenne a mellékhajtás ( menetes orso , fogazott szij vagy egyébb ) , milyen szoftot használsz stb ?A léptetök motorok adatai ?

Gyanum szerint 3 tengelyes lesz az mert azt az egységet ami a közvetlen munkát végzi is kel vezérelni még akkor is ha az nem egy maromotor.
(#) szabics válasza kulzol60 hozzászólására (») Júl 21, 2011 /
 
A plottereknél egy elektromágneses emelővel oldják meg. A toll emelést
(#) kulzol60 válasza szabics hozzászólására (») Júl 21, 2011 /
 
Több féle verzio létezik .Egy dologban egyeznek azt is PC vezérli ( kés letét , felvétel , vágás irányba forditás stb ) tehát 3. coordináta tengely .
(#) vaszil29 válasza kulzol60 hozzászólására (») Júl 21, 2011 /
 
Szia!
A masina nem igazán cnc gép lesz!, de vezérelni szeretném. EZT!

ÉS EZT IS!
(#) kulzol60 válasza vaszil29 hozzászólására (») Júl 21, 2011 /
 
CNC ez mégpedig a javábol

Ha jol látom3D-s festékekkel dolgozik .

Csak mikrosteppel dolgoz és a Mach3 erre tökéletes lesz plasma modban .

Jobban jársz a bipol motorokkal mert azokhoz készen lehet venni elég jo vezérlöket ( találsz itt is eladot ) ( erre a feladatra 0,5 és 1Nm közötti motor elég lessz ) inkább a mechanika finom mozgására figyelj ( mivel nincs suly ezért nyugodtan használj 16mm-es linvezetéket és hozzá golyosperselyt és nyugodtan használhatsz 30-as vagy 40-es épitöprofilt egy jo vastag MDF vagy butorlapra esetleg alura ) .

Érdekes melot találál , sok sikert hozzá !
Ha van kérdés irj ide .
(#) vaszil29 válasza kulzol60 hozzászólására (») Júl 22, 2011 /
 
Szia!
Elöljáróban köszi a támogatást és a biztató szavakat, illetve ötleteket.
Van két unipoláris mocim (elég bikák) 1: Vexta PK264-02A
2: Poweremax P21SRXB-LSS-SN-02
Egyik 2A- másik 3.3 Mindkettő 1.8/step
Mondjuk van pár gyengébb kategóriás is.
Van 4 lineáris csapágyam 2 tengellyel és van 2 lineáris csapágyam tengely nélkül. 0.8-as tengely kell neki.
Szerintem ezeken a cuccokon szépen fog szaladni a mechanika. A mozgáshoz pedig menetes szárat gondoltam, ("van is ithon") csak valami egyszerű vezérlés kéne hozzá, meg a mocikhoz szabályozható feszültségű meghajtó áramkör (Hogy esetleg gyengébb motorokkal is tesztelhető legyen)
(#) lui3 válasza vaszil29 hozzászólására (») Júl 22, 2011 /
 
Nem te épitetted meg az orosz oldalrol a vezérlést?:#752089:
bocs ha összekeverlek valamelyik forumtársunkal.
Nem vált be? nekem tökéletesen megy.
üdv
(#) kulzol60 válasza vaszil29 hozzászólására (») Júl 22, 2011 /
 
Szia

Jok a mocik csak feleslegesen nagyok .Böven elég egy Nema23-as max 5V és 1,5A körüli léptetö . Feltétlen használj mikrosteppet ( a kimai ide a legolcsobb és tökéletes a feladathoz csak egy táp kel neki ) .A motor tápnak nem kell a szabályozhatoság az a vezérlö dolga .

A lin csapágyaidnak van mérete is gondom , hossza , átméröje stb .Mi az a 0,8-as tengely ?
A tengely nélküli csapágyak milyen méretüek ?
(#) vaszil29 válasza lui3 hozzászólására (») Júl 22, 2011 /
 
De igen, csak azt meghagyom a cnc géphez.
Másikat építenék.
(#) vaszil29 válasza kulzol60 hozzászólására (») Júl 22, 2011 /
 
A 4 lincsapágy 16mm tengelyen van 2-2db/tengely. Hossza KB 30cm
A másik lincsapágy belső átmérője 8mm tehát egy 8-as tengelyen szalad. 2 ilyen csapágyam van. (ez is használható.) vannak kisebb léptető mociaim is szerintem
unipoláris és bipoláris egyaránt, ezek kis teljesítményűek.
Olyan 1-2A körüli. Szerintem az is használható.
(#) kulzol60 válasza vaszil29 hozzászólására (») Júl 23, 2011 /
 
Szia

Hát az a 8-as ide most nem jo , talán egy kisebb gép "Z" tegelyének ha nem több a mozgása 80mm-töl .

Azokat a kisebb léptetöked használ a nagyobbak jok lesznek a "CNC" géphez .

Az a 300mm elég karcsu ( marad vagy 200 ) ha lehet tegyél hosszabat 4 vagy akár 500mm-t is bátran mert az "X" tengelynek kel cipelni az egyik léptetöt és oda fog kelleni a csapágytávolság ( kb 100mm ) .
A sebesség itt annyira nem lényeg de azért legyen 1000-1500mm/min ehez pedig talán kevés a menetesszár , tegyél inkább 10x3mm-es trapézt és azzal kényelmesen tudsz dolgozni uy hogy még félépésben is 0,01mm alatti az elméleti pontosságod de ettöl nagyobb felbontás az ajánlott ide .
(#) papa22 hozzászólása Júl 23, 2011 /
 
Sziasztok!
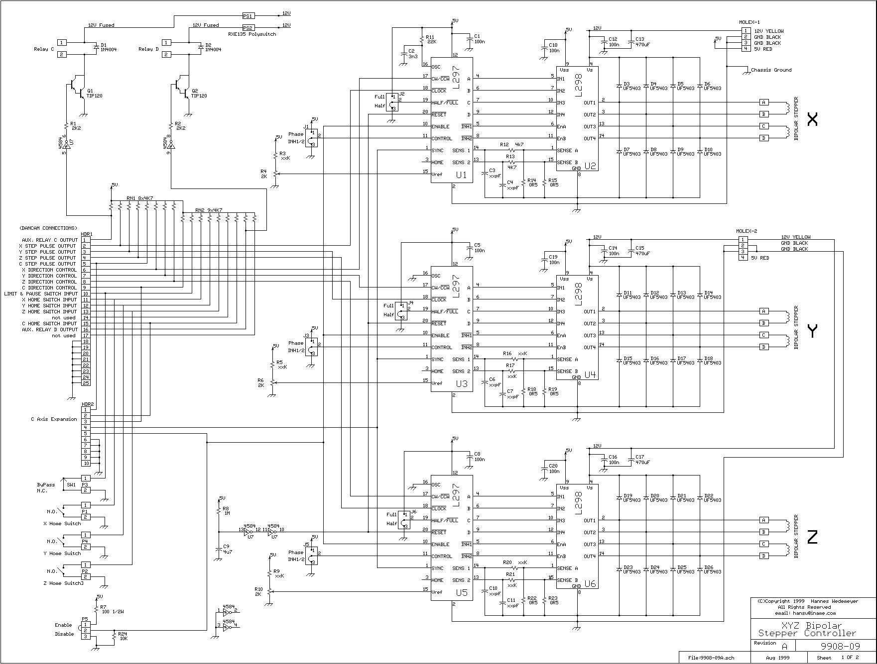
Szeretnék építeni egy 3 tengelyes cnc vezérlőt, netten találtam egy nagyon jónak tűnő kapcsolást viszont lenne egy pár kérdésem mert az l297-nek van 2 lába amit nem tudom mire szolgál ez a két láb a CONTROL amit vagy vcc-re vagy gnd-re kell húzni jumper segítségével, és a VREF láb amire a egy feszültség osztó van építve egy trimer potméterből és egy előtét ellenállásból ezzel a két lábal mit állítok a vezérlőn?
És még egy kérdés az lpt port, és az elektronika közé érdemes optocsatolókat építeni a kimenetbe hiszen a bemenetek miatt a gnd-t úgy is közösítenem kell az lpt-ével? Van egy 4584 típusú ic is a rajzban ami szerintem felesleges mert az invertált jeleket fordítja meg ezt meg lehet foldani a mach3 bestialitásánál egy kattintással ha jól gondolom.
Feltöltöm a rajzot is hátha valakinek nagy segítség lesz
és így könyveb válaszolni is
Köszönettel Péter
(#) kulzol60 válasza papa22 hozzászólására (») Júl 23, 2011 /
 
A Control a chopper üzemet állitja , probálval eldönthetö a Neked megfelelö üzem ( csak kikapcsolt állapotban jumperelni ) .

A Ref az állitja a léptetöd áramát 0 és 2A között ( érdemes középállásban kezdeni ) beállitása : a potméter középsö lábán mért feszültséget szorzod 2-vel és az lessz az áram ami a léptetöre megy ( hütésnélkül még terheletlenül se kapcsold be a vezérlöt ) .
Kicsit makrancos de nagyon jo vezérlö ha elég a féllépéses üzem ( 1.8 fokos léptetönél 400 lépés/ kör ) .

Sosem használtam hozzá optot ( de ajánlott ) csak egy sima 74LS14-et tökéletesen megy minden hiba nélkül .
(#) papa22 hozzászólása Júl 23, 2011 /
 
Köszönöm a gyors választ
Chopper üzem az mit jelent?
azt írtad hogy ha elég a féllépéses üzem de a 19-es láb half/full az azt állítja hogy egész vagy fél lépés, nem?
Még egy kérdés ez a vezérlő tudja azt is ha nem adok step/dir jelet akkor a motort rögzíti hogy ne forduljon el véletlen se?
köszönöm a segítséged
(#) zotyaxxx válasza vaszil29 hozzászólására (») Júl 23, 2011 /
 
Az az igazság, hogy nem nagyon éri meg nekiállni vezérlőt építeni, ha microstep kell akkor pláne.
Az ebayen 120 dollárért postával együtt kapsz 5 tengelyes microstepes vezérlőt (TB6560 alapú)
Bővebben: Link
Vagy: Bővebben: Link
(#) zotyaxxx hozzászólása Júl 23, 2011 /
 
Vagy 70 dollárért 4 tengelyes Bővebben: Link
(#) zotyaxxx hozzászólása Júl 23, 2011 /
 
Vagy 49 dollárért 3 tengelyes: Bővebben: Link
Egyébként nekem T2cnc-s vezérlőim vannak, ha ezt akkor tudom, hogy negyed áron is van megfelelő vezérlő...
A kínaiakkal nem lehet versenyezni.
(#) kulzol60 válasza zotyaxxx hozzászólására (») Júl 23, 2011 /
 
Szia

Leirnád a T2cnc vezérlöd tipusát ?
(#) kulzol60 válasza papa22 hozzászólására (») Júl 23, 2011 /
 
Igen azt irtam ogy ha elég a félépéses mod : ez annyit jelent hogy nem minden körülmények között elég az a felbontás amit egy lyen IC tud maximióum .Pl: egy olyan helyen ahol kb 6 - 10mm az orso emelkedése ( egy körben ennyi lineáris mozgást végez ) ott ezek az IC csak erös kompromisszummal használhatok hiszen a felbontás "csak" 0.015 és 0.025mm közötti ( ez persze áttétel nélkül értendö ) fullban ennek a duplája ( 0.030 és 0.050 )
) .
Sajnos csak azt tugyja hogy ha nem adsz neki jelet akkor max áramon tartja a léptetöt ami ettöl állás közben is jelentösen melegszik ( max 50 fokig mehet a léptetö ) de ez nem hiba csak a mostani vezérlök már tudnak ugynevezett Sleep modot ami álláskor kb 60%-át elveszi a maxáramnak .

Kicsit néz utána a Net-en mert rengeteg leirás és tanács is van ott pl: chopper mod ( ez egy kimélö illetve energia takarékos mod , de ettöl itt összetettebb ) .
(#) kulzol60 válasza zotyaxxx hozzászólására (») Júl 23, 2011 /
 
Te már rendeltél ezekböl ?
A három tengelyes Kinábol mennyire jön ki , csomaggal vámmal és talán Áfával ?
(#) zotyaxxx válasza kulzol60 hozzászólására (») Júl 24, 2011 /
 
Szia,
Nekem ilyen vezérlőim vannak: Bővebben: Link
Ezek a ebayes kínai vezérlők biztos jók. Ugyan én nem rendeltem, de pl a magi féle vezérlő is gyakorlatilag ugyan ez: Bővebben: Link sőt nekem a kínai ránézésre még jobban is tetszik ráadásul harmad áron...
Mielőtt rendelsz, kérd meg az eladót hogy kisebb összeget írjon a csomagra pl. 20 dolárt, így 99,9%-ban nincs vám, és kínából amúgy is szinte mindent próbálnak úgy küldeni pl. ajándékként, hogy ne legyen rajta vám.
Nekem eddig minden megjött gond nélkül.
De nézd meg pl. ezt a linket: Bővebben: Link itt az eladó mát 171 darabot eladott ebből, és 99,7%-ban pozitívak a visszajalzések, szal megbízhatónak mondható.
(#) zotyaxxx hozzászólása Júl 24, 2011 /
 
De ha mindenáron építeni akarsz, tudsz rendelni ugyan ebből az IC-ből Bővebben: Link
(#) kulzol60 válasza zotyaxxx hozzászólására (») Júl 24, 2011 /
 
Szia

Csak azért kérdeztem mert volt a T2cnc-nek egy másik féle vezérlöje ( 8435 IC-vel ) de már azt nem forgalmazzák .

Maradjunk annyiban ha Te MSD vezérlöt használsz még csak eszedbe se jusson KInai kéket zöldet meg a turotugyja milyen szinüt venni .Nem egy kategoria és sosem lessz az ( pedig az MSD is kinai de jo koppintás volt , az eredeti a Geckodrive G-210 volt , USA ) .
Nincs bajom ezekkel a vezérlökkel csak bekel látni hogy nem alkalmas mindenféle léptetöhöz és nem az számit hogy leagyja -e a 3,5A-t vagy sem .Ahoz hogy lehessen látni a különbséget két 3,5A-re méretezett vezérlö között ahoz ki kellene probálni egyidöben mind a ketöt .Amit észre vettem hogy a TB6560AHQ 1,5A-ig jol megy de utánna nagyon beleszol az induktivitás és a nagyobb léptetö nagyobb forgorész sulya is ( tul leng a pozicion , viszonylag kisfordulaton is ) .
Eddig pártoltam a TB6560-at de pont a motorok viszonylag szük tipusa miatt kénytelen vagyok váltani .
Bár nagyobb léptetökhöz eddig is az MSD 50-4.2-öt használtam .
(#) zotyaxxx válasza kulzol60 hozzászólására (») Júl 24, 2011 /
 
Nem sok értelem van annak amit mondasz. De, pontosan egy kategória, és mindig is az volt.
Csak úgy megsúgom, hogy szinte minden kínában készül, még a nagy vazérlők is. Ez nyiltan kínai, egyenesen kínából azért ennyi az ára. Ha ugyan ezt itthon látnád 4x ennyiért akkor nem fikáznád. Nem mondom, hogy ez a vezérlő maga csoda, de azt nem hinném, hogy ez bármiben gyengébb lenne mint pl. a magi féle vezérlő, ugyan az.
Ami meg a "1,5A-ig jól megy..." -t illeti, nem lehet, hogy rosszul konfigoltad? (lsd current decay, aminél a motor induktivitását figyelembe kell venni) vagy nem megfelelő a motorod/tápod stb. Ha a motor induktivitása ennyire beleszól, akkor más hasonló elvű vezérlővel és azonos táppal is bele fog szólni.
Következő: »»   46 / 115
Bejelentkezés

Belépés

Hirdetés
XDT.hu
Az oldalon sütiket használunk a helyes működéshez. Bővebb információt az adatvédelmi szabályzatban olvashatsz. Megértettem