Fórum témák
» Több friss téma |
Fórum » Videókártya Tv-kimenet probléma (fekete-fehér kép)
Témaindító: psylife, idő: Nov 12, 2007
Témakörök:
Üdvözletem!
Vettem ma egy Invision Geforce 7300 GT kártyát, és összekötöttem TV-vel! Régen a másik karimnál működött a dolog csak annál elszált az s-video! Szóval rá kötöttem drivereket felpakoltam, és nem igazán akart működni! Nem észletlte a TV-met! Aztán van az Nvidia vezérlő pultnál egy olyan, hogy TV kényszerített észlelése, na azt bepipáltam és tényleg észrevette a TV-t! A kép tökéletes csak fekete fehér! Át akartam állítani a jelét mert láttam PAL-B-n van nekem meg PAL-D kellene legalább is eddig igy működött normálissan, viszont ahol ezt lehet, ott nincs enek meg a típusok azzal a címszóval, hogy a TV nincs csatlakoztatva! Mondjuk alapbol HDTV-t akar észlelni amivel jelenleg nem rendelkezem! mit lehet ilyenkor csinálni?
Ha tudod váltogasd az országokat a kártyabeállításban és lehet,hogy valamelyik jó lesz!Eltérő az alapbeállírás úgy tudom!
Hát nemtudom
A tv-t kikapcsolt gépnél csatlakoztattad?Driver probléma is lehet!Alaplapi integrált kártya nincs véletlen és ha van le van tiltva?
igen kikapcsolt állapotbban csatlakoztattam a gép is kivolt kapcsolva a tv-is! aztán bekapcsoltam a tv-t és utánna a gépet! Nem nincs alaplapi videó kártyám! MSI Neo2 alaplapom van! Drivert szerintem a mai napon annyiszor tettem fel meg szedtem le mint szerintem életem során soha sem! fogtam le szedtem teljessen eltávolitottam a videokarit aztán ujra raktam nem volt jó aztán megint egy másik fajtával és ugyan zet még megint most egy Omega Driver van fent és ezzel is ugyan ilyen! :S
A "több megjelenítő beállítása" menüpontban nincs valami vonatkozó beállítás?
nincs semmi! csupán az amit leirtam már! tt van a kényszeritett észlelés! És uugy müködik fekete-fehérben a tv-n! Ha nincs kényszeritve akkor semmi képet nem ad kis a tv-re! és ugy látja mintha nem lenne rá kötve!
Nem túl hosszú a kábel?
Ha tudod, próbáld meg más TV-n is. Az is lehet, hogy a TV miatt fekete-fehér.
Nincs integrált kártya az alaplapon?
Én olyat még nem láttam. Egyébként hogyha nincs letiltva az alaplapi kártya akkor a másik nem is működik.
Gyári kábel az amit adtak a kártyához! szóval nem hosszu max 2 méter! Probáltam már másik Tv-n is azon is ugyan ez a gond!
Szerk.: Jó mind1! Nagyon úgynéz ki, hogy a kártyának az a legkisebb baja, hogy nem ismeri fel a TV-t! Már ha tápról van meg táplálva ahogy kell akkor az egész kép csikos **** kifagy szal itt memória kezelési gondok vannak na mind11 ennyit erről!
Helló!
Egy Ati x550-es videokártya van a gépemben, és RCA-n keresztül kötöttem egy samsung tv-hez. Müködik is rendesen, de sajnos átlós irányba csíkok futnak a képen. Másik Samsung tv-vel is így volt sajnos; kipróbáltam egy noname tv-vel is, annál viszont nem volt ilyen gond. Tapasztalt már valaki ilyen gondot? Mi lehetne erre szerintetek a megoldás? Köszönöm segítségeteket előre is, Üdv, Arpy
Első lépésként javasolnám a tv készülékből húzz ki minden kábelt antenna,scart,stb!Utánna csak a tv hálózati kábele legyen a konnektorba dugva és a gépről jövő rca semmi más ez lényeges!Ha így megszűnik a hiba akkor földhurok miatt van a hiba melyre találsz az oldalon megoldást,ha a hiba fennáll akkor a kábel árnyékolása vagy szakadt,rossz minőségű,esetleg túl hosszú maga a kábel!
Köszi a segítséget.
Ezt már próbáltam, kihúztam minden nem szükséges kábelt, de nem változott. Próbáltam rövid kábellel is (ami korábban említett nonamehez tökéletes volt) de akkor is voltak átlós csíkok. De két Samsung tv-vel is ugyanaz volt a helyzet. Lehet, hogy nem teljesen kompaktibilis a kettő egymással? vagy csak beállítási gond lehet?
Üdv!
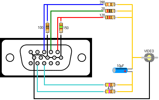
Láttam szenvedtek ezzel. Én régebben csináltam itthonra egy S-video -> SCART átalakítót. A régi Radeon 9200-as kártyával szép színes volt, ám a 9600-assal fekete-fehér. Ez azért volt, mert nem volt képes kiadni a SCART-ra az S-video jelét úgy, ahogy azt kell. Megoldás a köv: a SCART csatin a 15 és 20-as lábakat (szín és világosság) össze kell ötni egy 470pF-os kondival. Lehet egy darab dróttal is, csak akkor ugye semmi szűrés nincs. Ez gyakorlatilag az S-vdeódat "lebutítja" kompozit jellé, de működik. Remélem sikerült segíteni valamit ezzel.
Helló!
Nekem hasonló problémám van, csak a laptopom S-video kimenetével. A norma az PAL-ra van állítva, de még sincs szín, csak fekete-fehér kép van. A beállításoknál sincs semmi lehetőség az állításra.próbáltam már scart átalakítóval is, de ugyanaz, meg S-video Composite átalakítóval is. nem tudok színes képet csinálni sehogy. A videókártya drivert is cserélgettem már mindenfélére, de semmi eredmény. Több TV-vel is próbáltam, nem változott semmi. valami ötlet?
Helosztok
Nekem lenne egy olyan kérdésem hogy már érg van egy videokártyám konkrétan egy Nvidia GeForce 7300 GS Hogyan tudom rákötni a TV re? Kaptam hozzá csatlakozót is de ha azt bedugom a gépbe onnan tovább vezetem és bedugom a TV be akkor sehol semmi Valami ötlet?
Sziasztok!
Nem találtam jobb helyet a problémám felvetésére, kb. egy hónapja küzdök egy olyan jelenséggel ami próbára tesz. Eszköz: Adott egy wayteq mp-500 médialejátszó, melynek van kompozit, YPPbPr komponens és HDMI kimenete. Ezekből nekem a kompozit a lényeg, és az, hogy belső sata vinyót tud fogadni. Hiba: a kompozit kimeneten fekete-fehér a kép, még a menüje is. Több tévével is ki lett próbálva, ORION tévémen minden üzemmódban ez a helyzet, Videoton tv-n minden színes! Egy Sony trinitron tv-n meg PAL adásban fekete-fehér! Az Orion tévén, több eszközt kipróbálva a kompozit bemeneten, minden esetben színes adás fogad, míg a médialejátszó fekete fehér. Már szkóppal is nézegettem a videojelet, több eszközét is, de én nem látok olyan eltérést, ami okozhatná ezt a jelenséget. Gondoltam megkerülöm a problémát és ÉN állítom elő egy elektronikával a YPbPr jelből majd a kompozit videojelet, meglepődtem, mert ilyen áramkört konkrétan nem is találni. Csak olyat mely, ebből RGB-t és abból S-videót, és így már könnyen kompozitot nyerhetek, valami egyszerűbbnek jobban örülnék. Igazából a jel hibája aggaszt, mert ez alapján a végeredmény kétséges, és az igazi okát és annak a javítását szeretném elkövetni. Odáig nem jutottam, hogy hisztizzek a forgalmazónál / gyártónál valami firmware frissítésért. Pedig könnyen lehet, hogy ez lenne a korrekt megoldás. Ha valakinek lenne valami hasznos ötlete, szívesen venném. Köszönöm. (kocsányosra guugliztam és olvastam a szemem már,...)
Esetleg egy képet a gép csatlakozó felőli részéről?
Gyári kompozit kábel? Másik kábel? Korábban jó volt? Ha igen, akkor csere. Esetleg egy ilyen kábel, mondjuk nem egy olcsó megoldás. Látatlanba ennyit.
A probléma az, hogy a kompozit jel, az eléggé összetett jel. Természetesen elő lehet állítani RGB jelekből, a hiszen a modulátorban is ez történik, de egy elég bonyolult szerkezettel lehet, nem elég összekötni a színjeleket, meg a szinkron jeleket oszt kész passz. Probléma lehet, hogy hibás kódolás miatt a TV nem tudja dekódolni a színjeleket, így csak FF lesz. Ahhoz, hogy a TV dekódolni tudjon, ahhoz a színsegédvivő pontos frekvenciáját, fázisát ismerni, felismerni kell tudni, elég egy hiba a szinkronjelek átvitelénél, ami FF nél nem okoz problémát, de a színek dekódolásánál igen. Jó szkópon nézd meg a szinkron impulzusok vállait is, ott lehet a kutya elásva.
Szia.
Neten hirtelen nem találtam ezért csináltam egy képet róla. A kábelt kizárnám, más eszközök tökéletesen mennek róla, mármint a kábelen keresztül. Szkóppal nézve se látszik torzulás a jelen, jelszint és jelalak korrektül előíráson belülinek tűnik. Ez egy hónapja vásárolt lejátszó, nem néztem kritikákat és egyéb fórumhozzászólásokat róla, mert nem találtam ebben az árkategóriában olyan médialejátszót, melybe építhető a vinyó. Nagy igények nincsenek vele szemben, csak annyi, hogy lejátssza az egyszerű .avi, .mpg4 fájlokat. De legalább annyira megcsinálhatnák, hogy színesben működjön az összes TV típuson. Eddig ez nem sikerült nekik. Garanciát is nehéz érvényesíteni úgy, hogy nem mindegyik TV-vel produkálja a hibát. Ezért nem lehet azt mondani róla hogy rossz, pedig az. Még ha, rábeszélném magam egy tv cserére... A fő cél nem is az, hogy nálam jó legyen, hanem alapból korrekt színes PAL videojel álljon rendelkezésemre.
Köszönöm válaszod.
Igen, a probléma kergetése közben bele kellett ásnom magam a mélyére... és, sajnos arra jöttem rá, hogy nincs sok esélyem korrekt kompozit jelet nyerni a meglévő kompozit kimeneten. Az eszközön belül, nincs lehetőség hardveres korrekcióra. Reménykedem még, abban, hogy máshol is felbukkan a hiba, és esetleg kiadnak egy újabb firmware-t hozzá. De mivel legritkább esetben használják ma már a kompozit kimenetet, így kicsi az esély arra hogy ez a hiba jelentős számban előforduljon, és változás történjék. Jól sejtem, hogy hirtelen ezt a jelenséget egy HDMI - kompozit átalakítóval (ritka madár lehet), vagy egy YPbPr -> RGB -> S-video -> kompozit átalakítással úszom meg? Mert akkor pákára fel ... a helyzet. Bogarásztam már a neten utána, és inkább építenék ha már eredményt is akarok, mert a kínai szeméttel már tele a hócipőm.
Idézet: „Jól sejtem, hogy hirtelen ezt a jelenséget egy HDMI - kompozit átalakítóval (ritka madár lehet),” Előző levelemben ott a linkje. Kedvenc TV boltodban szívességet kérve még több TV-vel kipróbálni. Kedvenc Wayteq boltodból egy másik készüléket kérni s próbálni. Ez a kettő a legolcsóbb, és leggyorsabb.
Egy kicsit másképp. Az RGB alapeset, a három színjel, YPBPR: világosság jel, színkülönbségi jelek, S vídeó kompozit jel, alapsávi vídeó jel, minden egyben. Tartalmazza a szinkron jeleket, a világosság jelet, színkülönbség jelekkel kvadratúra modulált szín vivőt, a vivőt pilotjel szintre csökkentve.
Ezzel lehet modulálni az RF vivőt, illetve ez áll rendelkezésre a vevő KF demodulátorán. A vevőben ebből van visszabontva a jel RGB re. Ezért nem egyszerű az S vídeóból RGB it csinálni, egy komplett vevő jelfeldolgozó egysége kell hozzá.
Igen, néztem, bár ez HDMI -ből készíti ugyanazt, ami amúgy rendelkezésre áll... Kompozit , vagyis a mindent tartalmazó jelhez még az ára kifizetése után is bütykölni kell, így már nem éri meg. Linkeden komponens kimenetű van, az nem egyezik a kompozittal.
A kedvenc wayteq bolt jönne számításba, de nem sok garanciát látok arra, hogy különb terméket adnak, hacsak nem cserélem vissza.
Igen, értem, de lehet, hogy elbeszélünk egymás mellett.
Mivel a lejátszón van hozzáférés, a kompoziton kívül (ami rossz) komponens kimenethez, amit át kell alakítanom kompozit jellé. Például egy áramkörrel, ez olyasmi mint a csatolt ypbpr_RGB.jpg képen látszik, ehhez lehetne kapcsolni egy olyat ami RGB-ből csinál kompozitot . ez olyasmi lehet, mint a másik képen lévő áramkör, csak annyi a baj, hogy ez vga jelet vár ahol a szinkron jelek külön hozzáférhetőek. Vagyis ez még a ypbpr jelből ki kell nyerni. De találtam fapados megoldást is, érdekes lehet olyannak aki szakmai szemmel nézi a videojel technikát
Esetleg egy levél nekik: info@wayteq.eu
Tehát ha jól értem, akkor van komponens kimeneted (R; G; B; Vsync; Hsync) és ezt akarod kompozit kimenetté alakítani. Erre megoldás a csatolt AD722 -es áramkörrel megvalósított kapcsolás. Egyszerűbben nem megy. És igen, valahonnan elő kell varázsolni a szinkron jeleket is.
már nem hagyott javítani
RGB -ből, vagy Y jelből, amihez hozzá tudsz férni. Szinkron leválasztó fokozatot kéne gyártani, Y -ból ahogy a TV vevőkben is van, ill az RGB -t először összeadni.
Gondolom azon már túl vagy, hogy a menüben megkeresd a videó kimenet típusát (esetleg NTSC-n van gyárilag)...nincs benne ilyen?
Üdv Inhouse
Majdnem, van komponens kimenetem de csak Y Pb Pr . Ebből tudok kutyulni R-G-B jelet, abból meg lehetne már az AD722 áramkörrel nyerni a kompozitot. Csak igen, elő kell varázsolnom valahogy a szinkronjelet. Majd keresek ilyen áramkört is, valószínűleg TV-ből is bontható ilyen.
Sajnos igen, a végére egy elég bonyolult analóg áramkör lesz. Ami nincsen túlzottan ínyemre... de ha más megoldás nem születik akkor megépítem. |
Bejelentkezés
Hirdetés |




Át akartam állítani a jelét mert láttam PAL-B-n van nekem meg PAL-D kellene legalább is eddig igy működött normálissan, viszont ahol ezt lehet, ott nincs enek meg a típusok azzal a címszóval, hogy a TV nincs csatlakoztatva! Mondjuk alapbol HDTV-t akar észlelni amivel jelenleg nem rendelkezem! mit lehet ilyenkor csinálni? 
A tv-t kikapcsolt gépnél csatlakoztattad?Driver probléma is lehet!Alaplapi integrált kártya nincs véletlen és ha van le van tiltva?
Én olyat még nem láttam. Egyébként hogyha nincs letiltva az alaplapi kártya akkor a másik nem is működik.





