Fórum témák

» Több friss téma
Fórum » Léptetőmotorok (vezérlése)
Lapozás: OK   77 / 166
(#) kulzol60 válasza joci1987 hozzászólására (») Aug 16, 2011 /
 
Szia

4 vezetékesben csak tekercs párok vannak .

Ezek közül melyik az a páros ahol tudsz ellenállást mérni ( a-b és c-d ? ) ?
(#) joci1987 hozzászólása Aug 16, 2011 /
 
Az egy táblázat lett volna de összecsúszott
A-C; B-D között mérek ellenállást
(#) kulzol60 válasza joci1987 hozzászólására (») Aug 16, 2011 /
 
Szerintem a linkröl egyik sem a Te motord mert azok 3 fázisuak vagy Brushless motorok .
(#) kulzol60 válasza joci1987 hozzászólására (») Aug 16, 2011 /
 
Kicsit meg kavartál de már értem .

Tehát a tekercs párok az A-C és a B-D közöttiek .
Akkr az A és B között nem tudsz ellenállást mlrni ?

Ezek kétfázisu léptetömotorok és csak bipoláris vezérléssel hajthatoak ha jol sejtem olyan 10 - 12V körüli vezérlö már jo hozzá.
Ilyet lehet találni a netten ( pl L297-298 ) de elöbb tudni kellene hogy mi a célod velük .mire szeretnéd használni?
(#) joci1987 válasza kulzol60 hozzászólására (») Aug 16, 2011 /
 
Igen csak A-C és B-D között tudok ellenállást mérni. Még nem tudom, hogy pontosan mire akarom használni, egyenlőre csak meg szeretném mozdítani . Olyan kapcsolást szeretnék építeni hozzá ami folyamatosan forgatja és tudom állítani a fordulatszámot és a lehető legnagyobb nyomatékot is képes kihozni a motorból (gondolom ez nem túl nagy ). A vezérlőhöz amit írtál tudnál kapcsolást küldeni. Azt hittem, hogy az egyik kábel a negatív és a többi háromra kell a pozitív feszültséget kapcsolgatni és forogni fog. Ha nem így akkor hogyan lehet kapcsolgatni a tekercseket a 4 kábelen keresztül?
(#) kulzol60 válasza joci1987 hozzászólására (») Aug 16, 2011 /
 
A bipol sorrend nagyjábol : A-C ---- C-A ------B-D-----D-B--és igy tovább ha egész lépésed van ( lesz ) .

Sajnos ebben netudok segiteni de van a netten dögivel .
Ha lehet használd a 297-298 párost mert az tugyja a nagyobb feszültségü léptetöket is hajtani és potéteres a fázis áram állitása.
(#) joci1987 válasza kulzol60 hozzászólására (») Aug 16, 2011 /
 
Az A-C azt jelenti hogy A+ és C- és a C-A, hogy C+ és A- ???
(#) kulzol60 válasza joci1987 hozzászólására (») Aug 16, 2011 /
 
Elsö lépés : A+ és C-
Második lépés : A- és C+
Harmadik lépés : B+ és D-
Negyedik lépés : B- és D+
(#) pifu85 hozzászólása Aug 17, 2011 /
 
sziasztok! újra itt már feltettem egyszer ezt a kérdést hogy egy vezérlőre lehet-e két motort kötni? azaz a kérdés az az hogy 3 tengelyes vezérlő és az X tengelyét két motorral akarom hajtani mert nagy a táv a kettő közt, ezt már túl is tárgyaltuk itt hogy lehet csak ne haladja meg az max áramerősséget amit a vezérlő le tud adni! Na de most annyiban váltaozott a dolog hogy ugye bár 8 vezetékes a léptető mocim, és arra gondoltam hogy bekötöm őket párhuzamosan a vezérlőre ( bipolba ugye) de mindkettőnek csak a felét használom, azaz csak 4 kábelt használok kipróbáltam működik! A kérdés az csak az hogy így annyi áramot vesz fel mintha egy teljes motor menne??? és ha esetleg jó az ötlet akkor hosszú távon sem lesz bajuk, esetleg a vezérlőt sem öli meg? és a legjobb az egészben az az hogy féltem attól hogy ha véletlen az egyik motor megakad akkor utánna eltekeri a gépet, de szerencsére ha az egyik valamiért megáll a másikat is lefogja! igy nem lehet baj!!! várom a commenteket ha hülyeséget beszéltem! köszi előre is!!!
(#) kulzol60 válasza pifu85 hozzászólására (») Aug 18, 2011 /
 
Szia

Bár kicsit idegen amit irsz de igen igy is üködik és ugy ahogy irod ( mintha egy léptetö lenne ) .A tapasztalat az hogyha egy léptetö fizikailag áll ( blokkol ) az a vezérlöt nem zavarja és megy tovább ( csak a lépteti nemtugyja követni , sipol ) .
Egy probléma azért van és ez fontosabb mint a kétmotor árama , a felbontás .Elvileg most az 1.8 fokos léptetöd 3,6fokot lép .

Szerintem leirtam már de ha mindkét léptetöt 8vezetékkel kötöd ( párhuzamos bipolban ) akkor ugye 4 vezetéked lessz és a másik léptetöt ugyan igy kötöd akkor van már összesen 8 vezetéked .Ha a két léptetö közös tekercs párjait sorba kötöd akkor ujra lesz 4 vezetéked és ezeket kötöd a vezérlöre akkor 1,8 fokos marad a léptetö és pont annyi fázis áram kel neki mintha egy léptetöt használnál párhuzamos bipolban .

Csatolok egy rajzot és amiröl irtam most az az utolso 6.kép (egy léptetöre értendö ) de használhatod az 5. képet is de akkor igy a két léptetöt motort párhuzamosan kötötd .
(#) gulasoft válasza kulzol60 hozzászólására (») Aug 18, 2011 /
 
A teljes párhuzamos bekötésről azt olvastam, hogy fontos hogy a két motor egyforma legyen (ellenállás). Ennél a 4 vezetékesnél is fontos?
(#) kulzol60 válasza gulasoft hozzászólására (») Aug 18, 2011 /
 
Szia

Igazad van , csak számomra volt ligikus hogy ezek csak azonos tipusu léptetökkel valosithatoak meg .
Más tipus más fázis áram ( ez igy nem jo ) .
Csak azonosak lehetnek .
(#) pifu85 válasza kulzol60 hozzászólására (») Aug 18, 2011 /
 
Tudom fel is fogtam hogy múltkor is a sorba kötést javasoltad, minddel csak az volt a problémám hogy a motorjaim külön külön 2 ampert vesznek fel és a vezérlő pedig csak 3 ampert képes szolgáltatni... Viszont azt nem értem hogy felbontás mitől változik meg ha elvileg a két kötés tök egyforma csak annyi hogy gyakorlatban van köztük egy méter távolság, vagy ez attól van hogy csak a motor felét használom??? és ez mennyire lehet gáz nekem??? úgy értem hogy egy kis beállítással nem fog működni?? beállítom a configba hogy pont a felét lépje körönként csak 100! vagy hülyeség? amúgy a motorok csont egyformák azért is próbálkoztam ezzel! Amúgy a képeidre visszatérve én a 6. kép szerint kötöttem be eddig úgy használtam és gondolkoztam azon is hogy mindkét motort igy kötöm be és utánna mehet a párhuzam csak ugye akkor megint meghaladom az kért ampermennyiséget...!
(#) gulasoft válasza pifu85 hozzászólására (») Aug 18, 2011 /
 
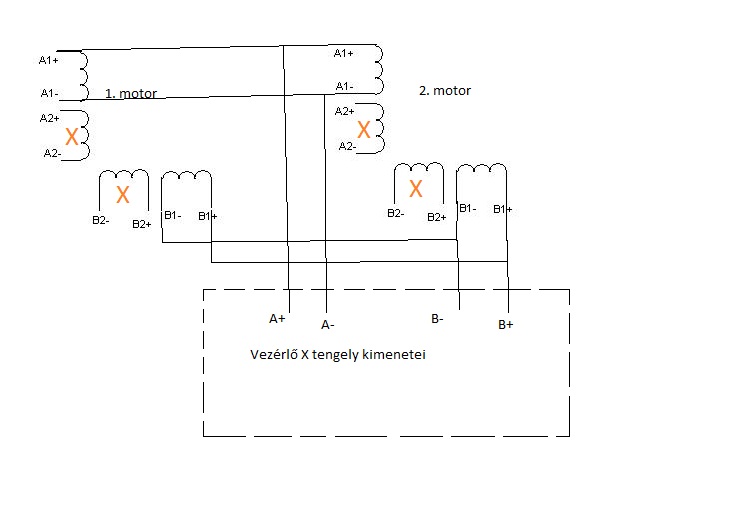
Lerajzolnád hogy akkor hogy vannak a vezetékek mert nem vágom. 8-ból négyet kötsz be, ez egyébként is így van, hova van kötve a maradék 4? A levegőben lóg?
Az alábbi rajzon tehát A1+, A1-, és B1+ B1- van bekötve?

tek.JPG
    
(#) pifu85 válasza gulasoft hozzászólására (») Aug 18, 2011 /
 
igy van motoronként mondjuk az A2 és a B2 pár azok lógnak nem használom őket! vagyis a terv ez! és mindkét motoron az A1 pár párhuzamosítva van és a B1 pár is! elvileg igy ahogy a műalkotáson van de ne nézzétek mert csak összekapkodtam
(#) gulasoft válasza pifu85 hozzászólására (») Aug 18, 2011 /
 
Akkor jól gondoltam
Elméletileg ezért vesztesz lépésszámot, mert a motor "felét" nem használod.
Hogy lehet ez bekötve a motorba?
A1+A1-B1+B1-A2+A2-B2+B2-
vagy
A1+B1+A1-B1-A2+B2+A2-B2-
Soha nem foglalkoztam ezzel, de a lényeg az hogy az A1 B1 tekercspárokon folyik csak áram, tehát a szomszédos A2 B2-ket átugorja (viszont ugrás közben elméletileg generálódik áram ezen a két tekercsen. Kérdés ki lehet e venni őket és felhasználni pl. egy aksi töltésére, de ez csak elmélet, ki az az elvetemült, aki azért cnc-zik, hogy töltsön egy kis aksit, viszont esetleg egy ventit hajthat, ami azt jelenti, hogy csak akkor megy a venti, ha forog a tengely )
(#) pifu85 válasza gulasoft hozzászólására (») Aug 18, 2011 /
 
elvileg az első varriációd szerint működik most! de melyik a szerinted? és ha igy működik akkor tényleg 3.6°-ot tesz meg egy lépésre az az 100-at körönként??? akkor átállítsam? Ki az az elvetemült... hát az akinek eszébe jut de elvileg működhet a dolog hosszútávon is??? vagy akkor inkább maradjon az a varriáció hogy mindkettőnél használom az összes tekercset csak akkor vegyem vissza a vezérlőt kb 75% ra és akkor kb kijön a 3A de még akkor is fullon használom a vezérlőt! javaslat?
(#) gulasoft válasza pifu85 hozzászólására (») Aug 18, 2011 /
 
Nem tudom mi lehet a jobb megoldás, neked kell tudni elég e 100 lépés. Én kit kisebb motort teszek majd a nagy helyére, hiszen kettőnek együtt kell azt a teljesítményt leadni mint eddig egynek.
(#) DjSzentgro hozzászólása Aug 19, 2011 /
 
USB-ről lehet vezérelni 2 léptetőmotort? (arra gondoltam hogy lehetne-e nyilakkal irányítani és programozni USB-ről)
(#) gulasoft válasza DjSzentgro hozzászólására (») Aug 19, 2011 /
 
Bármit lehet, csak kell építened egy mikrovezérlős csatolót. Én egyszer csináltam soros portosat, átküldte hogy mennyit épjen x meg y irányba, de a MACH3 nem tudja az usb-t kezelni.
(#) Sir-Nyeteg válasza DjSzentgro hozzászólására (») Aug 19, 2011 /
 
Ha a CNC-től elvonatkoztatunk, akkor kell egy szoftver és egy külső hardver, ami USB-n kommunikál. Ennek a hardvernek (Pic, Avr a legegyszerűbb) kell feldolgoznia, hogy hogyan, mennyit, milyen irányba léptesse a motort. Esetleg ennek kell kezelnie egy léptetőmotor vezérlő áramkört.
Ha maradunk a CNC témakörnél, akkor a Mach3-ból alapból nyilakkal tudod irányítani a motorokat, tehát a szoftvered már megvan. Viszont ebben az esetben kell egy spéci külső hardver, ami kommunikál a Mach3-mal.
Ilyen már létezik: Smooth Steppernek nevezik.
Bővebben: Link
(#) DjSzentgro válasza Sir-Nyeteg hozzászólására (») Aug 19, 2011 /
 
jó ötlet de ez nekem nagyon drága.
valami pénzkímlőbb?
(#) Sir-Nyeteg válasza DjSzentgro hozzászólására (») Aug 19, 2011 /
 
Nem véletlenül kerül ennyibe. Ipari, tesztelt, stb. Marad a saját építés.
Olcsóbb egy LPT-s számítógépet venni.
(#) DjSzentgro válasza Sir-Nyeteg hozzászólására (») Aug 19, 2011 /
 
van LPT-s számító gépem csak ennek hordozhatónak kéne lennie ezért gondoltam a laptopom USB portjára de van rajta VGA kimenet +SD 9E Computer-csatlakozó
is azzal nem lehet megoldani?
(#) Sir-Nyeteg válasza DjSzentgro hozzászólására (») Aug 19, 2011 /
 
Ezt nem ismerem. VGA-val biztosan nem, azért némi logikai szinvonalat tartsunk fenn
PCMCIA vagy valami hasonló kártyával megoldható egy LPT port. Hobbycnc-n fennvan valahol. Bővebben: Link
(#) gulasoft válasza DjSzentgro hozzászólására (») Aug 19, 2011 /
 
Nincs. Igazából azt amit Sir-Nyeteg linkelt, az építheted meg saját magad. Egyébként nm tudom hogy működik, mert a mach3-nak saját nyomtató port kezelője van, hogy azt hogy verik át úgy, hogy hajlandó legyen az usbre kirakni azt amit a nyomtató portra küldene azt nem tudom, vagy van egy driver ami ezt megcsinálja, vagy a mach3-ból van egy olyan verzió ami hajlandó az usbre kirakni azokat a jeleket amiket egyébként a párhuzamos porton nyom ki. Mind a két esetben a pc oldalon is programozni kell. Gondolom a kártyához jár a program is, azt is meg kell fizetni.
(#) gulasoft válasza DjSzentgro hozzászólására (») Aug 19, 2011 /
 
Viszont találtam ilyet. Az én laptopomon sincs pcmcia, csak persze ezt szerintem még nem tesztelte senki.



Ha mégis tudjátok megy e, írjátok meg légyszi, mert most egy nagy böszöm masina van a gép mellett.Bővebben: Link
(#) gulasoft hozzászólása Aug 19, 2011 /
 
Inkább itt nézzétek, az eladó szerint fizika párhuzamos portot csinál, jó lenne tudni valaki tesztelte e már.
Bővebben: Link
(#) DjSzentgro hozzászólása Aug 19, 2011 /
 
ha dokkolót használok az jó hozzá?
(#) kulzol60 hozzászólása Aug 20, 2011 /
 
Sziasztok !

KI kellene probálni hogy kerékpárrol dinamoval hajtva mit csinál egy léptetö motor és ...... , illetve hogy AVR-be ceruzával tudok-e irni ? Ötlet ?

Számomra kicsit bosszanto hogy van egy kérdés arra van egy válasz ( meg sokkal több ) és ez csak ujabb kérdéseket szül anélkül hogy a lényeget valaki is alkalmazná . Vagy a másik lehetöség hogy nem érthetö a válasz .

Uraim ! Vannak törvényszerüségek amitöl egy CNC (forditsa már le valaki végre ennek a szonak a Magyar jelentését ) müködik . 1+1 az 2 . Ahoz hogy egyáltalán értelmesen tugyjunk kérdezni kellene ismerni pár dolgot legalább arrol a szerkezetröl amit épiteni akarnánk .
Egy léptetö motornak van mechanikája és azt ezért csinálták olyanra hogy azoknak a specifikácioknak meg feleljen amit ráirtak vagy ami az adatlapján van .
Ha ezt a léptetöt ettöl a fizikai feltételtöl máshogy akarjuk használni akkor az már nam az adatlap szerint fog müködni . Müködik igy is csak a tudás egy része ( jelen esetben kb 60 - 65% ) elvész .
Alapvetö elektronikai tudás ( elméleti és gyakorlati ) nélkül nem lehet áramköröket épiteni , mert egy elektronika nem csak abbol áll hogy megépitjük és müködik .Mi van ha nem megy hogyan oldod meg a problémát ? telefonon ? kérdezel itt a forumon ? mit kérdezel hisz a müködésével sem vagy tisztában ? az alkatrészeket sem ismered ( van az a két csikos valami , melyiket cseréljem ? ) .

Azoknak az emberkéknek akiknek nincs meg ez a gyakorlat azt javaslom hogy vásároljon vezérlöt készen és ezzel ezt az oldalát letugyja legalább .Mechanikában könnyebb segitséget nyujtani sokkal .

pifu85 :tételezzük fel hogy 10 ohm egy tekercsed ellenállása és van 8 szál vezetéked egy léptetön belül .Ennek a 10 ohm-nak 2 A az áram igénye ahoz hogy leadja a névleges teljesitményét és ebböl a léptetöböl kettöt szeretnél használni ugy hogy az áram igény ne változzon , semmi más dolgod nincs csak az hogy tartsd meg a 10 ohm-ot , de igy a 2A kétfelé fog menni és igy logikusan a léptetök leadott teljesitménye is változni fog ( pont a felére most ) .Ez a kapcsolás csak elvekben müködik de ott is kibukik a hibája .
A mechanikát a léptetö motor hajtja és nem a vezérlö és a léptetö motor fogja meghatározni azt hogy milyen vezérlöt kel hogy használj .

Más : A hobbi cnc-sek közül sokan használják a Mach3 vezérlöt mert nagyon jo , ennek a programnak van hardwer igénye ( minimum 1Ghz proci minimum 512Mb memoria , Win2000 , XP , Win7 és LPT port ) , nekem a proba gépen P-III 1Ghz és 512Mb van és tökéletesen müködik vele , az is igaz hogy nem nettezem és DVD-zem a Mach3 futása közben .
Fogytán az LPT protos PC ezért a közel multban elkezdödtek az USB felé terjeszkedni a programok ( hogy a fene enné meg a vacak USB-t ) de még nagyon gyerekcipöben jár mert hardwerrel még nem tökéletesek ( kivéve a lentebb linkelt "smoot steppertt " ) .Az elsö gond az hogy az USB-re nem lehet step dir jeleket küldeni és mindenféle képen kel utána egy hardwer ami ezt elvégzi ( ez a smoot ) de a legnagyobb baj az hogy az USB állandoan keresi a "változásokat " és olyankor a CNC "döccen " egyet ( nem tudom másként irni ) ami lépésvesztést okoz , okozhat .( ezt a smoot valahogy megoldottan ) vannak a netten különbözö programok és hardwerek is de nem tudnak ugy müködni mint a Mach ( majd késöbb talán) .A Mach is csak egy driverrel képes müködni a smoottal amit adnak a hardwerhez .Van még egy amit a Klavio KFT forgalmaz és jo is de hasonlo az árképzés mint a smoot-é .
A laptopok nagyrésze nem igazán alkalmas egy logikai áramkör meghajtására ( többek közöt ennek köszönhetö az LPT kártyák körüli mizéria is ) de müködhet rola , olyan helyen ahol az LPT port már hiányzik ott a PCMCI ( ha jol irom ) kártya a megoldás vagy a smoot stepper .
Nem értem a laptop jelentöségét egy cnc gép sulya és terjedelme mellet ( zseböl nem fog müködni a gép ) kisérletezni lehet vele de ahoz elöbb kel egy jol bevált konfigurácio és azt ugy alakitja mindenki magának ahogy akarja .

Ne ugráljunk már össze vissza , tartsuk be a követelményeit egy gép épitésénnek .
Ez az egész dolog a CNC gép ami valojában , marokat és esztegákat takar ( helytelenül ) épitésére vonatkozik .

Nem akarom senkinek a kedvét elvenni de csak kérdéseket látok és megoldásokat nem ( ez meg az én kedvem veszi el , valami nem OK ) .
Következő: »»   77 / 166
Bejelentkezés

Belépés

Hirdetés
XDT.hu
Az oldalon sütiket használunk a helyes működéshez. Bővebb információt az adatvédelmi szabályzatban olvashatsz. Megértettem