Fórum témák
» Több friss téma |
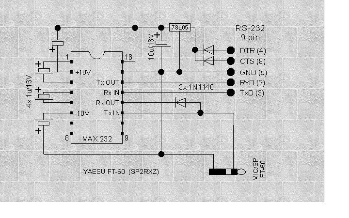
A programozó áramköre pozitív feszültségről működik, ezt kellene biztosítaniuk a a D1-D4 diódáknak, abban az esetben ha a com port rts, vagy dtr lába pozitív jelre vált.
Ezt a program követi el a porton, a CTS pedig ellenőrzi a meglétét az eseménynek. Az R4 ellenállás pedig felhúzókét működik, a kimeneten lévő z dióda fogja meg 5 volton nehogy ártson a rádiónak a magasabb feszültség. Q 1 meg adatküldésnél kapcsolgatja logikai nullára, ill. testre húzza a vonalat, akkor ha a com 3 lába TXD pozitív jelre vált. Alapesetben a Q1 az nyitott álapotban van és nem avatkozik bele, csak amikor adatot küld a rádió felé a pc.
Méregettem az áramkört, a program amikor küld vagy fogad, a tápfeszültség megjelenik a 4-es lábon, és a kimeneten az 5V. A hétvégén még futok benne egy két kört, ha nem jutok előbbre akkor megépítem a mellékelt áramkört, az IC-s hátha hamarabb elindul. Köszönöm a segítséged eddig is. Ha kész a másik áramkör megírom az észrevételeimet, hátha tapasztalat lesz másoknak is. Jó éjt!
Üdv!
Szia!
Esti üzeneted után, ma reggel jobban elmerültem a dologban. A programozása egyezik a 7800 típussal, a bekötés is ugyanaz. A rádió hátulján lévő 6pólusú PS-2 csatlakozó PTT vonalán lehet programozni, M-bus módon. Ez közösített TX-RX vonalat jelent, a ps csatiba csak a GND és a PTT vonalat kell bekötni. Ha usb-s comport kábeled van, akkor ellenőrizned kell, hogy TTL (0-5Volt) jelszint van-e. Ha igen, akkor csak egy diódára és egy vezetékpárra van szükséged. Ha, nem TTL a jelszint, akkor meg kell építened a ebben a hozzászólásban lévő áramkört: http://www.hobbielektronika.hu/forum/topic_hsz_860876.html#860876 , ebben az áramkörben látod a kimenetén a dióda helyzetét ezzel közösíted a M-bus szerűvé a jelet. A rádió manuálja 66 oldalán szerepel a klónozás leírása, a bekötés adja a programozási pontokat. Szemből nézve, órajárással egyezően a második pont a PTT, a negyedik meg a GND. Ezt a kettő pontot kell bekötnöd a COM porti kábel TX-RX vonalára amit előtte közösítettél a diódával. Értelemszerűen a GND a GND-hez, a PTT meg a közösített pontra a diódához. Ennek mennie kell.
Szia!
Lefényképeztem a kábelt amit próbáltam használni a programozáshoz. Szerintem az USB-RS232 kábelem rendben lesz, de ha elmondod hogy ellenőrizhetem megteszem, van benne elektronika is, és fel kellett telepítenem. sima RS232 anya-anya áthidalóval dugtam bele az RS232-PS2 átalakítót ami gyári egybeöntött, de van PS2 csatim is, és RS232 is kis kábellel ha ebben tudnál konkrétan segíteni hogy kössem össze és közé mi kell annak nagyon örülnék Csatolom a képeket
Nos, már csak egy kis forrasztgatás, meg egy sima Si-dióda kell csak.
A kábel jó, van ilyenem TTL szintű. Aljzatába belenézve láthatod a számozást, neked, a 2, 3, 5 pontokra van szükséged. Az 5 pont a GND ill. test, ez direkt megy a rádió ill. a ps-2 csatira, ha szemből nézed a dugó végét akkor a 11 óránál lévő pontra. A com csati 2 pontja megy direkt a ps-2 csati szemből nézve a 3 óránál lévő pontjára, a com csatlakozó 3 pontja meg ugyanide de egy diódán keresztül miközben a diódán lévő csík a com csati 3 pontja felől van. Mint látom, a ps-2 kábeled, vége 5 csatlakozó pontot számlál, ki kell mérned, nem-e pont a szükséges csatipont hiányzik. Mert ugye az 6 pólusú lenne, plusz a csatlakozógyűrű, mely a GND pontot képviselné árnyékolásként bekötve. Ha volna egy ilyen csatid, mint a képen lévő baloldalt, akkor azzal könnyen összedobhatnád 2 perc alatt: http://www.hobbielektronika.hu/forum/files/e0/e0c06d609ca915ddb1899...80.jpg
Szia!
Köszönöm a válaszod, van olyan csatlakozóm, remélem sikerül a dolog A boltba beugorva elég tehát egy Si-diódát kérnem?
Igen, vagy szétnézel otthon, hátha van valamilyen bontható elektromos kütyü.
hát ezen a ps2 csatin 4 vezeték van de ebből egy nem ér ki a dugó végére
egy jó lenne az lenne a GND a másik meg alatta jön ki... (8óránál) úgyhogy azthiszem mehetek beszerezni egy ps2 csatit is....
mégegy hüle kérdés hogy nézzem szemből a ps2 csatit? hogy a benne lévő műanyag pöcök felülre vagy alulra essen?
Újabb hüle kérdés csatolok egy képet hogy jó-e ha úgy kötöm be a csatit? a 2-es lenne a GND a 3-as meg a másik ág...
Igen, szemből, és a pöcök alul legyen, én így gondoltam. A leírás is ennek megfelelő.
A csatolt rajz stimmel, ha hátulról nézzük a ps dugót. Vagy a rádió aljazatát szemből, mert az ugyanaz.
Egyszerűen ki tudod deríteni a ps csati bekötését. Bedugod a rádióba a csatlakozót, multiméter csipogóval megkeresed a melyik vezeték fütyül a rádió fémházával, az a GND vezeték.
Utána az azonosított GND vezeték segítségével megkeresed azt a vezetéket mely összezárva a GNDvel adásra kapcsol a rádió, akkor már megvan a PTT vonal is. Erre a kettőre van csak szükséged a programozáshoz.
Szia!
Na megcsináltam a kábelt a PS2 csatit úgy néztem ahogy mondtad, megkerestem a rádióba dugva a GND pontját, aztán megkerestem hogy melyikkel kapcsol adásra a rádió. Az RS232 felől ahogy írtad 2,3,5 pontokat megkerestem 5-ös (kék nálam) a GND másik kettő megy a ptt-re, egyikre dióda bekötve képeket mellékeltem, első diódával meg se moccant a rádió gondoltam mivel bontott lehet rossz, most rátettem egy másikat most ahogy bekapcsolom a rádiót és rajta van a kábel azonnal adásra kapcsol... egyelőre tanácstalan vagyok, ha van ötleted azt megköszönném
Helló.
Alakul, ha jól látom akkor a barna vezeték megy a comcsati 3 lábára, piros meg a 2 lábra. Ennek így jónak kell lennie. Mert fordítva nem megy, ... Gondolom ez az adásra kapcsolás úgy jelentkezik, hogy minden össze van dugva mindennel. Mert akkor valami lehúzza a 3 lábat (TXD) a portodon. Próbáld úgy, hogy az usb-com kábel a gépbe van dugva, de még nem dugod össze a gyártott kábeleddel, de a bütykölt kábel már a rádióba van dugva. Ekkor nem szabad adásra kapcsolnia, elindítod a szoftvert, beállítod a com portot a programban megfelelő számút (eszközkezelő megmondja melyik a usb-s) és csak utána dugod össze a usb-com kábeled a bütykölt programozó kábellel. Ha ekkor is vacakol, akkor valami portbillegtető szoftverrel ellenőrizned kell a USB-com kábeled működését. Ezt Winpic800 proci programozóval könnyű. Nos, az eredményektől függően lehet elmorzsolni egy-két varázsigét, vagy imát.
Sziasztok!
FT 23R -hez keresnék proramozókábelt,ha valaki tudna segíteni?Előre is köszönöm!/HA6XA/
Szia.
Ugyanaz a helyzet nálad is, ezt a rádiót is a PTT vonalon lehet programozni. Előbb taglalt megoldásnak működnie kell. Csak nem PS-2 dugó kell, hanem 2.5mm jack dugó. Tulajdonképp a mikrofonbemenetre kell dugni, szintén M-bus rendszerű a dolog. Programozási módja egyezik a régi Yaesu típusokkal, mint FT2010, 7010..stb. Valamilyen dos ablakos program, lassú öreg géppel.
Szia!
Köszi a választ.Megpróbálom,de a lassu öreg gép az nagyon hiánycikk.Csak egy csatiért kellene de legfeljebb ezt nem használom,a miskolci átjátszó frekvenciáját változtatták meg. |
Bejelentkezés
Hirdetés |





Rajznak nagyon örülnék előre is köszönöm a segítségeteket! 









