Fórum témák
» Több friss téma |
Az jó, ha van sütnivalója
![]() Amit említettél, az úszós megoldás látszik a legegyszerűbbnek mikrokapcsolókkal. -A maximum szintet nem lépheti túl, ha sok sütnivalót tesz be, tűzveszélyes, kifolyhat az olaj, fűtést kikapcsol. -A minimum olajszint alatt szintén nincs értelme elindítani a fűtést, mert a sütnivalója nem sül meg -Esetleg 2 maximum szintet figyel, az olajét, a másik az étel beengedése utáni maximális szintet. Nem mindegy, hogy 1 rántott húst, vagy 20-at enged bele egyszerre. A 2. maximum szint túllépésekor kapcsolna ki -túlterhelés+tűz/balesetveszély.
Igazából tényleg nem árt ilyen esetben lekapcsolni a fűtést, ez igaz, de véleményem szerint az már késő! Az olaj hőmérsékletét nem lehet úgy lekapcsolni, mint a villanyt. Szóval balesetet így is okozhat, de a fűtést ettől még le kell kapcsolni ezt nem vitatom!
Lehet, hogy a következő ajándék egy olyan jelző, megelőző berendezés lesz, ami megelőzi, hogy a szakács több húst dobjon be, mint amennyit szabad! Na ehhez kéne igazán sok sütnivaló!
Fűtés lekapcsol -> hajókürt bekapcsol -> 2-eset után megtanulja, hogy oda kell figyelnie.
Komolyra véve a szót. Az úszó végén lehet mágnes, és reed reléket kapcsolgatna, az hőálló. és a konyha klímáját is bírná, míg egy mikrokapcsoló valószínű elkoszolódna a zsíros gőzben. Hasonlóan az optokapu optikája se biztos hogy bírná a zsíros gőzt, előbb-utóbb az is megvakulna.
Szia
rtf Szintmérés, szintmérő műszerek címmel ha letöltőd akkor ezt a buborékoltatónál ismerteti. Bővebben: Link De köszönöm a helyre igazítást. üdv.
Szia
„Egy ilyen mérést könnyű megzavarni...” amíg a buborék a csőből ki tud jönni mérni fog és helyesen, a szintnek megfelelő értéket adja. Ha eldugul a cső, akkor a legmagasabb szintet fogja adni a mérés. Amit szerintem nem vesz észre az ha a olaj felhabosodik. De mint tudjuk, ezt a Vénusz konyha tündér márt megoldotta. üdv.
Roppant sok fejtörés után megszületett az ideális megoldás.
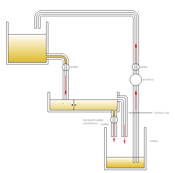
Adva van ugye egy sütő, amiben az olajszintnek 30 cm magasnak kell lennie. OK. Egy tartalék olajtartály csövének a vége pontosan 30 cm-re van a sütő aljától. Ez biztosítja a szinttartást. Namármost beleteszik a húst. Ettől a szint emelkedni fog, ami számomra érthetetlen módon nem jó a húsnak. OK. Akkor kell egy cső, amelyik 30,5 cm magasságban a felesleges olajszintet levezeti. Ezek után az alsó gyűjtőtartályt a felső tartalék olajtartállyal össze kell kötni és egy kis szivattyúval biztosítani, az áramlást.
Hát nem vicces, hogy a témainditó Tímea, aki György, a topik indítása óta nem szólt hozzá?
Vagy lehet, hogy csak más fórumokhoz van szokva
. Van ahol 1-2hét mire valaki válaszol, de szerencsére ez nem az a hely
Ez egy nagyon jó ötlet, gratulálok! Ez olyan lenne, mint a feszített víztükör.
Most már csak egy olyan szivattyú kell, ami 200°C-os olajat tud keringtetni!
Ez legyen a legkisebb probléma. Mondjuk a levezett olaj belekerül egy tartályba, amiben egy hideg vizet áramoltató spirál van. A tartály aljáról pedig egy szivattyú elszippantja a lehűlt olajat. De mondjuk kifejleszthetünk egy teflonlapátos, teflonházas szivattyút, az kacagva kibírja a 200 fokot. Persze bele kell éíteni egy nyomásérzékelőt a tartályba, hogy ha abban nincs olaj, akkor a szivattyú ne működjön feleslegesen.
Egészen jól alakul. Ha már áramoltatjuk az olajat valahogy meg kellene oldani a zacc kiszűrését is. Ha pedig x ideig nem sütnek benne, csökkentse a hőfokát a vezérlő automatikája energia takarékossági okokból. Na ehhez már kell PIC.
A teflon nem bírja a 200°C-t, még 150-et is karcolva. De egy 4 lapátos szivattyú fémből(olyan, mint a mosógépeké) simán megoldja a kérdést, mert itt nem kell nyomás és áramlás csak minimális. A szűrést egy 120mikronos kivehető, tisztítható sík háló megoldaná. Visszahűtés nem jó ötlet, mert nagyon szennyezi a környezetet a lábnyoma.
Ha valaki ezt megépítené, az biztosan egy szuper jól használható sütő lenne!
Ha már szivattyú én egy autó olajszivattyúját javaslom, annak nem gond ez a hőmérséklet.
Szia!
Létezik ilyen rendszer. A gyorséttermekben lévő frituknál használják őket. Leengedik az olajat egy alul lévő edénybe majd egy fogaskerékszivattyúval visszanyomják a sütőzsírt a sütőkádba. Az alsó edényben egy speckó papírszűrő van ami megfogja a szennyeződéseket. Ja és még regeneráló port is használnak, amit rászórnak a szűrőpapírra.
Nekem az jött le, hogy a kérdező feltette a kérdését és valahogy ezzel be is fejezte. Nem sok HSZ-át látom.
Mi se vesszük ám ezt már rég komolyan...
Idézet: „Igényesebb helyeken pálmazsírt használnak” Ismerek valakit, aki sokáig magasztalta a szomszéd város lángososát, hogy az milyen jó, mert bálnazsírral süti a lángost. Az, hogy félreértette és azért, vagy mert nem látta értelmét a pálmából nyert zsírnak a bálnával ellentétben, amiben azért van bőven, nem derült ki, azóta nem kerül szóba az eset. Nehezen sikerült meggyőzni, hogy hogy is kerülne bálnazsír egy Mo-i, vidéki kisváros lángososához, mindamellett, hogy a bálnavadászat már tilos is...elment és megkérdezte, és hát, tényleg pálmazsír volt... Azóta, ha felemlegetjük, szokott még málnazsír is lenni... Üdv Inhouse
Sziasztok. Bocsánat csak dolgoztam, illetve gondom volt a belépéssel az oldalra. Először is ipari berendezésról van szó ami 2 hónapja süt valamit és kb. 1-1,5 óránként felszív 10 liter étolajat, mert a sütött termék ennyit elnyel. Tehát nem konyhai olajsütőről van szó. A tartályt tisztítani is kell, ezért a póttartály és egyéb dolgok kiesnek. Az optocsatolók nem bírják a hőt. A készólék nem magamnak kell, hanem egy barátomnak! A rosszindulatú hozzászólásokat legyetek szívesek mellózzétek! Köszönöm minden hozzászólónak a beírást.
Ha 2 hónapja süt valamit jól el lehet égve, ill. jó kövér is lehet az óránkénti 10 liter olajtól. Pót tartályt miért nem lehet tisztítani? Tegyél egy uszót a fazékba, és mint a wc tartály bekötöd. Ugy látszik neked semmi sem jó. Az lenne a legmegfelelőbb ha a modik zárnák a topicot, ill. nyitás esetén, megjelenés előtt ellenőriznék a témát, nem jelenne megy ennyi baromság.
Mellesleg ha valakinek ilyen jól megy az üzlet vegye meg a gyári megoldást.
Szia. Nem házi olajsütő a kérdéses szerkezet, hanem egy ipari sütőgép ami óránként 10 liter étolajat fogyaszt, ennyit szív be a sütött termék és benne 30 liter étolaj van 190 Celsius körüli hőfokra melegítve. Ez egy nagyüzemi sütőgép ahol pótolni kell az olajat ésmérni a szintjét.
Szia 2 hónapja megy folyamatosan és a termékek kisülve jönnek ki belőle kb. 3- másodpercenként.
Szia Zolika60. Nem nem felejtettem még el a dolgot!
Szia Bankimajki. Az olaj melegítését gáz végzi nem a 220 V.
Szia Fongab. Köszönöm a linket, jó kis jegyzet vagy könyv. Köszönöm.
Tessék, akkor ez a megoldás. A felső tartályból levezető cső mindig 30 cm-en tartja az olajszintet. Ha az olajszint a belehelyeztt sütendő anyagok miatt megemelkedik, akkor a felesleges olaj a túlfolyócsövön az alsó tartályba kerül, ahonnan - akár egy filter közbeiktatásával - a szivattyú feltölti a felső tartályba. Ha a rendszert tisztítani kell, akkor a szivattyút le kell állítani, a leeresztő szelepet meg kell nyitni és a sütőtartályban levő olaj az alsó tartályba kerül. Elektromos szelepekkel mindezt meg lehet csinálni gombnyomásra is. Namármost mindeddig 30 cm-ről volt szó, de olvasom, hogy ez módosult 30 literre. Ez azért nem ugyanaz. Nyilvánvaló, hogy a felső tartályból a sütőtartályba vezető cső vége a sütőtartály aljától olyan magasságban kell hogy legyen, hogy a sütőtartályban pontosan 30 liter maradjon. Ugyanez vonatkozik a túlfolyó cső magasságára is. A gázhoz kell egy váltószelep. Ha az olaj hideg, akkor teljes teljesítménnyel megy a fűtés, ha az olaj hőfoka eléri a 190 celsiust, akkor a váltószelep átvált és a gáz takaréklángon üzemel. Innentől a vezérlésre lehet használni PIC-et, AVR-t és egy kis kínait is, aki érti a kezelést.
Szia timea60!
Itt neked csak a dupla hőérzékelős megoldás a járható út, úgy ahogy vilmosd is javasolta. Az egyik hőérzékelő olyan magasságban van mint a sütő gyári hőérzékelője a másik a megkívánt minimum szinten van. Figyelni kell a két érzékelőt és ha a minimum szinten (feljebb) lévő érzékelő hidegebb lett mert lecsökkent az olajszint, akkor vagy fény és hangjelzést ad vagy akár egy szivattyúval pótolhatja az elfogyott olajat. Ez egy működő megoldás. A gyorséttermekben lévő amerikai frituk is így csinálják. A többi megoldással csak az a gond, hogy nagyon karbantartás igényes az olaj vulkanizálódásra való hajlama miatt és a forró olajgőz miatt.
Utána érdeklődtem a nagykonyhai "ipari" olajsütők működéséről. Vagy egy kis bibi... Ezekben a gépekben az olajréteg alatt egy vízréteg van mely ülepíti a lehulló törmeléket, hogy az ne égjen az olajban és a sarat könnyebb legyen tisztítani. Emiatt a fűtési rendszer sem a hagyományos. Jó lenne tudni, hogy ez egy konyhai fritu, vagy tényleg nagygép....
|
Bejelentkezés
Hirdetés |





Na ehhez kéne igazán sok sütnivaló!

