Fórum témák
» Több friss téma |
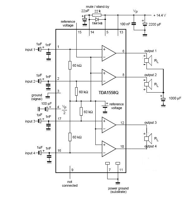
Fórum » TDA1558Q
Témaindító: Vassjozsef01, idő: Ápr 2, 2008
Témakörök:
Bocsi hogy ezzel zavartalak titeket. Rajtavan az IC adatlapján: 10% THD 4ohm 22W
Viszont arra kíváncsi lennék, hogy a mute-standby-t hogyan lehetne megoldani egy háromállású kapcsolóval?
Egyik állásban a kapcsoló kiadja a + tápfeszt, ez az üzemi állapot (szól az erősítő).
Középső állásban a kiadott fesz 3,3 és 6,4 volt között legyen, mondjuk tipikusan 5V lehet, ezt megoldhatod pl. egy zéner dióda segítségével. (Ez lesz a némított állapot.) Harmadik állásban nincs fesz, ez a stand-by állapot.
Köszi
lenne még két kérdésem:-Ha úgy használom a mute/standby funkciót, ahogy az előbb leírtad, akkor is szükség van 14-es lábra kötött 22µF-os kondenzátorra? -Mi az a referencia feszültség, és mire jó?
Ez esetben elhagyhatod.
A ref.fesz megértéséhez talán a műveleti erősítőknél kellene utánanézni, mert ha megfigyeled, az IC leegyszerűsítve négy műveleti erősítőt tartalmaz, a ref.fesz pedig ezek egyik lábára kapcsolódik, a másik lábak bedig a bemenetek. Tehát ha a műveleti erősítőknek utána nézel, megérted, de itt nem térnék ki rá jobban.
Ezt az IC-t mekkora feszültséggel lehet teljesen kivezérelni?
Ne akard teljesen kivezérelni, az már 10%-os torzítást eredményez.
Normál vonalkimenetre nyugodtan rákötheted, de sose méregettem, hogy milyen bemenő jel melett van teljesen kihajtva.
Nem akarom teljesen kihajtani. Be akarom dobozolni, és be akarok építeni egy kivezérlésjelzőt hogy tudjam mikor túl nagy a bemenő jel
Annak a kalibrálásához kellene.
Ja, értem, szerintem azt kísérletezéssel fogod tudni belőni.
Sziasztok
Olyan kérdésem lenne hogy ebből az IC-ből szeretnék egy 5.1-es erősítőt készíteni azaz az összesen 2x csinálnám meg az egyik panelen a 4 csatorna külön a másikon 2-2 csatorna hídba lenne kötve ezzel nincs i probléma. ![]() A táppal kezdődik a gond jelenleg van itthon nekem egy régi rossz autó akkutöltő a trafója 10 V DC-t ad le nem lenne ez egy kicsit sok neki ? mármint nem a feszültségre gondolok hanem az áramerősségre, meg az a probléma hogy a trafó bazinehéz meg akkora mint egy ATX táp dobozzal de ha más nincs ezzel is elmenne szerintetek ideiglenesen ?
Ja annyit kihagytam hogy a töltő 1987-ből származik
Hali!
Akkutöltő szerintem lead 12-14V-ot is nem? De nyugodtan rákötheted, csak jól meg kell szűrni a tápot néhány ezer µF kondival.
Szia ez egy régi trabant akku töltő, a 601-esnek meg a gyári elektronikája 6 V, azt hiszem hogy wartburg vagy barkas elektronikával cserélték le. De attól még lehet hogy igazad van a biztonság kedvéért majd kimérem a tényleges feszültséget de maximum 18 V-ig elmegy főleg hogy 2 db erősítő lesz így meg sztem elegendő lenne.
Pakolászás közben rátaláltam egy megfelelő trafóra, mérete sem rossz, ez a trafó egy vetítőhoz való trafó 12V AC ezt egyenirányítanám, szűrném.
Nem mértem meg hogy ténylegesen 12V AC-t ad e le csak egyenirányítás, szűrés után mértem DC-t de az nem 16,92V volt hanem 19V (terhelés nélkül) Ez viszont pont meghaladná a tűréshatárát az IC-knek nem ? Az kapcsolási tervet csatolom ![]() Előre is köszönöm a segítséget.
Ja, azt nem írtad, hogy trabanté...
A 19-re ne kösd rá az erősítőt, mert biztos nem fogja értékelni. Az a trafó akkor kb. 13,5V-ot ad.
Szia értem, gondoltam hogy sok lenne a 19 V neki és nem szeretnék ártani az IC-knek xD
Módosítottam a rajzon ezzel a megoldással szerinted jó lenne ?
Nem.
A 7812-es csak 1 ampert tud. A 7912-es nem kell. Neked a lenti kapcsolás kell, ami elé még kell egy legalább 10 amperes diódahíd.
Ahogy Ronin is írta neked nem kell kettős táp. És ha kisebb feszültségre stabilizálod akkor 15 V ra érdemes ,nagyobb lesz a teljesítmény mint 12 -ről. Készíts olyan subb szűrőt az egyszerűség kedvéért aminek nem kell kettős táp.
Értelek, de ha jól látom amit te küldtél az csak + tápfeszt biztosít, nekem meg kell a + / - tápfesz is, plusz a gnd azaz szimmetrikus kell ezért gondoltam hogy kellene a 7912 a -tápfeszre a 7812 pedig a pluszra.
ez is egy megoldás de az a rajz amit csatoltam az működne vagy felejtős?
Nem célszerű így megoldani az egyenirányítást mert sokkal nagyobb pufferra van így szükséged. Működnie kell így is ,de javaslom használd sima tápként rendes diódahíddal. A mellékelt linket megnézve van egy szimpla tápos subb szűrő. Ott van egy letöltés felirat is ,rákattintva lejön a kapcsolási rajz és a nyákterv.Bővebben: Link
Szia! megfontolom a tanácsodat nem néz ki rossznak ez a szűrő sem, egyébként mindenféleképpen 10000ľF/50V-os elkóval pufferelem. Mert jelenleg van 2db ilyen kondim elfekvőbe a stab ic-nek meg nem egy was is das az ára.
Esetleg ez is szóba jöhet ami a link-en van. Az bírja a tápfeszt bőven.Bővebben: Link
Sziasztok, ezt az ic-t három csatornas uzemmodban lehet alkalmazni ?
szia igen úgy is lehet, csak akkor 2x11Watt lesz és 1x 22watt
ha minden igaz így működnie kell
Hali!
Bővebben: Link |
Bejelentkezés
Hirdetés |




Köszi, már rájöttem...
lenne még két kérdésem:




