Fórum témák
» Több friss téma |
Szevasztok!
Lehet egyeres árnyékolt kábelből szkóp mérőkábelt csinálni? (A szkópomat most kaptam, nincs hozzá kábel, a bemenete pedig nem valami aljzat, hanem 2 db üreges, menetes fém pöcök egy banándugónak való keresztirányú üreggel). A kábel ere lenne a "fázis", az árnyékolás meg a föld, mint egy mono jack kábelben például.
Szia! Lehetséges,de attól függ,hogy milyen frekvencián mérsz vele.Hf mérésre,kipróbálni a szkópot,jó lesz.Azért egy gyári mérőkábel nem ilyen egyszerű,nem hiába olyan drágák.Én is használok ilyet,arra figyelj,hogy egy méternél ne legyen hosszabb,és lehetőleg 50 ohm-os koaxkábel legyen(legalább is én mikor használt szkópot vettem ilyen "csodát kaptam hozzá)A külső harisnyára vezetékkel kötsz egy krokodilcsipeszt,a belső ér végére pedig forrasztol egy tűt,majd,egy filctoll külsejébe belehúzod,és beleragasztod.Üdv:Laci!
Kis frekis mérésekhez használhatsz árnyékolt kábelt, de a kapacitása nem legyen túl nagy. Ilyenkor 1:1 es kábeled lesz, tehát nagyobb feszt már nem tudsz mérni.
Ehez kell az 1:10-es osztós kábel. Javaslom vegyél gyári mérő kábelt, már néhány ezer Ft-ért kapsz.
Köszi a segítséget!
Sziasztok!
Pár hónapja kaptam egy oszcilloszkópot,megvan egy jópár évtizedes,épp ezért nem is igazán tudom használni. Mérni speciel még tudnék is vele,csak épp a rajta lévő beállíthatóságokat nem értem. A Volt/Div kapcsoló helyett Input Atten kapcsoló van,valami igen fura beosztásban,illetve a Time/Div kapcsoló helyén a Frequ. Coarse feliratú kapcsoló, Hertzekre beosztva. Feszültség mérésnél ugyebár leolvasom hány egység a jel csúcstól-csúcsig,majd megszorzom a Volts/Div kapcsoló beállított értékével. Itt viszont mit szorozzak,vagy milyen beosztások akarnak ezek lenni? Egyszerűen nem tudok rájönni. Az EMG1538-as készülékről lenne szó Linkelek egy KÉPET róla.
Mivel nincs rajta se "skála", se mérőléc, így nem lehet értelmezni a V/div stb. értékeket, illetve mérni sem nagyon lehet vele.
A függőleges, ill. vízszintes erősítőnek a bemeneti csillapítását lehet állítani fokozatokban, (x szeres) és a vízszintes erősítő erősítését folyamatosan is. Az eltérítés frekvenciáját is lehet állítani fokozatosan, ill. folyamatosan is. Mivel sem mérőeszközt, sem hitelesítési lehetőséget nem tartalmaz ez az egyszerű szkóp, mérésre csak összehasonlítás módszerével alkalmazható. Azért lassabb jelek megfigyelésére kb 1 MHz -ig alkalmas.
Sziasztok!
Abban szeretném a segítségeteket kérni, hogy univerzális (legfőképp audió) célra lehetne-e használni ezt a oszcilloszkópot. Segítségeteket előre is köszönöm. (Karácsonyi ajándék lesz magamnak)
Üdv!
Tökéletes hozzá, de "A hálózati csatlakozója amerikai rendszerű." Tehát 120V/60Hz-re tervezték. Vásárlás előtt érdeklődd meg, hogy át lehet e kapcsolni a hazai szabványra. Vagy ha nem, kapcsolható, akkor tud e a 90 - 240V-os feszültség tartományban üzemelni.
Hello! Megkérdeztem, és köszi a segítséget.
Az enyémen van skála is,egy kis zöld átlátszó plexi. Hozzáteszem,elég röhejes,mert alig látszik rajta a beosztás. Tehát akkor azt mondod,evvel Pl: egy végfokozat teljesítményét nem fogom tudni meghatározni?
Akkor pláne jó, merthogy a input.atten.=bemeneti osztó, szerintem dB(esetleg Neper)-ben feliratozva-tessék átszámolni-végül is ugyanaz,mint a time/div!A freq.coarse=frekv. durva állítási opciója, (biztosan van finomállító poti is) csak nem time(per.idő)/div, hanem freki. Ha van raszterháló, akkor tehát van "div" is .
Az tényleg gáz, zöld szűrőn keresztül zöld ernyőt nézegetni.
Egy erősítő kimeneti teljesítményét egy 1 kHz -es színusz mérésére alkalmas voltmérővel sokkal pontosabban megmérheted, mint bármely szkóppal. De pl. pontosan meg tudod határozni, mikor kezdi vágni a színuszt, és akkor mérsz feszültséget. De megvizsgálhatod az erősítőd impulzus átvitelét, még 20 kHz esetén is,vagy egyes fokozatok munkapontjának helyességét.
Igen,akkor a finom "hangoló" valószínűleg a Frequ Fine lesz.
Holnap lemérek vele valami kisebb feszültségű trafót/más ötletem nincs/ és meglátjuk,hogy milyen beosztásban van a bemeneti csillapító. A rajz szerint úgy vannak megjelölve,hogy 1:1,1:3,1:10 stb...
Már gondolkodtam rajta,hogy gyártok hozzá újat,normális centiméter beosztásban,mert ami most van,az botrányos. Bár az a kérdés,hogy érdemes-e vele még foglalkozni? Még csak nem is centiméter háló,hanem egy derékszögű koordináta rendszer van rajta jelenleg.
Audiós mérésre jó lesz.
A Leadereken amit eddig láttam mindegyik átkapcsolható trafós szokott lenni, ha nincs kivezetve hátul akkor belül lehet átkötni az amerikai vagy európai feszre.
Nem kell feltétlenül cm beosztásnak lennie, bármilyen raszterhez lehet hitelesíteni. Általában a kihasználható ernyőfelületet szokás osztani tíz részre a könnyebb számíthatóság érdekében.
Sziasztok.
Egy kis értetlenség adódott... Szkóphoz 10:1 házi mérőkábelt szeretnék csinálni, találtam is leírást róla a neten,de belezavarodtam. Az egyik leírás szerint lényegében a mérőkábel egy sima feszültségosztó, 10V-be 1V-ki. A másik leírás szerint úgy kell az osztás kalkulálni, hogy a műszer bemeneti impedanciáját is hozzá kell számolni valahogy a mérőkábel ellenállásaihoz.Bővebben: Link Most hogy is van ez?
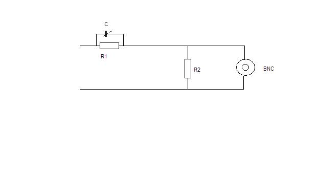
A 2. esetnél azt kell figyelembe venni, hogy az R2-es jelölésű ellenállás párhuzamosan van bekötve a szkóp belső ellenállásával, amely kb. 1 Mohm szokott lenni. Ezáltal az "eredő" bemeneti ellenállás lecsökken, kb. a felére, 500 kohm körülire. Előtte pedig ott a soros 5 Gohm. Így tehát a mérni kívánt érték 1:10-e jut a szkóp bemeneti egységére.
A helyzet az, hogyha egy osztót frekvencia függetlenre akarsz csinálni, akkor az a teendő, hogy az osztó tagjai időállandójainak meg kell egyezniük. Mivel egy oszcilloszkóp bemeneti impedanciáját általában úgy adják meg, pl. 1 Mohm×20 pF. ez egy impedancia. Az osztó felső tagjának és ennek az impedanciának a képzetes részének meg kell egyeznie, (az időállandójának, azaz az RC szorzatnak) az alsó tagjának, a szkób bemeneti időállandójával. Mivel a felső (soros) tag kapacitását változtathatóra képezik ki, ezt addíg kell változtatni (többnyire tekerni) amíg a frekvenciamenet ki nem egyenlítődik. Ezt egyszerű módon a hitelesítő generátor négyszögjelének segítségével tudod megtenni.
Köszönöm.
Értem. Tehát a műszer belső ellenállását bele kell számolni az egész osztásba. Tehát a mellékelt rajz szerint lesz egy 10X kábelem, de ha jól sejtem ezzel max 100k belső ellenállású cuccokat mérhetek anélkül, hogy beterhelném az ármkört a szkóppal. Jól gondolom?
Sziasztok!
Nem tudja valaki, hogy honnan tudnék egy kezelési utasítást szerezni ehhez a szkóphoz: PM3215 ?
Mellékeltem egy szkóp bemeneti kompenzált osztóját. Ez biztosítja, hogy s szkóp bemenete minden érzékenységi fokozatban 1 Mohm, paralell 20 pF (ez nem biztos, nem számoltam ki) legyen. Ehhez, hogy az osztás 1:10 legyen, a mérőfejbe egy 10, (pontosabban 9) Mohm -os ellenállás kell. Ezzel kapcsolódik párhuzamosan egy változtatható kapacitás, amivel a frekvencia független osztás arányt be lehet állítani, ahogy a bemeneti fokozatban is látható. Ebben az állásban a szkóp bemeneti ellenállása 10 Mohm lesz, ezért praktikus ha csak lehet, ebben az állásban használni. Impulzus méréseknél amúgy sem az érzékenység a fontos, mert úgyis V nagyságrendű jelek vannak, viszont a frekvencia függetlenség alapvető fontosságú.
Közben tárgytalanná vált!
Megtaláltam a neten!
Köszi.
Most látom hogy előző hsz.-em melléklete lemaradt. Így jó lehet akkor, vagy használjak nagyobb értékű ellenállásokat?
Nem értem, mi az a 111 kohm ellenállás. Ha a szkóp bemenete 1 Mohm, akkor mekkora ellenállást kell szerinted elétenni, hogy 1:10 osztást kapj? Ha 1 Mohmot teszel, akkor mennyi, ha 1 Mohm + 111 k --> 1 Mohm, az mekkora osztás? Különben is a mérőfejben csak egy ellenállás lehet, párhuzamosan egy trimmerrel.
Tényleg,
valamit nagyon elszámoltam. De végül is most azt nem értem, miért írod, hogy csak egy ellenállás lehet? Ezen az oldalon is látszik hogy két ellenállás van. Az egyik (R2) a melegér és árnyékolás között, a másik (R1) megy tovább a tűre. A mellékelt rajzon R2 és a műszer belső ellenállásának van egy párhuzamos eredője. Ez az eredő és az R1 az osztás. Nem? De ha csak egy ellenállást használok ahogy írod, akkor 9Mohm ellenállás kell a meleg érre, és létrejön a 10x osztás, a műszer belső ellenállása miatt? Vagy most hogy?
Nem igazán értem miért van szükség a mérővezeték elején egy ellenállásra, és miért pont ekkorára, dehát tudjuk, hogy mindíg vannak olyanok akik az egyszerű, és stabil megoldásokat bonyolítják. Mindenesetre az a párhuzamos ellenállás a földre elrontja az osztó kompenzálását. A kompenzált osztó feltétele: R1*C1=Rbem*Cbem
Én sem értem, ezért kérdem.
Mert akkor lényegében azt mondod, kell egy szál koax, egy 9Mohm ellenállás és egy trimmerkondi. Ennyi?
Így van, ha megnézel egy gyári mérőfejet, abban sincs más. A specialitás a gyári mérőfejekben, a használt kiskapacitású árnyékolt kábelben van, ami az autós antennakábelekhez hasonlít.
|
Bejelentkezés
Hirdetés |




Az EMG1538-as készülékről lenne szó 


valamit nagyon elszámoltam. 
