Fórum témák
» Több friss téma |
Fórum » NiMh akku-töltő
Érdekes, de legalább már csinál valamit.
Ez a melegedés engem arra emlékeztet, mint amikor a MAX712-nél kOhm helyett Ohm nagyságrendű áramkorlátozó ellenállást raktam az IC táp lábára. Biztos, hogy csak csepptöltés az? Úgy láttam az adatlapot, hogy 3 fajta töltési mód van beleprogramozva. Lehet, hogy az a normál (gyors) töltési módja, csak túl alacsonyra sikeredett beállítani. Bár lehet, hogy tévedek. :nemtudom:
Nem tudom mi lehet ez de biztos hogy nem gyorstöltés! A melegedés már elmúlt. Két fóliacsík között nem marta ki jól maradt egy apró pötty(csak nagyítóval vettem észre) és ettől melegedett. A töltőáram lemerült akkunál 90 mA volt, de ez se folyamatosan, hanem impulsusszerűen. Pedig elvileg lineáris töltő!
Akkor lehet, hogy mégis rossz az IC? Arra gondolok, hogy rosszul értelmezi az akksi töltöttségi szintjét, azaz azt hiszi, hogy már fel van töltve, így csak nagyon kis árammal tölt.
Vagy: Kicserélet a melegedő IC-t? Lehet, hogy az a rövidzár miatti melegedés nem tett jót neki.
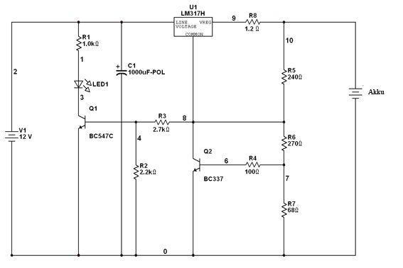
egy kérdés még a kétakksit párhuzamosan vagy sorosan kössem be?
Szia !
Csak egy kicsit kell stimmelni, és jó ![]() Üdv!
Helló!
Az IC-t kicseréltem és változtattam a trnyóknál lévő ellenállásokon. Most már dél óta tölt kb 200mA-es árammal. Lehet hogy így már jó lesz. A feszültség már 1,45 V körül van. Meddig kellene neki felmenni?
Ez most már tényleg jobban hangzik. Mekkora kapacitású akksit töltesz? Érdekes, mert 2 óra alatt 400mAh kapacitás ment bele, és már szinte fel van töltve. 1.55V környékén kellene majd leállnia.
Az akksi kapacitása 1900mAh. Az alapkapcsolásban a kikapcsolási idő 3 óra, úgyhogy kb 3 felé ki fog kapcsolni. Ha addig nem tölt fel akkor kihuzom, várok pár percet és visszadugom tölteni.Majd az ellenállás helyére beteszek egy trimmert, hogy lehessen állítani az időt!
Az 1900-as akksit 13.3 óra alatt lehetne ekkora árammal feltölteni, ha figyelembe vesszük, hogy 140%-osan kell feltölteni.
Szóval a kikapcsolási időt és a töltőáramot is érdemes lenne emelni.
Az áramot már növeltem, de ennél jobban már nem lehet szerintem. A kikapcsolási időt pedig növelni fogom. Nem tudom hogyan lehetne még növelni az áramerősséget!
Pedig az adatlapban van olyan példa is ahol 500, sőt 1000mA-rel tölt.
Tudom, néztem én is az adatlapot, de nem tudom hogyan lehetne még növelni az áramot. Az adatlapon azt írja hogy 1700mAh-ás akksit gyorstöltéssel C/7,02-vel tölti. Ez kb ott van a 200mA közelében, de hogy, hogy lehetne átállítani az 1000mA-es határra azt nem írja! Ennyit az adatlapról!
Hát ez igaz.
Akkor nincs más, próbálkozni kell azzal az ellenállással még, amivel sikerült elérni ezt a nagyobb töltőáramot, vagy a töltési időt kitolni 14 órára, és akkor lesz egy szuper normál töltőd, ami figyeli a -dV-t. Ha be lehet állítai ekkora időt, akkor sokkal jobb lesz, mint a MAX712, mert ott 4 óra a max.
Az a baj hogy nem tudok változtatni már az ellenálláson, mert ha kisebbre veszem akkor melegszik az IC. A töltési időt maximum 10 órára lehet beállítani. Jó ötlet a normál töltő csak olyan már van és akartam egy gyorsat amivel men kell majd 1 napot várni.
Nem tudom miért írják az adatlapba, hogy gyorstöltő amikor nem igaz. még átnézem az adtlapot, hátha nem vettem észre valamit!
Már semmi ötletem nincs, hogy most ez mitől van! Tényleg csak arra tudok gondolni, hogy az IC selejtes...
Ha viszont a MAX712-t akarod használni, akkor a 4 órás max töltési időhöz 665mA töltőáram kell, hogy az 1900-as akksi feltöltődjön. Na most a fene tudja, hogy ekkora áram mennyire káros annak az akksinak?!
Most már én sem tudom hogy mi van vele, metr kb fél órája levettem az akksikat, betettem az elemlámpámba és azóta is világít. lehet hogy impulzusüzembe ilyen kis áram is elég, hogy feltöltse?
pityu, sorosan kösd az akkukat, két verziorra tervezték a toltot, vagy 2akku, vagy 4, 280ohm ellenállat , akkor 2 akku sorba, hanem tuti h nem fog leálni
Helló!
A kapcsolás már javítva lett PCB által. Nézd meg!
Láttam a javitást, szerintem most oks, de azért a 68ohmos ellenállat helyet szerintem rakjál inkább egy trimert, mert igaz hogy a cella 1.55 ig tolthető álltalában, de pl nekem van kettő Panasonik cellam, amely 1,45V fölé nem megy a cella fesz, akármedig tölthetem, 1,40 után már melegszik
Hát nem tudom. Ha elérte a töltés végén az 1.55V körüli értéket az akksi, akkor tuti fel van töltve. Aztán természetesen ahogy kiveszed a töltőből visszaesik 1.4V környékére.
Mérd meg mekkora áramot vesz fel a lámpa, mérd az időt, amíg lemerül, és kb ki lehet ennek szorzatából számítani az akksiból kivett kapacitást. Ha 1900mAh környéke jön ki, akkor véleményem szerint tökéletesen működik a töltő.
Most feltettem két 700 mAh-ás Ni-Cd akksit meglátjuk ezt hogy tölti fel és lemérem amit írtál. Abból majd kiderül, hogy jól működik-e!
Igen, én is 1,55v ig töltöm, amugy simma generátor, de ez a két Panasonic, inkább összeégne szerintem, ugysem megy 1,45V fölé, természetesen a töltés végén mérem ezt, amikor még töltödik, s szépen mikor kezd melegedni vissza is esik a fesz ugy kb 1,43V ra.
Akkor az egy kicsit más szerkezetű, de ettől függetlenül a kapocsfesz eséssel és a melegedéssel jelzi, hogy már kész van. Sőt, nem is kellene annyira megengedni a melegedést, inkább picit hamarabb lekapcsolni.
Hát igen de ujak a drágák, még csak 4 szer voltak töltve, nem rég jöttem rá h ilyenek, elején aszt hittem hogy azért van mert nem voltak még toltve.
Helló!
Lehet hogy mostmár jó lesz a töltő. Rájöttem, hogy mi volt a gond! Az IC nem bítra meghajtani a tranyót, ezért én még beraktam két másikat és az első hajtja meg ezeket! Kipróbáltam így már 450mA-es árammal tölt, csak csinálni kell hozzá egy tápot! Holnap megcsinálom és akkor már jó lesz!
Majd holnap, ha megcsinálom hozzá a tápot lehet, hogy még több is lesz az áram. Majd akkor meglátjuk hogy tölt. Remélem így már jó lesz.
Hello!
SOS nem tud valaki föltenni, egy nagyon egyszerű Ni-MH töltőt? 120-140mA-rel kellene töltenie 2 AAA-cellát. Előre is köszi, nagyon fontos lenne!
LM317 áramgenerátor módban. Két alkatrész az egész. Megfelel?
"In"-re tápfesz, "Adjust" és "Out" közé 8.6 Ohm (145mA töltőáram), "Adjust"-ra akksi pozitív, akksi negítívra test. Nem automata, de egyszerű.
Aha értem, de a cellák feszültségével nem kell foglalkozni? a 8,6ohm az az áramerősséget állítja be? vagy ez úgy működik, hogy a bemenetre már a szükséges feszt kapcsoljam??? Ha igen akkor azt mennyire és mivel lehetne stabilizálni??
|
Bejelentkezés
Hirdetés |






Nem tudom miért írják az adatlapba, hogy gyorstöltő amikor nem igaz. még átnézem az adtlapot, hátha nem vettem észre valamit!





