Fórum témák
» Több friss téma |
- Ez a felület kizárólag, az elektronikában kezdők kérdéseinek van fenntartva és nem elfelejtve, hogy hobbielektronika a fórumunk!
- Ami tehát azt jelenti, hogy a nagymama bevásárlását nem itt beszéljük meg, ill. ez nem üzenőfal! - Kerülendő az olyan kérdés, amit egy másik meglévő (több mint 17000 van), témában kellene kitárgyalni! - És végül büntetés terhe mellett kerülendő az MSN és egyéb szleng, a magyar helyesírás mellőzése, beleértve a mondateleji nagybetűket is!
Hello!
Erre a "műszer" kifejezés elég erős, legfeljebb "teszter" szó illik rá. De bármilyen Led-et tehetsz bele. De célszerű a nagy fényerejűt választani, hogy nappal is láss valami belőle.. üdv! proli007
Hello!
Ugyan úgy kell bekötni, mintha egy Led-et tennél be soros előtét ellenállással. Egy 470ohm megteszi, akkor kb. 22mA lesz a NOC diódaárama. üdv! proli007
Üdv mindenkinek! Egy olyan dologban szeretném a segítségeteket kérni, hogy hogyan tudnám legegyszerűbben megoldani azt, hogy egy riasztó vezérlőszálán az -5V alatti kóbor feszültségek ne jelenjenek meg. Röviden olyan félvezetőre vagy valami egyszerűbb kapcsolásra lenne szükségem ami csak -5Volt feszültség felett enged át, az alatt pedig zárt.
Várom a tippeket. Előre is köszönöm! U.I. Mindenkinek Békés, Boldog Karácsonyt Kívánok!!!
Sziasztok!Mivel karácsony van és év vége ezért újra szabadságon vagyok és végre a legkedveltebb hobbimnak szánom a szabadidőm!
Íme a kép. üdv. Békés boldog karácsony kívánok minden kedves fórumtársnak és családjának! karesz01 :awink:
Sziasztok! computherm Q7 RF termosztátunk van fent az emeleten, lent, egy vezetékes. a fenti tavaly tökéletesen működött idén a fűtésszezon kezdetétől kb. szórakozik, most már napi szinten 1-2 x azt csinálja hogy nem indul el ha kell, nem áll le, nem pont abban az időben, vagy programváltáskor, hanem csak úgy. vettünk egy újat, az is ezt csinálja, szinte naponta újrahangoljuk, úgy is. mi lehet a gond, a falra szerelt egység amibe a vezetékek futnak nem cseréltük ki az újhoz, az lehet a gond?? vagy mi? nem merünk elmenni itthonról és éjjel is folyton figyelni kell, mert megszabál a gázszámla. köszönöm
Szia. Esetleg egy soros zenerdióda megfelelő polaritással bekötve.
Szia! Köszönöm a válaszodat!Akkor 3,5Voltos nagyobb
fényerejűt választok.Nagyon egyszerű kis dolog,de nagy szolgálatot tesz,mert a szervizben sokat elkérnének a beállításért.
Sziasztok, nem akartam uj temat nyitni es ez a topik ugylatom rendszeresen latogatott.
A kerdesem az az lenne, hogy lehet valahol kapni toroid gyurumagokat transzformator tekercseleshez? Egyszeruen nem akadok ra sehol, pedig a fel napom rament mar. Remelem lehet azert szerezni valahonnan EMBERI aron, nem csak nagyker:/ Koszi elore is
Sziasztok!
TDA1519-et hogyan lehet hídba kapcsolni? (ha lehet) Vagyis a 2*6W helyett 1*12W-ot szeretnék. Néztem az adatlapot, de azon nincs ilyen rajz. Üdv! Balázs
Szia. A gugli a barátom volt. De neked is lehet a barátod.
Szia!
Nekem nem volt a barátom. Köszi a választ! Üdv! Balázs
Sziasztok!
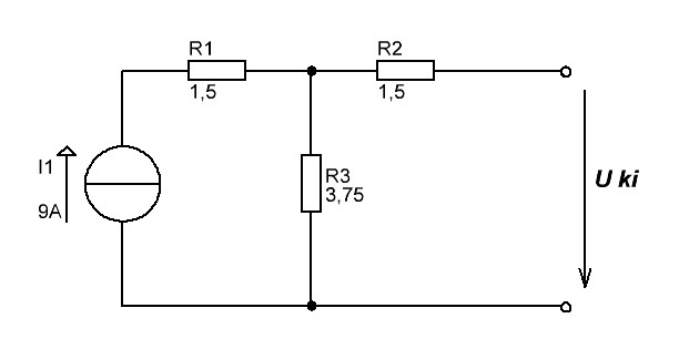
A lehető leg alapabb számolásnál elakadtam ![]() Hogyan kell kiszámolni a mellékelt kapcsolás kimeneti (terheletlen) feszültségét?
Terheletlen kimeneti feszültségnél az R2 értéke akármekkora is lehet, nem kell figyelembe venni a számításkor. Így már megy?
Ok. Jogos ezt mindig kihagyom. De akkor is zavaros.
Ha csak az R3 ellenállás marad akkor minden jó, de továbbra sem találom a számítás menetét ![]() A kapcs feszültségnek TINA szerint 33,75V kellene, hogy legyen.
U= IxR
R1+R3=5.25 ohm, és ezen folyik át 9A 9x5.25=47.25V Ebből csak az R3-on eső feszültség az érdekes, tehát a 47.25V/5.25 ohm=9x3.75=33.75V
Hello! I1 egy áramgenerátor, ezért az R1-en a feszültségesés nem számít. R2-őn azért nem számít, mert nincs terhelés. Így marad Uki=I1*R3.
üdv! proli007
Köszönöm!
Mellékeltem az eredeti kapcsolást. Véleményem szerint a megoldás: Rt = 5,25 ohm Pmax = 56,94W
Frappáns, rövid megoldás.
Ha szabad visszakérdezni: Oké, hogy I1 áramgenerátor, de ekkor R1 miért nem számít. Van egy rakás feladatom amit eddig tudok egyszerűsíteni és ilyen helyzetekben meg elvérzek.
Mert ugyanaz az áram folyik át rajta. Így egyszerűen az átfolyó áram, és az R3 szorzatát látod. Az R2 felé pedig nem folyik áram, tehát azon feszültség sem eshet.
Hello mindenkinek!(+boldog karácsonyt)
Azt szeretném kérdezni hogy:Van egy 230-ról működtetett 12 V-s asztalilámpám és mértem a trafó és a kapcsoló után a fesz.-t és 12 V volt a baj csak az volt hogy felkapcsolva is annyi volt de lekapcsolva már nem adott le teljesítményt(nem hajtott meg egy 3 wattos motort). Szóval mirt megy át az áram?
Hát mert a kapcsoló valószínűleg a 230V-ot szakítja meg. Amikor a kapcsolót átkapcsolód megszakad az áramkör és nem folyik áram.
Köszi szépen a válaszod proli007!
Már sikerült, végülis tranzisztorral oldottam meg az áramkorlátot a moc-nak, most már működött is szépen a meghajtás. Egy energia takarékos izzót vezéreltem a triaccal, de egyszercsak meggondolta magát, és simán a hálózatra kapcsolt triac, elkezdte kb 10hz-el vibráltatni az izzót. Ez mitől lehet, talán meghalt a triac?
Sziasztok,
Az lenne a kérdésem, hogy egy ilyen felépítésű a tápegységre ráakaszthatok-e egy PIC mikrovezérlőt úgy, hogy üzembiztosan működjön, vagy mindenképpen bonyolultabb felépítésű tápra lesz szükségem. köszönöm.
Köszi a segitségért ez még csak egy elméleti rajz az ajtó nyitást érzékelő kapcsolókat szeretném kiváltani valami nem mechanikusra,ugyanis becsukáskor tul nagy sebességgel érkezik az ajtó éle.Ha viszont a belső oldalra tenném akkor túl nagy nyitásra kapcsolna.A lényeg,hogy a teljes nyitást és a visszacsukást egy mechanikus szerkezet korlátozza.Ha altatógázt fecskendeznek a kabinba akkor hagyni kell hogy kinyissák az ajtót(egy beállított értékig),így kiszellőzik a fűlke ameddig szunyókál a sofőr,a nyitás után pedig 2-5 sec múlva bekapcsol a riasztó(J-2).A (J-1)pedig a nappali riasztó lesz,ami a zárra kötve azonnal riaszt ahogy a zárat kinyitoták.Sajnos a SCANIA zárat simán kinyitják,volt,hogy rámnyitották az ajtót hajnalban.
Sziasztok!
Azt szeretném megtudni,hogy az alábbi kapcsolás életképes-e. köszi.
Szevasztok! A nyomtatónak semmi baja nem volt, használtam már egy hónapja, úgy 3 hét szünet után megint bekapcsoltam és kiírta, nem észlel nyomtatófejet vagy ami van nem kompatibilis. (A taintapatronok eredetiek, újak)
Ki tudna segíteni? Kösz. Vfrenky
Elvileg igen,de terhelhetősége csak néhány 10mA.
|
Bejelentkezés
Hirdetés |










