Fórum témák
» Több friss téma |
erre gondolsz nem?
majd holnap megmerem, de ma is kikötöttem az IC 3as lábát így csak 20V egynefesz volt ott...
De te az egész mélynyomót megépíted a többi kapcsolással együtt mert ha nem neked elég lenne ennyi is ami a rjazon van. Egyébként meg ajnlom neked ezt a nyákrajzot amit ha jól emlékszem még szabi83 kollega csinált nekünk
(nekem is ez van megépítve)
jaja azegész mélynyomót megépítettem szűrvel, tápegységgel mindennel együtt, holnap az eszs az első dolgom, hogy megnezem a 10µF os kondi nélkül.
fuuh jó NYÁKnak néz ki.
HA ezt nemláttad nyilván nemolvasad végig a topikot
Én mindenképpen ezt a nyákot ajánlom neked, nekem is ez van és nagyon jó
Hello! létezik olyan program, mellyel lyukraszteres nyákra lehet megtervezni egy kapcsolást? tehát csak bevinném a kapcsolási rajzot jelekkel, és a program pedig kirajzolja nekem,hogy hogy a leg -helytakarékosabb, -egyszerűbb, hol használ legkevesebb átkötést, vagy csak egyszerűen segít, hogy ne rontsam el a kapcsolást. ilyenre gondoltam. a neve is elég lenne, ha elég híres és fent van a neten. Köszönöm szépen!
"vagy 2*4ohm/15W ami van."
Egy 30W-os ellenállat eléggé határon van járatva... Arról nem is beszélve, hogy ez az egyébként sem túl jó hatásfokú IC kimenőteljesítményéből fűt. Az ellenállás méretezésekor azt is figyelembe kell venni, hogy rövidzár esetén az adott tápfesznek és 2 ohm -os terhelésnek megfelelő teljesítményt fog fűteni (max. 100 W körül), ha esetleg mégsem működik a rövidzárvédelem. Innentől nincs értelme az egésznek, mert mindegy, hogy az erősítő az IC-nél gyullad ki, vagy az ellenállásnál... :yes: Ilyenkor az 5 A-es védelem sem biztos, hogy lekapcsol (100 W + 50 W az IC vesztesége, 30 V-on pont határeset, csak teljes kivezérlésnél kapcsol le). Ha a szimmetrikus táp egyik ágában van az 5 A-es védelem, akkor pláne. Persze nem szólok bele, úgy építed, ahogy jónak látod, de szerintem ez nem a legcélszerűbb megoldás.
Amit le írtál az igaz.
A TDA7294 csak 70W. És hogy nagyon pontosítsak. Ez olyan kísérletező fiatalok kezébe került, akinek, mindegy, hogy TV hangszórót köt rá, torzítva szól, csak zaj legyen. A védelmet, ami lekapcsolja a tápfeszt úgy állítottam, hogy amikor kimenet áram, és a bemenet feszültség között, nincs meg, az általam be állított arány, lekapcsolja az erősítőt. Ezt a megoldást 4 erősítőbe alkalmaztam. Azóta nem jött vissza. Nálam is ki van építve igaz 0,1ohmal mérem a kimeneti áramot. És volt olyan hogy, erősítőt, ki kellet kikapcsol, majd vissza ( hangszórót, hoztak javítani, tényleg rossz volt ) A megoldásra ne kérdezd hogy milyen típusú 5,1 erősítőbe láttam, nekem Így sikerült összehozni (bemeneti fesz, kimeneti áram, arány) üdv.
Szia!
Erdekes ez a védelem: Idézet: „védelmet, ami lekapcsolja a tápfeszt úgy állítottam, hogy amikor kimenet áram, és a bemenet feszültség között, nincs meg, az általam be állított arány, lekapcsolja az erősítőt.” Nem mesélnél rólla többet, esetleg a rajzot meglehet nézni???
Én az alapján néztem. Ha te is akkor jó.
Mielőtt teljesen szétszeded a R21 1,5K ellenálláshoz kössél egy 22µF kondit sorba a test felé. R21 testre menő lába ki, kondi+ ellenállás láb, kondi- test. Kimenetről a 20V eltűnt?
Végre.... úgy néz ki, hogy műkdödik és nem is a végfokozattal voltal volt a hiba. rákötöttem egy gagyi hangszórót és avval ment.
De rákötöttem egy rádiót és szólt a zene. Mostmár nyugott szívvel rátehetem subládám nem? u.i.: Bekapcsoláskor pár volt egyenfesz van a kimeneten de az rögtön el is tűnik. Ez normális?
Ja és mindenkinek öszönöm a segítségét!!!!!
Hello
A bűgást sztem árnyékolási problémák okozzák. A pilanatnyi egyenfesz nemtom normális-e
pedig árnyekotl vezetőkkel kötottem rá a potmétereket... majd csinállok róla egy képet... a kábel mindkét végét a GNDre kell kötni árnyékolásnál?
a hangszóróra nemkell árnyékolt vezeték?
Bekapcsoláskor pár volt egyenfesz van a kimeneten de az rögtön el is tűnik. Ez normális?
Igen azért használják a koppanás gátlót. Amíg nem alakul ki a normál üzem állapot. Mostmár nyugott szívvel rátehetem subládám nem? Ha nem sajnálod, de még várnék vele. Amig a bugások le nem tisztulnak. Testelés árnyékolás jó? És leírhatnád mitől kezdve szól. Hogy hol keresgéljünk.
Föld hurkot csinálsz
A hangszóróra nem kell árnyékolás Bocs egy kicsit eltávozom. kb.2 óra. Majd utána, ha még nem oldódott meg, beszélünk.
O.K. Csak gondoltam jobb tisztázni a dolgot, mielőtt valaki ráköt egy 5 W-os (neadjisten egy negyedwattos) ellenállást.
volt egy két kontakthiba a panelon
Nemhasználok árnyékolt vezetéket a hangszóróra és a potméterek árnyékolásának a földelését is csak az egyik végén kötöm a GNDre. Ez így jó? A kondenzátorok jól vannak? koszonom a segítségedet
Azt csak te tudod, hogy jó e.
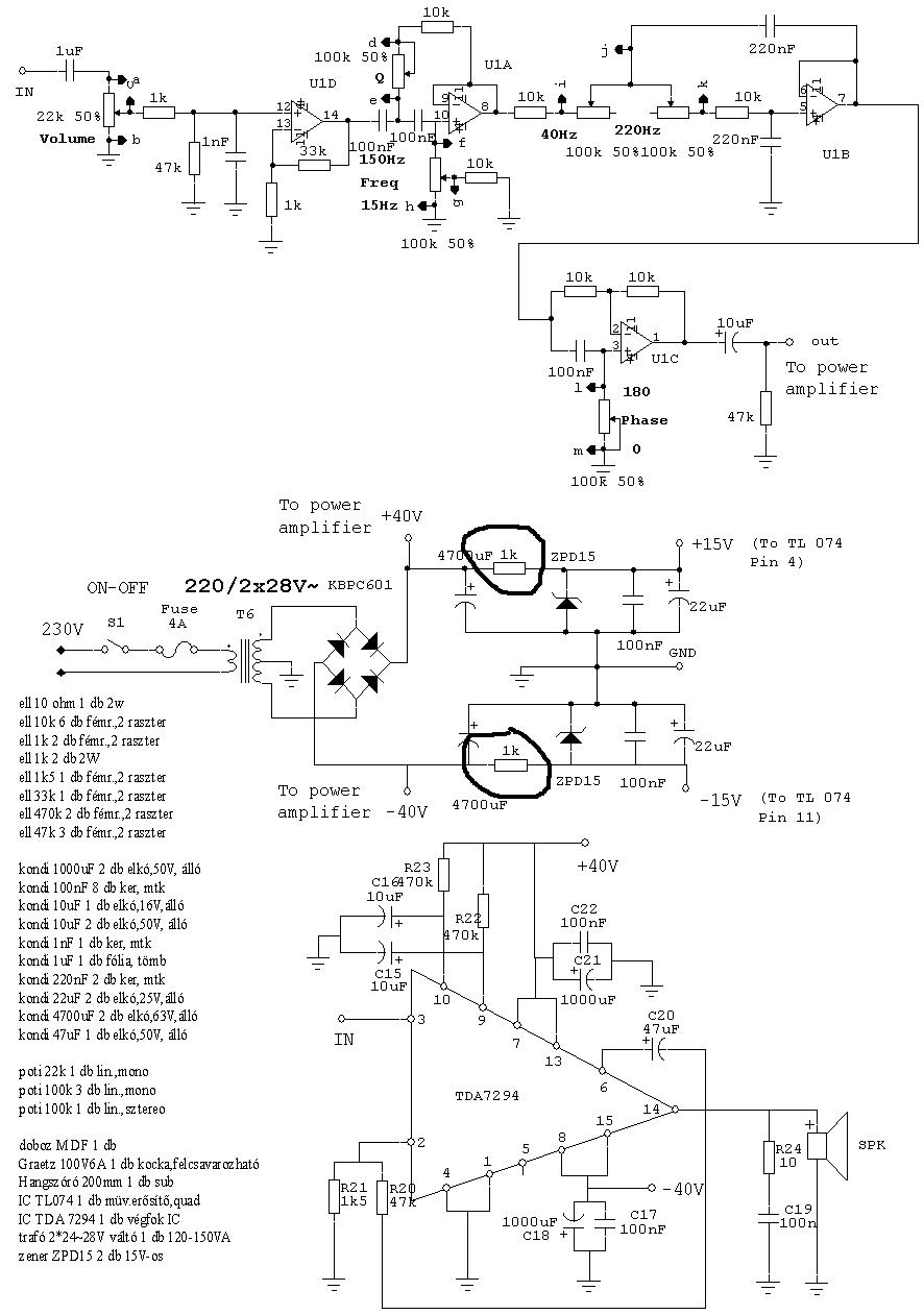
Árnyékolás bekötheted: Volume, Freq, Phase potiknál,mert azok egyik vége testre megy. Sok a kontakt, hibád. Valami nem jó. vagy a panelt szúrtad el (túl maradtad, vagy fotózásnál szemetes ) vagy, a forrasztás nem az igazi. Kondikról ha úgy van minta elvi rajzon akkor jó. Panel rajz nélkül, nem látom. És nem akarok, panelt nézegetni. Tehát bocs, de ne rakd fel. Nézd át a rajzót, és a panelt. De ezt bekapcsolás előtt, kell megnézni. A 20V mitől szűnt meg kontakt hiba?
Heló, a rajzon a kondiknak jól van bejelölve a polaritása (már ha azok a negatív pontok). Én is megépítettem nagyjából ugyanezt és jól működik. Nekem is búg egy kicsit, de ha a bemenetre jelet adok, akkor már csak minimálisan. Ja és nekem a "Q"-val jelölt poti nem csinál semmit (ami a jósági tényezőt állítja), és fogalmam sincs mit kéne hallanom miközben tekergetem
.Jótanács: a potmétereket pontosan ugyanúgy próbáld bekötni és ne fordítva, különben pl. a hangerő maxon lesz, mikor le van csavarva.... kellemetlen dolog az A kapcsolási rajzról le tudod követni, hogy vannak bekötve.
Q jelölt poti. Meg kellene nézni hogy U1D 14láb és a U1A 8 láb mekkora feszültséget ad ki.
Lehet, hogy a 14 láb elnyomja a 8 láb feszültségét. Bugásról: Lehet, hogy olyan érzékeny, hogy amit a levegőbe összeszed azt hallani pl.: a trafó szórt mágnes terét. Mert 15-220Hz erősít, és abba benne van 50-100Hz. Árnyékolás csak a szűrőt de azt nagyon. üdv.
untitled.jpg bejeloltem rajta a kondik polaritását. Direkt azért raktam fel.
én ha a Qt csvargatom akkor jobban illetve kevésbé búg. De a hangerőre nemreagáll (lehet ott is kontakthiba ) majd most megnézem. hát eléggé túlmarattam az eleve vékony vezetősávokat.
helyesbítek a búgás nem reagáll a hangerőre, de ami a bemneeten bemegy az igen.
Ha a Qt megfogom akkro nagyban valtozik a bugas olykor el is halkul.Néha az újjammal egész jó basszusokat sikerul csinálnom. De megprobáltam már úgy is, hogy az U1C 1es lábanál lévő 10µF os kondi + lábát kiforrasztottam, de így se áltozott a búgás. És ha felhangosítom, akkor csattogás szerű hang jön ki kattogás.
Alap állapot: 10µF kondi + ágát forraszd ki. A Volume poti közepét (csúszka ) forraszd rá a 10µF +lábára.
Kapcsold be a hangforrást, és próbáld a Volume potit tekergetni. Mi a jelenség: recseg, torzít, jól szól.
megcsináltam amit írtál, de így is pont azt a búgást produkálj
.Ez azt jelenti hogy a végerősítőrészben lessz a bibi? De ez nem kicsit ez nagyon búg kb anniyra mint amikor az ember ráköti a számítógépet a tvre (mert pl azon nézi a filmet
senkinek semmi otlete?
ha elkezdem felhangositani akkor elkezd recsegni.
privát ment
üdv,
Sziasztok,spk jo dolgot leirtok itten,erdemes elolvazsgatni es atgondolni.Koszi.
Arrol lenne szo hogy mellekelek egy szimetrikus tap szuresenek adott rajzot,mondjatok el a velemenyeteket,de en szemely szerint KARCSU-nak talalom szuresnek egy TDA7294-esel ellatott 100W-os Woofer vegfokozathoz.Arramellatast +/- 35V-ot ogenyel 9A arrameroseggel,epp ezert talalom kevesnek a szurest,de mellekelem a kapcsolasi rajzot es majd dontsetek el ti is hogy megfelel vagy nem,elore is koszike....
Ez szerintem a műveleti erősítőt táplálja. +/-35V-ból, csinál +/-15V-ot. A TDA -nak a szűrése nincs rajta legalább is remélem.
Nézd meg Gál Norbert 112810 HSZt és ott közvetlen a TDA ICnél van a 1000uf ami, lehet hogy még kevés. üdv.
Ez igy nem lesz jó!
Üdv mindenkinek.Van egy elég jó és egyszerű nyákrajzom TDA7294-es erősítőhöz.Már többször meg lett építve és működik.Max ha búg akkor az 1000µF-os kondikat 4700µF kondikra kell cserélni.
|
Bejelentkezés
Hirdetés |





(nekem is ez van megépítve) 


.







