Fórum témák
» Több friss téma |
Fórum » Modell akksi balancer
Üdv!
Haverom a segítségemet kérte egy modell akksi töltéséhez, pontosabban a töltés közbeni balanszoláshoz. Ha valakinek van konkrét kapcsolása, kérem ne titkolja el előlem! Adott 3 cella, és a cellafeszültségek töltés közbeni elmászkálása. Próbáltuk logikailag megoldani a gondot, és eddig arra jutottunk, hogy: megvan mind3 cella feszültsége külön külön mérve.(Ennyi) Ezután ki kéne választani a legkisebb feszültségű cellát a 3 közül, és ennek az értékét referenciafeszültségként felhasználni, majd a másik két cellát erre a fesz-re meríteni.(Komparátor) Blokkvázlat már készült róla, de hogy hogyan tudom a 3 közül a legkisebb feszt kiválasztani, ez számomra nagy kérdés. Meg még az is, hogy a töltés folyamatos legyen-e, és közben a balancolás is, vagy ezt felváltva kéne csinálni? Periódusokban? (Mekkorákban?) Köszönöm előre is a segítséget!
Ahogy írtad, komparátorokkal próbálkozz...
1., átlagot képezel a 3 cellafeszből és elveszel belőle 0,1-0,2 voltot egy Ge-diódával vagy a legkisebb feszű schottkyval, ez lenne egy közös referencia;( pl. 3- 3,3 -3,5 -ből 3,1-et csinálni, hogy 2 legyen felette..) 2., amelyik nagyobb lenne ennél egy bizonyos eltéréssel ( te határozod meg ), azt menet közben leválasztod a saját komparátorával egy kis időre; az átlag ezáltal úgyis visszaesik és a cella töltése is visszaáll ( hiszterézis ); 3., ha állandóan leveszed/kisütögeted a nagyobb feszű cellát, mi lesz a töltésével? gondoltál rá? Szerintem egy-két ellenőrzött töltés/kisütés ciklus után selejtezni kellene inkább, ha muszáj.
A probléma:
(Leírásom megint nem volt tökéletes) 1., Ez modell akksi, ezek a cellák jelenleg lipo akksicellák, amiknél ki kell küszöbölni azt hogy egy bizonyos szintnél feljebb menjen a feszültsége, mert különben pillanatok alatt meghal.--> Ezért nem vennék átlagot, illetve nem számolgatnék, mivel így lehet hogy levonok belőle valamenyi feszt, és épp emiatt megy a határ fölé. Illetve az átlag lehet hogy így jön ki: 2-3,3-3,7--> 3V/cella 2., Ezek a cellák 20-40Amper leadására vannak tervezve, így ponthegesztve vannak egymáshoz. Emiatt nem lehet azt, hogy vmelyiknél leállítom a töltést. 3db cella sorosan kötve egymáshoz. Így max annyit tudnék tenni, hogy vmelyik cellára, terhelést teszek, ami által merítem a cellát. 3., A cella feszültsége egyenesen arányos a töltöttségével, tehát ha egy cella feszültsége mindig nagyobb a másik kettőnél, akkor azt folyton le kéne venni a töltési folyamatból, ha ez nagyon sokáig állandóan ki lene sütögetve, akkor egy idő után hibajelzést kellene küldeni, hogy rossz a cella. De egyébként nem lenne baj abból, hogy folyton ki van sütve, mert a cellát ez a folyamat magában nem károsítja, amíg egy bizonyos feszültség felett van, és ez idő alatt töltődik a másik két cella.-->
Leírásom megint nem volt tökéletes
Igeenn... .. így már egészen más a szitu.
Erre jutottam, bár nem vok benne bizti, h jó lesz. Be kell iktatni vmi fesz figyelőket még, hogy a hibás cellákat ki lehessen szürni.
Illetve egy kis késleltetést a kisütés elé, hogy bekapcsoláskor ne akarja egyből kisütni őket. Megerősítést/(felügyeletet ) kérek, hogy nem csináltam-e vmi egészen nagy baromságot Bocsi, arra nem gondoltam, hogy az akksi jelentheti a normál hétköznapi akksikat is A képen nincsenek értékek megadva, ez csak egy elvi rajz.
Sir-Nyeteg!
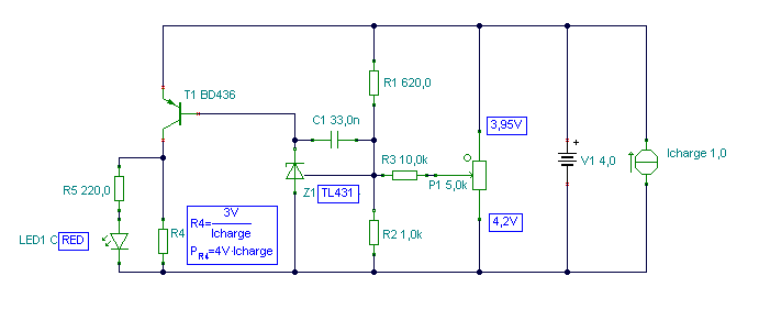
Kicsit más elven, de egyszerűbb megoldást javaslok. A csatolt kapcsolás a feltöltött cellákat annyi árammal söntöli, hogy ne töltődjenek tovább. A LED elkezd világítani, amikor kezd aktivizálódni. Ez után annyi a dolgod, hogy ha az összes LED világít, akkor leveszed a töltőről! (Minden cellára kell 1-1 ilyen áramkör.) A TL431-nek van egy kis szórása, ezért egy kis kalibrálás szükséges a timmer potival. Ha jól tudom, 4,1 V-ot szoktak megengedni töltési végfeszültségnek, tehát úgy kell beállítani a potit, hogy pontosan 4,1 V-on kezdjen világítani a LED. A tranyót hűteni kell! Ha 3A-nél nagyobb a töltőáram, akkor BD244, vagy BD250 kell. Egyébként olyat is szoktak csinálni, hogy egy kapcsoló üzemű áramkör a jobban töltött cellából áttölti a szomszédos cellába a fölösleget. Két szomszédos cellával lehet ezt eljátszani, így 3 cellához két áramkör kell, hogy az összes cellát kiegyenlítsük. Így nincs veszteség, és nem melegszik az áramkör. Még a kissé különböző cellakapacitásokból adódó különbségeket is ki tudja egyenlíteni, így egyszerre is sülnek ki a cellák. Két MOSFET (lehet SMD is), egy tekercs, meg még kb. 8 alkatrész kell hozzá.
Sir-Nyeteg! Abban iagazd volt, hogy a modellakkuk jelenleg LiPo akkuk, és abban is, hogy a 3 cella sorosan van kötve, de ma már a legtöbb akkupakkból direkt ki van vezetve a balancer-hez egy csatlakozó, amin cellánként eléred az aksikat. Szóval simán le lehet állítani a töltsét egy adott cellánál. Más kérdés, hogy iszonyatosan nem tesz neki jót, ha félbehagyod a töltést. A LiPo akkukat egy megfelelő eljárással kell tölteni. Kezdetben viszonylag kis árammal, utána nagyobbal, majd megint csökkenő áramerősséggel. Ennek persze megvannak a pontos határai. És elég rosszul érinti az akku élettartamát, ha csak úgy lekapcsolod a töltőről, amikor épp aktuálisnak látod.
Én is modellezek, és szerintem a legegyszerűbb úgy kiegyenlíteni az akkukat, hogy cellánként kisütöd mindegyiket azonos feszre, és utána cellánként külön-külön feltöltöd őket. Ezt megcsinálod kétszer-háromszor egymás után és kész. Nem kell túlbonyolítani a dolgot. Én legalábbis így szoktam csinálni, és majdhogynem század V-nyi pontossággal beállnak a cellák. De az mindenképp egy rossz megoldás, hogy lekapcsolod a töltőt... brutális megoldás az akkunak. Meg persze a pénztárcának is...
Novák! Érdekes dolgokat hallok tőled. Eddig pont ennek az ellenkezőjét olvastam több helyen is.
Ismerem a balancer csatit, köszi, ezen keresztül akarom balancolni az akksit. Bár azt nem tudom, hogy ezzel a csatival hogy tudom leállítani a töltését a cellának. Erre keresek megoldást. Szerintem csak meríteni lehet a cellát ezen keresztül. Töltő áramról mindenhol annyit írnak, hogy 1C-vel tölthetőek. Nem azt, hogy változó árammal tölthetőek. Nem szabad lekapcsolni csak úgy? Ezt nem értem, miért? Hogyhogy? Ennél nincs memória effektus, vagy tévedek? "...brutális megoldás..." A cellák 2 esetben mászkálhatnak el egymástól: terhelésnél, főleg ha nagy terhelés éri, és töltésnél. Ha a töltés előtt kisütöm, akkor azonos lesz a feszültségük, de töltéskor elmásznak egymástól, ezért kell folyamatosan balancolni. Tudtommal. Illetve mi van akkor, ha az ember kimegy a rétre reptetni? Lemerül az akksi, és vár 5 órát, amíg 2-3-szor kisüti, meg feltölti?
Ez télleg egyszerűbb megoldás. Én azért nem akartam simán max feszt figyelni, (komparátorral is meg lehetett volna oldani), mert a tölltő berendezés egyébként is pc-vel állítható, hogy hol hagyja abba az akksi töltését.
Viszont most nagyon megtetszett a két szomszédos cella kiegyenlítése, mivel itt elvileg, ha jól gondolom, nincs melegedő alkatrész. És ez méretben és praktikumban is nagyot tudna dobni a projekt megvalósításán. Tudnád ezt a megoldást vázolni, rajzolni, stb? Köszönöm!
Szia .Pittyu vagyok.Énis modellezek és használo Li-PO akksikat.Vangyári profi töltőm, de azért én is barkácsolok.A megoldás az hogy söntszabit kell csinálni.teljesenkülönálló egységeket és ezeket össze kell láncolni.TIL 431, vagy 2.5 Vos referencia lm358 as bemenetére.Amásik bemenetre helipotos fesz osztó,ami bd tranyot vezérel.Amikor a cella fesz kezdi elérni a 4.2 V ot a tranyo elkezdi kisöntölni ellenállásonkeresztül ,és csak a többin folyik töltőáram .Persze az egészen áramgenerátoron keresztül adunk delejt.
Csináltam mégegy ugyanilyen áramkört ami 3.8 Vra van beállitva --ugyanis azt irja a nagykönyv: ---Az akksikat nem szabad melegben tárolni (párazáró fóliában hütőbe kell tenni. ---A tárolás félig kisütött állapotban ( kb.3.8Von)történjen. ---Töltés Max. 1C---Kisütés akku adatlap. ---Nincs memoria effektus. Töltés abbahagyható vagy rátölthető. ---Modellben tölteni tilos (nem ajánlott) --Sérült ,jukas vagy szakadt ,felpuffadt akku veszélyes, És a sorsa a veszélyes anyag gyüjtő. Ha tudok rakok fel rajzot az én megoldásomról. Még valami,-- töltés közben az akksi nem melegedhet.
Elirtam ,tehát az egyik müv er kapcsolja a bd tranyot ,a másik egy ledet kapcsol.A helipotot ugy kell betenni osztóba, hogy marha pontosan be lehessen állitani a feszt.Az enyém pontosabb mint a gyári.
Azért válaszolok erre a levélre mert ha valaki ide téved akkor tudja, van már komoly balancer néhány 1000 Ft-ért.
Rá kell keresni a modellező boltokra a neten. Ide fejlődött a technika.
Üdv!
Én is modellezgetek, és szükségem lenne egy balancerre, de nemigazán találok. Szóval ha linkelni tudnál akkor azt szépen megköszönöm. Jah és még egy nehezítő tényező: LiFePO4 akksihoz kellene...
Üdv!
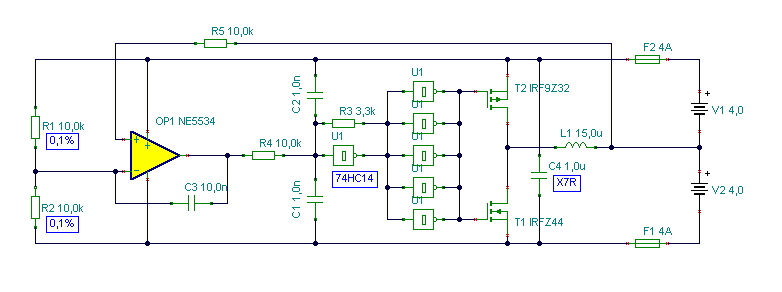
Én EZT a kapcsolást használom,eddig bevált.Soros töltő mellé szerintem kiválóan alkalmas a feladatra.
Köszönöm, azóta már megoldottam a problémát, vettem egy I-max B6 balanszeres töltőt
|
Bejelentkezés
Hirdetés |




.. így már egészen más a szitu.
) kérek, hogy nem csináltam-e vmi egészen nagy baromságot








