Fórum témák
» Több friss téma |
- Ez a felület kizárólag, az elektronikában kezdők kérdéseinek van fenntartva és nem elfelejtve, hogy hobbielektronika a fórumunk!
- Ami tehát azt jelenti, hogy a nagymama bevásárlását nem itt beszéljük meg, ill. ez nem üzenőfal! - Kerülendő az olyan kérdés, amit egy másik meglévő (több mint 17000 van), témában kellene kitárgyalni! - És végül büntetés terhe mellett kerülendő az MSN és egyéb szleng, a magyar helyesírás mellőzése, beleértve a mondateleji nagybetűket is!
Forrasztani szeretném, csak azzal a fémecskével. Nem tudja valaki, hogy hol lehet beszerezni?
(Ha valaki most látná ez az üzenetet, akkor akkumulátor forrasztásról van szó)
Tönkrement akkumulátor tokját lemezollóval megfelelő méretűre vagdosod és már van is kis lemezkéd.
Azért szokták ponthegeszteni az akkuk kivezetéseit, mert 60 fok felett többnyire tönkremennek. A ponthegesztés rövid ideig tart, nincs ideje az akksinak tönkremenni. Ha forrasztod, jó eséllyel tönkreteszed.
Még egy kérdésem van a takarítogép akksikkal kapcsolatban.
Tehát ha ez a gép 24v-os és 1500w a max teljesítménye.Akkor a 240 ah-s akksikal 4 órát tudd üzemelni? Ezzel a képlettel jól számolok???? 1500/24=62,5 240/62,5=3,84???? Mert ha igen akkor nekem elég lenne a 180ah akksi is.mert arra a 2,88 jön ki ami elvileg cirka 3 óra Errősitsetek meg hogy ez igaz,vagy rosszúl számolok. üdv
A számolás jó, de nem illik az akkut a kapacitása felénél jobban kisütni, ha sokáig szeretnénk használni.
Köszi.
Tehát ezeknél a munka akksiknál csak úgy érvényes a 800 ciklus töltés,ha csak félig merítem le? Találtam egy varta 12v 240ah-s akksit,de a fantázia neve hobby.Igy egy kicsit tartok tőle.
Általában minden ólomaksira igaz. Csak nem reklámozzák.
Sziasztok!
A kondenzátoroknál hogy jelölik, hogy egyen, vagy váltó feszültségre jó? _=egyen, ~=váltó? Amin semmi nincs az mindkettőre jó? Ami egyenre való, azt semekkora váltakozófeszültségre nem lehet rákötni? Vagy nagyobb feszültségű DC-s kondenzátort lehet használni kisebb váltakozó feszültségre? Vagy csak az elektrolit kondenzátoroknál számít, hogy egyen, vagy váltó? Van egy ilyen kondim 500V_. Ezt használhatom hálózati előtétkondenzátorként?
Szia!
A polarizációra érzékeny kondenzátorok házán egyértelmű jelzés van erre. Csak meg kell találni, de szerencsére nem bonyolult. És igen, csak az elkóknál fontos a polaritás, ezért nem is szabad váltakozófeszültségre kötni őket. Fóliakondiknál a tekercselés végét jelzik csíkkal. Ezt a hidegpontra (test) érdemes kötni a zavarok elkerülése miatt. Hálózatra 600V- vagy 250V~ típust válassz, vagy nagyobbat.
De azt írtad, hogy csak az elkóknál fontos a polaritás, és nem szabad váltakozóra kötni. Akkor ha 600V- típusú elkóra gondolsz, akkor nem szabad rákötni, mert elkó. Ha fólia kondin a vonal, nem ezt jelöli, és annál nem számít a polaritás, akkor mindegy milyen vonal van ott.
Most akkor mégis lehet kötni, vagy nem? De a legfontosabb, hogy akkor ezt a fóliakondit lehet használni hálózatra? Mert ha azt nézem, hogy 600V-ot írtál, akkor nem lehet használni. De ha azt nézem, hogy csak az elkónál számít a polaritás, és ezen nem azt jelenti a vonal, akkor ez 500VAC-t visel el, vagyis használható.
A fóliakondit egyenre és váltóra is használhatod, de plusz infóként rajtuk van a tekercselés végének a jelzése is. A normál elkókat polarizálva kell használni, azok váltófeszültségre nem jók. A képeden látható kondi 500V DC feszültségtűrésű és fólia típusú. Én legalább 600V-os példányt tennék hálózatra.
De miből tudod, hogy DC, ha az a vonal nem azt jelzi, hogy DC?
Vagy minden fóliakondi feszültségtűrése DC-ben van megadva? És 600V DC 600/2,4 AC-re jó?
DC-ben érdemesebb megadnia a gyártónak, mert az AC feszültség nem egy egyszerű fogalom. Akkor azt is oda kéne írni, hogy az AC-nak a csúcs értéke, vagy effektív... De az effektív és csúcs közötti át"váltás" már hullámforma függő. Meg ha DC-ben adják meg, akkor többet lehet ráírni, jobban fog mutatni.
Egyszerű példa: A hálózati feszültség névleges értéke AC230V . Szerencsére tudjuk, hogy szinuszos a lefutása. Ez a fesz. egy effektív érték, a csúcsértéke szin45*230V -ot ér el, és hát ugyan ezt negatívban is eléri egyszer minden periódusban.
A tapasztalt szem azonnal észreveszi, hogy ez egy tekercselt fóliakondi, aminek nem számít a feszültség neme. Egy polarizált elkón sokkal egyértelműbb és szembetűnő jelzés van a polarizáció jelzésére. A kifejezetten hálózati célra készült kondikon szerepel a váltakozófeszültségű feszültségtűrésre utaló jelzés, például hullámvonal vagy "AC" felirat Kifejezetten hálózati, biztonságos fóliakondik
Csak nem tudtam. Azért kérdeztem.
Ha mindig DC-ben adják meg akkor jó lesz, mert 400V-os mellé rakom be. Bízok benne, hogy az 500V-os is kibírja. De van valami konkrét érték átszámolásra? Vagy kondifüggő? Szóval lehet, hogy 400V-os nagy kék kemény kondi kibírja, de ez az 500V-os nem?
Bocsi, elrontottam az irományomat. Ki akartam kerülni a gyökjelet és egyebeket. Szóval átszámítás szinuszos feszültségnél 2^0,5*Ueff --> 1,41*230V=Ucsúcs
Átszámolásra nincs konkrét érték, mert az átszámítás (általánosságban) függ a jelalaktól is. De ha szinuszos mennyiségekről van szó, akkor beszorzod 1,41 -gyel, és meg is van. Amúgy nem igazán kondifüggő. Esetleg a szivárgó áramuk térhet el kissé, és hogy melyik mennyivel tud többet annál, amit garantáltan bírnia kell.
De a kondit hogy kell átszámolni?
500VDC --> 500/1,41=355/2=177VAC ?
Jobb, ha úgy jegyzed meg, hogy a két fegyverzet között a feszültség 500 V lehet, ha a jelzés ilyen 500 V - . Ez sajnos hálózati feszültségre nem jó, mert a hálózati feszültség csúcstól csúcsig mért értékének is bele kellene férnie. Ez, a 630 V- os kondiba is éppen hogy belefér.
A csatolt képen látható kondi nem kifejezetten hálózati üzemre készült, hanem erősítő fokozatokba, csatoló, hidegítő feladatokra, ahol az egyenszintre nagy amplitúdójú váltakozó feszültségek vannak szuperponálva, széles frekvencia sávban, esetleg impulzus üzemben pl. TV csöves fokozatokban. A 250 V~ jelölésű kondik kifejezetten hálózati 50 - 60 Hz -es üzemre tervezett kondik, ha más célra használod, akkor ezesetben is át kell számolni a feszültség értékeket a tényleges felhasználásnak megfelelően.
De azok közül, amik nem kifejezetten hálózati kondik, van kevésbé, és jobban alkalmas? Mert a kéknek semmi baja.
Az ilyesmik jobban bírják?
Látom, nem figyelsz. Hol látsz ezeken váltakozó feszültségre utaló jelzést? Vagy 600V feletti feszültségtűrésre utaló feliratot?
A feszültség, ami rá van írva, annak a lécnek a magassága, ami alatt át kell férni. Szőröstül, bőröstül.
Pont azt kérdeztem, hogy azok közül, amik
nem kifejezetten hálózati feszültségre készültek. Értem én, hogy a csúcs duplájára kéne méretezni, mert az a biztos. Bár a 250~, és 280~ sem 325~. Pedig 230*1,41=324,3, vagyis az sincs a csúcsra méretezve. Miért biztonságos? Mert garantáltan jó arra amit ráírnak, és nem kell átszámolni? Igaz, a 400V-ba nem fér bele a 230V se, de a kéknek nincs baja. Gondolom, mert nagyobb a feszültség tűrése, mint amit ráírtak. De csak nem 183V-al.
Azok a direkt hálózati használatra kifejlesztett típusok azért jók, mert megerősített dielektrikumúak meg több más paraméterük is a hálózati üzemre van kitalálva. Tűzbiztosak, meg a csuda tudja, hogy mikben másak, mint egy szigetelt helyen előforduló típus. Egy egyenáramú, nem hálózatra kitalált kondinak ki kell bírnia a kétszeres csúcsfeszültséget, mert van, hogy a fázis-nulla közé van építve és ott bizony kemény élet van!
Szaggatottal az effektív érték a nullához képest
Mint mindíg, most is mondom. Vegyél elő adatlapokat, és hasonlítsd össze. Azokon van mindenféle érték, üzemi feszültség, üzemi csúcsfeszültség, vizsgálati feszültség, veszteségi tényező az ajánlott frekvenciákra, stb. A feszültségeknél maradva, a kondi a megadott üzemi feszültség többszörösét is kibírhatja, de senki nem garantálja, hogy ki is bírja. a veszteségi tényező pedig lehet frekvencia függő is, az pedig a kondenzátor terhelhetőségét korlátozza. (disszipáció) Csak itt nem W -ban adják meg mint az ellenállásoknál, hanem a rákapcsolható max feszültséggel, ami végül is ugyanaz (az ohm törvény itt is érvényes), csak egy kondinál nehezebb kiszámolni.
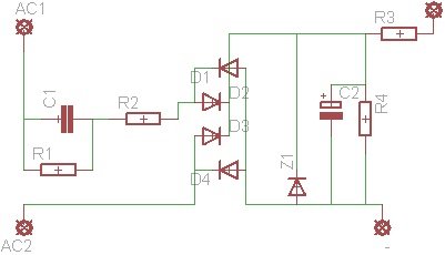
Neki(k) olyan élete(ük) lenne, hogy 6 LED-et kéne lehető legtöbb fényre bírniuk. C2 400V-os, ezért nincs benne Zener, C1 a kék 320n; R1 1M; R4 1,3M; R2 470; R3 nincs, és 1N4007-es diódák kompakt fénycsőből.
Világítanak rendesen, villogás nélkül, de szerintem nem elég fényesen. Gondoltam, ha megnövelném C1-et 348nF-ra, akkor jobb lenne a helyzet, és ezek a legnagyobb feszültségtűrésű kondijaim.
Persze, tudom én, hogy azért erőlteted ezeket a kondikat, mert nincs jobb nálad. Az mit jelent, hogy a C2 400V-os és azért nincs benne Zener?
Azt, hogy nem csak R3 nincs, hanem Z1 sincs a kapcsolásban, mert a kondi felmehet a csúcsra.
Mérd meg üzem közben, hogy mekkora váltakozó feszültség van az ominózus kondin és ennek fényében cselekedj!
Szerbusztok.
Aszt szeretném kérdezni,hogy a kapcsolásokban szereplő ledes sroboszkop kapcsolási rajzát, hol lehet meg szerezni majorka hajdu.ocsi45@t-online.hu
Rákattintasz a kapcsolási rajz feliratú feliratra: Bővebben: Link
|
Bejelentkezés
Hirdetés |














