Fórum témák
» Több friss téma |
Sajnos ez nem ilyen egyszerű, mert az optók ritkán viselnek el 100 voltot, meg ilyenkor szükségtelenné válik a poti, 100n kondi, de meg lehet oldani.
A gond ott kezdődik hogy lila fingod sincs mi miért van, hogy működik, elsőnek ezeket kellene helyretenni, aztán be lehet folyni ilyen átalakításokba. Sajnos most nincs időm a kezedbe adni a megoldást, vagy rávezetni téged, de később visszatérhetünk rá.
Szerintem nekem csak a glimm lámpa ment ki, mert ha a glim lábait összeérintem villan. Nem akarok most venni glimmet. Szerintem valami tranyóval lehetne vezérelni, de meghagynám a kézi üzemmódot is.
Sziasztok!
Van egy villanócsöves vészlámpám. A gyárban ilyen van a gépeken, ha mondjuk kifogy valami. Azt szeretném kérdezni hogy a villogást lehet-e gyorsítani valahogyan. Szétszedve 3db trimmer van rajta. 10kohm , 22kohm 2,2megaohm. Nem tudom melyik mit csinál, elrontani nem szeretném. Információ nincs róla, 12V és 24V-ról megy. Köszönöm a segítséget!
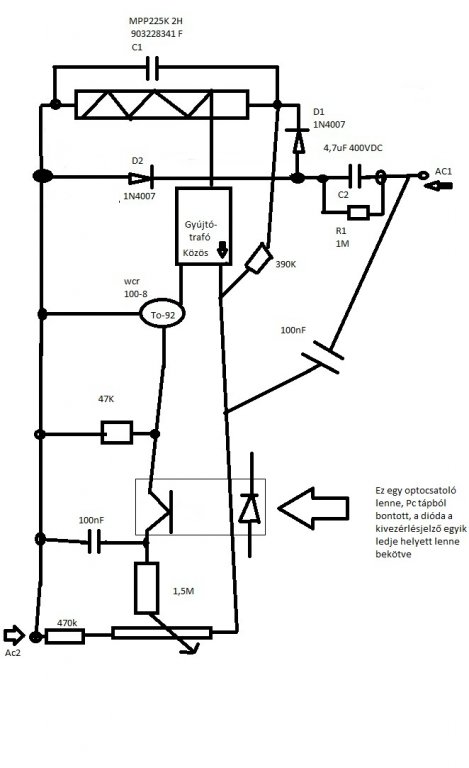
Hello
Itt a kapcsolási rajzom. Át szeretném alakítani, hogy nem potméterrel lehessen vezérelni, hanem zeneritmusra. Az alapelv hogy kivezérlésjelzöt használok. Van is egy átalakított rajzom, de nem biztos, hogy jó. A nagy tranyót amit leginkább a glimm helyett raktam, a gyorsan kell kapcsoljon, és bírjon nagy feszültségeket, és PNP tipusu. Az opto 817c-jelölésü.
Legelső kapcsolásnak az alapkapcsolást akartam belinkelni, csak ma reggel vettem észre, hogy nem az alapkapcsolás.
Van valami kapcsolási rajzod amiből kiindultál? Mert ezt így elég nehéz kibogozni. Nekem az a 100nF-os kondi mintha zavaros lenne, ami a gyujtótrafóra megy. Kisüléskor véletlenül nem a potméteren keresztül sül ki?
Itt a link amiből kiindultam.Bővebben: Link
Mi lenne ha vennék egy opto-t amilyen van a rajzon? MOC3041 JÓ?
NEM !
Amit választottál az egy spec optotriac, csak nullaátmenetkor kapcsolható be ! Olyan optrtriak kell amibe nem tettek nullaátmenet detektort. igaz hogy a rajzon is olyat írnak amiben van ZCD, de nekem gyanus h azzal nem fog menni.
Találtam a rajzon levőt: MOC3020M az remélem jó lesz.
Pont azt vahurom, hogy szerintem azzal sem fog menni, mivel az is tartalmaz ZCD-t..
És ha normál optocsatolóval, ami van a PC tápokba vezérelnék vele egy triac-ot ?
Sziasztok én 1 kérdéssel fordulok hozzátok ,hogy a mellékelt kapcsolási rajzhoz több darab 3,8 voltos,0,3Amperes izzókat szeretnék rákötni és nem tudom,hogy kellene megcsinálni.Ha valaki tud segíteni meg köszönném!
Itt egy példa, relé kell hozzá
A bc 557 nek nemnéztem az adatait, de a lényeg hogy pnp legyen! Az npn tranyó kollektora és a pnp tranyó bázisa közzé kell egy ellenállás, az értéke függ a felhasznált tranyótól
Köszi a választ , ezt a tranyót lehetne esetleg valamivel helyetesíteni?
Ezek vanna k. D1666s,C5027-R,E13007-2
Szerinted ezzel meglehet csinálni??
Te stroboszkópot akarsz csinálni aval a kapcsolással amit linkeltem
Mert a relé nem kapcsolna gyorsan Ha az az izzó 3 kivezetéses akkor sok minden kell még hozzá. De nem megoldhatatlan. A vezérlést optocsatolóval, meg triak(ok) kombinációjával lehet megvalósítani, de attol függ mi a te elvárásaid, és milyen az az izzo, vagy mi amit mutattál.
Nekem Valami olyasmit kellene csinálni amely hangra,ütemre villog
a villogó lehetne 3.8V-os 0.3 amperes izzó de ha tudsz valami olcsó dolgot ,csak szólj
Kezdésnek ajánlok neked LPT fényorgonát ledest, de keresd meg a topik-ját
Bocsi nem vettem észre ezt a hozzászólást, találtam db3-mast. Azt a glimm helyére rakjam?
Működik a stroboszkóp. Annyi kérdésem lenne még hogy egy bf 459 es tranyóval nem lehetne kapcsolni a stroboszkóp fázisát? Elvileg 300V ot elbír max kapcsolni. S arra gondoltam hogy a tranyót meg kivezérlésjelzővel vezérelném, és Zeneritmusra menne.
Hello!
Egy mennyezeti lámpa helyére szeretnék LEDes világítást csinálni. Viszont amikor bekapcsolom a zenét akkor basszusra villog. Terveztem egy kapcsolást viszont nem tudom hogy milyen értékű ellenállások kellenek bele. A hangot egy elektret mikrofonnal fogja érzékelni. Ehhez megis van az előerösytő kapcsolás. Utána rámegy a jel egy aluláteresztő szűrőre.Ennek kb 120 Hz alatt kellene vágnia. Utána egy műveleti erősítőre majd egy komparátoora megy a jel. Ezekhez nemtudom hogy milyen ellenállások kellenek. Majd utána egy tranzisztot kapcsolgat egy FET-et. 16 db magasfényű led lesz rákötve. A tápfeszültség 9 V lesz. Légyszives segitsetek mert sürgősen kellene. Köszi előre is
Helló!
Én ezt a straboszkopot szeretném megcsinálni:http://www.elektroda.pl/rtvforum/topic613070.html Már minden megvan kb. csak még nem tom milyen alkatrészek mennek bele mer csak egy kép van és nem tom leolvasni ! Ezt szeretném megkérdezni hogy tuná é valaki hogy milyen alkatrészek mennek bele ! Elöre is köszönöm !
Ott azon az oldalon van egy kapcsolási rajz. Az jó kell legyen.Bővebben: Link
Hát igen de én nem nagyon találom hogy milyen alkatreszek ezek !
Komolyan csinálod ezt!
Az előbb linkelték be a kapcsolási rajzot amin minden le van írva! kezdek fáradni az itteni okostojásoktól, nem tudom miért, de az utóbbi időben erősen megemelkedett a koncentrációjuk. Ezért elnézést kérek, ha egy kicsit nyers vagyok! Ki is veszem a figyelőből, többet ide nem írok |
Bejelentkezés
Hirdetés |












Mert a relé nem kapcsolna gyorsan 







