Fórum témák

» Több friss téma
Fórum » Riasztószerelés tapasztalatok, ötletek (kizárólag haladóknak)
Lapozás: OK   8 / 85
(#) nagysanyy válasza padisah hozzászólására (») Jan 3, 2012 /
 
Hello!

Én a BabyWare V1.31.1 használtam, használom teljesen stabilan fut.
(#) Taki33 válasza padisah hozzászólására (») Jan 4, 2012 /
 
Sikeres utánépítést!
(#) padisah hozzászólása Jan 4, 2012 /
 
Kösz. Már csak azt áruld el, miért használtál nagy 7805-öt. Miért nem volt elég a 78L05? Vagy csak egyszerűen ilyen volt a polcon?
(#) szabi_zoli82 válasza Taki33 hozzászólására (») Jan 17, 2012 /
 
Sziasztok! Az én programozóm is kb ezekből az alkatrészekből áll, és első nekifutásra egy Digiplex EVO 192-vel próbáltam ki. Tökéletesen kommunikál 57.6k-val. Annyi hogy nekem a TX-RX LED nincsen benne, csak egy tápjelző LED, és a stab IC csak egy 78L05, felesleges bele az 1A-es, a 232-es IC minimális árammal megy. Tehát bátran után építhető, nem kell megvenni a gyárit vagyonért. Az USB átalakítóval lehetnek gondok, ezt néhány telepítő mondta. Javasolt egy régebbi noti beszerzése amin még van RS-232 port. Sikeres után építést!
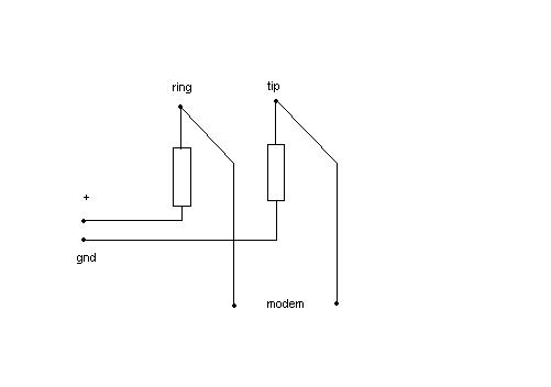
(#) apa1 válasza Syn7h37ic hozzászólására (») Jan 17, 2012 /
 
Szia !
Légyszíves rajzold le hogy kell bekötni az ellenállásokat a vonalszimulátorban,nem szeretnék semmit elsütni.
PC1616- tal is működik ?
Előre is köszönöm a segítséget.
(#) Syn7h37ic válasza apa1 hozzászólására (») Jan 17, 2012 /
 
Csak paradoxhoz jó. DSC-hez nem. DSC-t a panelen lévő direkt link porton kell letölteni helyileg, ha modemen keresztül távolról akarod, akkor oda egy US Robotics modem kell, vagy a gyári DSC modem. A lényeg, hogy a BELL103 formátumot ismerje a modem.

adp.JPG
    
(#) padisah válasza szabi_zoli82 hozzászólására (») Jan 19, 2012 /
 
Jobbat mondok!
Az általam már emlegetett és favorizált FTDI chipes ATC USB átalakító, csak nem a 810, hanem a 820, mert az TTL szintű soros portot ad ki, vagyis mintha utána raktaqd volna a MAX232-t.
Csak egy megfeleően bekötött 3 eres kábel kell a végén a Paradox csatlakozójával.
(#) BarnaPili hozzászólása Jan 23, 2012 /
 
Sziasztok!
Lehet nem egészen jó helyre megy...
Van egy Bentel BGSM-G típusú kommunikátor.Ehhez kell nekem egy Bentel security suite nevű program,hogy be tudjam állítani,kinek,mikor mit küldjön.Ha rendelkezik valaki egy linkkel,vagy magával a programmal,kérem jelezze.
Köszi előre is!
István
Erről lenne szó
(#) Syn7h37ic válasza BarnaPili hozzászólására (») Jan 23, 2012 /
 
A mail címedre érkezni fog egy "toldacuccot" link, ott megtalálod.
(#) BarnaPili válasza Syn7h37ic hozzászólására (») Jan 23, 2012 /
 
Köszönöm! Ezért szeretem ezt a fórumot.
(#) Syn7h37ic válasza BarnaPili hozzászólására (») Jan 23, 2012 /
 
Remélem átment.
(#) BarnaPili válasza Syn7h37ic hozzászólására (») Jan 23, 2012 /
 
Megérkezett,már települ fölfelé.Köszönöm még1szer!
István
Lehet,lesznek kérdéseim a témában még...
(#) kiskomo hozzászólása Jan 30, 2012 /
 
Sziasztok!pk5501 lcd/ikonos kezelőn hogy kell beállítani 24órás formátumot?Ha valaki tud segíteni,előre is köszönöm!
(#) pillerk hozzászólása Jan 30, 2012 /
 
Gondolom mindenki tudja, de hátha akad aki nem ezért megírom ide: a DSC riasztok Serial csatlakozójára (4 PIN) tokéletesen illeszkedik a számítógépes tápegységek Floppy (3.5 Disk) áram csatlakozója! Onna kell levágni, és már forrasztható is!
(#) apa1 válasza pillerk hozzászólására (») Jan 30, 2012 /
 
A cd audió kábel csatlakozója is tökéletes erre a célra.
(#) Syn7h37ic válasza kiskomo hozzászólására (») Jan 30, 2012 /
 
*8 5555 * 076 itt a 3. bekapcs.
(#) teboy00 hozzászólása Jan 30, 2012 /
 
Sziasztok!

Elég érdekes dolgot művel egy Evo 48 központ TM40-es kezelővel.
Vannak napjai amikor kifogástalanul működik. Utána megmakacsolja magát, beírja az ügyfél a kódot, meg is jelenik a a négy x a kezelőn majd egyszerűen lefagy. Megáll a késleltetés jelző épp az adott másodpercnél (még lenne idő van hogy még 12 mp van hátra.) majd addig amíg be nem riaszt nem lehet vele semmit sem kezdeni.
Firmwaret frissítettem a kezelőn és a központon is, próbáltam a lassú égy a gyors buszsebességet is, a táp igazából túlméretezett, átjelzőnek külön tápegység használva (nincs trafó megosztás), kábel védőcsőben, nincs megtépve, rendesen árnyékolva és mégis produkálja a hibát.

Szóval ebben szeretném a segítségeteket kérni, hátha vmi elkerüli a figyelmemet.
Előre is köszönöm


Tomi
(#) kiskomo válasza Syn7h37ic hozzászólására (») Feb 3, 2012 /
 
Helló! Köszönöm szépen,kipróbálom.A telepítő kód után mindig kell a csillag?
(#) sunyeb válasza kiskomo hozzászólására (») Feb 3, 2012 /
 
Igen, ha a kezelőt akarod programozni. Hiszen enélkül a központ azt hinné, hogy magát a központot akarod programozni
(#) kiskomo válasza sunyeb hozzászólására (») Feb 14, 2012 /
 
Heló! Köszönöm a választ.
(#) pillerk hozzászólása Feb 14, 2012 /
 
Nekem az LCD kezelo nem veszi át a partíciók neveit a kozponttól. Ez normális dolog? Vagy a partíciókat az LCD panelen is kell álítani? Egyébként lehetséges uj firmware-vel. pl egy új nyelvet is telepíteni az LCD kezelobe? Egyébként a kezelo: LCD5500Z. Koszonom!
(#) Syn7h37ic válasza pillerk hozzászólására (») Feb 14, 2012 /
 
A neveket az LCD tárolja DSC-nél, nem a központ. Ráadásul csak akkor tudod rendesen a neveket is laptopról állítani, ha az LCD címe a 8. Ha több LCD van, akkor a 8. Címen lévőt tudod programozni, és később ezt tudod másolni a többi LCD-re. Bár a régi LCD5500-nál nem tudom, hogy megy-e a másolás, a PK5500-nál megy.
(#) pillerk hozzászólása Feb 14, 2012 / 1
 
Csak 1 LCD van, és azt a 7. re rakta. Át lehet ezt rakni a 8 ra? Hogy ne system világítson az LCD na, hanem mondjuk Otthon, vagy ilyesmi. Ezért szeretném átnevezni. Amugy PK5500.
(#) Syn7h37ic válasza pillerk hozzászólására (») Feb 14, 2012 /
 
Kezelő címzés:
*8 5555 000 0 18. Ez az első partíció 8. helyre állítja a kezelőt.
A partíció névtől kezdődően mindennek tudsz nevet is adni. Így a "system" helyett is akármi lehet.
Az LCD programozásba a *8 5555 * a belépés. A DSC1616 installációs doksi végén mellékletben benne van az LCD kézi programozása is.
(#) apa1 hozzászólása Feb 18, 2012 /
 
Szép napot mindenkinek!
Olyan kérdésem lenne hogy a 1555-ös kezelőt hogy tudom dsl 2002 -ből programozni?
(#) padisah válasza Syn7h37ic hozzászólására (») Feb 26, 2012 /
 
Milyen US Robotics modem lenne alkalmas? tudsz konkrét típust?
(#) Bubi L hozzászólása Ápr 15, 2012 /
 
Heló mindenkinek. Segítséget szeretnék kérni egy kis apróságban. Crow RUNNER 8/16 központhoz, melyik telepítői szoftver jó a gépre, ha USB-s PC kábel van, Sajnos az rs232 csatlakozást nem bírom használni, port miatt.
(#) tomat5 hozzászólása Máj 8, 2012 /
 
Sziasztok
Kis segítségre lenne szükségem. Olyan,lehetőleg hagyományos telefonvonallal működő kommunikátort keresek, aminek van legalább 6 be- és 6 kimenete. Telefonon kellene kapcsolgatnom 6 relét, és 6 eseményhez kellene szöveges üzenetet továbbítanom.
Köszönöm a segítséget.
(#) mrpriest válasza tomat5 hozzászólására (») Máj 9, 2012 /
 
Hmm...
Hagyományos telefonvonalon hogy küldesz szöveges üzenetet??
(#) tomat5 válasza mrpriest hozzászólására (») Máj 13, 2012 /
 
Szia
Rosszul fogalmaztam. Nem SMS re gondoltam, hanem rögzített hangüzenetre.
Következő: »»   8 / 85
Bejelentkezés

Belépés

Hirdetés
XDT.hu
Az oldalon sütiket használunk a helyes működéshez. Bővebb információt az adatvédelmi szabályzatban olvashatsz. Megértettem