Fórum témák
» Több friss téma |
Fórum » Futófény
Én piccel csináltam, és van csóva effekt kitöltési tényező változtatásával... Sokkal szebb...
Hello!
Remélem nem így készíted el, ahogy a rajzon van.. (Bár nem tudhatom mi a szándékod) - A nyomógomb vezérlés nem ér semmit, mert amikor a nyomógombot megnyomod, az kontakthibázik. Tehát a számláló annyit lép, amennyit akar, de csak egyet, biztos nem fog. - Tekintve, hogy a Led-ek közül egyidőben mindig csak egy ég, a 10db. 680ohm-nak semmi értelme. Bőven elég egy is belőle, a Ledek katódja és a 0V közé. (a "k" alatti pont és a "7" alatti pont közé. A Led-ek feletti ellenállás helyett meg nem kell semmi csak átkötés.) üdv! proli007
Üdv
Proli007 köszi a segítséget.Nem úgy csináltam meg ahogy a rajzon van de nem az a lényeg,az h nem működik nem jó a kapcsolásban valami.Azt szeretnem kérni tőled h nekem nem e tudnál készíteni egy kapcsolási rajzot.Valahogy úgy kellene,hogy NE555-időzítő is legyen benne.Nem kellene túl bonyolult legyen.Előre is köszönöm.Hátha én is tudnék valamivel segíteni neked. Üdv gellertt
Sziasztok itt egy működő (oda - vissza) futófény! 555 -ös és egy 4017 -es IC -vel működik 3átkötés van rajta :/ de működik! egy 1µF kondenzátor 10 dióda és két ellenállás (nekem a 6 -os lábnál 150K -s a 8 -as lábnál pedig egy bontott poti van
Ha egyik ide belinkelt kapcsolás sem működik ,akkor vagy az ic bekötését rontod el (szisztematikusa) vagy tényleg kinyírtad.
Kezdjük azzal Az 555 részét megépítetted akkor válaszd le a 4017 14 lábáról .Tegyél az 555 3-as lábára egy ledet 470 ohm-on keresztül .Ha kész írd le hogy ez villog vagy nem (illetve mennyire gyorsan/rendszeresen /össze vissza)
Hello!
Nem kell itt rajzolgatni, ha körülnéztél volna a képeknél, itt megtaláltad volna.. üdv! proli007
Üdv
Egy új projektbe kezdtem, amibe 1 ilyen "szett" kellene. http://www.youtube.com/watch?v=rxPmi70v19w Mivel ilyen kapcsolást nem találtam, ezért úgy tervezem hogy 1 futófénnyel oldanám meg. Tehát olyan, minél egyszerűbb kapcsolás, terv kellene, ami min. 16 ledes (de 25-30 is jó lenne) futófény, és ami fontos, áttünés vagy "fade" effektes legyen. Hasonló mint a Kinght Rider. Több elektronikával megoldható lenne a 135db ledes (hosszú keskeny kijelző) , ha össze-vissza, rendszertelenül rakom a ledeket. A másik iker kijelző, 2x45 ledes. Tehát azért kellene minél több ledes kapcsolás, mert így kevesebb elektronikát kell megépíteni. (Lehet pic-es is) Előre is köszönöm az ötleteket, esetleg a terveket.
Üdv Mindenki
Olyan kérdésem volna hogy ez a kapcsolás szerintetek működő képes??Csak azért kérdezem mert a hálózat össze van kötve a gyenge áramú résszel.Várom a tanácsokat. Norbi
Minden további nélkül működik. De, az áramkör bármelyik pontján ott csücsülhet a hálózati feszültség, mivel galvanikusan nincs leválasztva! Én azt javasolnám, ha nem vagy jártas az elektronikában, hogy inkább ledekkel csináld meg, vagy ha mindenféleképp izzóval akarod, akkor ne 230-as izzóval csináld!
Pedig a terv az.Néztem még ilyen rajzokat és azt tapasztaltam hogy mindenhol össze volt kötve a gyenge és az erős áram egymással.
De köszönöm a választ. Norbi
Akkor célszerű lenne átalakítani optocsatolós leválasztásra az áramkört, vagy építeni hozzá egy un. triakos kártyát. Ha gondolod segítek az átalakításban.
A triakokat leválasztod, de azzal mi lesz amit bejelöltem? Nem tudom miért van összekötve a 220 és a test?
Ha leválasztom a triakot, nyilván teljes galvanikus szigetelést biztosít a törpefeszültségű résztől. Tehát amit bejelöltél részt, az is le fog választódni. Amiért össze van kötve a testtel, az nem más, mint a triak a testhez képest kapja a gyújtó feszültséget, és az elektronika is a testhez képest adja ki a meghajtó jeleket. Ezt egy optotriakkal és egy triakkal gyönyörűen le lehet választani.
Rajz nemsokára.
Az első ötletem nekem is ez volt.Remélem tudsz segíteni.
Ennek a rajznak van valahol leírása? Az S1-nek mi a pontos funkciója?
A kapcsolóval tulajdonképpen a számlálót tudod resetelni. Ami annyit tesz a működésben, hogy a kapcsoló állásától függően hány kimenetig történjen a léptetés. Érthetőbben, hány csatornás legyen a futófényed.
Elég segítség Neked, ha egy csatornán megmutatom, hogy hogy is kéne kinéznie, vagy inkább rajzoljam meg a teljes kapcsolást?
Jól mondja Travolta a kapcsoló arra való.
Szerintem ha már egy csatorna megvan az is nagy segítség.
A mellékelt rajzból kell annyit csinálnod, ahány kimenetre szükséged van. Jelen esetben ez 6db. A bemenetet meg kötheted közvetlen a 4017-es kimeneteire. A tranzisztorokat meg a ledeket el is hagyhatod. A mellékelt rajzon is szerepel visszajelző LED. Valamint NEM KELL ÖSSZEKÖTNÖD a triakot a gyengeáramú résszel!!! Tehát amit Shield forumtársunk linkelt rajzon pirossal kisatírozott részt nem kell összekötnöd!!
Köszönöm szépen a segítséget.
Üdv Norbi
Szívesen! Ha elakadsz csak szólj!
Üdv : Travolta
Helló!
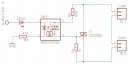
Van egy futófény 555 és 4017-es ic-vel.Bővebben: Link Az lenne a kérdésem hogyha az 555-ös és a 4017-es közé rakok egy potmétert akkor a villogás sebességét lehet változtatni? (ne555 3-as láb)
Hello!
Nem kell semmit tenni, a P1 poti pont ezt a célt szolgálja a rajzon.. (Egyébként az ötlet rossz. Ott már a villogás négyszögjele van. Azt befolyásolni ott nem lehet) üdv! proli007
ok köszi!
És ha nincs 500k-s csak 100k-s az is jó?
Hello!
Jó, csak kisebb tartományban állítható a villogás sebessége. De ha ez neked gyors, növelni lehet a C1 kondit. üdv! proli007
Sziasztok!
Azt szeretném kérdezni, hogy hogyan tudnék készíteni egy olyan futófényt, amire 4 db 400 wattos reflektort köthetek rá? köszi a segítségeteket! |
Bejelentkezés
Hirdetés |












