Fórum témák
» Több friss téma |
Fórum » NYÁK-lap készítés kérdések
A témában nincs helye a nem szakmai indíttatású vitáknak, ezért a szabályszegést elkövetők azonnali figyelmeztetés nélküli kitiltásban, vagy némításban részesülnek. Ugyan így járunk el azokkal szemben, akik "blog"-nak nézik a fórumot. Ezt mindenki tartsa szem előtt!
Szia!
Ennek örülök, mert ez a két márka van a családba egy Samsung ML-1665 és egy HP LaserJet 1020 ![]() Üdv.: Petya
Szia!
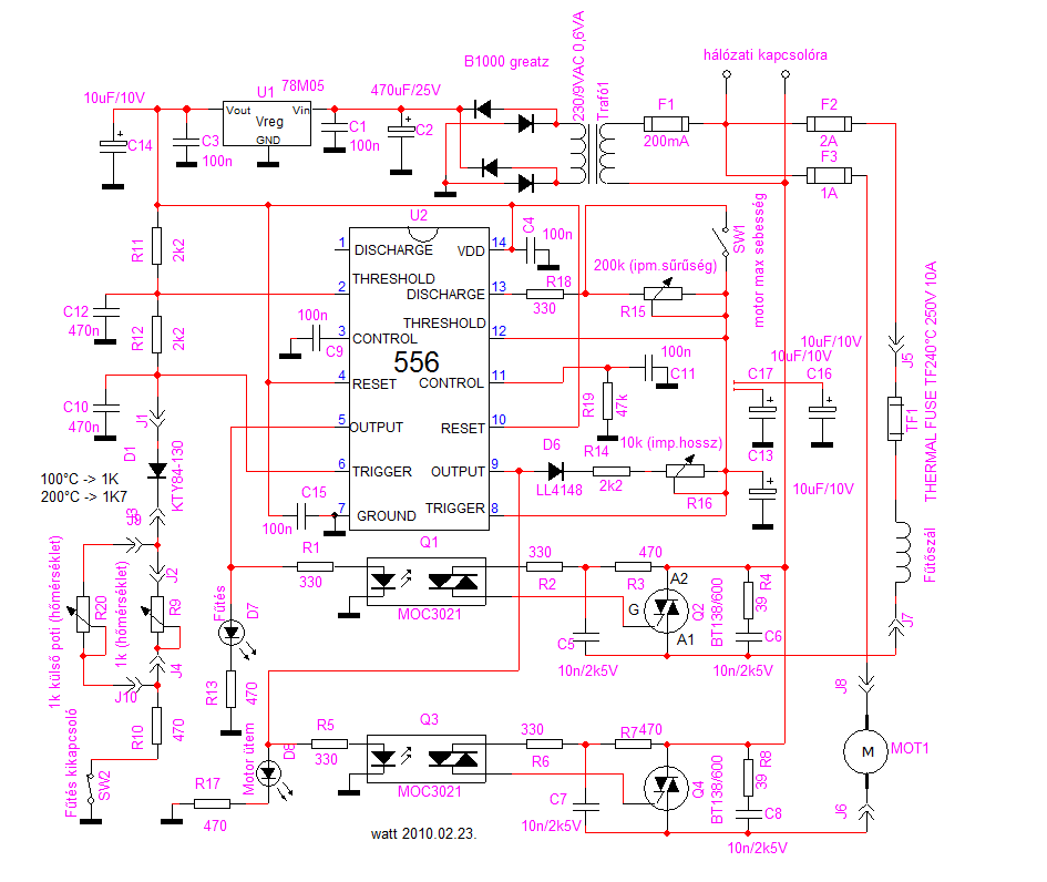
Nekem is ilyen laminálóm van, de még tavaly vettem. Öreg HP-s nyomatot nem vitte fel, vettem egy Konica nyomtatót de azzal nem is próbáltam. Elkészült a Watt féle fordulat és hőfokszabályzó, csak összeépítésre vár. A mellékletben a kapcsolási rajz. És egy egyszerű hőfokmérő is lesz hozzá.
Érdekes. Akkor ott biztos a hőfok lesz a probléma. Ezért is mondtam, hogy toner függő is.
PPetya: Majd kíváncsi leszek, hogy megy a Samsunggal, mert nekem nem pontosan a te típusod, de Samsung SCX-3205-öm van, és a vasalással eddig (kivéve az első párat) mindig hibátlanul dolgoztam.
Próbáltam súrolni jobban de akkor már a festék is kezdett kopni. Én műnyomót kerestem a boltban de nem tudtak adni. Adott valami fényes papírt. Azzal nekem bevált.
Szia !
Én az ALDI-nál vettem és 4999 HUF volt.
Szia !
Pontosan milyen HP nyomtatót használsz és milyen papírra nyomtatsz? Mekkora felbontásban nyomtatod? A panelt te is előtte üresen átengeded párszor előmelegítés gyanánt, majd úgy teszed rá a papírt?
Szia !
No, de egy fűtőszálhoz 2db vezeték kell. Egy hengerbe pedig össz-vissz 2db vezeték megy. Már pedig gondolom mindkét henger külön-külön fűtéssel rendelkezik.
Az én TESCO-s laminálómban csak a fölső henger volt fűtött.Ezért gondoltam hogy a tiedben a másik két vezeték a hőérzékelő,de ha mindkettő fűtés ,keresd tovább, meg kell lennie a hőérzékelőnek.
Értem. Én is raktam már vasalással feliratot a nyákra, és a papír szépen lejött csak a festék maradt. Azt mondjuk nem tudom, hogy EZ hány grammos, de elég vastag. Viszont, ma kipróbáltam egy jegyzet füzet félében lévő fényes felületű papírt, és sokkal vékonyabb volt, és könnyebb is volt vele dolgozni szerintem mint a vastaggal, és könnyebben lejött utána.
Íme pár kép a mai alkotásokból. (Bocsi, telefonnal volt. )
Ennél olcsóbb műnyomó papírt tudsz venni kőbánya alsonál a papírboltba ha érdekel meg nézem a címűket.
Ha jól emlékszem akkor 50ft/db
Ajánlom a helyi apróhirdetés rovatot
Csak azért írtam, hogy ha szeretnél kicsit sporolni
Túlzottan nagy energiát nem szerettem volna erre a technikára fordítani (előtte fotóztam és jól működött)ezért a legkézenfekvőbb és legolcsóbb dolgokkal tettem egy próbát, és sikerült. A nyomtatóm HP Laserjet1018.
lamináló átalakítás nélkül,valamilyen fényes szórólapra 600dpi-be nyomtatva,természetesen többször áttolva a nyákot.Nagyon fontos a nyák tisztítása.
Azt szeretném még kérdezni, hogy milyen laminátort használsz átalakítás nélkül? Azt hogy érted, hogy többszöer áttolva a nyákot? Tehát először néhányszor rátett papír nélkül, majd pedig ráteszed a papírt és áttnyomod egyszer?
Vagypedig rajta van a papír és úgy tolod át egymásután többször? Köszönöm válaszod!
Először én sem értettem, de aztán leesett azért írta az apróhirdetést, mert ő árul nagyon olcsón műnyomót
)De köszönöm a tippet, bár szegedi vagyok, és el vagyok látva műnyomóval bőven
Szia !
Az lehet, hogy a hőérzékelő csak egyetlen vmilyen üvegdióda? Vagypedig a hőérzékelőnek mindenféleképpen a hengerek körül kell lennie?
Szerintem is-is mindkét módon többször kellene átküldeni rajta, papír nélkül is és papírral is. Azt én is mondom, hogy tényleg nagyon fontos az előkészület. Én 600-as csiszolóval vizesen szoktam a legelején megcsiszolni, majd utána 96%-os alkohollal áttörlöm a zsír és szennyeződés eltávolítására.
Érdekel nagyon ez a laminálós módszer, mert a vasalóval kicsit macerásabb, lehet majd én is beruházok egy olcsóbb darabra. Szerk.: Ez az Aldis 5000 ért nem hangzik annyira rosszul, csak ha átalakítás nélkül nem megy jól, akkor lehet nem babrálok vele. Régebben írták hogy a drágább Tescos- elvileg működik minden átalakítás nélkül.
A tegnap szóba került Lidl-s lamiról van szó.Igen, papír nélkül, kétszer-háromszor átengedem így felmelegszik valamelyest, aztán nyomattal ismét vagy négyszer.A tonertakarékos üzemmód kikapcsolva, maxra állítva így
van minek, átolvadnia.
Ha szegedi vagy akkor mondom hogy én hol vettem. A kálvária sugárúton a térrel szemben van egy kis papírbolt. ott vettem ezt a fényes papírt. 15ft/db áron.
Köszönöm a tippet!
![]() [OFF]Amúgy nekem is vannak a Dériben óráim..
Szervusztok!
Két megjelent fórum bejegyzésre utalnék. (#1093539) (#1100175) Az általam említett típus, nem 5 ezer Ft, mert új ára 80000Ft volt, de a tudása minden kínlódást megold. 100-nál többen használják. http://www.expressz.hu/secure/showAdvert.do?rid=1&aid=27280817&cid=542
Szia!
Ma készítettem vele egy próba panelt. Sprint Layout szerint 1,27 mm -es raszteren csináltam 5 db 5x5 -ös négyzetet műnyomóra. 0,05; 0,1; 0,2; 0,3; 0,4; 0,5 mm-es vezetőkböl. A nyák a következő képpen készült: A megtiszttított, de még." üres " nyákot betettem a gépbe. A sebesség állító gombjával ahogy a lemezt bekapta a hengerek közé " üresbe " állítottam, majd vártam 30 mp -et, amikor letelt újra " sebességbe " tettem előbbre jött egy kicsit majd újra " üres " és ez így ment még ki nem ért a panel teljesen. Majd folyamatos üzemmódba 2x végigmentem rajta. Ezzel az előmelegítés meg is történt. Amikor ezzel megvoltam jöhetett maga a nyák készítés. Műnyomót a panelra tesz majd a gépbe bekapat. 1x folyamatos módba végigment rajta a gép, ez elég volt ahhoz, hogy a papír stabilan meg,aradjon rajta. Ez után ismét azt az elméletet követtem mint az előmelegítésnél. Az eredmény tökéletes lett. Mikro leáztattam róla a papírt minden eggyes vonal tökéletesen látszódott. Holnap teszek fel róla képet a marás előtti és utáni állapotról is. kimaratva még nem lett de arról is fogok majd írni. Üdv.: Petya
Köszönöm a rajzokat, lehet, hogy én is megépítem hozzá
Szia!
Én valami olyasmire gondoltam, hogy mivel az én laminálómba ( Made in Lidl ) belemegy a nyák mindennemű átalakítás nélkül ezért csak valami időzítő áramkört készítenék hozzá és mondjuk a beállított és a kísérletek eredménye képpen megkapott időközönként mondjuk pár mp -re behúzna egy relé tekercset aminek eredményeképp a motor áramot kapna és mikor a relé elejt akkor megszünik a táplálás, újra jöhet az a bizonyos idő.Hogy normál körülmények közt is lehessen használni a gépet egy kapcsolót kapna, hogy direktbe is kaphassa az áramot ha kell a rendeltetésszerű használathoz. üdv.: Petya
Üdv! Az a kérdésem lenne, hogy az mitől lehet hogy amikor felvasalom a rajzot a nyákra akkor csak fele marad ott vagy még annyi sem. A nyákot szépen letisztítom, vízpapirral és kefével. Az alkoholos filc kitűnően fed rajta, de a vasalás már nem megy ilyen jól. Fényes műnyomópapírt használok.
Köszi!!!
Vagy nem elég meleg a vasalód,vagy pedig nem fémtiszta a NYÁK.HA tisztítás után vizet engedsz rá,annak fednie kell a rézfelületet.Ha összefolyik foltokba,akkor még nem tiszta.Az előmaratást is megpróbálhatod.Hígított vaskloridba merítsd bele egy kis időre,míg barnás árnyalatú nem lesz a felület.Erre úgy tapad,hogy le sem lehet robbantani.
Oké! Köszi! Majd megpróbálom a következő maratásnál.
sziasztok
*** üdv. vadvaz 1. A fórumban a magyar nyelv helyesírási szabályait "illik" betartani. 2. A fórumban nem kérünk "privátba" semmit. 3. A fórumnak van apróhirdetési rovata, az üzletet ott bonyolítjuk le. Frankye
Nehéz lesz!
Ez már az A4 méretén felül van és filmet is csak nyomdait lehet, meg a levilágító is nagy kell. De lehet, hogy valakinek akad ekkora is.
Pont ez a bajom hogy nem tudom levilágítani túl nagy a felület.
Próbáltam vasalással de ekkora felületen nem lehet egyenletesen vasalni és valahol mindig feljön a toner. Ezért is kérek segítséget hátha valaki tapasztaltabb tőlem vagy már csinált ekkora méretű panelt |
Bejelentkezés
Hirdetés |







) 








