Fórum témák

» Több friss téma
Fórum » PC táp javítása
 
Témaindító: burkus, idő: Jún 19, 2006
Lapozás: OK   37 / 119
(#) 1984white válasza sanykaraj hozzászólására (») Feb 26, 2012 /
 
Ha akarsz még vele foglalkozni, akkor a szecunder részen lévő dual schottkykat tekintsd meg esetleg csere. Lehet aztán jó lesz. Üdv!
(#) zoli0078 hozzászólása Feb 27, 2012 /
 
Sziasztok,

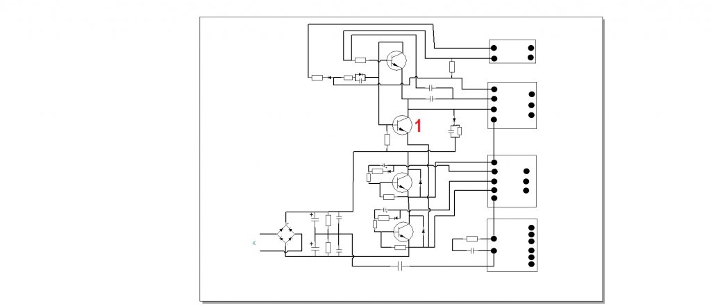
A múlkorába belekzdtem egy ATX táp (Coolink) javításába aminek az eredménye a következő: egy szétégett Termisztor cserére került majd az egyenirányító után lévő FET (teljesen zárlatos lett) is cserélve lett és mostmár a +/- táp is rendessen meg van az egyenirányítás után. Itt jött egy újabb hiba, hogy a 220V-os körbe épített 60W-os izzó villog (itt a fórumba javasolták az izzó bekötését, mert így nem megy le a bizti és az alkatrészek is túlélik) mindaddig, amíg a csatolt képen (neten találtam a képet, de az én tápom is ilyen így ezt a részt kimásoltam) látható 1 számmal jelölt tranzisztor a helyén van. Egy kis segítség kellene mi lehet a probléma.

Segítségeteket előre is köszönöm.

PSU.jpg
    
(#) 1984white válasza zoli0078 hozzászólására (») Feb 27, 2012 /
 
Szia!

Ha találnál egy komplett kapcsolási rajzot a tápodról, vagy hasonlót akkor az sokat segítene neked a javításban.

Egyébként az NTC-n és a FET en kívül más nem halott?

Átnézted a panelt?

Ja és ellenőrizd hogy az 5V vsb(lila) van e fesz illetve hogy a tl494 kap e tápfeszt és mennyit.

Amúgy az egyenirányítás után nem tranzisztorok vannak?? Esetleg a segédtáp részén állt meg a fet elől?
(#) zoli0078 válasza 1984white hozzászólására (») Feb 27, 2012 /
 
Szia,
Komplett kapcsolási rajzom sajnos nincs ezt a részt is csak nehezen találtam meg. Amiket találtam azok mindegyik más volt. Az egyenirányítás után valóban tranzisztorok vannak, a FET az egy kis kiegészítő panelen van (ez a rész nincs rajta a rajzon) és kábelekkel van összekötve a nagy nyákkal.

Megnézem a tl494 kap-e feszt eddig még nem néztem, mert villogni keztett az izzó és nem akartam, hogy valami tönkre menjen

Üdv
(#) 1984white válasza zoli0078 hozzászólására (») Feb 27, 2012 /
 
Szerintem aktív pfc-s a tápod a képek alapján.
Egy biztos, hogy a fet amit cseréltél, az a segédtáp részt látja el.
Amit cseréltél alkatrészeket próbáld lekövetni, milyen más alkatrészeket érint. Leginkább az aktív alkatrészekre gondolok ahol mondjuk két tranzisztor direkt össze van kötve vezetősávval.
Ilyen esetben ha az egyik alkatrész elszáll visz magával több mindent általában.

Ha megnéztél mindent és se tranyó se dióda semmi sem halott, akkor próbáld meg kimérni a feszt a 5VSB-n ha megvan, majd zárd össze a PS-on(zöld) a fekete dróttal és nézd meg az ic-k tápfeszültségét. (tl494 12pin).

Ha a feszek megvannak és minden ok a panelon, akkor valószínűleg az aktív pfc kavar be az izzónak.

Az aktív pfc lényege, hogy a táp a színuszhullám különböző fel és lefutási hullámánál is tud energiát kivenni a hálózatból, nem csak a csúcsokon. Ez az áramszolgáltatónak jó, mert kevesebb az "áramszennyezés".
Szünetmentes tápoknál is jelentkezik ez a gond. Az aktívpfc nem tud működni négyszögjelet kibocsátó szünetmentessel mert túlterheli.

Ezért villoghat az izzód ha jó minden, de azért ellenőrizd!
(#) sanykaraj hozzászólása Feb 27, 2012 /
 
Üdv van egy újabb tápom amiben hiába cseréltem a 12 voltos kondikat a fesz így sem megy 11v fölé viszont ha rámérek a multival váltó áramra több mint 20 25 v is kijön belőle. Az a baj hogy rámértem és valójában nem jön ki belőle, vagy tényleg kijöhet belőle ? Egy lc-235atx tápról van szó. VAgy azért mert én félre néztem és most már látom hogy ez 235W os és nem 350 W
(#) 1984white válasza sanykaraj hozzászólására (») Feb 27, 2012 /
 
Üdv!
Terheld le az +5v ágat mondjuk 1A minimum, és úgy mérj feszt a +12v-on. Akkor többnek kell lennie mint 11,5V.
Üdv!
(#) 1984white válasza laszlokunstar hozzászólására (») Feb 27, 2012 /
 
Szia!

Idézet:
„A mellékelt képen bekarikáztam a kérdéses alkatrészt.”


A melléklet lemaradt
(#) laszlokunstar válasza 1984white hozzászólására (») Feb 27, 2012 /
 
Linux valami miatt nem töltötte fel, volt 5 db kép is.
(#) laszlokunstar hozzászólása Feb 27, 2012 /
 
Szervusztok!
Egy Chieftec ENH-0746GB tápegység ventilátora kikapcsolt állapotban is működött. A készenléti tápegységben egy beazonosíthatatlan alkatrész -feltételezhetőleg ellenállás- szétégett. Kapcsolási rajzom sajnos nincs hozzá. Más fórumon is találkoztam a problémával, emiatt feltételezem, hogy típushiba, de a megoldást sajnos nem találtam meg. A mellékelt képen bekarikáztam (DSCF6080) a kérdéses alkatrészt.
Remélem valamelyikőtök találkozott már hasonló esettel, vagy van ilyen működő tápja és tud segíteni a beazonosításban.

(Az előző fájlfeltöltésem nem sikerült, a linuxos gimp jpg féjlformátumát nem fogadta el a HE)
(#) zoli0078 válasza 1984white hozzászólására (») Feb 28, 2012 /
 
Szia,

Igen valóban aktív pfc-s a tápegység és a FET amit cseréltem az egy kis kiegészítő panelon (táp?) volt. Próbáltam mérni az 5VSB de sajnos nem mértem csak nagyon kicsi feszt (igaz még a körben volt az izzó is). A neten kicsit olvasgattam és egy helyen valami olyasmit találtam, hogy ez a kiegészítő panel egy plusz védelem és ahogy mértem a ki és a bemenetek értékei megegyeznek. Ezért megpróbáltam ezt a FET-es részt leválasztani. Kivettem a körből ezt az áramkört és egyből meg jött az 5VSB. Következő lépésként kivettem az izzót a körből tettem egy vinyót a tápra és megpróbáltam elindítani. Abban a pillanatban, ahogy összezártam a zöldet a mellette lévő feketével elindult a táp (a tápban lévő két venti és a vinyó is) és rámértem a 5V-ra és a 12V-ra is. Mindkettő tökéletessen meg volt.
Most következő lépésként a kiegészítő panelen az össze alkatrészt megnézem.
A kérdésem az lenne, hogy használhatom a tápot a kiegészítő panel nélkül vagy mindenképpen próbáljam meg visszaépíteni?

Segítségedet előre is köszi.
(#) 1984white válasza zoli0078 hozzászólására (») Feb 28, 2012 /
 
Szia!

A kis panel az active pfc vezérlőpanele. Bővebben: Link

Sajnos nem tudom mennyire lesz üzembiztos a tápod nélküle. Ennek megállapításához sajnos jó volna rajz.

Én azt javaslom, hogy terheld meg a tápot autóizzókkal, és járasd egy ideig. Ha minden jó, akkor használd csak számítógépben, számítógép hardverekkel.
(#) zoli0078 válasza 1984white hozzászólására (») Márc 2, 2012 /
 
Szia,

Volt egy kis időm és foglakoztam egy kicsit a hibás táp kiegészítő paneljével.
Megpróbáltam lekövetni a FET-hez kapcsolódó alkatrészeket. Két tranzisztor volt a gyanus ami furcsa zizegő hangot adtak a villógó izzó ütemével szinkronban, kiforrasztottam ezeket az alkatrészeket és ahogy mértam nem találtam hibásnak őket, viszont a láttam egy alkatrészt az bemeneti - kimeneti - között amit első körben egy ellenállásnak gondoltam a pozíciószáma (R10) és a formája (színkódos lábas ellenállás) alapján. Megpróbáltam megkeresni milyen értékű lehetett, de sajnos egy színkódhoz sem passzól és méréssel dióda mérésnél rövidzárat lehet mérni 200 OHM-os állásban pedig 3 OHM-ot lehet mérni rajta. Lehet ez az alkatrész hibás, ha igen mi lehetett ez az alkatrész (az egyik elektronikai boltban azt mondták, hogy biztosítékellenállás)?

Üdv: Zoli

001.jpg
    
(#) 1984white válasza zoli0078 hozzászólására (») Márc 2, 2012 /
 
Üdv!

A kép elég homályos, de nagyjából látom miről van szó.

Olyan alkatrész, hogy biztosítékellenállás, jelenleg még fejlesztés alatt áll (nem létezik).

Szerintem ez egy ellenállás, amely elég kis értékű. (5-10ohm alatti)Találkoztam én is ilyennel az egyik tápomban, sőt olyan szín is volt rajta, ami nincs is a szabványban benne. Ha nincs megégve és megszakadva, akkor tutira jó!!. Én is bennhagytam a tápban és azóta is jó a táp.

A zizegő hangot nem tranzisztor vagy fet adja, hanem valamelyik trafó.

Elgondolásom a következő: Ha minden jó a kis panelen akkor szerintem működne a táp izzó nélkül, DE' előbb nézd meg úgy hogy kicseréled az izzót egy 100W os izzóra, így nagyobb áramot kaphat a tápod.

Szerintem az aktív pfc miatt nem indul a tápod, mert az izzón nem tud keresztülmenni elég áram, és a tápod alulfeszültségvédelme letiltja a kimenetet.

Milyen izzó van sorba??
(#) philips100 válasza 1984white hozzászólására (») Márc 2, 2012 /
 
Szia!

"Olyan alkatrész, hogy biztosítékellenállás, jelenleg még fejlesztés alatt áll (nem létezik)."

A csatolmányban van egy TNY264-vel felépített mobiltelefon töltő.Ott szerepel egy RF1-es alkatrész.
Szerintem ez Resistor Fusible.

(Mosó-és mosogatógép vezérlőket gyártunk.Ilyen alkatrészekkel szereljük azokat.)
üdv

RF1.JPG
    
(#) 1984white válasza philips100 hozzászólására (») Márc 2, 2012 /
 
Okés! Bocsesz! Ilyennel nem találkoztam még.
Köszönöm a helyreigazítást.
Üdv!
(#) laszlokunstar válasza 1984white hozzászólására (») Márc 2, 2012 /
 
Esetleg multifuse néven találkozhattál vele: Bővebben: pl
(#) zoli0078 válasza 1984white hozzászólására (») Márc 2, 2012 /
 
Szia,

Egy 60W-os izzó van sorba kötve. ma visszarakom a sorba a kiegészítő tápot a körbe és kipróbálom nagyobb izzóval és izzó nélkül is.

Köszi a segítséget.

Üdv
(#) 1984white válasza laszlokunstar hozzászólására (») Márc 2, 2012 /
 
Az király! Ilyenem van is itthon. Azt hittem kondi . Mindig tanul az ember .
Amúgy zoli0078 kolégának színkódos a szóban forgó alaktrész, ezért szerintem ellenállás lesz.

Olyan ellenállással találkoztam már egy tápban, amin furcsa színek voltak, pl rózsaszín és piros is és annak az értéke rövidzár közeli volt. (0,xx ohm) Bár lehetséges hogy az is ilyen multifuse volt.
(#) 1984white válasza zoli0078 hozzászólására (») Márc 2, 2012 /
 
Üdv!

Ha van 100W izzód, akkor azzal próbáld meg először.

Ha viszont kimértél mindent és úgy gondolod hogy minden rendben van a kispanelen illetve a tápban is, csak akkor nézd meg izzó nélkül.

Remélem segítettem.
(#) laszlokunstar válasza 1984white hozzászólására (») Márc 2, 2012 /
 
A PC táp bemenetén NTC van védelmi okokból. Az pont fordítva működik. Melegedéssel csökken az ellenállása. A bekapcsoláskor a magasabb ellenállásértékével megvéd a nagyobb áramlökésektől.
Bármelyiket egyszerűen ki tudod mérni ellenállásmérővel. Ha melegítéssel csökken az ellenállás akkor NTC, ha nő akkor PTC. Multifuse, vagy regenerálódó biztosíték is PTC.
(#) 1984white válasza laszlokunstar hozzászólására (») Márc 3, 2012 /
 
Ha például akksitöltőt csináltam egy pctápból, akkor be lehet iktatni pl egy 5A -est sorba a kimentetre?

Ha vélelenül rövidrezárnám így a tápot (dtc láb - GND) akkor megvédené szerinted?

Az "F" jelölésű gyors biztosíték és a multifuse között időben mennyi lehet a különbség?

Köszönöm!
(#) laszlokunstar válasza 1984white hozzászólására (») Márc 3, 2012 /
 
Be lehet iktatni. A multifuse sokkal lassabban reagál. A reakcióidő a túláram/névleges áram arányától függ adatlapon megtekintheted.
Itt találsz adatlapokat
(#) zoli0078 válasza 1984white hozzászólására (») Márc 3, 2012 /
 
Szia,

Sikerült mindent kipróbálnom, és a végén visszaraktam a segédtápot a körbe. Kivettem az izzót a körből és bekapcsolatm a tápot. Miután induláskor nem verte le a biztit és az 5VSB (lila vezetéken 5,2V) is meg volt kezdtem örülni, de sajnaos amikor a zöld és a fekete vezetéket rövidre zártam csak egy pillanatra indult el a táp ventije és utánna leállt. A 12V-os ágab is egy pillanatra megjelenet a fesz majd leesett 0-ra. Terhelésnek egy vinyó volt rajta.
Ami még eszebe jutott, lehet az 5V-os kimenetet le kellene terheli (autó izzó) ahoz, hogy elinduljon?

Az eddigi segítségekért is köszi mégegyszer.

Üdv.
(#) kadarist válasza zoli0078 hozzászólására (») Márc 3, 2012 /
 
Szia!
A vinyónak kellene adni akkora terhelést az 5V-os ágnak, hogy elég legyen az induláshoz.
(#) 1984white válasza zoli0078 hozzászólására (») Márc 3, 2012 /
 
Nos akkor védelem lesz ami kikapcsolja a tápod.
Terhelés nélkül is indulnia kell a tápnak, ha a pson-t földeled.

Kadarist kollégának igaza van, a vinyó elég terhelésnek de inkább én egy-egy izzót javasolnék helyette, ugyanis az olcsóbb .

Milyen ic van benne? SG6105 vagy IC-k?
(#) zoli0078 válasza kadarist hozzászólására (») Márc 3, 2012 /
 
Szia ,

Abban az esetben, ha kiveszem a körből a segédtápot akkor indul a táp rendessen vinyó és ventik is felpörögnek.

Üdv
(#) 1984white válasza zoli0078 hozzászólására (») Márc 3, 2012 /
 
Az nem segédtáp amit kiveszel. Az az aktív pfc vezérlőpanele.

A segédtáp az fixen a főpanelen van, az adja az ic(k) tápfeszültségét. Ha ezt vennéd ki ugyancsak nem menne a táp.
(#) zoli0078 válasza 1984white hozzászólására (») Márc 3, 2012 /
 
Szia,

Valóban aktív pfc-t akartam írni. Az aktív psc panelen van egy DIP8-as P24AB IC (elég nehezen olvasható remélem ez a típusa), a táppanelon pedig egy DIP16-os TL494NC és egy DIP-es14 LM339N.

Üdv
(#) 1984white válasza zoli0078 hozzászólására (») Márc 3, 2012 /
 
Nos !
Az lm339n egy feszültségkomparátor ic, ami biztosítja az általam említett feszültségvédelmeket. Tuti hogy ez állítja le a tápod, mert hibát észlel. Vagy sok, vagy kevés a kimeneti fesz.

A pfc kispanelt akkor átnézted, biztos jó rajta minden?

Megnézhetnéd, még az ic-k tápfeszét, hogy mennyit kapnak pfc vel és anélkül (azt irtad nélküle jó a tápod).

A legvégén pedig volna egy dolog ami elég veszélyes csak saját felelőségre ajánlom:
A 494 ic (4) lába a DTC, ezen keresztül tiltható a táp.( Ha ide 2,8-3V jön akkor kikapcsol a táp, ezt pedig a másik ic vezérli)
Az erre a lábra menő vezetősávot át kellene vágnod éles tapétakéssel és le kellene kötni a GND-re. Ezzel kiiktatnád a védelmeket (!!rövidzár védelmet is!!) Miután megvagy előbb nézd meg az izzókkal sorban(primerkör), aztán meg anélkül is.

Miután kiiktattad a védelmet láthatod az egyes kimeneti feszeket és hogy emiatt tiltott e a táp.

Egyelőre több ötletem nincs, nem sok apfc-s tápot javítottam eddig sajnos. Ha nem megy vagy esetleg jó lesz irj nyugodtan és hátha eszembe jut még valalmi.
Következő: »»   37 / 119
Bejelentkezés

Belépés

Hirdetés
XDT.hu
Az oldalon sütiket használunk a helyes működéshez. Bővebb információt az adatvédelmi szabályzatban olvashatsz. Megértettem