Fórum témák
» Több friss téma |
Fórum » DCF77 óra Nixie-csövekkel
A 13 láb a páratlan számok anódja.
A 10-13-at kösd össze, az lesz az anód,a7 nincs bekötve, atöbbi adja a katódokat.
Szóval akkor ha jól értem a csövek 7-es és 4-es lábai nem mennek sehova, a 10-es és 13-as lábak összekötve alkotják az anódot a katódok meg értelem szerűen a többi láb ugye?
El is készült a művem, remélem nincs benne hiba.
Valószínű így is működhet, bár én a bekötési leírásból azt olvasom ki, hogy jelen esetben a 4-es az anód és a 7; 10; 13 nincs bekötve.
Szia
Bocs, de amit leírtam Neked, az egy másik vezérlési mód.Valószínüleg úgy is fog kűködni, de ha még tudod, inkább kisgeri bekötését használd. Elnézésed kérem. Üdv: Csupasz
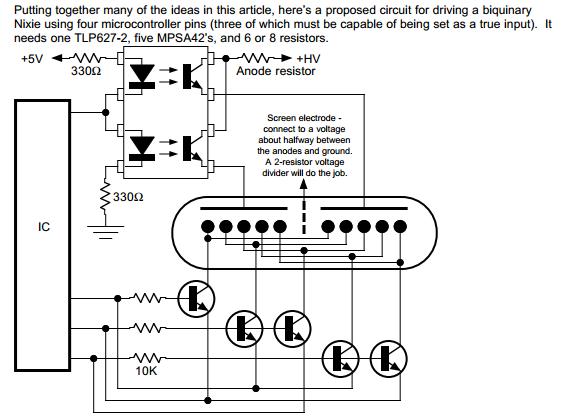
Érdekes cső ez az IN-4, gondolom az oroszok azért készítették, hogy a régi és az új gépeikhez is használni lehessen. A régi gépeik bi-quinary kimeneteihez és a decimális kimenetekhez is alkalmas, mert a többi bi-quinary csővel ellentétben a katódok mind kivezetésre kerültek és nem a csőben belül kerültek közösítésre ( pl.B-5025 ) . Ezzel a vezérléssel akár 4 pic lábbal is készíthető egycsöves nixi óra BCD dekóder használata nélkül. Ilyenkor a 4. lábat (screen, ekran) fél anódfeszültségre kell kötni.
Szóval akkor ha én egy rendes órát szeretnék építeni, akkor milyen lábak lesznek az anódok? Elég csak a 4-es lábat bekötni?
A cső felépítéséből adódóan szerintem elég a 4. lábat bekötni. (az eredeti orosz leírás szerint is) Valószínű bármelyik tetszőleges anóddal működnie kell a normál decimális vezérléssel, hiszen csak akkor lenne érdekes, hogy melyik anód kap feszültséget, ha a 4. lábra a két részt leválasztó feszültséget kötnénk és a katódokat párosával összekötnénk. A hasonló csövek jól elvannak egy anóddal is.
Valami nem stimmel, viszont csak 120V körüli feszültséget kap. Mennyi ennek a csőnek az optimális feszültség?
Közben kipróbáltam 168V körüli értékkel, csak a 4-es láb volt bekötve anódnak, így minden szám világít. Estefele felteszem a végleges NYÁK tervet, köszönöm mindenkinek a segítésget
Elkészült a végleges terv, a felesleges digiteket kiszedtem, a nyákot a sok átkötés miatt inkább 2 oldalasra terveztem. 2 verziót készitettem, az egyiken 'egybe' van a 2 réteg, a másikon külön szedtem őket, mert nekem így könyebb lesz legyártani.
Találtam egy másik leírást, ott a 13. lábat jelöli meg anódnak: In-4 találtam olyan kapcsolást is, ahol mind a három 4-10-13 lábat összekötötték:In-4 smartnixie és olyat is ahol csak 10 - 13-at kötötték össze: In-4 foglalat és van ahol a 4. lábat jelölik meg anódnak: In-4 tubetester
Tehát ezek a megoldások mind működhetnek. Így talán a 13-as láb anódként használata lenne a legmegfelelőbb.
Sziasztok,
A hét végén infarktust kaptam de sikerült újraéleszteni ezért tudtam lefotózni ezt a rettenetet Kisfiam 5 éves lett és a tiszteletére megrendezett buli diszletének egyik rögzítési pontja a csillár- míg a másik az IN-18 órám egyik csöve volt. A buli kellős közepén vettem észre és a gyors fotózást követően cselekedtem is. Előtte a csilláron lógó egyéb lufikat rángatták a gyerekek így bármikor zuhanhatott volna akár az egész óra is másfél métert a konyhapúltra... Na ott lett volna vége a bulinak számomra Ja, az óra a fennebb említett pic hiány miatt kb. 2 hónapja nem megy (micsoda pazarlás).
A hideg szaladgál még az én hátamon is a képet látva... átérzem a helyzetet...
A dolog egyik érdekessége, hogy az elmúlt két-három évben legalább háromszor említettem neki hogy legalább 50.000-es tételről van szó és szinte biztos hogy csak 6-osával lehet kapni ezért ne törölgesse ne piszkálja. De valahogy nem vette komolyan mint azt a mellékelt ábra mutatja
Lehet hogy nem azt kellene mondanom hogy 50000 hanem hogy egy minőségi bőrcsizma ára. Azt nefélj megrtené... :yes:
Sziasztok
Elkészítettem a Mule v2 LED-es változatát, és van némi gondom vele.Az első DCf modulom valszeg alapból hibás volt, mert nem szinkronizált, a kimenetén 0,3V-ot lehetett mérni.Vettem egy új modult, na ezzel aztán szinkronizál, kb.15 percenként ( ezt sem értem mert az ország északkeleti sarkában lakom...), viszont az időt soha nem találja el.3 nap alatt egyszer sikerült neki, de a dátum így sem volt jó.Mit lehet csinálni ezzel az állandó hamis szinkronnal? Kérem, ha valakinek van épkézláb ötlete segítsen, mert én már mindent megpróbáltam... Egyébként lehet hogy hajnal 2-3 között pontos, de utána elmászik... Köszönöm Csupasz
A feleségem csak kb 165 magas, de székre áll...
Figyelem! Sooty kollégával itt elemeztük az IN-4-es bekötését, és arra jutottunk, hogy a 4-es láb nem jó anódnak! A megoldás a 13-as, vagy a 10 és 13 összekötve. A német honlapon levő kiosztás nem jó.
Köszönöm válaszod, akkor a 10-es és 13-as összekötve lesz az anód, a fő problémát nálam az alacsony feszültség (kb.120V) okozta.
Leginkább arra gondolok, hogy valami zavarjel jut el az órából a vevő tápjára. A vevőt hogy kötötted rá? közvetlenül, vagy ahogy korábban szóba került itt: közvetlen a modulnál a tápágban 100 Ohm, utána 100n és 47u tantál szűrésnek?
Valahol volt kapcsolás is róla, úgy egyértelműbb. Meg is van. Természetesen, ha invertáló kimenet kell, akkor csak annyi a különbség, hogy a másik kimenetet használod.
Így van kötve, a másikra semmit nem csinál.Van egy LCD órám is, azon kiválóan működik az új modul.
Ebbe beépítettem a tápegységet is, ami egy 2x12V 35VA paneltrafó.Az megszórhatja?Ha a kapcsitáp nem bántja, ez miért? A modul távolabb van.. |
Bejelentkezés
Hirdetés |











