Fórum témák
» Több friss téma |
Mielőtt kérdezel, a következő két dolgot ellenőrizd!
I. A helyes tápfeszültségek megléte.
II. A kimeneten van-e egyenfeszültség.
Élesztés.
nem tudom a 2*37,5V elég táp neki??[/color]
igen de úgy hogy kidobta az érintkezőt magából,és tövig égett az érintkező,de ez csak úgy hopp
amit nem értek hogy került 146volt arra a felére,nagyon bosszant most volt mind a kettő vég cserélve,ötlet?
ezt tudom neked ajánlani.
Ezt már én is megépítettem és tökéletes a te tranyóid is pont jók bele
Bárt menyi voltról mehet még nincs trafóm.
Ez jó lenne nyomtatót rajz nincs hozzá
Szia.
Nem tudom mekkora teljesítményre van szükséged, de otthoni, hifizésre az st151 -et bőven merem ajánlani. -Nem utolsó sorban rövidzárlat védett.
Az durva
Kezdj el rajta méregetni, ellenőrizd a tápokat. A rajz nagy segítség lehet.
Sziasztok!
Nyugalmi áramot szeretném ki mérni az erősitőbe az lenne a kérdésem hogy a hangfalat rajta kell hagyni vagy le vegyem. Ezt csak kiváncsiságbol akarom megnézni.
Hali!
Mivel nem én terveztem ezért M.Béla kollégával beszélj ez ügyben
Szia! A nyugalmi áram mérés szempontjából közömbösnek kéne lenni a hangsugárzó jelenlétének. Mérd meg ígyis úgyis. Ha azt tapasztalod, hogy rákötött hangsugárzóval nagyobb a nyugalmi áram felvételt, akkor a kimeneten megjelenő egyenfeszültségre, vagy gerjedésre következtethetsz.
Szia!
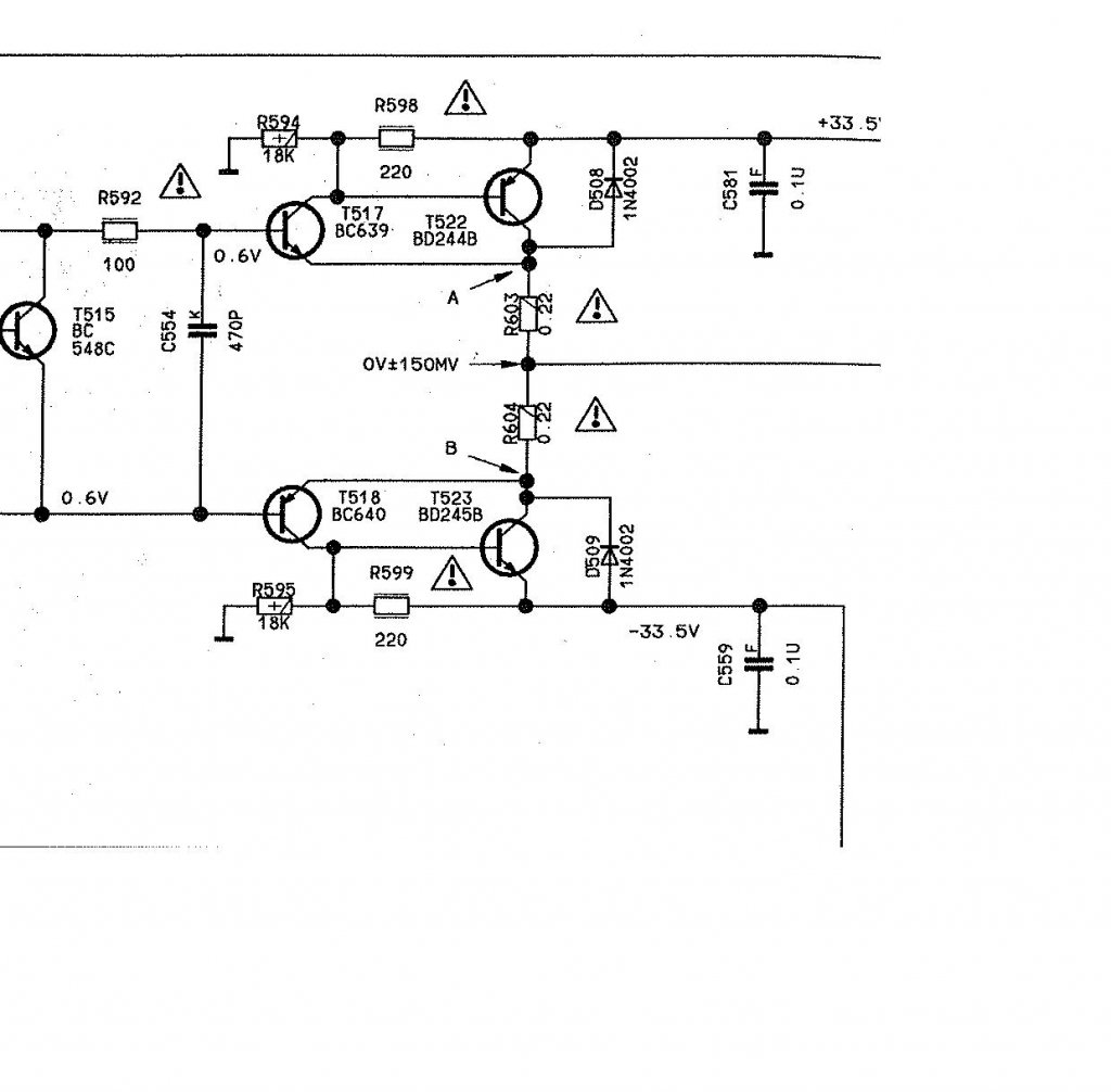
Megmértem a nyugalmi áramot ahol a service manuálba mutatja de semmi elvileg 150mv kéne lenie se hangfalal se anélkül nincs meg. Ezt amugy nem értem és mégis müködik jelenleg nincs megterhelve mert nincs olyan hangfalam. 2*15w 8ohmon enyivel tehelem gondolom majd ha jobban megterhelem akkor fog a hiba jelenkezni. A 2db 0,22ohmos ellenálás helyet 2db 22ohmos van.
Valami nagyon nem stimmel
Egy erősító zokon veszi, ha 100x -os értékre cserélsz benne ellenállásokat.Gondolom a végtranzisztorokkal soros teljesítmény ellenállás van megadva mérési pontnak. Elképzelhető, hogy jelen beállításnál valóban nem folyik nyugalmi áram, de ilyenkor - egészen halkan hallgatva - torzítás szokott fellépni. Egyenfeszültség állásban volt a mutimétered?
Itt a végfok kapcs rajza én még ebbe nem cseréltem semmit gyári benne minden csak vezetékek letek vissza forasztva meg a ki ment bizti let bemme cserélve. Képek vannak már fent az oldalon mindjárt be linkelem.Bővebben: Link
Sziasztok Yamaha P 2700 rol mi a velemenyetek? dolgozott mar valameikotok ilyen vegfokkal?
Sziasztok van valakinek a fetes végfokokról tapasztalata? Vettem egyet de nagyon erős bemenet kell neki,nem győztem összekötni mindenemet hogy szóljon, de korrekt tiszta hangja van,ez Füleki PPA 600 as.Köszönöm
Szerintem félreértelmezed a dolgot. A 150mV szerinted a nyugalmi áram? Max.150mV egyen feszültség lehet a kimeneten, a nulla közeli a megnyugtató.
A +/-150mV a megengedett kimeneti DC hiba, mint azt Biji kolléga is írta. Mérj egyenfeszültséget A és B pontok között, abból számítható a nyugalmi áram.
Idézet: „A 2db 0,22ohmos ellenálás helyet 2db 22ohmos van.” Ez alatt mit kell érteni?
Sziasztok! Rendelkezésre áll egy aszimmetrikus 40 Voltos táp. Ehhez szeretnék építeni egy kapcsolóüzemű erősítőt. Amiket találtam az mind szimmetrikus feszültséggel működött és több száz Wattosak, nekem viszont elég lenne 50 Watt. Tudnátok ajánlani valami egyszerű kapcsolást ami megfelel a leírtaknak?
Szia!
Azt kel érteni oldalanként 2 van bejelöltem a rajzon hogy kik azok.
A rajzon 0,22ohm szerepel. Kicserélted őket 22ohmra?
Nem ez van benne a csíkozása szerint.
De majd reggel ki forrasztom őket és rá mérek
Sziasztok!
Kaptam egy erositot,A 350 amplificator neven megkaphato a googlebe. Az a kerdesem hogy az erosito rosz es a kimeneteken VDC 30 volt van?Szerintetek mi lehet a gond? Koszi Szepen. Udv.Csaba
Beforrasztva is mérheted az ilyen alacsony értékű ellenállást. A 22 ohm elfüstölt volna, a fotón egészségesnek néz ki. A nyákon az A és B pontok fel vannak festve. Ott mérhetsz feszültséget a nyugalmi áram kiszámításához. Fotó.
Pedig annyi az, vörös vörös ezüst arany.
|
Bejelentkezés
Hirdetés |




Kezdj el rajta méregetni, ellenőrizd a tápokat. A rajz nagy segítség lehet. 

Egy erősító zokon veszi, ha 100x -os értékre cserélsz benne ellenállásokat.







