Fórum témák
» Több friss téma |
Fórum » PC táp javítása
Köszi az infót, estére megpróbálom megnézni ezeket és majd megírom mi lett az eredmény.
Üdv
Szia,
Sikerült adatlapot találnom az SG6105-ös IC hez és meg vannak pontossan melyik lábon mekkora feszültséget kell mérni SB-ba és PW-ON ba. Egyébként ilyen IC-t lehet valahol venni? Vagy van valami amivel lehet helyettesítani? A Codegon tápom nagyon érdekessen működik. Meg van az 5VSB de amikor az PS-ON-t a feketével össze zárom akkor nem indul el csak felpörög a venti és le is áll. De ha kihúzom a hálózatból és úgy zárom össze a PS-ON-t a feketével majd a tápt visszadugom a hálózatba akkor egyből elindul és a 12V-os ágban 10,5V körüli érték van az 5V-os ágban pedig olyan 7,8V mérhető. Ebben a tápban a PS-ON egy LM393P IC-hez megy. Az IC adatlapját megnézve megpróbáltam megmérni. Az IC tápfesze rendben van de amikor a PS-ON-t rövidre zárom akkor az OUT1-es és OUT2-es nem mérhető semmi, de ha ez előbb leírt módon indítom akkor az OUT2-n már mérhető 7,8V körüli érték. Ennél a tápnál még mit érdemes megnézni? Lehet az LM393P IC ment tönkre? Köszi Zoli
Szia!
Szerintem kevés a kimeneti feszültséged és normál módon ezért nem kapcsol be a tápod. Ez egy alul és felül feszültségvédelem ami az sg ic egyik szolgáltatása. A kevés kimeneti fesz pedig lehet elkó hiba, vagy esetleg valami félvezető probléma. Átnézted a schottkykat és kondikat?
Szia,
Az kondiknak szemre semmi bajuk (nem púposak, nem folytak ki) a flvezetőket még nem vizsgáltam részletessen, de akkor most ez jön majd. Köszi a segítséget.
Szia,
Sikerült a Codegon tápot elindítani. Valóban a kimeneti +12V fesszel volt a gond, mégpedig az, hogy a középső hűtőbordán lévő egyik dióda forrasztási hibás volt (szinte be se volt forrasztva, nem értem eddig hogy nem vettem észre) és miután rendessen beforrasztottam egyből elindult rendesen. Utánna már csak a 3.3V és a 12V volt a kérdés, mert mind a kettő kb 1 voltal kevesebbet adott ki magából. A 3.3V megoldódott ott egy ellenálls volt a hibás, lehet az lesz majd a 12V-os ágban is csak azt már nem volt időm keresgetni. A High Power tápban megszünt a zizegő hang miután a nagyfesz oldalon a tépkondikat visszatettem (most sikerült szereznem mert az egyik elszállt) de ismét egy újabb kérdés merült fel. Ahogy feszt kap a táp nem indul egyből el magától, de viszont egy furcsa hangot ad ki valahol az 5VSB környékén (talán a kondi mert 16V-os van benne és a fesz ahogy mértem kezdett kicsit megszaladni de egyből le is kapcsolatam a tápot nehogy valami elszáljon). Ez után finoman megmértem pár alkatrész kiszerelése után, hogy az 5VSB ágban a trafó után megfut a fesz egészen 30-ig (itt már kikapcsoltam a tápot). Ez normális jelenség? Következpő lépésként a nagyfesz oldalt mértem meg és itt kicsit furcsáltam, hogy a nagyfesz tápkondiknál 236V körüli feszt mértem pedig a kondi csak 200V-os gondolom ezért is durrant el az egyik. Üdv Zoli
A HP főpufferén személy szerint én nem értem a 236V-ot kondinként. Szerintem nagyon sok. PFC-s a táp? Oda mindenképpen 400V kondit tennék ha van.
Nekem egy gagyi LC-power 550w tápnál is ugyan az a helyzet hogy zizegő hangot ad ki a VSB kapcsolóüzemű tekercse mint neked.Az én esetemben az a gond ennél a tápnál hogy nem találtam hozzá megfelelő tranzisztort a vsb részre.(itt nem fettel oldották meg, hanem 1 tranyával) A HP nek mi baja volt? Eddig mit cseréltél benne? Egyes tápoknál (láttam már ilyet) a VSB fesz akár 30V is lehet és egy ellenálláson keresztül kapja az ic a tápot, vagy valami festabon keresztül, esetleg ha birja az ic mondjuk a tl494 akkor akár direktbe is. A vsb részre szerintem tegyél be egy 470uf/50v kondit és mérd meg mennyire megy fel a fesz. A codegennél szerintem nézd végig forrasztásilag is a panelt, valószínű gyári forrasztás hibás, esetleg megpusztult a schottky. A codegennél most mi a helyzet?(feszek)
Szia,
A Codegonnal majdnem minden rendben van egy hibás forrsztás miatt nem volt 12 és ezért nem indult a táp. Az újraforrasztás után a táp mostmár indul rendelteteés szerűen, ezzel csak az a gond, hogy a 12V-os ágban csak 11V-ot mértem igaz terhelés nélkül. Ugyncsak bk 1V-al kevesebbet mértem a 3.3V-os ágban is, de ott egy ellenállás volt a hibás. A HP-nál én is sokallom a 236V-ot egy hasonló kaliberű tápban (Coolink) csak 130V körüli értéket mértem. A gyári tápfesz kondik is csak 200V-osak voltak. Egyébként PFC-s a táp és ha jól sejtem akkor Passív PFC-S. Az 5VSB egy diódán és egy induktivitáson keresztül megy az IC-re ami egy SG6105D. A hang amit lehet hallani olyan mintha a 16-os kondi töltődne tűl, mi érthető is mert a fesz könnyen tulszalad 16V fölé. Egyébként a Primer oldalon a nagyfesz puferkondikat a kondik utáni két tranzisztort és az 5VSB 1000µF kondiját cseréltem ki. A HP táp 5VSB részen nagyon hasonlít a csatolt kapcsi rajzban lévőhöz. Üdv
Az sg vcc pinjén is felszalad a fesz? Eredeti kondi milyen feszültségű kondi volt?
A codegenen ha nem melegszik semmi teher nélkül, akkor tegyél az 5vra egy izzót (szinte bármilyen jó, én karácsonyfaizzót szoktam vagy halogént 12v ost)
Ekkor mérd meg ez egyes kimeneteket de a negatívot is (-12V) Ja és ha nagyon megterheled a tápod, akkor a soros izzót inkább vedd ki ha a táp rendben van, ugyanis az már akkor sokat korlátoz és azért is letilthat a táp védelme. A soros izzót csak akkor iktasd ki ha a táp rendben van!
A zSG IC VCC lába és az 5VSB ugyan azon a körön van így ott is megfuta fesz. Eredetileg 16V-os kondi volt benne.
De van egy soros ellenállat illetve előtte egy zener. A rajzodon néztem amit csatoltál!
Üdv!
Hogy haladsz a táppal? Alakul? Közben néztem az ic adatlapját, 16v a maximum feszültség amit még talán elvisel. Mennyire fut fel a feszed? (ha mérted az sg vcc pinjén) Üdv!
Szia,
Egész jól haladok a két táppal. A Codegon jó lett, ott nagyon durva forrasztási hibák voltak és az egyik ellenállás a +12V-os ág visszacsatolásán volt hibás. Miután a hibás részeket újra forrasztottam és kiderítettem milyen ellenállás kell bele a táp rendessen elindult. A HP táp kicsit kérdésesebb. Sikerült megfelytenem a 236V-os kérdést. Volt ugyan is a tápban egy 115-230V-os átkapcsolás és azzal volt a gond, ezért ment szét gondolom a nagyfesz puffer kondi is. Végül eljutottam odaáig, hogy a SB kicsivel 8V alatt alakult. Ez után az a probléma jött elő, hogy a tranzisztorok után nem a trafóig nem jutott el a fesz így semmi kimenő fesz nem is volt. Miközben megpróbáltam megfejteni, véletlen megzakkantottam a kis tranzisztort a bemeneti oldalon (serencsére most volt izzó a primer körben így valószínű csak a tranzisztos szállt el) így most a SB eltünt. Este fogok majd ismét foglalakozni a táppal remélem sikerül legalább a SB részt újra indítanom. Amig még volt SB rész addig az IC VCC lábán is a majd 8V-os feszt mértem, viszont ahogy mértem a visszacsatolásokat az IC-n egy-egy lábnál ahogy a voltmérővel hozzá értem halk zizegó hangot hallottam. Majd megírom mire jutottam. Üdv
Szia,
Tegnap sikerült újra indítanom a primer kört a HP tápban (egy tranzisztor és két ellenállás adta meg magát) de sajnos a SB rész rész még nem indult be pedig a feszültségek eljutnak a rafókig. A trafók lehetnek hibásak? Üdv
A trafó ritkán hibásodik meg, mert kell neki egy "kis" idő még leég a lakk és menetzárlatos vagy szakadt lesz. Rendszerint addig bőven kiégnek a tranyók és a bizti is.
Az sb részen nincs fesz? Az ic megkapja a tápot? Melyik fesz jut el melyik trafóig?
Csak a primer oldalon tudok feszt mérni, így az IC sem kap tápot.
Estére csinálok egy képet és leírom pontossan mit hol mérek. Üdv
Szia,
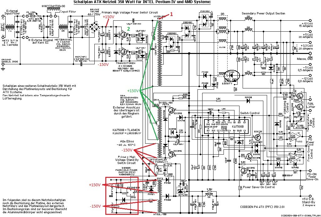
Tegnap megmértem a feszültségeket. Kerestem újabb kapcsolásokat amik talán jobban hasonlítanak az én HP tápomhoz. A rajzon pirossal bejelöltem alapból hol milyen feszültséget mérek. Az egyes számmal jelölt helyen a trafó szélén még szintén mérhető -150V-os feszültség. Abban az esetben, ha egy kis tükkel megoldva a 2-es számmal jeölt tranzisztor is kinyit akkor a zöld számmal írt feszülltségek is mérhetők. Üdv.
Szia!
Ha csak hasonlít a kapcsolási rajz, az sajnos nem szokott sokat segíteni. (nekem) A segédrész a tápodnál hogyan megoldva? (1 fet vagy tranzisztor, vagy esetleg úgy ahogy a rajzon amit mellékeltél) Azt kellene megnézned, hogy a segédrész előállítója jó e illetve az előtte lévő kistranzisztor (ha van) illetve a segéd trafó mögötti dióda. Akkor a trafóra is rámérnék, szakadásba hátha. Ha ezek tutira jók a segédnek már menni kell. Ha a segéd ok utánna megnézném még a kapcsoló kistranyákat (c1815 vagy hasonló) ami az ic kimenetére megy. Végül már menni kellene neki
Szia,
Újra van remény arra, hogy működjön a táp vagyis legalább az 5VSB, mert tegnap egyessével újra elkezdtem átnázni a segédtáp részt és találtam egy hibás Fet-et. Ma délután veszek egy újjat és este be is építem és ezek után remélem már a SB rész újra indul. Üdv
Szia,
Újabb helyzet állt elő amivel eddig még nem találkoztam. A 5VSB helyett olyan 7.5V-ot mérek. Miután van SB gondoltam menni fog a táp, de sajnos nem ekkor elkezdtem megnézni az SG IC-t melyik lábán mit lehet mérni. Az IC a VCC lábán megkapja a majdnem a full SB de mivel ellenálláson keresztül így valamivel kevesebbett. Miután kicsit ment a táp és végigmértem az IC-t gondoltam megpróbálom a PS-ON-t földre zárni és elindult a táp de csak rövid ideig ment és megállt. Újraindítani sem lehetett és az IC VCC lábán a fesz is megemelkedett kicsit (pár tizeddel lett magasabb). Kis idő után a tápfesz vissza esett és akkor kb 15-20 másodpercig ismét ment a táp majd ismét leállt. amikor a táp ment akkor minden fesz (3,3V; 5V; 12V rendben volt még egy vinyó is volt egyik körbe rajta. A -12V-nál mintha kicsit ingadozna a fesz.Amit még észre vettem, hogy amikor ment a táp (azalatt a rövid idő alatt) megpróbáltam ismét végig mérni az IC-n a feszeket és a 19 lábra amikor rámértem halk zizegést hallotam és a táp egy pillanatra leállt majd tovább ment. A csatolt kapcsi rajz 5VSB és IC bekötése pont olyan mint az én tápmnak. Mi lehet a probléma? estleg az 5VSB előállításánál az ellenállás? vagy az IC lábánál valamelyik ellenállás ment tönkre? Üdv.
Üdv!
Az nem gond, ha a 19 pin érintésekor azt tapasztaltad hogy zizeg a táp. Az gerjedés és kapcsolófrekvencia változás miatt van, ugyanis a 19 láb az RI , ami a táp kapcsolófrekijét állítja be. A műszerednek is van valamennyi ellenállása mérés közben és így megváltoztatja a 19pinen lévő ellenállás értékét egy kicsit. Emiatt változik a táp frekije illetve a műszerzsinóron pedig zavarokat szedhet össze az ic. Emiatt állt meg a tápod ennek az érintésekor. Az fura, hogy minden feszültség megvan rendben a kimeneteken és leáll a táp. Az ic tápfesze még nem vészes. Az adatlap szerint normálisan 4.5 - 5.5V kell neki, de 16V a maximum. Szerintem 10V-ig tuti jó neki. Nézd meg a lila drót végén mennyi a feszültség. Ha sok akkor a zéner ment tönkre szerintem. 1. Meddig ment a táp(kb sec)? 2. Az 5VSB hol mérted? (szerintem nézd meg a lila drót végén is) 3. A -12 mennyire ingadozik 1-2tizedvolt még nem olyan nagy gond, ott kisebb pufferek vannak. Az ic-ről én vennék fel egy feszültségtérképet, hogy az egyes pinjein milyen feszültségek vannak. Az adatlapon benne vannak a feszültségértékek ami alatt/felett kikapcsol az ic. És a legfontosabb! Egyes tápoknál ha nincs terhelés az 5v és 12v on egyszerre, akkor is leáll a táp. Egy kicsi izzóval/ellenállással terheld be a kimeneteket. Továbbá ha soros izzóval nézed, akkor is kikapcsolhat a táp terhelésre. Ekkor tegyél be egyelőre nagyobb izzót. (100W) Utánna ha ok a táp elhagyhatod.
Azt kifelejtettem az előző hozzászólásból, hogy az SG6105 ic 5. pin UVAC bemenete a hálózati feszt nézi. Emiatt is leállhat a tápod, ha a korlátozó izzód nagyon korlátozza az áramot ezzel pedig esik a primerfeszültség is.
Szia,
A tápot soros izzó nélkül néztem mert a PFC miatt villog az izzó (pont ugyan úgy mint a múltkori tápnál). 1. A táp kb 15-20 másodpercig ment utánna kikapcs (ezután bontottam a PS-ON és Föld kapcsolatot és kis idő elteltével újra indult a táp PS-ON földre zárásakor ismét 15-20 másodpercig) 2. Az 5VSB mértem közvetlen a lila drót nyákra cstlakozásánál és a drót végén is és minimásil külömbség volt a két érték között szinte egyformának mondható. 3. Első körben amikor a -12V ot mértem nagyon ingadozott 0,5-1V közötti értéket. Pár ujraindítás után az igadozás megszünt. A kapcsi rajzon volt egy táblázat és abban voltak alap és PS-ON értékek az IC-ről. Azok alapján próbáltam megnézni mindent, de ha jól emlékszem (sajnso nem írtam fel, de estére felírkálom) volt 5-6 olyan érték ami nem volt jó. Estére újra végigmérem az IC-t. Köszi a segítséget.
Sziasztok,
Sikerült megoldani a magas SB értékű tápegységet. Egy kicsit utánna olvasgattam a hibajelenségnek és több helyen (itt a fórumban is) azt olvastam, hogy a készenléti trafó primer oldalán van egy kis értékú (10-47uF) kondi ami előszeretettel gyengül meg. Gondoltam egy próbált megér így kicseréltem és azonnal elkezdett működni a táp és a SB beállt 5.2V-ra és mindne tökéletessen működik. Köszi a segítséget mindenkinek. Üdv.
Sziasztok,
Az egyik ismerősöm től kaptam egy M-Tech tápegység ami nem indult el. Gondoltam megnézem hátha lehet vele kezdeni valamit. Szétszerelés után láthatü volt, hogy a 230-as betápnál a panel megégett. Ezt a panelt egy másik tápegységből cseréltem, de ez után sem indult a táp. A táppanel kiszerelése után látható volt, hogy a készenléti táprész FET alatti része elszineződöt a forrasztási oldalon. Gondoltam a Fet hibás lehet és valóban az is volt egy BUZ41-es lett betéve a helyére. Ezt követően a kis tranzisztort ellenőriztem ami szintén hibás volt ide egy BC639-es lett betéve. Mérésnél a nagyfesz puffer kondiknál a +-150V meg van, de 5VSB az nincs. Ahogyan méregettem az alkatrészeknél a feszeket és amikor a képen látható 1-el jelölt ponthoz hozzáértem és halk zizegést hallottam és a venti egy picit felpörgött (A PS-ON-t összekötöttem egy feketével mivel csak egy műszerem van így láthatom, ha esetleg elindulna a venti) a zizegész minden esetben lehetett hallani amikor a jelolt ponthoz hozzáértem a venti viszont nem minden érintéskor indult el. A találtam kacsolási rajzot is a táphoz (lehet valami csoda de pont olyat amilyen a tápom csak anniy a külömbség, hogy az enyémben nem SG IC van, hanem WT7514L). Mi lehet a probléma, mit mézek még meg? Segítségeteket előre is köszönöm.
Szia!
Én weltrend ic vel szerelt táppal nem foglalkoznék, mert ha az ic meghalt, (van rá esély) nem tudod cserélni. Volt nekem is ilyen tápom, inkább szétkaptam alkatrésznek. A másik ic, feltéve ha van nem TPS7510 vagy LP7510?
Szia,
Csak ez az egy IC van a tápban. Üdv
Ami még az előbb lemaradt, hogy miután a venti egy kicsit felpörgött talán nagy baj nem lehet de ki tudja. Amit még sikerült kiderítani (lehet nem befojásolja a működést) hogy a készenléti résznél a sorba kötött 560k ellenálások közös értéke kicsivel 800k nál indul és lassan megy felfelé egészen 1.2M-ig.
Üdv
Sziasztok,
Hobbi szinten foglalkozok elektronikával és most van nálam két ATX-es PC táp amit megpróbálnék megjavítani. Odaáig eljutottam, hogy egyik tápnál sincs semmilyen készemléti fesz. Nem vagyok egészen képbe ezeken a tápoknak a működéséval esetleg valaki le tudná írni, hogy is működnek? Előre is köszi |
Bejelentkezés
Hirdetés |






rendben volt még egy vinyó is volt egyik körbe rajta. A -12V-nál mintha kicsit ingadozna a fesz.








