Fórum témák
» Több friss téma |
Viszont a 8 ohm -on meg nem erőlködik annyira... nem melegszik a borda!
Üdv!
P = U^2 / R és I = U / R ! Persze P -nek és I - nek is megvan a korlátja, lásd IC datasheet. Tehát úgy kell megválasztani mind a feszültséget, mind a terhelőimpedanciát , hogy az IC kimenő árama és teljesítménye megfelelő legyen. Meg persze a fesz. is beleférjen a működési intervallumba. Egy kis segítség a választáshoz : Bővebben: Link Jól látszik h. +-30V -ig 8 ill 4 Ohm -mal is megy, fölötte már mehet több IC kell paralell -be, hogy 4 Ohm stabil legyen. üdv.: MarcoH
Én is TDA7294-el akarok erősítőt építeni, és volna vele pár kérdésem:
- A stand-by és mute lábakat hogy kell bekötni, és hogy működnek? Szóval kap egyszer tápot pl. a standby, akkor kikapcsol, és ha kap megint, akkor meg bekapcsol? Vagy hogy van ez? - Többen is írtátok, hogy veszélyes, ha a kimeneten egyenfesz jelenik meg a hangszóró miatt. Ha sorba kötnék olvadóbiztosítékot a hangszóróval, az megoldaná a dolgot. Szóval kiolvadna, ha a egyenfesz miatt megnőne az áram??? - És olvastam, hogy ehhez az IC-hez nem muszály koppanásgátlót használni, hanem a mute és standby lábakkal oldják meg ezt a problémát. Ez hogy van és hogy kell bekötni? - És nekem ha nincs szimmetrikus tápom, de feszkétszerezővel megoldom a tápellátást, akkor nem fog károsodni, vagy kiégni a szekundere a trafónak bekapcsoláskor, mivel az üres kondik ilyenkor rövidzárként működnek? Ezek a kérdések merültek fel bennem, remélem tudtok rájuk válaszolni. Üdv.
Szia!
A stand-by, és mute lábakat egyszerűen, valami kis ellenálláson keresztül, (pl. 2,2 kohm -os) lehúhod a + tápra. Ezzel azt éred el, hogy az erősítő a bekapcsoláskor, a kondi értékével aráynosan pár mp múlva a hangszórón is megjelenik a jel (szóval így meg van oldva a késleltetés) nekem amúgy fokozatosan hangosodik a zene. Az IC-s erőlködőkön nemigen szokott megjelenni DC a kimeneten... Ha Te használni akarod pl. a mute funkciót, akkor egyszerűen csak egy kapcsolót kell bekötni a + tápág és az ellenállás közé (ki-be kapcsolót). A trafó sztem nem okoz gondot, de majd azért ildomos egy normális szimmetrikus trafót beszerezni. Üdv.
Szerintem sokkal nagyobb ellenálást kell kötni a stand-by és mute lábakra. a 2,2kohm az nagyon kevés.
čn is kötöttem rá ilyen kis ellenállasokat, söt rögtön a tápra is kötöttem és müködött is csak zene nélkül is nagyon melegedett. akár több száz kiloohmos ellenállas is jó oda. Amugy menet közben ezeken a lábakon elvileg 5 volt az ideális, mérd meg hogy a tieden mennyi van. Szerintem kb. annyi mint maga a táp. Amugy minden másban egyetértek Veled!
hi
a trafód sose fog tönkre menni a pufferkondik töltése miatt bekapcsoláskor. egyébként ha egységcsomagos tda-t csinálsz és akarod alkalmazni a stand-by- mute funkciót 1 helyen át kell vágni a fóliát a + és a D1 dióda között mert alapból stand-by-on van, és egy vezetéket rá kell forrasztani a D1 negatív sarkára, (+) = stand-by, (föld)= mute. hali
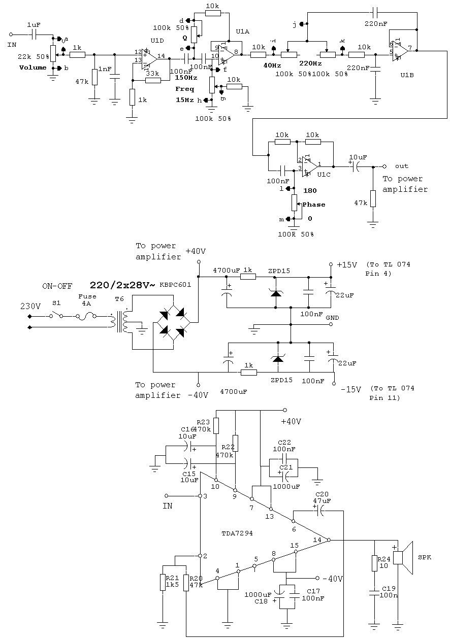
És nekem ez az erősítő mélynyomóra lesz, és hozzá ezt
szeretném megépíteni szűrőnek. Ebben a kapcsolásban a sztereó potival a vágást, a mono-val pedig a hangerőt lehet szabályozni??? Szóval nekem akkor a erősítő kapcsolásába nem kell sehova sem potit tennem, hanem egyszerűen a szűrőnek a mono potijával tudom állítani a hangerőt??? És még annyit, hogy a feszkétszerezőnél milyen diódát kell használni, hány Ampert bírjon? Üdv.
Igeeen... hát ez tényleg így van. Az adatlap szerint is 470 kohm kéne oda, de úgy nem működött. Nem kapcsolt ki a stand-by funkció. Nem szólt az erősítő. Sokáig kerestem a hiba okát és mikor rájöttem akkor csak
Most amúgy, kapaszkodj meg: egy 100 ohm os ellenállás van benne, mert ez fölött nem kapcsolt ki a stand-by. Én sem értem De amúgy nem melegszik különösen...
Hali!
Az adatlap egyáltalán nem 470Kohm-ot ír. Találtam ugyan olyan kapcsolást, ahol valóban ilyen érték szerepel. Egyébként a Mute és a Stby bemenetekkel kapcsolatban ajánlom figyelmetekbe az adatlapot. Ott minden megtalálható róluk. Bővebben: Link Üdv.
Helló mki! új vagyok itt!
Valaki megmondaná hogy nála mennyibe kerül ez az IC??? Itt nálam ( Nyíregyházán) 1700 Ft. Ez reális ár érte????
Most a hq ban akciós mindenképp ott vedd
hi
a minap csináltam egy erősítőd tda 7294-el, és ezzel van 1 kis gondom, a kimeneten van egy kis brumm, nem túl vészes, először földhurokra gondoltam, de miután ezt megoldottam még mindig maradt egy kis búgás (ha a bemeneten nincs semmi) olvastam, hogy a tápra kell kötni 100 nanos kondikat, az se hozott sikert, a gyanum az, hogy a táp nem megfelelő (sima 24 v os trafó fesz kétszerező kapcsolással, a kérdésem az lenne ha ezt lecserélném erre:toroid akkor megoldódna e a problémám? előrre is köszi üdv
Hát azzal is megoldódna, de azzal is ha több puffert teszel a tápba.
Sztem csinalj normalis ketutas v. graetz hidas egyeniranyitast az erositodnek es ne egyutas fesz. ketszerezovel vacakolj. A belinkelt toroid szekunder feszultsege (2x24V) egyebkent jonak tunik, de a 100W-os teljesitmeny keves lesz ha bulizni szeretnel az erositovel vagy esetleg szubnak hasznalod. Ha csak otthonra kell altalaban szobahangeron (vagy csak kicsit hangosabban de ugy hogy a szomszedok meg ne jojjenek at) zenet hallgatni akkor epphogy eleg a 100W-os toroid, de en akkor is minimum 150-200W-osat ajanlanek foleg ha sztereo erositorol van szo. Ha pedig bulizni mesz vele, akkor nem art a 300W-os toroid sem! A pufferek legyenek legalabb 2x2x10000µF-osak bulizos erositohoz, szobahallgatoshoz pedig eleg 2x2x4700µF is ha sztereo erositorol van szo.
köszi a segítségeket!!
sajna ilyen trafóim vannak itthon, puffernak 2X 10.000 mikro van amit próba képpen megdupláztam, eredmény változatlan, valaki egy hsz. be írta 10 nanos kondikat az egyenirányítókkal párhuzamosan, hát ettől még rosszabb lett. tudom gyengusz hatásfoka van, de igazából nincs túl nagy teljesítményigény igény, azértis ezt a megoldást választottam (otthoni tv-zés, meg egyébként így is elég rendesen melegszik a trafó üresjáratban), azóta rájöttem, hogy ez a fránya zúgás a trafó erősítőhöz viszonyított közelsége miatt van, de a bemenet kábeleivel vannak a fő problémáim, árnyékoltak ugyan, de ha közel teszem a trafóhoz a zúgás erősödik, asszem veszek ma jobb minőségű árnyékolt kábelt, ha ez sem jön be akkor trafócsere egyébként ez a toroid amit belinkeltem ez 2X 24 volt, ami teljesen független egymástól, (4 kimenet , ezt a képből nem tudtam kivenni) ???? üdv
Szia !!
Lehet, hogy érdemes volna megpróbálni mágneses árnyékolást tenni a trafóra .Ez csökkentené a szórt mágneses teret, ami valószínűleg a brummfeszültséget indukálja a bemeneten.Ezt egy vékony vaslemezzel lehet megoldani . Még egy ötlet :a bemeneti csatlakozónál a kábel árnyékoló harisnyáját egy 100n kondin keresztül kösd a dobozra.(Ez a régi tuchel csatlakozóknál csodát tudott tenni)Ez persze fém doboznál lehet hatásos. Még egy dolog lehetőleg minden tápfeszt a pufferkonditól kell elvinni , tehát ne legyen felfűzött kapcsolás (egyik végfokról a másikra onnan az előerősítőre...)Ezek csak ötletek valószínűleg a leghatásosabb a trafócsere lesz.
Húú hát köszönöm nektek tényleg sokkal olcsóbb!
Ezt mennyire lehet nehéz megépíteni egy olyannak aki nem nagyon ért az elektronikához és még sohasem csinált ilyet (pl nekem) : http://sziget.mine.nu/~danko/kapcsrajzok/tda7294.html
Linkelésnél tessék használni az URL gombot!
megvan a maci! :yes: azt elfelejtettem mondani, hogy ezt a subfiltert csináltam subfilter mivel ennek a bemenetéről vezettem a közép végfokokra a bemenetet ha ezzel gixer volt az nem csak a mély végfokon hanem a középen is megjelent, a hiba az volt, hogy nem gondoltam, de az se mindegy milyen hosszú kábelt használ az ember a testnél, csillagpontba volt ugyan kötve, de túl rövid volt a kábel (kb 4 cm) kicseréltem egy hosszabra(15cm) és egyből megoldódott a probléma, viszont sajnos az egyik sony hangszórómmal sikerült kicseszni, egy pár másodpercig egyenfeszt kaphatott és ezért füst...
úgyhogy vennem kell valahonnan , de a lényeg, hogy nincs több brumm
hali.
kis segitségre szorulnék,mert a csatolt rajzot épitettem meg már töbször is de eddig semmi gond nem volt ,csak a mostanival,mert teljesen torz a hangja,alig lehet érteni valamit belüle. mindent többször is átnéztem és minden ok. szerintetek mi lehet a gond?
Bontot alkatrészekből épült?
Hali!
Nézd meg, hogy jók-e a kondik. Hol a csatolmány?
bocs a rajz lemaradt.
uj cuccokból,épült. kondik, jok.
Próbáltad a végfokot natur, a szűrőrész nélkül?
(Azért kérdem, hogy szűkítsem, hol lehet a hiba) Vagy már egyértelmű, hogy a végfok?
probáltam,végfok a bünös,mert a szürö nélkül is detto.
nemlehet hogy zárlatos valahol? Esetleg valamelyik alkatrészt nemjól forrasztottad be (hideg forrasztás).
Mérj már a kimeneten egy DC feszt!
Aztán azért ellenőrizd a kondikat, lehet valamelyik rossz.
|
Bejelentkezés
Hirdetés |




Most amúgy, kapaszkodj meg: egy 100 ohm os ellenállás van benne, mert ez fölött nem kapcsolt ki a stand-by. Én sem értem
még nem nagyon néztem szét 




