Fórum témák
» Több friss téma |
Fórum » Rendezvény-hangosítás (PA) hangtechnikái
Témaindító: sound.man, idő: Nov 25, 2007
Témakörök:
Csak a lányokat, sört, virslit, és a körhintát hiányolom
![]()
Válság van,nem fértek bele a költségvetésbe!
![]()
EV 15B hangszóróról van szó. Nem mélyközép hanem woofer. Olvass vissza vagy nézz utána mielőtt véleményt formálsz.
Olyan EQ-m van nekem is, de használaton kívüli...
A képen levő beállítással nyomtátok?
A gyári adatlap szerint frekiátvitele 50-5000Hz valóban nem megy el 200-Hz felett, persze ez mindig függ a doboztól is...
Helló! Egy kis szakértői tanácsra lenne szükségem. Hangszóró vásárlás előtt állok, szeretnék 2 db 12"-os mélyközép sugárzót. Eddig MNC-t használtam, de inkább nem beszélnék róla
![]()
Szia igen igy ahogy alt igy szolt. http://www.youtube.com/watch?v=9KsGFemUpXQ&feature=g-upl
Ez az majus 1 lenne
![]() ![]()
Nem bírom nézni... Tudom nem az én feladatom de akkor is piszkál.
Kristály dr=doktor db=darab Végfok Próbálj már meg egy kicsit oda figyelni a helyesírásra, szerintem nem én vagyok az első aki ezért szól.
Szia!
A "woofer" elmegy 3k-ig simán. Keress rá neten az EV adatlapjára. Azért kértem segítséget olyantól akinek van tapasztalata ilyen driverrel, mert úgy sem tudják a gyári paramétereket az ilyen cuccok. Tehát valami tapasztalati infó kellene.
Hali!
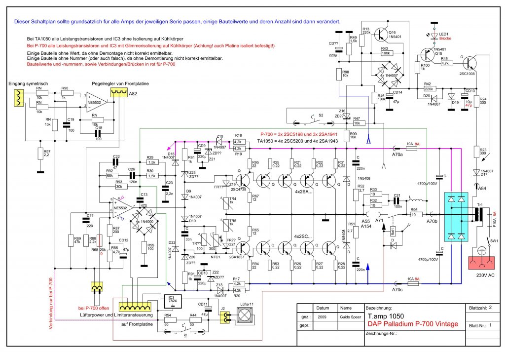
Vettem egy TA1050-es végfokot. Kinek mi a véleménye róla? Strapabíró, jól szólnak ezek, van e fájó pontja? stb. Alkalmi. A potik egy kicsit sántítanak, nem tudom hol lehetne beszerezni hozzávalót.
A poti csak úri huncutság egy PA végfokon,,forraszd át, kapja meg a max. jelet a végfok.
Erre én is gondoltam, és had menjen teljes gőzzel.(?)
Bekapcsolásnál nem okoz problémát?
Ennél nagyobb hülyeséget is rég hallottam. Mond az neked valamit hogy gain struktúra? Ha nem, akkor nézz utána de gyorsan. Mondjuk ITT.
Ebből talán megérted hogy mire is való a hangerőpoti egy végfokon, és hogy mennyire nincs köze a kimenő teljesítményhez...
Tehát ez a rövidre zárásos megoldás kilőve.(?)
Na megjött a profi,aki letol ha kevesebbet tudsz nála,köszi.
Nem erről van szó.
Csak egy pici gondolkodás nem árt mielőtt leírunk valamit. Ha csak abba gondolsz bele, hogyha van 3db különböző bemeneti érzékenységű végfokod, már rájössz hogy nem lehet a hangerőpotit kiiktatni.
OK.
Akkor segíts nekem! 3 utas cuccot kell beállítani: -driver:100W 106 dB hozzá 300 W végfok input 1.2 V -közép:400W 100 dB hozzá 450W végfok in.1.55 V -mély:600W 98 dB hozzá 600W végfok in. 1.73 V Van előtte mondjuk egy DBX 234 XL,limiter nincs. Kersztezési frekik kb.1800 Hz és 120 Hz,mélyek monóba. Minden Watt RMS 8Ohm. Te hogyan csinálnád?
Sziasztok!
Mint ahogy az előzőekben írtam, most vettem a képen látható végfokot. Semmi leírásom nincs, a bemenő csatlakozásokról kellene egy kis magyarázat, XLR; JACK, mert feltételezem hogy az XLR-ből kettő lábra van szükség, és a jack-ok mire szolgálnak.? Köszi!
Általában párhuzamos az XLR és a Jack,valamelyikbe csatlakozol,másikból fűzheted tovább a jelet.
Ez oké, ezt én is meg találtam, kár hogy nincs beszámozva a szimetrikus bemenet, de gondolom, ez a szabványnak megfelelő, valamint a jack-re úgy megy rá aszimetrikusan, amit a rajz nem jelöl, hogy 1-es, 3-as láb összekötve. Nem jól értelmezem?
üdv!
jól értelmezed. de azért ha teheted az XLR-t használd.
A Jack is szimmetrikus,3 pólusú,mint az XLR.
A keverő erősítőmből kijövő két vonaljel pár is szimmetrikus jack aljzat?
Hali!
Ennek a keverőerősítőnek van két pár vonalkimenet jack aljzat. Azok szerinted Bassmester szimmetrikus (sztereo) csatlakozók? |
Bejelentkezés
Hirdetés |