Fórum témák
» Több friss téma |
Mielőtt kérdezel, a következő két dolgot ellenőrizd!
I. A helyes tápfeszültségek megléte.
II. A kimeneten van-e egyenfeszültség.
Élesztés.
[OFF] Nyáktervet a 4. oaldalon letölti? lehet nálam a baj de csak számok:O
Inkább csak dinamika kompresszoros , találkoztam már sok készülékben ezzel a megoldással ez praktikus mert mindig mozog a kijelző és tök mindegy mekkora jelszint a kijelzés szinte mindig állandó o decibel környékén mozog .
Szia! Ilyennel még nem találkoztam. Végül is egy sima "Signal LED"-nél több információt hordoz, vagy csak egy látványelem. A rajzába kéne belekukkantani, ha a kérdezőnk rendelkezik vele.
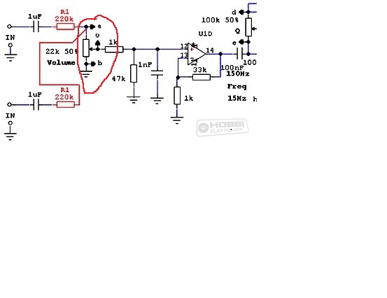
Sziasztok! Adott ez az erősitő,és szeretném tudni hogy mi a különbség ha az egyik kapcsolási rajzon 1,5k óhmos ellenálás van berakva,a másik ugyan ilyen kapcsolási rajzon pedig, 680ohmos.
Lehet, hogy bennem van a hiba, de így első nekifutásra nem tűnik azonosnak a két kapcsolás (tehát A != A) a másik, hogy az ohm az ohm és NEM óhm!
Szia! Ahol 1,5k van, ott a T3-nak 33ohm-os emitter-ellenállása van. Jó rajz.
Nem hiszem hogy ebbe a topikba a szavak helyes irását kellene elemezni.
Hello,
Ha után építem Ezt akkor nem okoz gondot hogyha nem 8 ohm-os hangfalakhoz csatlakozik? Köszönöm.
Szia! Nem okoz. Ha arányosan csökkented hozzá a tápfeszültséget, akkor az IC melegedése kézben tartható. Mekkora teljesítményt szeretnél kivenni belőle, és hány ohm-os lesz a hangszóró?
Szia!
Egy Sony mhc-ec50 típusú hifihez szeretném csatlakoztatni. 2 db 6 ohmos hangfala van, és mivel nincs hangkimenete így a hangfalkimenetre szeretném.
Arra kérdeztem rá, a mélysugárzódban milyen hangszóró lesz.
Nincs mélysugárzóm még az is a vásárlási listán van.
Olvasgatom és és egyre több setét foltot találok...
- (kép) A kapcsolási rajzon vannak kis tömött fekete alakzatok amik az ABC kis betűivel vannak jelölve, és arról szeretnék kérni egy kis felvilágosítást. - Tudom nagy kérés, de sokat segítene nekem hogy megérthessem és elindulhassak az elektronika útján, hogy az ITT található kapcs. rajzokat paintbe összekötögeti? Mert a kiegészítés részben van néhány extra rész amit már nem vágok... Hol megy be a jel hová megy tovább? -És ha még van aki még idáig nem adta fel a reményt velem kapcsolatban... egy durva vázlatot ha tudnátok hogy a hangfalkimenetre ez az egész hogyan csatlakozik rá. Köszönöm szépen,
Azzal kéne összhangba hozni az erősítő teljesítményét. A készüléked meglepően erős. Az STK +/-30V-ról dolgozik 6ohm-ra, csatornánként 50W-ot vígan teljesít. Ehhez 70-80W körül illeszteném a mélyet.
Javaslom hangsugárzós témában beszéld meg a láda építését, az elektronika ami hajtani fogja ahhoz képest sétagalopp lesz
Igazából nem akarok egyedit semmiből: a Pontos mását szeretném ennek mert ez nekem még túl nagy kihívás lenne ezért csak másolni akarom, de még itt is az előbb leírt gondjaim vannak .
Szia.
Beszállok én is a segítségadásba. Amit előszőr is tudnod kell: Ez az aktív subb-láda kapcsolás egy vonalszintű kimenet fogadására van méretezve (ebből annyit kell megértened, hogy egy cd lejátszó már kitudja hajtani). A te"hifid" kimenete nem rendelkezik vonalszintű (alacsony jelszintű kimenettel) ezért neked a hangsugárzó kimenetet kell bevetned ami magas szintű kimenetként értelmezhető jelen esetben. Gyakorlatilag semmi más dolgod nincs, mint hogy megépítsd a témában látottakat majd egy jól méretezett feszültség osztóval, leoszd a maximális kimeneti ac feszültséget, körülbelül 1-1.2V-nak megfelelő feszültséggé (terhelt fesz osztó képlete kell majd csak hozzá). Így a hifi hangereje fogja majd meghatározni a kivezérlési szint nagyságát.
Sziasztok!
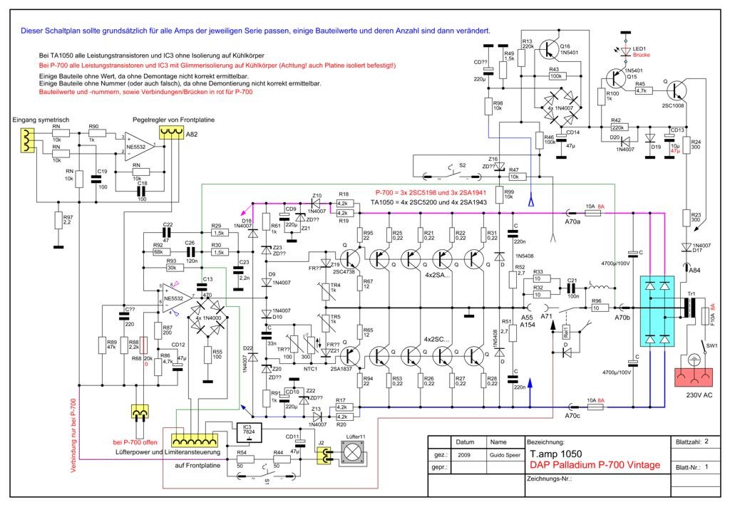
Vettem egy TA1050-es erősítőt, fél oldala kb. 1/3 hangerővel szól mint a másik. A hang minőség is gyengébb. Mellékelem a rajzot. Hol kezdjem a hiba keresést?
Bocsi hogy nem tudok egyszerre megnyilvánulni, csináltam képet. Tudomásom szerint ezek a hővédő kapcsolók alap helyzetben zárnak, vezetnek (drót). Ez viszont szakadt. Ezek szerint ez a probléma? Értéket nem látok rajta, hány fokost illik ide berakni? TA1050
Sziasztok!
Az erősitőmön van egy phono gomb ehez tartozik 2 db rca csatlakozó milyn kimenet vagy bemenet ez.
60-80Celsius-al nem csinálsz galibát, szerintem.
Mérd át az összes félvezetőt. amelyik gyanúsnak tűnik, hogy rossz azt vedd ki úgy is nézd meg. Kondizd is át, azzal nem ártasz neki és annyival is csökken a hibalehetőség. Mindezek előtt ellenőrizd a tápfeszültségeket, hogy megkapja-e a megfelelő feszültségeket. Amelyik oldal működik, onnan tudod ellenőrizni a dolgokat.
Vannak olyanok melyek pont fordítva működnek, egy bizonyos hőfokra kapcsol be. Indíthat egy ventilátort, vagy ha a védelem olyan kialakítású, akkor annak is jelezheti a magas hőmérsékletet a bordán, s akkor a védelem beavatkozik.
Ha leveszed a bordáról, akkor rá lesz ütve az érintkező felületre a hőfoktartománya. (már ha ez lenne a rossz)
Szia! Az általad csatolt rajzon S1, S2 kapcsolókat vélem hőérzékelősnek. S1 a ventillátor fordulatszámát emeli meg, S2 a védelem áramkörben helyezkedik el. Mindkét kapcsoló működése akkor logikus, ha magas hőmérsékleten záródnak a bennük lévő érintkezők. Nem velük lesz a problémád.
A két csatorna eltérő érzékenysége lehet azon egyszerű okból, hogy a bejövő jelkábelek nincsenek jól bekötve - lévén szó szimmetrikus bemenetről. A kettő felcserélésével ellenőrizd le, ha még ezt nem tetted volna meg. Amennyiben az erősítő belsejében van a hiba, az lehet a limiter áramkörben is, melyet a rajz jelez, de nem ábrázol.
Sziasztok!
Van egy pár darab 2N3442-es tranzisztorom. Erősítőt szeretnék építeni, és abba felhasználni.Olyan 80-100 W-osra gondoltam. Szeretném megkérdezni, melyik kapcsolást tudnátok ajánlani amiben jól is működne ez a tranyó, a kapcsolás átalakítása nélkül.Minden ötletet szívesen fogadok.Kapcsolási rajz, nyák rajz, beültetési rajz. A fórumot olvasgattam, de konkrét végkövetkeztetést nem tudtam levonni.Akinek van már ilyen tranyókról tapasztalata és megosztja velem annak megköszönöm. :László
Quad405 például. Ezerszám utánépített kapcsolás, ilyen tranyókkal is többek közt.
|
Bejelentkezés
Hirdetés |













