Fórum témák
» Több friss téma |
Szia ismét. Arra gondoltam hogy igazábol nekem nem kell a tul pontos kapcsolás viszont a 12V kell és esetleg egy feszültségosztoval megoldhato?? Nincs nagy áramfelvétel ugysem 4 led meg az ic. Vélemény?
Szia! 12V-hoz a 3,3k-t váltsd ki 8,2k ellenállással. Bővebben: Link
Sziasztok!
Segítséget kérnék tőletek egy kapcsolással kapcsolatosan. Megépítettem egy hőfokmérő kapcsolást, de nekem finomabb beosztásokkal kellene hogy mérjen. Pontosabban 10°C helyett 5°C-os finomsággal. A mérési tartomány pedig 70-115°C-ig változna. Mit kell megváltoztatnom a kapcsolásban? Bővebben: Link Köszönöm előre is a segítséget!
Hello!
Kicsit át kell alakítani a kapcsolást. - A szimulációban látható, hogy ha a 47kohm-os termisztor alá, 10kohm-os ellenállást rakunk, akkor 70..115 fok között, a feszültség kb. 700mV..1V között változik. - Tehát a Ref-Lo és Ref-Hi pontokat erre a feszültségre kell beállítani a belső 1,25V referencia feszültségről. - Mivel a Ref-Hi és Ref-Lo lábak között az IC-ben 10kohm-os ellenállás van (feszültségosztó háló), a Ref-Lo alá, és a Ref-Hi fölé egy-egy ellenállást kell tennünk ennek érdekében. Ez kb. 8,3k és 23k. Tekintve hogy a termisztorok között eltérések vannak, ezeket az ellenállásokat célszerű trimmerrel helyettesíteni, és az alsóval a 70 fokos, a felsővel a 115fokos jelzési értéket beállítani. - Az ábrán feltüntettem, az LM3914 lábszámait is ahova kell kötni ezt a hálózatot. (1,2k a meglévő Led-áram beállító ellenállás) üdv! proli007
A problémát valószínűleg a tápfeszültség(-gek)-nél kell keresni. Talán két dióda beépítése mérsékelni fogja a jelenséget. Lásd a mellékelt rajzon. Egy próbát megér.
Helló!
Nagyon szépen köszönöm a segítséget és a mellékelt kiegészítéseket!! A hét közepén lesz egy kis szabadidőm akkor meg is építem ezt a módosított kapcsolást és letesztelem ![]() Még egyszer köszönöm!! Üdv!
Üdv!
Erősítő építés tervezési fázisában vagyok és azt szeretném megvalósítani, hogy 50k hangerő potméternek sztereó potmétert alkalmazok és a másik kimenetét (nem tudom hogy mondjam máshogy ![]() Így hangerő poti állását led soron lehet látni. Probléma ott adódik, hogy nem tudom hogy mekkora feszültséget adjak a potinak és hogy milyen külső alkatrészeket alkalmazzak ahhoz hogy legalsó állásba egy led se világítson maximum álláson pedig mind a tíz. Ebben kérnék segítséget, köszönöm előre is!
Szia! A potit kösd a 4, 5, 6 lábakra úgy, hogy a csúszka az 5-ösre kerüljön.
Amennyiben logaritmikus potenciométert használsz LM3915-tel lesz elfordulás arányos a jelzés.
Hello!
Csak éppen a poti "logos", pont azért, mert a hangerő érzet meg nem. Akkor most mi van? ![]() üdv! proli007
Üdv!
Lin. potit használok azért is gondoltam lm3914-re. Hangerő érzet ebbe az esetbe meg nem is fontos mer csak a hangerőszabályzó állását akarom szemléltetni. Egyébként reloop-nak meg neked dicséret jár mer két kérdést két különböző topicba ti ketten tök gyorsan válaszoltatok meg ![]()
Szia! Becslésem szerint az LM3914 logaritmikus potival 50% elfordításnál 1-2 LED-et kapcsol be.
Közben a probléma megoldódott. Vagy elmélyült. ![]()
Hello!
Ebben viszont mélyen igazad van.. Mert a poti másik fel is logos.. ![]() üdv! proli007
Üdv!
Megépítettem a kapcsolást és bekapcsolás után az összes led világít, potival nem tudok állítani semmit ![]() Valami ötlet? vagy rossz a kapcsolásom ? Köszi előre is...
Szia! Ez a kapcsolás így nem jó semmire. Mit szeretnél vele elérni?
jun 11. tettem fel kérdést és te is válaszoltad meg (#1244579), még ezen az oldalon van. Lehet félre értettem a válaszod..
![]()
Bocs, nem emlékeztem. Kösd össze a 6-7 és a 2-4 lábakat
![]()
Sziasztok!
Szeretnék építeni egy feszültségmérőt az autóba lm3914-gyel. Úgy képzeltem el, hogy a 10 ledből annyi világít oszlopszerűen, amekkora épp az adott fesz, tehát nem egyetlen led világít. Mivel a kocsiba lesz, így kb. 10-15V-ig kéne mérnie. Úgy gondoltam, hogy egy ledenként 0,5V-tal emelkedne a feszültség. Így pl.: 10,5V-tól indulna és 15V lenne a vége. Nézegettem az adatlapot, sejtem, hogy az első kapcs.rajzzal kéne valamit csinálni, de inkább kérdezek. Szóval ehhez kérnék egy kis segítséget! Köszi előre is! ![]()
0,5V lépés elég nagy, nem lesz jól használható. Számjegyes kijelzőt használj inkább. pl. ilyet, és akkor 0,01V pontosságú lesz a kijelzés.
Sziasztok!
Hozzáértő segítségeteket szeretném kérni! Szeretnék építeni egy áramkört amely egy lineáris ellenállás-változást jelez ki LEDekkel, (ezért gondoltam az LM3914-re) 185,5Ohmtól kezdve 26,5 Ohmmal csökkenve 7lépcsőn át 26,5 Ohmig (Tehát: 1Led:185,5; Led:159; 3Led:132,5; 4Led:106; 5Led:79,5; 6Led:53; 7Led:26,5). Mivel az áramkörtervezés igen távol áll tőlem, bízom benne, hogy tudtok nekem ebben segíteni. A panelt egy kapcsolási rajz alapján már meg tudom építeni. A segítséget természetesen valamilyen formában meghálálnám! Előre is hálás köszönetem!
Szia! Mekkora a tápfeszültség, van-e valamilyen szempont mekkora áram folyjon a 185,5 ohm ellenálláson? 10mA LED áram megfelel? (20mA a plafon) Netán üzemanyag szintjelző? Csak azért kérdezem mert abban nem feltétlen lineáris az ellenállás. Szívesen lerajzolom
![]()
Szia!
Jogos, hogy hiányos volt a bejegyzésem! Illetve talált süllyedt ![]()
A rajzot - bár nagyon egyszerű - már holnapra hagynám, a poti egyik vége gondolom testen van.
Igen testen van a poti másik vége. Illetve nem tudom mennyire okoz gondot, de teljesen porszáraz tanknál szakadást mutat a poti. Kiszerelve 0 és 200Ohm között mér de ha beszerelem és teljesen lent van a tank alján az úszó akkor már szakadást mutat, gondolom túlmegy a csúszkája a szénrétegen vagy ami van benne. Bőven ráér holnap
![]() Előre is hálás köszönetem!
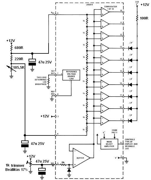
Első körben berajzoltam az IC tömbvázlatába, hogy átlátható legyen az elgondolásom.
Tele tanknál az 1k trimmerrel kell kalibrálni, hogy épp világítson mind a hét LED. Ha pontos 12V-ot kap, az 5-ös lábon kb. 2V legyen. A későbbi feszültségingadozás nem fogja zavarni a híd kialakítás miatt. A 7-8 lábak közötti ellenállás értéke 1,2k. A hozzászólás módosítva: Szept 25, 2012
Hello!
Ügyes! De nem 2V-nak, hanem kb. 2,3V-nak kel lenni, mert 185,5ohm mellett, már az első Led-nek jelezni kell. (Nem itt kell a hídnak kiegyenlítettnek lenni.) Amúgy érdemes lenne a poti szabályozási tartományát csökkenteni a könnyeb beállíthatóság miatt. üdv! proli007 |
Bejelentkezés
Hirdetés |