Fórum témák
» Több friss téma |
Fórum » PIC - Miértek, hogyanok haladóknak
Ja és ez a bojan doban féle paralel portos
A PICKit2-t lehet kapni a chipcad-nél, kb 10eFt. Jó, de nem igazán ICSP progizó, mint a korábbi tapasztalatok jelezték. Valamint nem leválasztott az ICSP portja. Ezek viszont elég nagy hátrányok.
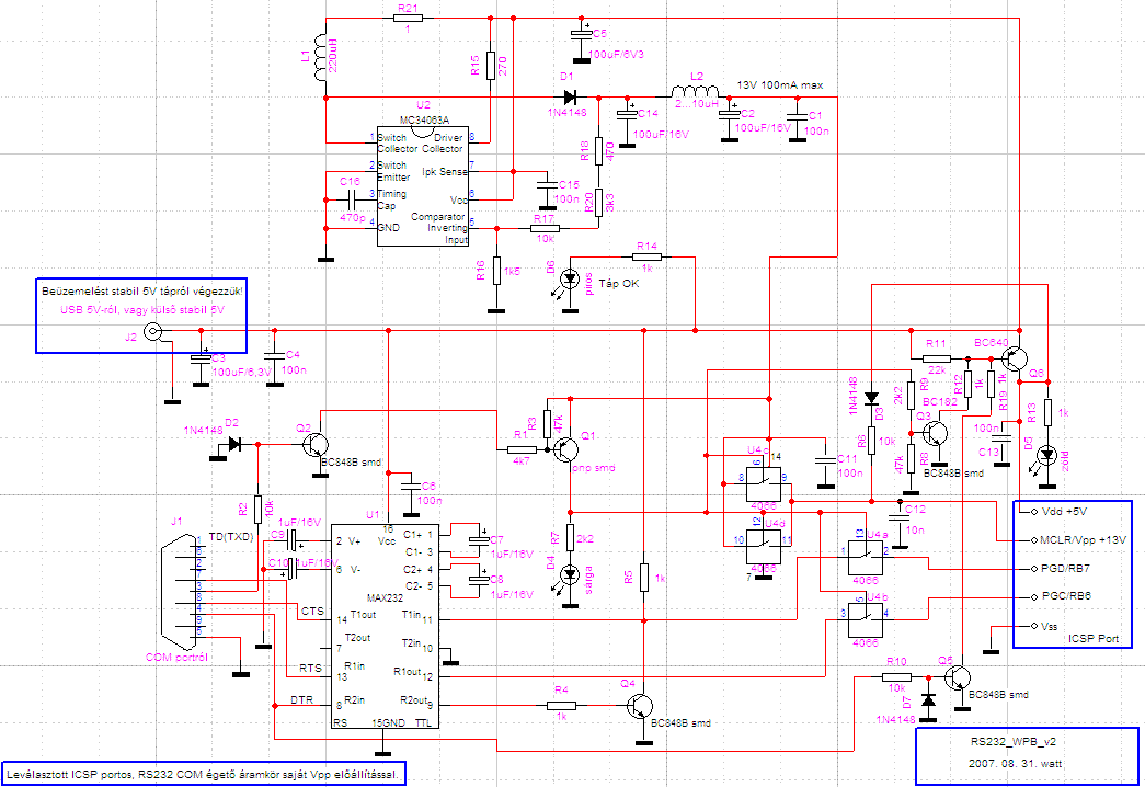
Az ICD2-t majd akkor építsd meg, ha már van egy rendes égetőd. Az nem égető, inkább fejlesztő eszköz, ami égetni is tud. Biztosan hasznos, nekem nincs még, de ami késik nem múlik. Meg lehet lenni nélküle, míg egy jó égető nélkül nem. Alkatrész ára szintén 10 körüli. Ha nem sűrgős, néhány nap múlva publikálok egy soros portos(COM), leválasztott ICSP portos égetőt, ami jelenleg már működik csak tesztelem és a programot fejlesztem hozzá. Ic-prog-al is lehet használni, annak beállítasa után. 2eFt körül kijön(részletes alkatrészlistát adok hozzá, linkekkel). Megfelelő programmal minden PIC-et fel lehet programozni vele. Lesz részletes leírás róla az oldalamon. (1-2héten belül!) Kis ízelítőnek csatolom a rajzát:
Én nekem még semmi problémám nem volt vele igazából. Áramörben programozok vele most is webszervert, még az ethernet kábel is rajta van közben és jól működik. Nemtudom mi lehetett vele a gondja annak akitől hallottad.
Ha jól tudom akkor mostmár új verzió van egyébként forgalomban, amin piros az a kis gomb, és az már leválasztott, és tartalmaz némi hardver módosítást a régebbi fekete gomboshoz képest. (De a feketét is át lehet alakítani) Persze nem mondom hogy ezt kell feltétlen megvenni, csak ha usb-set akar a srác és debuggolni is kell. Idézet: „Jó, de nem igazán ICSP progizó, mint a korábbi tapasztalatok jelezték.” Nem cserélted össze a Propic2-vel?
Igen én is arra tippelek, mert közben rájöttem hogy semmiféle ICSP leválasztási gondja nem is volt a Pickit 2-nek. Azzal kevertem össze, hogy a régebbi verzión a debuggoláshoz szükséges még ha jól tudom a PGD és PGC lábakra egy-egy 4K7-es felhúzó ellenálást akasztani.
A leválasztás az más. Ha van ilyened, nézd már meg, hogy a kimenetei, miután felprogramoztál egy chipet vele, fixen beállnak valamelyik logikai szintre, vagy nagyimpedanciás állapotba kerülnek. Egyszerűen meg tudod nézni: kösd a műszert a PGD és a GND közé, és egy 1k ellenállással húzd fel a tápra a lábat, majd húzd le GND-re. Ha a fel és lehúzatlan állapothoz képest a feszültség nem változik jelentősen a kimeneten (logikai 0 vagy 1 marad), akkor a Pickit2 sincs leválasztva.
Kimértem. Felprogramozás után rögtön a PICKIT2 ad egy resetet az áramkörnek, nemtudom ez számít-e.
A feszültségek: simán: -0,16V, tápra húzva: -0,08V. A földet még nem mértem
Ez az olvasatomban azt jelenti, hogy nem leválasztott.
Elkészültem az új COM portos égetőmmel.
Remélem nem veszitek zokon, ha egy linket szúrok be, de nem gondolnám, hogy ide is le kéne írnom mindazt, amit a terminalon leírtam az új égetőmmel kapcsolatban. www.forum.terminal.hu_PIC égetős topicom Jókívánságaim hasonlóak az ott kifejtettekkel!
Megoldottam a pic égető problémám. Raktam rá egy igy karos ic befogót egy 30cm-es szalagkábellel. Na ezt nem kellett volna, most egy 10 centis normál kábellel van rárakva (árnyékolt meg minden), és így simán vszii az ic-ket.
Mindíg tanul az ember csak miért pont a saját kárán ....
Tanulhattál volna más kárán is, ha elolvasod a témát az elejétől a végéig!
Az oldalamon is leírtam, hogy max 20cm!
Meg aztán nem is azzal van a baj, hogy az égetőben karos a fogalat, vagy sem, hanem azzal, hogy ha a céláramkörbe való PIC-et nem egyszer akarod feltölteni a programmal, hanem fejleszteni akarod azt, no akkor hiába karos a PIC égető, az áramkörből a 100. kihúzás után kakukk lesz a PIC néhány lábának(ezt is más kárán megtanulhatod, az enyémen annó a kezdetekből! ).De méginkább a macera(óvatosan kibányászni, visszatenni, próbálni, megint kiszedni stb, a helyett, hogy megnyomnál két gombot!!!), ami egy idő után idegtépő lesz. Nos ismét leírom, ICSP módon programoz egy profi, és mindenki más akinek van egy kis esze!
Én például MINDEN picet először egy (olcsóbbik fajta) foglalatba teszem, és csak utána használom. így ha netalán kellene dugdosni, akkor védve vannak a lábai.
Ez jó megoldás a lábak védelmére, de az idegekére nem.
Tudom vannak olyan helyzetek, amikor nincs más mód, ekkor jók az említett karosfoglalatos+szalagkábeles ICSP portra illesztkedő megoldások, de erőltetni, vagy az ilyen megoldások mellett kiállni, szerintem nem érdemes!
Éppen most fúrom Potyo icd2-es égetőjének a nyákját, biztos jobb így programozni, de ha az alkatrészlistát odaadom az elektrokonthás faszinak, szerintem kitépi a haját!!!
Nem kell félni; a boltosnak az a dolga, hogy kiszolgáljon...
Persze ellenállásból, kisebb kondiból nem érdemes pontosan pl. 7 db-ot venni, ha annyi kell az áramkörhöz. Érdemes helyette 10-15-öt venni, és akkor még marad későbbre is máshoz...
Sziasztok! Bocs, hogy itt kérdezek , de nemtudom , hogy hol kéne. Az a gondom , hogy tönkrement a mikrósütő
időzítője, (mechanikus). Gondoltam lehetne csinálni egy pic-eset. Én nem értek hozzá, van Kónya , Madarász, HE, kiadványom, programozóm , sok picem, de ettől még nem tudok programozni. Arra gondoltam lehetne nyitni egy ilyen topikot, és ott közösen csinálhatnánk egy ilyen időzítőt, és akkor abból sok kezdő tanulhatna , olyan mint én is. Mit szóltok hozzá? Üdv: Lóri
Ezt a dolgot vagy itt a PIC-es topikban kellene megtárgyalni, vagy ajánlhatom pl. ezt a topikot is: http://www.hobbielektronika.hu/forum/topic_2341.html
Köszi Norberto!
Írtam a másik topikba, de ott 2006 Dec. volt az utolsó hsz. Na mindegy, a lényeg , hogy 15.ért cserélnék ki, azt amit ráadásúl ők rontottak el. Láttam kettőt is itt a fórumon , de én másfajtát gondoltam. Hogy kevés legyen az alkatrész 16f872-re közvetlen 4db 7 szegmenses , plusz csipogó, meg ds1307(áramszünet) 3 gomb.Valami ilyesmi. A Májki féle (skandi elektronika) sablonos , modulos dolog tetszik, azon az úton indulnék el.(írtam is a fórumába , de három napja nem jött válasz, lehet, hogy szabin van,)Próbáltam használni a sablonját, igaz16f57-re,meg 16f628-ra, ledek bekapcsolása, de nem ment. egy basic-ossal ment, de az nekem nem annyira átlátható, hogy mi történik. Inkább asm-ben mennék. Amikor írtam, hogy xtal_freq, meg core freq, és option_val EQU az nem tetszett a fordítónak. Miért? Pedig Májki így csinálná.
Az egész témának nem sok köze van az ICD2-höz. Tényleg nem értitek, hogy az ICSP nem egy égető, hanem egy módszer?
Sziasztok
Még kezdő vagyok,sőt,bele se kezdtem a PIC programozásásba,de szeretném megtanulni,mert egy pár kapcsoláshoz ez nélkülözhetetlen(pl. prop clock) Épp ezért jöttem ide segitségért,hogy mik azok az alapok,amivel bele lehet kezdeni a PIC programozási projectbe?(úgy értem,azt se tudom,hogy kell programozni,demár egy égetőt akarok ősszerakni )Köszi Tomi
Utána ezt: 18F2321 adatlap
Minden innen indul. Ha megértetted a működését, nem lesz gond programot írni rá. Gondolom a bináris számrendszert ismered, és azt is, hogy ez milyen módon kapcsolódik egy processzorhoz!? Ha nem, akkor jobb, ha először ezzel kezded. Sok infó van a számítástechnika alapjairól a neten, csak keresni kell.
Szia
Köszi szépen a linket,hasznos,most épp a linkben lévő pdf fájlt tanulmányozom! Szerencsére van alap vagy közép elektronikai ismeretem! Mit értek ez alatt? pl.tudom,hogy a lednek előtét elenállás kell,és az ellenállás értékét is ki tudom számolni képlettel Sima IC-t nem csak forrasztgatok őssze-vissza,hanem letöltöm a a doksiját(thanks google),és a lábkiosztás alapján "kötöm" be a panelbe
Szia!
Nem tudom, hogy nézted-e, de szerintem az, amit a Norberto által linkelt topicban hzsolt77 írt, az jó is lenne Neked: Bővebben: Link Vagy ha másra gondoltál, akkor mondd el, hogy miben különbözik, és megoldjuk!
A tanulás olvasással kezdődik. Ezért kezd a téma olvasásást az elején, illetve ezt is olvasd el: http://forum.terminal.hu/viewtopic.php?t=4546
Szia!
Láttam a linket, köszönöm, de egy mikróhullámú sütőt nem olyan kényelmes kódkapcsolóval programozni. Arra gondoltam, hogy alapban óra lenne, s csak, ha nyomkodom a gombot akkor vált át ídőzítővé.Valami samsungban láttam ilyet. Az előlap mögé raknám be, ezért jó lenne ha kicsi lenne. Síp, pár gomb , négy hétszegmenses közvetlen a picre.Rtc meg azért, hogy ha áramkimaradás van akkor se felejtsen. |
Bejelentkezés
Hirdetés |





Nehezen követem!
Láttam kettőt is itt a fórumon , de én másfajtát gondoltam. Hogy kevés legyen az alkatrész 16f872-re közvetlen 4db 7 szegmenses , plusz csipogó, meg 




