Fórum témák
» Több friss téma |
Mielőtt kérdezel, a következő két dolgot ellenőrizd!
I. A helyes tápfeszültségek megléte.
II. A kimeneten van-e egyenfeszültség.
Élesztés.
Persze, csak úgy szólóban, hogy más ne legyen odakötve, csak az ellenállás.
Sziasztok, egy haver garázsában észrevettem egy kissé leharcolt FANE aktív hangsugárzót, amit egyből meg is szereztem. De elég csúnyán bántak vele és beszakították a hangszórókat is eltakaró szövetet. Illetve az elektronikája sem volt épp a helyzet magaslatán. (A hangszórók hálistennek nagyon szép állapotban vannak.)
A lényeg hogy darabjaira szedtem, és megtakarítottam. Beüzemeltem az erősítő részét, nagyon szépen szól. De szeretném gyári állapotúra felhozni és elakadtam a bemenetek- kimenetek bekötésével. (Van 2db input és 2db output.) A 6db kis lyukba 6,3mm-es jack aljzatok jönnek és alattuk pedig DIN-5-ös aljzatok vannak. A láda hátsó részén jól látszik hogy van benne 2db teljesen egyforma ÁK, amik a magas illetve a mély hangok emelését/csillapítását végzik. Amire választ várok hogy hogyan is kössem be a bemeneteket és kimeneteket. Igazából csak a TAPE feliratú csatlakozókkal nem vagyok tisztába, hogy azokat hova is kössem. (Az menjen párhuzamosan a bemenettel?) Illetve, amint a képen is látszik a tesztelés alatt simán ráforrasztottam egy 3,5-ös jack dugót. És arról kapja a jelet. A tesztelés alatt megfigyeltem hogy az erősítő túl tudja vezérelni a hangszórókat. (Mono üzemben párhuzamosan 2db 8 ohm-os hangszóró, amik 74W-osak egyenként.) Az erősítő végfokozata 4db 2N3055-ös. És 2*38V DC-ről működik. Mindezt azért írtam le, mivel azon gondolkodtam, hogy nem-e lenne érdemes kiegészíteni egy limiterrel és egy hangszóró védő ÁK-rel a belsejét. Ha esetleg zárlatos lesz az erősítő, akkor se vigye a túlvilágra a nem olcsó hangszórókat. Bár ha kap ilyen ÁK-öket, akkor oda az eredetisége. (Tehát ez sehogy sem az igazi.) Légyszíves írjatok olyan boltot vagy weboldalt, ahol tudok szövetet venni az elejére. És a hátulján csak egy kis 10*15cm-es fedlap volt, ami tartalmazta a hálózati csatlakozót plusz egy biztosíték aljzatot, mellette pedig nyitott volt. Ez is kérdéses a számomra, hogy ott volt-e valami vagy sem. Sőt bármilyen infót tudtok erről a készülékről, légyszíves osszátok meg velem, mert én nem sok mindent találtam vele kapcsolatban. Üdv.: Miki
Pl. De hangszóróselyem néven a gugli dob pár boltot... :yes:
Sziasztok,
Mivel fogalmam sincs, hogy mi baja az erősítőmnek így új végfokot szeretnék építeni és a meglévő szűrőjét használni. Bővebben: Link Kérdésem az lenne, hogy kell-e elé táprész vagy trafóról mehet közvetelenül rá?( trafóm 2*23v+2*32V) Köszönöm
Szia!
Csak megismételni tudom amit akkor írtam amikor belevágtál ebbe az építésbe: egyszerűbb áramkörökkel kezd az ismerkedést az elektronikával. Az iménti kérdésed arra utal, hogy túl kevés tapasztalattal ragadtál pákát. Ezt az erősítőt még tedd egy kicsit félre, mert a kapott tanácsok befogadása is kihívás a számodra, nemhogy meg is valósítsd őket. Ez jó gyakorló terep. Nem a kedved akarom elvenni, inkább a kudarcélménytől óvnálak.
Szia!
Igazad van. Ezt eddig is tudtam.. egyedüli ok, hogy nem hagytam békén ezt és tértem vissza az alapokhoz, hogy már elkezdtem és -számomra- sok pénz van benne. Viszont így tehetem bele a pénzt. ha nem megy. ![]() Na ezt berakom a szekrénybe és tanulgatok még kicsit. Köszönöm
Sziasztok!
Szeretném a segítségeteket kérni!!!!Van egy 20v tápom Egy akku töltőből készült.A trafó 6-12 v középen osztott Geatz 2x 2200 uf 35v kondi és így lemérve 20v. Ehhez szeretnék egy egyszerű gitár erősítőt készíteni .tudnátok egy egy rajzot és nyáktervet küldeni.Át néztem a topicot de nem találtam olyat ami ehhez a táphoz jó lenne.üdv: dava
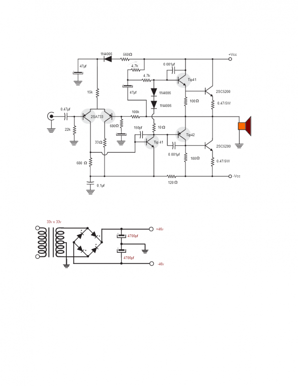
Sziasztok! A segítségeteket kérném,hogy össze raktam az alábbi erősítőt,és mikor be kapcsolom, akkor a negatív feszültséggel működő végtranzisztor melegszik,és a hangszóróba halk búgást lehet hallani.Volna valami ötletetek?
Szia! Kösd le a hangszórót, és mérd meg a kimenetén az egyenfeszültséget. Ha jelentős negatív feszültséget tapasztalsz, akkor az első tranzisztor 680 ohm kollektor ellenállását cseréld 1k trimmerre és állíts a kimenetre 0VDC-t.
A kimeneten 0,5 v-ot mérek.
Ez jó sok, állítani kell.
Sajnos nincs változás,
Na össze jött, a kimeneti DC0.01v.A rendellenes melegedés megszűnt,de az a kis búgás még meg van.Ez ellen lehet tenni valamit?Köszönöm az eddigi segítséget reloop fórum társamnak.
Szívesen! A 120 ohm utáni 0,1µF mellé tégy még 100-220µF-et.
A trimmert ki lehet fix ellenálásra cserélni?A trimmer ebben a beállításban 330óhmot mutat.
Rendben, kiegészítem.Kösz mindent,szép estét.
Sőt ki is kell. Ha más tápfeszültségre kötöd, akkor kell legközelebb állítani rajta.
Sziasztok!
Egy 1ic-s /ne5532/ sztereó hangszínszabályozót szeretnék építeni a mellékelt rajzot találtam és nem tudom hogy megbízhatóan működik-e...Esetleg tudna valaki ebben segíteni?Előre is köszönöm!
Szia!
Ez ránézésre is komoly rajz, tehát működnie kell.
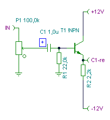
Szia! A hangerőszabályzó és baxandall hangszín között ajánlott egy illesztő fokozat, mely akár egy emitterkövető tranzisztor is lehet. Így ebben a formájában nem szimpatikus a rajzod.
Hangszínszabályzó témája. Egy ajánlott kapcsolás. IC1 erősítése egységnyi is lehet. Előnye az illesztés mellett, hogy visszafordítja a helyére a fázist.
Köszi szépen! Ezek szerint nem úszom meg egy ic-vel...Sajnos csak egy árválkodik a boxban és a hétvégén akartam összehozni valami egyszerűbb sztereó kapcsolást...Esetleg erről a emiterkövető tranyós verzióról tudnál valami rajzot mutatni?Kezdő szintű vagyok az elektronikában.
Mellékelem. A rajzodon mennyinek olvasod C1 értékét?
Köszi szépen! 4.7 mikró ha jól értelmezem.
A kondi és a tranzisztor is jó lesz. Egy hétvégi kapcsolás kedvéért a tranzisztort nyugodtan elhagyhatod, a kiemelés mértéke változni fog kissé a hangerő és a balansz poti állásától függően.
Ha Te mondod akkor kell az oda!Köszönöm a segítséget!
A műveleti erősítők megjelenése előtt ez volt a kapcsolás tipikus formája: Bővebben: Link
|
Bejelentkezés
Hirdetés |

















