Fórum témák
» Több friss téma |
Fórum » LC mérő
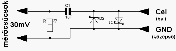
És akkor, ha kész a mag, rá kell mérnem a LCM3-al, 100uH-nak kell lennie ugye? A 0,15-ös huzalból nem kell semmilyen sodratot csinálni, csak felrakom a 20 menetet, és kész.
4-6 szálat sodorj össze attól függően, hogy a szigeteléssel vagy anélkül 0,15-ös a huzal. Az induktivitás pontossága nem kritikus de nem árt ha 95-105 uH között van, ha már van lehetőséged mérni és beállítani.
What is the latest version of the software that support this adapter for IN-CIRCUIT ESR measurement?
Also what is the value of the Schottky diode? can I used 1N5819? TIA
Készítettem egy tekercset 6szál 0,15-ös huzalból(szigeteléssel együtt 0,15). Induktivitása 98,5uH. A kondenzátor egy ugyanolyan kinézetű 33nF-os kondi, mint amilyenek az 1nF-osak, és 160V feszültségtűrésű. Így az Uesr 155mV lett, lehet még ezen növelni esetleg ha pontosítom a tekercset, vagy kondit cserélek? Jah, és az áramkör nincsen dobozban. Még várok vele pár percet, hogy beálljon a hőmérséklet, és ujra kalibrálom, hogy mennyi lesz az uesr.
Hát úgy látszik 10 perc után is marad a stabil 155-156mV. Az ellenállás mérés nem áll nullán, hanem -1 és -9mV között ugrál. Lehet még javítani a dolgon, vagy ez ennyi volt? Írtátok lejebb, hogy egy fazékmaggal, és egy olyan kondival mint ami nekem van, több mV Uesr is lehet?
1; Én azt írtam, hogy az valószínüleg poliészter (nem polisztirol) és nem való komoly dologra! Kérdeztem mi van rá írva, de nem válaszoltál...
2; Miért nem az előbbi piros kondival nézted meg, ha már meg is megkérdezted? Vagy az eredeti szürke X2-el?
Nah most, az a két kondi, a szürke és piros, az nem szürke és piros, az ugyan az a kondi, csak a vaku miatt lett az egyik más. Tehát a piroson lévő felirat van a szürke tetején.
Egy és ugyanaz a kondi, csak a gép rosszul képezte le!
Yes, and it is very appropriate in 1N5819!
Nos kipróbáltam a szükre kondit, az Uesr 125mV-ra esik vissza, ha visszateszem a fényes kondit, akkor újra 155mV lesz az Uesr. Eddig ez a legjobb. Nem tudom a szükre miért nem jó....:S
- Tegyél fel képeket a kondikról, hogy mi van az oldalukra írva, hátha többet tudunk meg mint, hogy "fényes" meg "szürke"!
- Végül is melyik vasmagra készítetted az induktivitást és ha a jano36 által javasolttal, akkor hány menettel jött ki a 100 uH és mi van a vasmagra írva? - A sodrat beforrasztása korrekt, a szigetelés rendesen le lett tisztítva? Ohmmérővel mérted?
Sziasztok, utan epitettem VK3BHR LC merojet. Gondolom elege pontos.
Helló!
Nos, az induktivitást a képen jobb alul lévő magra készítettem el, és a hangoló ferritet áttettem az L5 jelű magból, beleillik, és működik is. Al250 van ráírva, és semmi más. 18 menet kellett ahhoz, hogy a hangoló maggal 98,5uH-t be tudjak állítani. A sodrat szálainak végét egyenként csiszoltam le 100as papírral, és úgy forrasztottam össze a végeket, és sodrott réz vezeték van ráforrasztva, azzal van a panelre forrasztva. Ohm mérővel mit kellett volna mérnem? A szükre, kocka kondiról már raktam be képet, az oldaláról, és tetejéről is (ez a hozzászólás=>#1274368), a fényes pedig 33nF 160V-os ugyanolyan kondi, mint az 1nF-osak, de holnap megnézem pontosan.
Ohm mérővel pl. ellenállást..., konkrétan a tekercs DC ellenállását. Még rá szokták írni a ferrit anyagminőségének jelölését (N27, N67, vagy valami hasonló)
A "szürke kocka" oldaláról nem láttam se tegnap, se ma képet a megadott hozzászólásban, olyat meg végkép nem, amin látszana mi van ráírva az oldalára. Abból ami látszik belőle, biztos, hogy nem MKP és főleg nem X2. Pár hozzászólással előbb betettem egy képet, hogy néz ki ami megfelelő. A másik kondinál sem árultad el mi van ráírva pontosan, gondoltam a képről megtudjuk! Hogy "fényes" meg hengeres az nem jelent semmit. Egy 50 Ft-os alkatrészről van szó, amit itt Debrecenben is be tudok szerezni, nem értem miért kell erőltetni mindenféle bizonytalan eredetű alkatrészt. De hagyjuk, végül is nekem nem annyira fontos a dolog!
Okés, majd megmérem az ellenállását, és megnézem, mi van még a magra írva....
Ez a szürke kondi oldala Ez a szürke kondi teteje A fényes kondi, és ez a szürke is, csak azért került be az áramkörbe, mert ez volt itthon, nem erőltetni akarom én, csak most egy kondit honnan rendeljek? A fényessel volt eddig a legjobb eredmény, és azért nem tudom leírni, hogy mi van ráírva, mert kinn van a műhelyben, és így este már nem megyek ki érte. De már kérdeztem, hogy esetleg be tudsz-e szerezni az áramkörhöz való bemért kondit, de nem kaptam választ, gondoltam ez nem lehetséges, mert nekem ez a megoldás lenne a legjobb, ha be tudnál szerezni egy olyan kondit, ami tuti jó, és ezekből a magokból pedig tudnék tekerni egy tekercset, ami megfelelő, és lenne egy jó áramköröm végre. Köszi egyébként az eddigi részletes válaszaidat!
Tehát ez a két kép egy kondiról készült!
Igaz, hogy X2, viszont MKT ami azt jelenti, hogy poliészter és a magas veszteségi tényezője miatt nem jó! MKP vagy polisztirol kellene. Már korábban is irtam, hogy az üzleti vonatkozásaival nem foglakozom, régebben a KIT-et degus állította össze, de már Ő sem érdekelt ebben. De ha PÜ-ben küldesz egy címet, akkor küldök egy 33nF-os kondit! Az induktivitásod valószínűleg jó lesz.
Jónak tűnik Kasamiko MPX-e is!
Közben néztem most milyen 33nF-os MKP X2-őt lehet nálunk kapni. A régebben kapható helyett a képen láthatóakat sikerült beszerezni a helyi boltban. A nagyobbik MKP Y2/X1 6 raszteres mint a régebbi viszont vastagabb és drágább is (200 Ft). A kisebbik MKP X2 4 raszteres (kisebb mint az eredeti, viszont szintén 50 Ft) egy kicsit bizalmatlan is voltam vele, de mérések szerint semmilyen különbség nincs a lét kondi vesztesége között, 400 mV (csúcstól-csúcsig) körüli feszültség volt velük elérhető a fazékvasmagos tekerccsel, ugyanakkora mint a korábbi beszerzésű kondival volt.
Üdvözletem!
Kérdésem, hogy a mellékelt képeken lévő kondikat érdemes -e használni? Ccal értékét be lehet állítani 1,234 -re valamelyik programverzióban?
Szervusz!
Az 1.20-tol kezdve 1,203 nF-ig lehet állítani az ICSP-n keresztül. De az PicKit2-vel (a saját programjával) be lehet írni nagyobb értéket is az EEPROM végére: a Te esetedben 12340 értéket (mivel 1/10 pF a felbontás) kell bírni az utolsó két bájtba. A 33 nF ból a hengeres kivitelt próbáld meg.
Szia!
Egy kis segítséget kérek tőled. Cimborámmal neki álltunk az LCM3 építésének. Ő kicsit gyorsabb volt elkészült vele, 1.32-es hex van bele égetve és rendesen működik. Én lassabb voltam és csak most készültem el vele, ő pedig épített még egyet. Most estünk pofára mert mind a kettőnknél ugyanaz a hibajelenség van. Bejelentkezés után kiírja hogy válts vissza és ez nem változik hiába kapcsoljuk ki/be vagy átkapcsoljuk. Ő átcserélte a PIC-et, akkor is az a jelenség, én másik verzió beégetésével próbálkoztam, de semmi. Már kiguvad a szemünk annyiszor átvizsgáltuk a paneleket. Légy szíves segíts, hogy hol keressük a hibát! Érthetetlen hogy két külön készült panelnél ugyan az a hiba. Segítségedet előre is köszönjük.
Hi Mesterek!
Elkészült az LC mérő (~2 hónap). Tökéletesen működik, nagyon jó kis szerkezet! Lehet már hangváltót készíteni ![]() Köszönet mindenkinek, alkatrész összeszedésében és persze a fejlesztőcsapatnak hogy ily remekművet megosztottak velünk és ingyen! Mivel Én nem vagyok otthon a profi vasalásban ezért csináltam egy nagyobb panelt a műszerhez. Képet is rakok fel, de majd ha be lesz dobozolva. Köszönöm még egyszer!
Szervusz!
Gondolom ugyanolyan kapcsolótípust használtok. Lehet hogy nem "ON-ON" típusúak. ellenőrizd, hogy mindkét állásban nyit illetve zár az érintkező.
A visszajelzések alapján néhány embernek gondot okoz az ESR diagram használata, ezért megpróbálom kicsit körbeírni (azt hittem magáért beszél)
Példaként a mellékelt képen berajzoltam egy 330µF-os (16V) kondi és három lehetséges ESR mérési értéket, illetve azok metszési pontjait: 1. pl.: ESR 40 mOhm, a metszéspont a görbe felett, a zöld tartományban van "LOW ESR" vagy nagyon jó kondi. 2. pl.: ESR 200 mOhm, a metszéspont a görbén illetve a közelében van, a sárga tartományban van, átlagos ESR érték. Nagy valószínűséggel jó! 3. pl.: ESR 800 mOhm, a metszéspont a görbe alatt, a vörös tartományban van, valószínüleg már nem jó! A görbék a mostani átlagos elkók gyártói adatlapjai alapján készültek.
Sajnos nincs pickit2, egy lpt -s égetővel akarom betölteni a programot. (Még nem építettem mikrokontrollerel semmit idáig...) Az égetőben megnéztem az eeprom -terület utolsó két bájtját az 1.25 ös és az 1.35 ös
hex-ben is, de nem egyezik, meg nem is 10000 van ott. (Watt féle égetőben néztem bele, elvileg lehet szerkeszteni is). Egy képernyőkép sokat segítene, hogy mit írjak át.
Szia!
Még nem is hasonló kapcsolót használunk. Ő billenő kapcsolót használ és pedig nyomógombot. Ellenőriztem a kapcsolóimat jól működtek, de azért még egyszer megnézem hátha forrasztás után változott valami.
Ennek kell benne lennie gyárilag, a "FAZEKVAS" a 1.35 verzió. A fizikai sorrend fordított mint az ábrázolás, előbb van a kisebb érték.
Az R9 ellenálláson keresztül van összekötve a kapcsoló és a PIC 18-as lába (az ICSP is ide csatlakozik). Itt figyeli a kapcsoló L vagy C állásban van-e. Olyan nálad, mintha folyamatosan L állásban lenne, legalább is a PIC szerint.
- Nézd meg hogy a PIC 18-as lábán van-e szintváltozás ha a kapcsolót átváltod.
Szia!
Köszönöm a segítséget, meg lett a hiba. A kalibráló kapcsolónál felcseréltem két vezetéket. Pedig jó láthatóság miatt piros/fehér/zöld vezetékeket használtam a kapcsolóknál, pont az ilyen hibák kiküszöbölése ellen. Azt hittem így nem tévesztem el a bekötéseket, de nekem ennek ellenére sikerült. A cimborámnak is alakul, neki a PIC 17-es lábánál volt egy pici vezetősáv hiány. Még néha kiírja a kalibrációs hibát és néha össze-vissza váltakozik. |
Bejelentkezés
Hirdetés |





Egy és ugyanaz a kondi, csak a gép rosszul képezte le!













