Fórum témák
» Több friss téma |
Sziasztok!
12V-s motoromhoz szeretnék diódát. Elakadás jelzőt csináltunk a meglévő reléből és erre kéne 1-1 dióda, hogy ne tudjon áram vissza menni. Akksiról megy a cucc. Milyet vegyek??
Sziasztok.
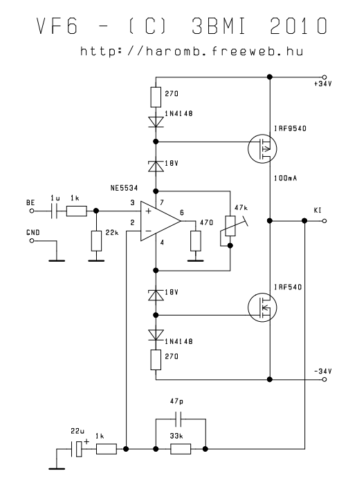
Egy erősítőbe kell 2 zennerdióda azt írja a kapcsi rajz,hogy 18v kell, wattot nem ír jó-e egy 1,3w-os, mellékelem a kapcsi rajzot
Sziasztok!
Volna egy 750W-os bojler fűtőbetétem,ezt ha sorosan kötném egy diódával,akkor felezem a teljesítményét. Jól gondolom? Egy BY550-1000 5A 1.000V dióda megfelelne?
Szia!
Inkább célozd meg a 10A-t. Fő a biztonság.
Köszönöm a választ! Azon nem múlik,lesz 10A,csak felezze meg a teljesítményt.
Szevasztok! Javítgatok egy szépséget, jobban mondva próbálok feltámasztani, és megint elakadtam benne. Az egyik Zénerje ropogósra sült korábban. Tegnap megvettem a szervízkönyvet, emrt semmi azonosító nem volt leolvasható. Az alkatrészlistában annyit ír, hogy ott valamikor fénykorában egy RD9.1EB zéner vigyorgott. Az adatlapja alapján 20mA-t és 500mW-ot tudott. Javítsatok ki ha tévednék. Elvileg ez az utolsó hibapontja az erölködőnek hogy újra elinduljon.
Sokat segítene, ha látnánk a rajzot mi is... De ha konkrét típusod van, mi a kérdés? Gondolom, a rajz jó..
sziasztok meg tudna e valaki mondani hogy egy 12 v os es 50 amperes trafohoz jo e lene ez a dioda?E2080 csatoltam linket is itt aruljak http://www.limundo.com/kupovina/Tehnika/Elektronika/Komponente/Diod...070061
Heló nemvagyok nagyon otthon a diódák világában uh segítség kellene!! Van egy 230v/50Hz-es primer oldalú , 11.8v szekunder oldalú ,300VA teljesítményű toroid transzformátorom aminek a szekunder feszültségét szeretném egyenfeszültségre alakítani!
Vettem hozzá (KBPC2506) típusu diódahidat és bekötöttem a jelöléseknek megfelelően aztán feszültség alá helyeztem de a toroid trafó berregő hangot adott ki és a diódahíd ahhoz képest hogy max egy másodpercig volt áram alatt elég meleg szinte forró lett ezért gyorsan áramtalanitottam Az "AC" jelöléssel egyvonalba eső oldalra kötöttem a váltakozó 11,8V-ot ,a "+"jelzés felöli oldalra pedig a müködtetni kívánt DC 12V-os(számítógépbe való) ventillátorokat párhuzamosan (2db) mi lehet a baj? lehet h nem jól kötöttem be?mert nem teljesen egyértelmű a jelölés! A segítséget előre is köszönöm!
Szia nemteljesen egyértelmű amit írtál azt értem h a "jobbra lent "tehát az "AC"felirat mögé közvetlenül a váltó egyik szála ,és az ezzel szemközti sarkába pedig a váltó másik szálát kössem! Akor a "+"jel mögé közvetlenül a ventillátor pozitívja és ezzel szemköztire pedig a negatívja?!
Kipróbáltam ebben a formában de ugyanugy viselkedik mint a ahogy már leírtam !! :/ Egy (KBU8K) típusú egyenirányitóhíd-rol pedig kifogástalanul működik ennél egyértelmű a jelölés!! Akkor mi lehet a baj? Válaszodat előre is köszi!
Az alapján kötöttem be ,amit írtál és úgysem megy. Már kettő diódahidat is kipróbáltam ugyanilyen fajtát uh lehet h akkor szériahibásak ,másik boltból veszek legközelebb és akkor talán jólessz. Kössz a segítséget!!
hali, ilyen diódákra volna szükségem SY 171/2 20A ha esetleg volna valakinek. Kb 8db-ra elöre is köszönettel.
Szia,csak szeretnék kérdezni hogy egy 200A dioda hid megfelelő lenne, egy bikázonak ,mert az ára is majdnem annyi és milyen trafo kellene?.
Egy,traktor be inditásához télen milyenre lenne ,szűkség met ,nem nekem kellene köszi.
Az aksi amiröl most megy ,az 125A és télen ha nem gyulna be akkor ,kellene gondolom ,rásegiteni .
Helló, adott egy gyakorlati kérdés:
Ha fogom a hálózati áramot és egyenirányítom egy diódahíddal, utána a keletkező egyenárammal üzemeltethetek szabványos berendezéseket (tv, számítógép, monitor, villanykörte, hajszárító)?
Nem a berendezéseid tönkremennek. Csak a villanykörte üzemeltethető
Szia!
A tévé, számítógép is egyenárammal működik. Mi a gond?
Az hogy transzformátorok vannak bennük és azok valahogy nem szeretik az egyik áramot. És ez csak az egyik probléma.
Nincs bennük transzformátor, hanem kapcsolóüzemű tápegység van, amely egyenfeszültséggel működik. És persze nem a régi Junoszty tévékről beszélünk, amikben valóban van 50 Hz-es hálózati transzformátor.
És ezek természetesen szerinted 200V egyen áramra vannak méretezve?
Vannak készülékek amelyekben a kapcsolóüzemű tápegység mellett, a segédtápot (stand by áramkört stb.) sima 50Hz-es kicsi trafó adja. Ezek tönkremennek, a többi használható.
De általánosságban szerintem nem mondható ki, hogy mindegyik nyugodtan használható DC-ről is. Még egy izzóval szerelt asztali lámpa esetén is lehet olyan gond, hogy a rajta levő kapcsoló nem alkalmas DC áram megszakítására, és szétég kikapcsoláskor. Tehát inkább úgy fogalmaznék, hogy a háztartási berendezések nagy része működtethető egyenáramról, de nem mindegyik, és nincs rá garancia hogy hosszútávon is bírni fogja. A hajszárító szintén határeset, a többségben DC motor van, de láttam már olyat is amiben válatkozóáramú motor vitte a ventilátort.
A bemenetük egy egyenirányítóval "indul". Szerinted, ha egy egyenirányítóra már egyenirányított DC-t kötsz, akkor az hatalmas különbség lesz?
Természetesen a lemezelt, 50 Hz-es vasmaggal rendelkező készülékek kivételt képeznek, de más esetben nincs elvi akadály.
A kérdés nem ez volt, nyilván ennél kevesebb egyenirányítás után,kondi nélkül csak nem számoltam ki. A lényeg hogy nem lehet ezekre a berendezésekre egyenáramot engedni. De ha te ezt tanácsolod lelked rajta.
Nos, a helyzet valójában az, hogy kizárólag PC ill. max egy monitor lenne rákötve a találmányra.
És azért kéne előtte egyenesítenem az áramot, mert a váltóáram ampermérése kifogott rajtam. Ezért inkább egyenáramon mérném a fogyasztást. A legnagyobb kétségem az lett volna, hogy a kb 320V csúcsértéket, amit kapok az egyenesítés után, elbírja-e a PC táp.
A CRT tévék is kapcstáppal mennek, de a lemágnesező tekercs átmenne felmágnesezőbe
(CRT monitor esetében hasonlóképpen) |
Bejelentkezés
Hirdetés |














