Fórum témák
» Több friss téma |
Hopsz, nézegettem a rajzot, és NY alapból alacsony szintű. A jelölés kicsit megtévesztett.
Hello!
Igen a C-pont logikai jelölését elrontottam, ott nyugati irány esetén, magas szint lesz, nem alacsony. Amúgy kösz, hogy válaszoltál helyettem.. :smoke: Fobq: Egy CMOS bemenetet soha nem hagyunk "szakadtan", vagy is ha a kapcsoló kikapcsol, nem lóghat a levegőben a bemenet. Amúgy a C-pont és U2a 1-es bemenete közé kel tenni a végállás kapcsolót, De az U2a bemenete és a GND-közé ekkor egy ellenállás kerül. (pld. 10kohm). Ha a motor nyugati végállásba megy, a kapcsoló nyit. (NC típusú kell.) üdv! proli007
Ki mit gondol, melyik jobb: ha a tracker csak oda-vissza forog K-NY végálláskapcsolóval, vagy engedjük körbe-körbe? Nem tudom eldönteni, van egy-egy pro-kontra érvem: ha körbe-körbe engedjük, akkor elég ha napnyugtakor marad abban a helyzetben, s reggel magától megkeresi a napot, a rövidebb irányban átfordulva - nyáron észak felől, télen dél felől. Azonban így fennálhat a veszélye, hogy valami hiba folytán elkezd körbe, körbe forogni?
Hello!
A körbeforgásnak lehet hátulütője, hogy csúszógyűrűn kell kivezetned a termelt villanyt.. (Vagy nagyfrekis forgótrafóval.. )üdv! proli007
Ez igaz, marad az oda-vissza, csak olyanra kell készíteni a mechanikát, hogy lehessen állítani a végállásokat, télen szűkebbre, nyáron tágabbra.
A Sunflowernél az U1b/U1a 8-as négyes vezetéke a V+ és GND, csakúgy mint az U2d/U2a-nál a 14-es 7-es vezeték? Az U2b/c-nél gondolom azért nem rajzoltad be, mert magától értetődik, honnan kapja a tápfeszültséget. Jól értem?
Hello!
Nem vezetéke, hanem IC lába. Az U1 IC 8 lábú DIP tokjában két műveleti erősítő van, és ennek közös táplálása van, a 8 és 4-es láb. Ugyan így, az U2 14lábú DIP tokjában, négy darab NAND kapuáramkör van. Ezeknek is közös a tápfeszültsége, a 14 és 7-es láb. ezért nincs ábrázolva a táp, másik kapuknál. Sokszor a digitális áramköröknél, nem is jelenítik meg a tápfesz lábakat, mert az köztudott hogy van. Így nem zavarja azt aki nem a tápokat, hanem a logikai funkciókat szeretné nézni. A táplábak a tervezőben általában rejtve vannak, vagy is annak ellenére hogy nem látható, attól a tervező még tudja hogy melyik az a láb, és hova kell kötni. Vagy is ellenőrzi a nyákon, ha van ilyen funkció. A lábaknak hálózati nevük van, onnan ismeri fel. Pld. CMOS-nál "Vdd" a pozitív táp, és "Vss" a negatív táp. Én oda szoktam rajzolni, és oda írom a lábszámot is, hogy a kezdőknek ez ne okozzon gondot. (Persze ha nem felejtem el.) üdv! proli007
Üdv,
A Sunflowert összeraktam dugaszolós próbapanelen, jól működik, a holtsávot szépen lehet szabályozni, és a naplemente funkció is jó. Nagy reményeket fűzök hozzá. Még nem csináltam NYÁK-ot, ez lenne az első. Milyen panelvastagság lenne optimális?
Hello!
Panel vastagság? Az nem sokféle szokott lenni, általában 1,5mm. (A 2-es már baromi vastag és ritka, a 0,5-alattit, meg lobogtatja a szél.) Ha a vezetősáv szélességére gondolsz, akkor minél szélesebb. Hiszen annál kevesebb hibalehetőség lesz. De 50..60 mils már megfelelő szokott lenni. üdv! proli007
Üdv,
igen, a 1,5-re gondoltam. A működésről készült videó http://indavideo.hu/video/Sunflower_a_napkoveto megtekinthető. A kimeneti jel viszont nem mindig "határozott", van olyan helyzet, amikor a motor csak 3-4 volttal erőlködik: http://indavideo.hu/video/Sunflower_teszteles ezen lehet valahogy segíteni, vagy nem kell törődni vele? A videók sajnos konvertálás után sötétebbek lettek, és a hangot is max-ra kell állítani, ha nagyon szaggat, ki kell tenni teljes nézetbe. A DC motorokat egy fénymásolóból vettem ki, 22V-osak. Az akummulátorra közvetlenül rákapcsolva a 12,6 V-tal még elég jó (így 1,2A áramfelvétel esetén 7,5W leadott teljesítményt mértem - teheremeléssel), de a tranzisztorok miatt így most 10,5 V-ot kap, amit már keveslek. Azt meg lehet oldani, hogy két akkumulátort használva a vezérlő csak 12,6 V-ról menne, a motor pedig 25,2V-ról? Vagy valami más tápegységet javasolnál? Köszönöm A hozzászólás módosítva: Szept 8, 2012
Hello!
- Mivel itt a végfokozatot határozott logikai jel vezérli, ami nem lehet csak magas vagy alacsony szintű, nem lehet, hogy a motor 3-4V-ot kap. Tehát vélhetően ide-oda vezérelődik, mert a próbapanel miatt a motoráram vissza hat a vezérlésre. - Ennél az áramköri kialakításnál, nem lehetséges, hogy a végfokozat nagyobb feszültségről járjon, mint az áramkör, mert a végfokozat emitter követő kialakítású. Tehát ebben az esetben valami más H-híd meghajtót, vagy kapcsolást kell nézni. (Erre van külön topik, szakértőkkel) üdv! proli007
Helló!
Bátorkodtam összeállítani egy kapcsolást, egy korábban közétett irányváltód segítségével. A Sunflowert úgy módosítottam, hogy a kimenete az irányváltó vezérléséhez alkalmas legyen. A feltüntetett IC nevek csak példák, nem találtam a megfelelőeket a listában. Továbbá nem tudom, kell-e egyáltalán ellenállás az erősítő bemenetére? Illetve, így az irányváltó áramkörben nem is kell a hiszterézisszabályzó. Mit gondolsz ezekről? A hozzászólás módosítva: Szept 8, 2012
Hello!
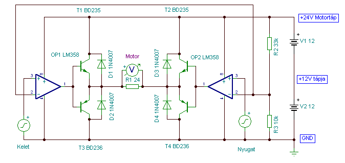
Azt jól gondolod, hogy a szintillesztést meg lehet oldani egy műveleti erősítővel, de nem így.. Itt mindenképpen két bemenet kell, egy "Kelet" és egy "Nyugat". Mert különben a motor állandóan vagy ide, vagy oda forogna. Tehát a műveleti erősítőket arról a kimenetről kell vezérelni, ahonnan eredetileg a tranyókat vezéreltük. 24V tápfesz esetén, és 1A terhelőáram mellett, a motorfeszültség, kb. 20V lesz. De a tranyókat ekkor már hűteni illik, mert ott, kb. 2*2W hő fog keletkezni. (Az LM358 műveleti erősítő duál, így a rajzzal ellentétben csak egy IC és egy tápfeszültség lesz. Csak a Tina-ban nem találom csak az egyik erősítő bekötési rajzát.) üdv! proli007
Üdv,
valami baj van. Múlt héten a 24V-os tesztelés közben egy méréskor rövidrezártam a kapu 10-es lábához kötött BD238-as E-C lábait. A tranzisztorhidat teljesen kiiktattam, az illesztést lekapcsoltam, a kaput kivettem, külön próbaáramkörben megmértem, nem volt jó, kicseréltem egy újra. Az erősítőt is leteszteltem, az jó volt. Mikor összeraktam, (a hidat és az illesztőt nem kapcsoltam vissza) ráadtam 12V-ot, és valahogy 17V-lett belőle. Kivettem a kaput, persze megint rossz volt. Megint leteszteltem az erősítőt is, az ismét jó volt. Visszatettem egy új kaput, megint ugyanaz. Hogy lehet a 12V-ból 17? Mi mehetett még tönkre, ami ezt okozhatja? A BC tranzisztorok hfe értéket jeleznek, gondolom az jó. A multiméteremben az elem már gyenge volt, azt is kicseréltem, de úgy is 17V-ot mérek. A kondenzátorok hibája okozhat ilyet?
Hello!
Rajz nélkül őszintén fogalmam sincs mit csinálsz. Ezek szerint 24V a tápfesz. 12V-ot honnan veszed? A két aksi közös pontjáról? Mert vélhetően visszavezetted a 24V--ot a 12V-os tápra. 17V csak onnan származhat. üdv! proli007
Mellékeltem egy razot és egy videót. A kondenzátor idézi elő a problémát, de nem értem hogyan. Ha C1-et kiveszem, vagy ha az erősítőt kicserélem egy újra, akkor is ugyanez a helyzet.
Videó Üdv.
Probléma megoldva, akkumulátorról ismét szépen működik. Ha az adapterről működtetem (300mA-es) és bekötöm a kondenzátort, a 12V 18V-ra ugrik. Csak azt nem értem, miért. De majd idővel azt is megértem...
A 24V illesztést pedig majd holnap, mára elég volt az izgalomból. Még a nyákszerkesztőt is be kell tanulnom, úgyhogy jó pár hét, mire ebből kész áramkör lesz, és ez még csak az elektronika. A hozzászólás módosítva: Szept 19, 2012
Hello!
Elég egyszerű lehet a képlet. Vagy szűretlen az adaptered, és ha beteszed a kondit csúcsfeszültségre töltődik (vélhetően az a valóság), vagy ha stabilizált, akkor gerjed a konditól. üdv! proli007 A hozzászólás módosítva: Szept 19, 2012
Üdv,
összeállítottam megint a 24V illesztőt, de még nem próráltam ki. Az eredeti kapcsoláson lévő C2 adatai gondolom változatlanok maradnak. Illetve nem kell a 24V-os hídra még egy kondenzátor? A 24V illesztésen BD235/236 tranzisztorok szerepelnek, jelenleg csak az alapkapcsoláshoz vett BD237/238-asok vannak itthon. Használhatom azokat is? Köszönöm! A hozzászólás módosítva: Szept 20, 2012
Hello!
Természetesen a 24V-os meghajtóhoz is illik kondit tenni, oda is minimum egy 100µF/35V-os kondit. A 12V tápfeszültséget elő lehet állítani a 24V-ból is egy stabilizátorral. Ekkor nem kell megcsapolás a két aksi között. A 12V-os egységnek minimális lesz a fogyasztása, mert most már nem fogja hajtani a végtranyókat, csak a meghajtó IC-t. A végfokozatban a növelt tápfeszültség miatt, vélhetően a motoráram is jelentősen nőni fog. Így inkább BD245/246 párokat kellene alkalmazni, mert a BD237/238 maximális kollektorárama 2A, és itt már várhatóan kicsi lesz az áramerősítési tényezője. Persze megpróbálni lehet, csak nézni kell mennyire melegszik majd. üdv! proli007
Üdv,
jó az illesztés, a stabilizátort még nem próbáltam, majd ha áramerősséget mérek, ki tudom számolni a szükséges ellenállást. Lehet, hogy gond van a multiméteremmel, ugyanis nem mutat semmi értéket, ha sorba kötöm a 12V-os szakasszal (egyik méréshatáron sem). Nagységrendileg kb mennyit kellene mérnem? A stailizátor így jó lenne? (kép) Köszönöm
Hello!
A multiméteredben kiment a bizti, mert árammérésben rátetted a tápra. Az érzékelő áramkörnél a legnagyobb fogyasztó, a fotoellenállás lesz. (Érdemes elé, egy kis füstszínű plexit tenni, ne érje közvetlen a napfény a CDS-t, mert szerintem elfárad a 100000lux fénytől.) Így a zénernek elég kb. 20mA áram, vagy is egy 510ohm előtét ellenállás megfelelő lesz. De ha 24V-ról járatod, és zéner a stabilizátor, akkor az mindig meg fogja eni a 20mA-t, független attól, hogy ki vagy be van kapcsolva a nappal/éjjel kapcsoló. Vagy is R7-R8-R9 és Q5 Q6 tranyó nem kell. Q5 kollektor-emitterrét rövidre lehet zárni. (Eredetileg a cél az volt, hogy éjjel minél kisebb legyen a fogyasztás.) üdv! proli007
Üdv,
a stabilizátort mellőzöm, marad a megcsapolás. Ebben az esetben viszont szeretnék betenni a 12V-os körbe egy 1N4007 egyenirányítót, mert attól tartok, ha netán összekapcsoláskor a csatlakozóban, vagy a tápkapcsolóban valami gond lenne a bekapcsolási sorrendel, vagy egy hozzá nem értő személy véletlenül levenné a földvezetéket az akksiról, akkor a 12V-os körben az áramirány megfordulna. Másik igényem az lenne, hogy ha valami karbantartást végzek a forgatón, és épp kényelmetlen állásban áll, akkor tudjam kézi vezérléssel is forgatni a panelt (éjjel-nappal). Amatőrként erre a mellékelt kiegészítést találtam ki. S1-el átváltok kézi vezérlésre, S2-vel pedig tudom váltogatni a forgásirányt. Így maradhat? Nem lenne gond a 22V-os motornak, ha 25,4 V-ot kapna, vagy stabilizálni kellene? - Előzetes becsléseim szerint a motor által felvet teljesítmény nem haladná meg induláskor a 30W-ot, folyamatos üzemben a 20W-ot. Köszönöm.
22 V-os motorra 25,4 V-ot kötni nyugodtan, akár folymaatos üzemre is. Ekkora túlterhelést bőven kibír, legalábbis akkor, ha a tengely nincs túlterhelve.
Hello!
Lehet diódával védeni az áramkört, bár "bolondbiztosra" szinte sosem. Védekezhetsz úgy is, hogy a 12V-os tápággal sorba teszel egy 100ohm-os ellenállást, és az IC tápra egy ZPY15-ös zénert . Ez túlfeszültségtől és fordított polaritástól is véd. Viszont normál tápok mellett nem nyit ki, tehát plusz áramot nem fogyaszt. A műveleti erősítők K-NY bemenetével tegyél tegyél sorba egy-egy 10kohm-os ellenállást. Ez a működésében nem jelent eltérést, de megakadályozza, hogy a végfok felől a vezérlő felé jelentős áram folyjon. (HA mondjuk csak a végfok GND szakad fel. üdv! proli007
Üdv,
(a rajzon kihagytam a kapcsolókat, motort, fényellenállásokat, mert ez már a nyákhoz készül.) Ha már védelem, akkor a 24v-os ág se maradjon ki (hátha véletlenül fordítva kötöm be). Itt gondolom nem lehet a zeneres védelemet alkalmazni a motor nagy teljesítményigénye miatt, így oda a D6 diódát szántam (nyilván majd nagyobb kell 1A-esnél). Az maradhat? Az R16, R17 védőellenállásokat jó helyre tettem? Ma a fényellenállások egymáshoz viszonyított helyzetét állítgattam, nem tudom miért, de 90 fok jónak tűnt, gondolom ez majd kész állapotban jobban kitűnik, ha esetleg érdekel valakit: videó. Szoktak, szabad olyat, hogy az akkumulátor földjét a forgató vázához csatlakoztatom, és a nyákon a GND-t az egyik rögzítőcsavarral letestelem? Hasonlóképpen a fényellenállások földjét is. A végálláskapcsolókról: mit jelentenek az utánuk írt jelzések, pl: 3P,2NO+NC... nem találtam semmi segédletet ezzel kapcsolatban, ha lenne valakinek, megköszönném. Kísérletezéshez használhatok hagyományos kétállású kézikapcsolókat, hogy ellenőrizzem a működést? Ha potenciométert változtatható ellenállásként használok, gondolom nem maradhat a levegőben egy lába sem, ugye? Köszönöm a válaszokat!
Hello!
- Kihagytad, de valahova csak be kell kötni nem? Vagy is a bekötési pontokat, illik a rajzra tenni. (sorkapocs vagy mi..) - Maradhat a dióda, de legalább 1N5402-őt használj. Mert a motoráram szerintem sokkal több lesz mint 1A. Bizti sem ártana. Az aksi nagy károkat tid csinálni, ha "megkaparintja a fóliát". - Az ellenállásokat jó helyre tetted. - Én ha jól emlékszem a két CDS közé egy árnyékoló lapot tettem. Ha annak árnyéka rávetődött az egyik CDS-re már meg is volt a differencia. Ráadásul az érzékelés fokát is be lehet állítani a hosszával. (De én nem építettem ilyen napelemet soha.) - A GND-t, csak egy pontban csatlakoztasd a vázhoz. Érzékelőt, vagy mást, ne. - Végállás kapcsolónál gondolom a 3P három pólust jelenti, vagy is váltóérintkezőt (Morse) Az NO NC az angol rövidítésből van, normál helyzetben nyitott "NO", normál helyzetben zárt "NC". Normál helyzet, mikor a kapcsoló nincs megnyomva vagy is nyugalomban van. A "C" vagy "COM" a közös pont érintkezőjét szokta jelenteni. - Ha potiti kötsz be teszt re, elég egy. A két végére kötöd a tápot, a közepet pedig a komparátorok felé. Úgy is csak diffrenciát akarsz szimulálni. Ha finoman akarod változtatni, a poti elejével és végével köss sorba egy-egy ellenállást. üdv! proli007
Üdv,
igen, lesz a rajzon sorkapocs, amint kiválasztom a megfelelőeket, és megtudom a méreteit. Köszönöm a válaszokat.
Üdv,
kiegészítettem sorkapcsokkal a rajzot. Nézegettem az erősítők adatlapját, a működési hőmérséklet és tápfesz miatt. Jelenleg az LM2904-t tettem a 12V-os tápra, az LM258-at a 24V-osra. Nem tudom, az LM2904 -30 fokon elviselné a 25,5V-ot? A másik rajzon a kézi vezérlést úgy módosítottam, hogy manuális módban is legyen végálláskapcsoló. Kapható valami K1-hez hasonló? Vagy több kapcsolót kell mechanikusan összekötnöm, hogy együtt működjenek? Biztosítékokat még nem tettem be, gondolom ne legyenek nagyobbak, mint a diódák "teherbírása". Köszönöm A hozzászólás módosítva: Okt 10, 2012
Hello!
Az installációt magadnak kell megoldani. Abban nem tudok segíteni. A véleményemet nem szükséges megfogadni vagy egyetérteni vele, nem fogok haragudni. Te tudod mit szeretnél én nem tudhatom. - A -30 fokon nem az IC-k "hőfoktűrésével" lesz gondod, mert az elkók már rég jólétre szenderülnek. Nem is beszélve a szerkezet mechanikájáról. - Én ugyan nem tennék ennyi kontaktust egy gépezetbe. A kézi vezérlést úgy oldanám meg, hogy készítenék egy dobozt, amiben a kézi vezérlő benne van. Aksinál egy 24V-os tápcsatlakozó, a motorról lehúznám a csatlakozót, és átdugnám a kézi vezérlőre, mint ahogy a végállás kapcsolókat is. Az indok, hogy az ember ezt csak az üzembe-helyezés idején vezérli kézzel. Még a végállás kapcsolót is feleslegesnek tartom kézi üzemben, úgy is figyeled mikor forgatod. Nyomógombbal megy, nem egy kapcsolóval véghelyzetig. Ha fixen szabadtérre szereled a kézi vezérlést, akkor annak vízmentesnek kel lenni. Ennyi kontaktus szabadtéren előbb utóbb kontakthibás lesz, és nem tudod miért nem megy a vezérlés. - Inkább a +24V és +12 tápra tennék egy kapcsolót, ami hatástalanítja a tápot aksicsere esetén, vagy ha nem kell hogy működjön. - Természetesen kapható kétállású két-áramkörös kapcsoló és nyomógomb is. (DPDT) - Biztosító, a tranyó, a dióda a motoráram függvénye. üdv! proli007 |
Bejelentkezés
Hirdetés |




)

















