Fórum témák
» Több friss téma |
Fórum » BCD - hétszegmenses kijelző dekóder diódákkal
Témaindító: lelkes amatőr, idő: Okt 7, 2007
Témakörök:
Hali.
Olyan őrűlt gondolatom támadt, hogy a közismert 7447-es IC-t hogyan lehetne kiváltani diódákkal? Vagyis: a rendelkezésre álló BCD kóddal kellene meghajtani egy 1 digites kijelzőt IC felhasználása nélkül, csak diódákkal kikapuzva a meghajtást. (mondtam, hogy perverz gondolat )Az egyéb kényelmi szolgáltatások (test, blink) nem kellenek. Elméletben utána számoltam, lehetséges, hogy 64 dióda kellene hozzá?
Helló.
Az erősítőm bemenetválsztójának visszajelzőjét készítettem el 7 szegmenses kijelzővel. Ott majdnem így oldottam meg a kapuzást, de aztán találtam TIL 311 -es kijelzőt, aminek a BCD bemeneteit 9db diódával kikapuztam, (beíróláb engedélyezéssel együtt) hogy 1-6-ig lépegessen szépen, a 6 állású "dzsekszli" kapcsoló kimeneteiről.
0 => 6
1 => 2 2 => 5 3 => 5 4 => 4 5 => 5 6 => 6 7 => 3 8 => 7 9 => 6 Ez összesen csak 49 dióda. Szerk: Most látom csak, hogy BCD... ![]() Akkor tárgytalan. Felejtsd el. Gondolj csak a 0-ára. Ha 0-át kell kijelezni, akkor a BCD kód is: 0000. Ezt bárhogy diódázod, sehogy nem lesz egy sem bekapcsolva.
Szia Topi, sejtettem, hogy a Te fantáziádat megmozgatja a kérdés.
a 0 kijelzést a 10 bcd kódjához rendelted?
Pont egyszerre módosítottuk.
1010 -> ebből semmilyen kapuzással nem lesz 00111111 Íme pár példa: 0001 -> 00000110 0010 -> 01011011 0011 -> 01001111 0100 -> 01100110 0101 -> 01101101 Ebben nem nagyon van kizárólag VAGY kapcsolattal megoldható rész.
Én 1-től 6-ig 30db diódával meg tudtam játszani az erősítőm bemenetválasztóján a kijelzést nem nagy szám. Ha érdekel nyák rajzom van...
A 0 kiírása nem is érdekes.
Tényleg összejön a többi 49 darabbal. (még ma meg is csinálom. )
De BCD-ből? Decimálisból tényleg kihozható diódával. De BCD-ből kétlem, hogy mind a 10 szám kirakható lenne.
Igen, épp most nézegetem, ha több gombot nyomok meg, (pl. 7 esetén 1-2-4) akkor van egy kis galiba.
Megnézed az igazságtáblázatot, ott a 4 bemeneted, meg a 10 db kiírandó szám. Csak összeadod a pöttyöket és annyi dióda kell hozzá, azaz 17
ez idáig rendben is lenne...de! hogy lesz ebből 7 szegmens meghajtása?
Ez oké, de még a hét darab szegmenst is vezérelni kell.
Gyorsabb voltál.
Így ni:
A rajzból kitűnik, hogy az 1-es 2-es és 4-es kiírásokhoz tarozó diódákat ki is lehet hagyni, így (az én esetemben 1-6 számolásnál) 9 helyett 6 dióda is elég.
De neki nem BCD bemenetű kijelzője van! Már sokadszorra mondtuk, hogy sima 7 szegmenses kijelző!
Ja, a rajzon ami a "C" láb mellé ment annak a "C" lábra kell menni.
szép (és egyszerű) amit csináltál, de itt tényleg kicsit bonyolultabb a feladat.
Óriási logikai bukfencben vagytok, de én kevés vagyok ehhez úgy néz ki, hogy megértessem.
Dióda működéséből eredendően igaz az a szabály, hogy sok lábból lehet keveset csinálni vele. Lényeg azon van, hogy sokból lehet keveset csinálni. A másik irány NEM MEGY. KEVÉS LÁBBÓL NEM LEHET SOKAT CSINÁLNI! Fogadjátok már el. Dióda logikai megfelelője a VAGY művelet. A BCD dekódolásához kell ÉS művelet is. Amit diódával nem lehet megoldani.
A BCD átalakítását 7 szegmensre a 7447 pdf-jében meg lehet nézni, csak azt nem értem miért jó diódákból megcsinálni?
néztem én is az adatlapot, elég összetett a dekódólás. A feldobott témának nincs gyakorlat jelentősége, egyfajta erőpróbának szántam a témát.
Egy könyvben olvastam nemrég
(Szittya Ottó: Digitális és Analóg Technika Informatikusoknak I. 304-335oldal. ) h. az értékes hogikai szint lehet H és L szint is. A H aktívszint a pozitív logilásnak, míg az L akvív szint a negatív logílásnak felel meg. S megpróbálom levezetni a gyakorlatban a kérdést. X1. X2. ÉS. Pozitív logika L. L. = L L. H. = L H. L. = L H. H. = H X1. X2. VAGY. Negatív logika ----------------------------------------------- X1. X2. VAGY. Pozitív logika L. L. = L L. H. = H H. L. = H H. H. = H X1. X2. ÉS. Negatív logika ----------------------------------------------- X1. X2. NAND. Pozitív logika L. L. = H L. H. = H H. L. = H H. H. = L X1. X2. NOR. Negatív logika ----------------------------------------------- X1. X2. NOR. Pozitív logika L. L. = H L. H. = L H. L. = L H. H. = L X1. X2. NAND. Negatív logika ----------------------------------------------- X1. X2. ANT. Pozitív logika L. L. = L L. H. = H H. L. = H H. H. = L X1. X2. EKV. Negatív logika ----------------------------------------------- X1. X2. EKV. Pozitív logika L. L. = H L. H. = L H. L. = L H. H. = H X1. X2. ANT. Negatív logika ----------------------------------------------- S ÍGY Ha a pozitív és negatív logikát ötvözzük, akkor diódákkal is kialakítható lessz (elméletileg) a BCD - 7szegmenses dekóder. De szerintem 4 inverter (A BDC tagadására.) akkoris kelleni fog Diódás kapcsolásnál könnyű belebonyolodni az atív logikai állapotokba.
Jó az ötlet...
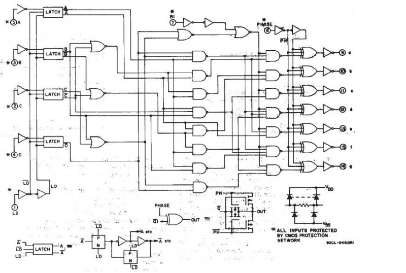
De szerintem ez lenne a logikája... datasheet-ben találtam... (CD4543)
Van 6db MC14513-al szerelt 7 szegmenses kijelzőm. Szeretnék belőle órát csinálni. Hogy tudnám meghajtani ezeket az IC-ket. Azt tudom , hogy BCD kódot kell küldenem 1-2-6-7-es lábakra és tudom, hogy ezeket a bemeneteket párhuzamba köthetem. De milyen módon válasszam ki, hogy melyik legyen aktív? Mármint melyik kijelző mit írjon ki?
24 vezetékes megoldás: Minden meghajtó külön kapja a neki megfelelő BCD adatot 4 - 4 vezetéken, az összes LE bemenet magas szintre kötve.
10 vezetékes megoldás: Minden meghajtó ugyan azon a 4 vezetéken kapja a BCD adatot. Ha az egyik adat (10 óra) már beállt a BCD vonalakon a megfelelő kijelző (a 10 órához tartozó) LE bemenetére egy impulzust kell adni. Az impulzus (magas szint) tárolja az adatot, ezután el lehet venni ill. másik adatot lehet a BCD vonalra kiadni és másik kijelzőbe tárolni. 8 vezetékes megoldás: Minden meghajtó ugyan azon a 4 vezetéken kapja a BCD adatot. Ha az egyik adat (10 óra) már beállt a BCD vonalakon a megfelelő kijelző (a 10 órához tartozó) LE bemenetére egy impulzust kell adni. A LE kiadását egy dekóderrel lehet megoldani, a címbemenetre a kijelző egység "címét" (0,1,..,5)kell adni és az engedélyező lejére egy pulzust. A dekóder kimenetének magas szintje tároltatja a BCD adatot a kijelzőkkel. stb.
Köszönöm!
Akkor evvel a módszerrel (8 vezetékes) akár közvetlenül arduinóval is meghajthatom? Csak program kérdése. |
Bejelentkezés
Hirdetés |




)
) 



Diódás kapcsolásnál könnyű belebonyolodni az atív logikai állapotokba.

