Fórum témák
» Több friss téma |
Fórum » MOSFET-ek
tiszteletem uraim meg építettem ezt az erősítőt de nekem másik kapcsolásom volt!! és, hát igen csak valami nem kerek
a kimenet kiül a negatív tápfesz-re és nem igazán értem miért?? :irf540;irf9540 -el raktam össze.a kapcsolást többször is áttnéztem és hát nem találtam semmmi hibát de attól lehet hogy van!
Amit csatoltál abból szerinted kiderül hogy milyen rajz alapján építkeztél? Egyébként a címben szereplő végfokkal nem érdemes foglalkozni, egy mezei VF2 minden szempontból jobb nála.
Hello,
építettem egy irfz48-on alapuló pwm vezérlőt,villanymotornak.36 volt és max 20 amper menne át rajta.De nem megy.Ha ráadom az áramot,a motor elkezd forogni,de nem tudom miért,mert a pwm szabályzó kit a mi rá van kötve még nincs bekötve.Rákötöttem és ugyanúgy forgott tovább,hiába tekergettem a potmétert.Viszont az 555-ös a kitben elszállt,rögtön a bekapcsolás után.Mindent jól kötöttem be,kb 10x leellenőriztem.És ez már a 2 fet amit ajánlottak a boltban,hogy tönkretehetelen.Kérem valaki segítsen!
Mondjuk egy kapcsolasi rajz beszedesebb min igy leirva.
Parancsolj.Ugyan ez,csak a mosfet más.
Ja meg természetesen a védő diódát is ráaggattam.
Szoval ez a kapcsolas alkalmatlan a FET meghajtasara. A FET nyitott kollektoros meghajtasa nem nagyon jo, mert kepzelj el a 555 7. laban egy 4-5 nF kondenzatort. Ennyi a FET G kapacitasa. A lassu be-ki kapcsolas alatt megno a FET disszipacioja, es valoszinu tonkre is megy. Talan a "DC motor PWM szabalyzasa" topikban kellene szetnezni egy jobb kapcsolas utan. Esetleg ebben a G-t a 3. labra kotni, mar is lehet hogy javulna a FET meghajtasa.
Üdv!
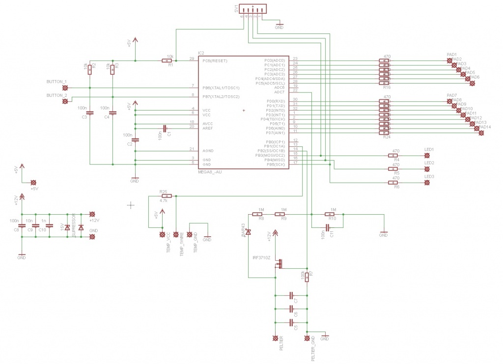
PIC-es szirénához kellene egy kisebb erősítő fokozat FET-tel. Próbálkoztam összerakni valamit, de nem jutottam sokra. 5 V-n működik hibátlanul, viszont 12V-on rövidre zárnak a fetek. Külön tápról hajtottam a PIC-et és a feteket, a GND közös volt! Itt egy kép a kapcsolásról, ha valaki meg tudná mondani mi a hiba, megköszönném!
Sziasztok egy kis segitség kellene, igen visszaolvastam de nem vagyok biztos hogy valaban jó amit annakidején ajánlottak az ADP3417 helyett IR 2104 de valaban jó?? Esetleg van valami más??
sziasztok. segítséget szeretnék kérni, mert a FET a kapcsolásomban nem úgy működik, ahogyan szerintem kéne, és nem értem miért
![]() nagyvonalakban a FET egy peltier-t kapcsolgatna. mivel autóban üzemelne, ezért az autós 12 (~14) voltot kéne kapcsolgatnia, a vezérlést pedig egy mikrovezérlő végezné (5 volton működő atmega8). a uC egyik lába az IRLZ34N gate-re megy, itt van még egy 100k-s ellenállás a testre. a drain-re érkezik a 12V (stabilizált tápról, sajna nincs 14 voltos tápom). az a nagy problémám, hogy amikor a gate ~5V-on van (lemértem), akkor a feszültség a FET után, terheletlenül mérve, a gate alatt ~0,2 volttal van (mérve). szerintem 5V-os gate feszültségnél már teljesen ki kellett volna nyitnia, de mégsem tette. ezért gondoltam egyet, és kicseréltem egy másik darabra, hátha a FET rossz. de nem, mert a másikkal is ugyan ezt csinálja (és mert akkor nem írnék ide egy regényt ). ezek után lecseréltem a FET-et egy IRF3710Z-re (ez volt itthon), de a mért feszültségek ugyan azok lettek, mint az IRLZ-vel. megfeneklettem ![]() ekkor gondoltam egyet, és a gate elé raktam egy optót (LTV357T). a bemenetre az atmega került (meg egy ellenállás, áramkorlátnak), a másik oldalon pedig a 12V, ami az optó után a gate-re megy. így a gate-en ~11,7V van, a FET után pedig ~11,5V (gate-0,2V), mind a két FET esetében. puff. azt addig még értem, hogy az IRF miért nem nyit ki teljesen ~5V gate-en, de az IRLZ-ben logic-level gate van, annak ki kéne nyitnia. segítsetek, mi az, amit nem látok?
Szia!
Kérünk egy rajzot az áramkörödről, mert a "FET után" az egy elég tág fogalom, a "puff"-ról meg nem is beszélve.
a 14-es lábon lévő részről van szó. a "FET után" a "peltier" és "peltier_GND" forrszemek közti mérésről szól. a C5, C6 és C7 kondik még nincsenek beforrasztva.
a "puff" pedig csak azt jelentette, hogy teljesen elvesztettem a fonalat A hozzászólás módosítva: Szept 29, 2012
A drain-be kösd az elemet és ne a source-be. Valahogy így kellene: A lámpa helyébe képzeld a Peltier-elemet.
A hozzászólás módosítva: Szept 29, 2012
a peltier bekötéséig még nem jutottam. élesztés közben, még a peltier és a kondik nélkül (ezért írtam, hogy terheletlenül), kimértem a feszültséget, és szerintem valami nem stimmelt.
egyébként nem mindegy, hogy a fogyasztó a FET előtt vagy utána van? ebben az esetben a FET csak egy kapcsoló, amely zárja az áramkört az akksi és a peltier között. A hozzászólás módosítva: Szept 29, 2012
Nem, a FET nem "csak" egy kapcsoló. Ha a source-be teszed a fogyasztót, akkor kevesebb feszültség jut rá, mintha a drain-be tennéd. Tessék tanulni: Bővebben: Link. És persze a multimétered nagy belső ellenállása nem biztos, hogy elégséges áramot folyat át a FET-en a korrekt méréshez, ezért mindig használj valamilyen terhelést.
na, gyorsan összedobtam egy rajzot. a bal felső, ami azzal megegyező, amit én csináltam, és amire a kérdés vonatkozik. mellette az ekvivalens áramkör a bekapcsolási tranziensek lecsengése után. az alsó két áramkör az általad ajánlott kapcsolás és az ekvivalense. szerintem, az én esetemre szorítkozva, teljesen megegyezőek funkcionalitásukban. de bárhogyan is nézem, ha a FET csak egy kicsit is kinyitott, a "Vout" helyén 12 voltnak kéne lennie. nem?
Látom, nem forgattad a tranzisztorok alapkapcsolásai nevű tananyagot. A tranzisztor (MOSFET, jFET) nem fogható fel egy kapcsolónak. Nem mindegy, hogy a terhelés ellenállása melyik elektródára kerül. De vannak itt nálam okosabb emberek, majd ők elmagyarázzák.
Az a probléma, hogy a FET-nél a Gate-Source különbsége jelenti a "nyitást". Ha a terhelést a Source oldalra rakod, akkor ahogy kinyit a FET, a Source feszültség elkezd emelkedni, és ezzel zárja is vissza magát, mert a Gate-Source különbség meg lecsökken. Tehát abban a kapcsolásban, hogy a Gate-re 5V-ot raksz, és a Source-ra van kötve a fogyasztó, sosem emelkedhet 5V-ig a Source feszültség.
ejha. annyira nem értettem, hogy dugaszpanelon összedobtam egy kapcsolást (FET, LED, áramkorlát ellenállás). a LED-et a source és test közé raktam (saját eredeti elképzelés), és a LED alig világított. átraktam a drain és táp közé, és máris jó lett. hát, mondom, ez nem lehet igaz, ennyire dinnye nem lehetek. gondoltam, leskiccelem gyorsan papírra, hátha okosabb leszek. amikor a source utáni LED rajzot rajzoltam, és hirtelen nem tudtam az 5V testét hova rajzolni, na akkor esett le. hát az 5V-os rész is átmegy a LED-en
![]() ígérem, most egy hétig, minden órában legalább öt percig szégyelni fogom magam ![]() köszönöm a segítséget
És akkor még egy apró megjegyzés az eredeti kapcsolásodhoz: az nem frankó, ha egy FET Gate-jét közvetlenül rákötöd egy mikrokontroller kimenetére. Az a Gate ugyanis egy kondenzátorként viselkedik (pár nF), amit nem szokott szeretni a mikrokontroller. A kisebbik baj, hogy kapcsolásnál az elején elég nagy áramok fognak folyni, hiszen a kondenzátor az elején szinte rövidzárként viselkedik. A nagyobbik baj akkor van, ha nem 1-2mm-re van a mikrokontroller és a FET egymástól, hanem mondjuk több centire, mert egy ilyen hosszú vezetéknek már számottevő induktivitása is lesz, és a FET kapacitása és a vezeték induktivitása egy rezgőkört alkot, amit csak a vezeték (szinte nulla) ellenállása csillapít. Egy-egy kapcsolásnál a vezeték induktivitása a mikrokontroller kimenetét a GND alá, vagy a Vdd fölé tudja rángatni, amit az általában nem díjaz.
Ezért szokás sorbakötni oda egy 10-100 ohm nagyságrendű ellenállást.
jogos. egyébként ilyen megfontolásból volt a gate-en egy 100k-s ellenállás a testre (meg hogy határozottabb legyen a FET zárása, gondoltam két legyet egy csapásra). habár, végülis, a kettő nem zárja ki egymást. kösz.
Ez így bizonyos problémákat fog okozni.
A bemenő feszültésg négyszög vagy szinusz? Mi akadályozza meg hogy visszafele ne follyon áram a "diódákon"? A MOSFETek vezérlését ha diszkréten akarod megodlani, akkor minium kell egy áramváltó, de inkább ajánlott valamilyen szinkronegyenirányító IC.
Köszi.
Idézet: „They don’t care which way current flows, hence the input capacitor of the power supply will be discharged to near zero volts with each half-cycle of the applied AC power! This limits the power supply applications for this circuit to inductive- or resistive-input designs.” Most jönne a kérdésem, hogy akkor hol érdemes ezt alkalmazni?
Gondolom ott, ahol jó a lüktető áram is.
A hozzászólás módosítva: Nov 25, 2012
A bemenő feszültség szinuszos. Azt mondod ez így nem működik? Egyébként a rajz forrása az, amit kadarist linkelt. Van még egy bonyolultabb megoldás is, de ez számomra már eléggé összetett, és a bejövő fesz. elérheti az 50V-ot is, nem tudom mit kéne rajta átalakítani. Gondolom az összes ellenállás értékét meg kéne növelni, de akkor meg alacsonyabb fesz. esetén lehet gond. Igazából csak azt kéne megakadályozni, hogy a Mosfet GS feszültsége a maximális 20V fölé menjen. Ha jól gondolom az az 50V a két mosfeten megoszlik, így elméletileg maximum 25V jutna mindegyikre. A mosfetek GS ellenállása meg ha jól tudom GigaOhm nagyságrendű, így a soros ellenállás is problémás.
A hozzászólás módosítva: Nov 25, 2012
Mire akarod ezt használni?
Mert ahogy írtam ezek után nem köthetsz kondenzátort, mert ez csak a bemenő feszt figyeli, a kimenten lévő feszültséget vagy a folyó áramot nem, így a FETek akkor is be vannak kapcsolva ha a kimeneten a fesz nagyobb. Az általad linkelt bonyolultabb kapcsolás fiylei a kimenő feszt is, így kapcsolgatja a FETeket. Ezek a megoldások 50Hz-re jók, az ellenállás nem kritikus 1-10kOhm is mehet, mert nembaj a lassú kapcsolgatás. Nyílván ennek a szinkronegyenirányításnak akkor van értelme ha 100V-nál kisebb feszültségű (de ha már P csatornásat használsz akkor 60V alatti) FETeket használni. A feszültség nem oszlik meg, nézd azt az esetet, amikor a hídban valamelyik FETbe van kapcsolva, akkor a felette vagy alatta lévő FET a teljes feszt kapja. Szóval ha neked van egy 50V csúcsértékű szinuszod, akkor a FETek 50V-ot kapnak, így kelleni fog a 60V-os FET. Ha a kimenetre elkót akarsz rakni, akkor bizony vagy így a kimeneti fezs t is figyelned kell, vagy a FET-en folyó áramot (vagy a FET DS feszültségét). A legegyszerűbb megoldás, ha beraksz egy áramváltót és az hajta a FETet, így amikora FET antiparralel diódája kezdene kinyitni, akkor bekapcsolja a FETet, persze kell egy lehúzó ellenállás is, hogyha csökken az áram, akkora FET kikapcsoljon. Az előbbi megoldásra már csak azért is érdemes gondolni, mert az N-csatornás FETek mindig sokkal jobbak (anyagtudományi alapok miatt), mint a P-csatornásak, így használhatnál csupa N-csatornás FETet.
Őszintén szólva nem teljesen értem amit írtál. Egy agydinamóval szeretnék egy lithiumos akkupakkot tölteni, a töltő megvan, stabil 18V DC kell neki, ezt egy step up/down konverterrel érem el, ennek megvalósítása még képlékeny, több lehetőség is kínálkozik. Az egyenirányító a kis fesz. esés miatt kell, komolyabb terhelés esetén a fesz. 6V környékére fog leesni, de szakadás (lehúzott töltő), vagy csepptöltés alatt ez jócskán felszökhet. A feszültség és a frekvencia is sebességfüggő, az az 50V inkább csúcsérték, és az egyenirányító elé mindenképp tervezek 2db Zenert egymással szemben sorba, hogy lekorlátozza az ennél is nagyobb feszültségeket, bár sok dolguk nem hiszem, hogy lesz.
Ezt a kondenzátor dolgot én is olvastam, de nem tudom, hogy miért nem lehet? Az egyenirányító utáni step up/down konverter bemenetén mindenképp lesz, és amit belinkeltem bonyolultabb rajzot, ott kapásból három is van a kimenetén. Ott mi változik? A teljesen N csatornás mosfettel megvalósított áramkör nekem is jobban tetszene, annak kisebb az ellenállása, de ilyen rajzot még nem találtam. |
Bejelentkezés
Hirdetés |




a kimenet kiül a negatív tápfesz-re és nem igazán értem miért?? :




). ezek után lecseréltem a FET-et egy 







